Quick Start Guide
SpeedFace – V5L[QR] Series
Version: 1.0
User Guide
SpeedFace V5L QR Series Visible Light Facial Recognition Terminal
Due to regular upgrades of systems and products, ZKTeco could not guarantee exact consistency between the actual product and the written information in this manual.
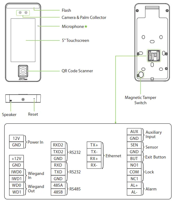
Overview
SpeedFace-V5L[QR]

Note: Not all products have the function with, the real product shall prevail.
Overview

Installation Environment
Please refer to the following recommendations for installation.

Recommended Palm Gestures

Note:
- Place your palm within 30 to 50 cm of the device.
- Place your palm in the palm collection area, such that the palm is placed parallel to the device.
- Make sure to keep space between your fingers.
Recommended Standing Position

Installation Re requirements
The installation requirements and indications associated with the device are given below:
| Specification | Standard value | Remark |
| Operating Environment | Indoor, Avoid wind, Avoid direct sunlight, 16°C to 35°C (60.8°F to 95°F) | The recommended operating temperature is 25°C (77°F) |
| Distance (between face and device) | 30 to 120cm (0.98ft to 3.94ft) | The recommended distance is 80cm (2.62ft) |
| Measurement Accuracy | ±0.3°C (±0.54°F) | This value is tested at a distance of 80cm or 2.63ft under a 25°C (77°F) environment. |
Note: The temperature measurement data is only for reference, and not for any medical purposes.
Forehead temperature detection

Indoor constant temperature environment
- Installation height: 1.55m
- FOV (Field view) o the thermal imaging de-ice: 50
- Temperature detection distance: .3m to 1.2m
- Height o h ace adapter or detection: 1.2m to 2m
Device Installation
Take SpeedFace-V5L[QR][TI] as an example:

- Attach the mounting template sticker to the wall and drill holes according to the mounting paper. Fix the back plate on the wall using wall mounting screws.
- Attach the device to the back plate.
- Fasten the device to the back plate with a security screw.
Standalone Installation

Power Connection

Recommended power supply
- 12V ± 10%, at least 00mA.
- To share the power with other devices, use a power supply with higher current ratings.
Ethernet Connection

Click COMM. Ethernet IP Address, input the address and Click OK
Note: n A, addresses o the server and the device must e in the same network segment when connecting t io security so aware.

Lock Relay Connection
The system supports both Normally Opened Lock and Normally Closed Lock. The NO Lock (normally opened when powered) is connected with ‘NO1’ and ‘COM’ terminals and the NC Lock (normally closed when powered) is connected with ‘NC1’ and ‘COM’ terminals. The power can be shared with the lock or can be used separately for the lock, as shown in the example with NC Lock below:
- device not sharing power with the lock
- device sharing power with the lock

Wiegand Reader Connection
Wiegand card reader connects to the top 4 pins of the Wiegand terminal and the last two pins are used by the Access controller, as shown in the following figure. It sends the
credentials to the device via Wiegand communication.

RS485 and RS232 Connection
The RS485 and the RS232 let users connect multiple readers to the device. Two RS232 and one RS485 can be connected to the terminal, as shown in the figure below.

User Registration
When there is no super administrator set in the device, click on
it to enter the menu. Add a new user and set User Role to Super Admin, then the system will request the administrator’s verification before entering the menu. It is recommended to register a super administrator initially for security purposes.
Method 1: Register on the device
Click on
> [User Mgt] > [New User ] to register a new user. The options include entering the user ID and Name, setting User Role, registering Palm, Face, Card Number, Password, and adding Profile Photo.

Method 2: Register on ZKBioSecurity software
Please set the IP address and cloud service server address in the Comm. Menu option on the device.
- Click [Access] > [Access Device] > [Device] > [Search Device] to search the device on the software. When an appropriate server address and port is set on the device,
the searched devices are displayed automatically.
- Click [Add] in operation column, a new window will pop-up. Select Icon type, Area, and Add to Level from each dropdown and click [OK] to add the device.
- Click [Personnel] > [Person] > [New] and ll in all the required fields to register a new users in the software.
- Click [Access] > [Device] > [Device Control] > [Synchronize All Data to Devices] to synchronize all the data to the device including the new users.
For more details, please refer to the ZKBioSecurity User Manual.
Method 3: Register on the phone
Once the ZKBioSecurity software is installed, the users could enroll their face via a browser application on their own mobile phone.
- Click [Personnel] > [Parameters], input ‘’http://Server address: Port’’ in the QR Code UGL bar. The software will automatically generate a QR code. Scan the QR code or login onto ‘’http://Server address: Port/app/v1/address’’ by the mobile phone to register users.

- The users will be displayed in [Personnel] > [Temporary Personnel], click [Review].

Ethernet and Cloud Server Settings
Click on
> [COMM.] > [Ethernet] to set the network parameters. If the TCP/IP communication of the device is successful, the icon will
be displayed in the upper right corner of the standby interface.
Click on
> [COMM.] > [Cloud Server Setting] to set the server address and server port, that is, the IP address and port number of the server after the software is installed. If the device communicates with the server successfully, the icon
will be displayed in the upper right corner of the standby interface.

Note:
While pairing the device with ZKBioSecurity software. Make sure that the option Enable Domain Name is disabled and the correct server address and port are entered.
Server Address: Set as the IP address of the ZKBioSecurity server.
Server Port: Set as the service port of ZKBioSecurity (the default is 6609).
Access Control Setting
Click on
> [Access Control] to enter the access control management interface and set relevant parameters of access control.

Attendance Record
Click on
> [Attendance Search] > [Event Logs] to enter the logs query interface, input the user ID and select the time range,
the corresponding event logs will be dis- played.

Detection Management Settings
Click on
> [System] > [Detection Management] to enter the setting interface.
- You can set the value of the High-temperature alarm threshold, and enable the Temperature over the range; access denied and the Trigger external alarm, the device will send an alarm prompt when the temperature of the user detected exceeds this value, meanwhile, the user will be forbidden to access, as shown in the following figure. The method of enabling Mask detection is the same.
- When the Allow unregistered people to access is enabled, optionally, set Enable capture of unregistered person to save the temperature data.

Notes:
- The effective distance for temperature detection is within 50cm.
- Recommended for indoor use.
- Temperature measurement data is for reference only, not for medical use.
- Remove the mask to register the face, and wear a mask to recognize the face, the type of mask, the size of the face covered by the mask, and bangs will affect the facial recognition elect.
- Facial verification for masked individuals will increase FAR. Palm verification for masked individuals is recommended.

Real-time monitoring on the ZKBioSecurity software
Once ZKBioSecurity software is installed, users could perform temperature detection management on the browser.
- Please set the IP address and cloud service server address on the device and add the device to the software.
- Click [Temperature Detection] > [Temperature Management] > [Real-time monitoring] to view all the events including the Abnormal Temperature, No Masks , and Normal Records.
- Click [Temperature Management] > [Statistics Panel] to view the analysis of statistical data and view the personnel at normal temperatures.
As shown in the following gure.
Real-Time Monitoring

Statistics Panel
For more details, please refer to the ZKBioSecurity User Manual.
QR Code Verification
- In [System] > [Basic Management] > [Parameters] of ZKBioSecurity software, set Enable QR Code to “Yes”, and select the QR code status according to the actual situation.
- On the Server, choose [System] > [Authority Management] > [Client Register] to add a registered App client.
- Open the APP, enter the IP address or domain name of the server, and its port number, and scan the QR Code of the new APP client. After the connection is successful, tap on Employee to switch to the Employee Login screen. Enter the Employee ID and Password (Default: 123456) to log in.
- Tap [Mobile Credential] on the APP, and a QR code will appear, parallelling the phone screen to the device QR code scanner. For details, please refer to SpeedFace-V5L[QR] Series User Manual.

Note: Place your phone within 15 to 50cm of the device (distance depends on the size of the phone screen), do not block the device’s QR code scanner and QR code in the phone screen.
https://www.zkteco.com/en/
ZKTeco Industrial Park, No. 32, Industrial Road,
Tangxia Town, Dongguan, China.
Phone : +86 769 – 82109991
Fax : +86 755 – 89602394
www.zkteco.com
Copyright © 2021 ZKTECO CO., LTD. All Rights Reserved.



![Zkteco Speedface-v5l[qr] Series Visible Light Facial Recognition Terminal User Guide Zkteco Speedface-v5l[qr] Series Visible Light Facial Recognition Terminal User Guide](https://static-data1.manualsee.com/1/img/411/2395082/2022/03/ZKTeco-SpeedFace-V5LQR-Series-Visible-Light-Facial-Recognition-Terminal-fea.png)









![Zkteco G4[qr] Android Multi-biometric Facial Recognition Terminal User Guide Zkteco G4[qr] Android Multi-biometric Facial Recognition Terminal User Guide](https://static-data1.manualsee.com/1/img/172/2574452/2022/04/ZKTECO-G4QR-Android-Multi-Biometric-Facial-Recognition-Terminal-Featured-Image.png)






