2 HP or 5 HP Scroll Enclosure Air Compressors
Instruction Manual
Please read and save these instructions. Read carefully before attempting to assemble, install, operate or maintain the product described. Protect yourself and others by observing all safety information. Failure to comply with instructions could result in personal injury and/or property damage! Retain instructions for future reference.
Description
GENERAL
The Powerex Oilless Rotary Scroll Air Compressor has advanced scroll compressor technology through the development of a completely oilless compressor. The Powerex Scroll Compressor offers a dynamically balanced air end which ensures vibration-free operation. The rotary design permits a continuous 100% duty cycle. Other standard features on the Powerex Scroll Compressor include a Magnetic Starter, Motor Overload Protection, a High-Temperature Shutdown Switch, an Air Cooled Aftercooler, and a Single Phase or Three Phase 4 Pole ODP motor.
Safety Guidelines
A SEPARATE SAFETY BOOKLET IS PROVIDED ALONG WITH THIS MANUAL. READ AND UNDERSTAND The SAFETY BOOKLET.
This manual contains information that is very important to know and understand. This information is provided for SAFETY and to PREVENT EQUIPMENT PROBLEMS. To help recognize this information, observe the following symbols. MAKE SURE EVERYONE OPERATING OR SERVICING THE COMPRESSOR READS AND UNDERSTANDS ALL The INFORMATION PROVIDED.
DANGER
Danger Indicates an Imminently hazardous situation that, if not avoided, WILL result In death or serious Injury.
WARNING
Warning indicates a potentially hazardous situation that, if not avoided, COULD result in death or serious injury. Caution indicates a potentially minor or moderate injury.
CAUTION
Installation
INSTALLATION SITE
- The scroll compressor must be located in a clean, well-lit, and well-ventilated area.
- The area should be free of excessive dust, toxic or flammable gases, moisture, water, and direct sunlight.
- Never install the compressor where the ambient temperature is higher than 104° F or where humidity is high.
- Clearance must allow for safe, effective inspection and maintenance. 20 inches of clearance for sides is recommended.
- If necessary, use metal shims or leveling pads to level the compressor. Never use wood to shim the compressor.

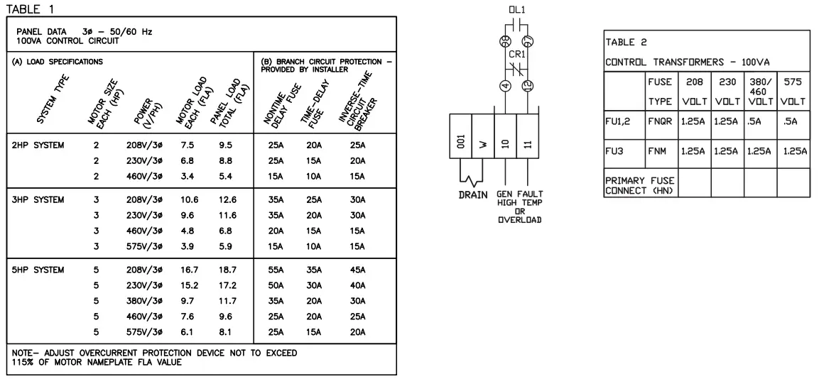
Specifications
| Product | SES Series Powerex Simplex Air Compressors |
| Performance Specifications | See Page 2 |
| Lubrication | Grease-filled Bearing |
| Operating Voltages | 10 230 Volts, 60 Hz; 230 Volts, 50 Hz |
| 30 208-230/460/575 Volts, 60 Hz | |
| Compression Cycle | Scroll |
| Motor Overload Protection | IEC Motor Overload Relay |
| Pressure Settings | Cut-In: 95 psig / Cut-Out: 115 psig |
| Cut-In: 115 PSIG / Cut-Out: 145 PSIG (High-Pressure Unit) | |
| Overpressure Protection | ASME Safety Valve Factory Set and Sealed |
| Outlet Air Connections | 3/8 inch NPT |
| Tank Size | 13 Gallon ASME Rated 175 PSIG |
| California Ordinance 462 (L) (2) | Meets Requirements of this Ordinance |
| Tank Isolation | Standard All Units |
| Drive | 3V Belt |
| Control Panel | UL508A Listed |
Compressor Specifications
| Model | SES02 | SES12 | SES03 | SES13 | SES05 | SES15 |
| HP | 2 | 3 | 5 | |||
| Phase | 30 | 10 | 30 | 10 | 30 | 10 |
| Voltage | 208-230/460/575 | 230 | 208-230/460/575 | 230 | 208-230/460/575 | 230 |
| Amps | See wiring diagram for amp rating | |||||
| Air End | SLAEO3EB | SLAEO3EB | SLAEO5E (SLAEO5EHP) | |||
| Control System | Pressure Switch | Pressure Switch | Pressure Switch | |||
| Discharge Pressure(PSIG) | 95 – 115 (115 – 145 optional) | 95 – 115 (115 – 145 optional) | 95 – 115 (115 – 145 optional) | |||
| Air Delivery | 6.0 @ 100 PSIG and (4.6 @ 145 PSIG) | 8.8 @ 100 PSIG and (7.1 @ 145 PSIG) | 15.2 @ 100 PSIG and (12.5 @ 145 PSIG) | |||
| Compress Speed(RPM) | 2200 (1850) | 3140 (2770) | 3250 (3250) | |||
| Discharge Temp. | Ambient temp. + 30 °F | Ambient temp. + 30 °F | Ambient temp. + 30 °F | |||
| Noise level dB(A) [1.5m from the front] | 49 | 49 | 51 | |||
| Dimensions In Inches(L x W x H) | 34 x 21 x32.5 | 34 x 21 x32.5 | 34x 21x 32.5 | |||
(Items in parenthesis are high-pressure information)
6. Never install the compressor outside.
7. For 3 and 5 HP single phase models it is recommended that additional tank volume be added. 3 HP single-phase models need a minimum of 30 gallons of air capacity to limit the number of starts-per-hour to 14 maximum. 5 HP single-phase models need a minimum of 60 gallons of air capacity to limit the number of starts-per-hour to 10 maximum.
VENTILATION
- If the scroll compressor is located in a totally enclosed room, an exhaust fan with access to outside air must be installed.
- Never restrict the cooling fan exhaust air.
- Vent the exhaust air outside to prevent the compressor from operating at high temperatures and shutting down.
- Never locate the compressor where hot exhaust air from other heat-generating units may be pulled into the unit.
WIRING
All electrical connections must be performed by a qualified electrician. Installations must be in accordance with local and national electrical codes.
- Make sure the power source is the same voltage as the unit’s required voltage
- Use solderless terminals to connect the electric power source.
- Remove the two left panels.
- Pull the electric cable through the electric source inlet and connect to the primary side of the contact blocks.
- Since the loosening of wires is possible in shipment, tighten all wire terminals prior to starting the unit.
PIPING
General Guidelines
- Make sure the piping is lined up without being strained or twisted when assembling the piping for the scroll compressor.
- Appropriate expansion loops or bends should be installed at the compressor to avoid stresses caused by changes in hot and cold conditions.
- Piping supports should be anchored separately from the compressor to reduce noise and vibration.
- Never use any piping smaller than the compressor connection.
- Use a flexible hose to connect the outlet of the compressor to the piping so that the vibration of the compressor does not transfer to the piping.
Remote Intake Piping
Powerex Compressor Systems with pipe thread connectors on the intake filters are intended for installation with remote air intake. Piping for the remote intake system must be installed at the final operating site.
Under some conditions, the intake piping may facilitate the condensation of humidity in the intake air stream into liquid water.
NOTICE
The intake filters supplied by Powerex will not stop the ingestion of liquid water by the pumps. Liquid water going into the pumps will damage the pumps and void the warranty. Always install drip legs with sufficient capacity to capture liquid water in the intake piping before the air filters. Drip legs must be sized with low enough air velocity to make sure they are effective at capturing liquid water in the intake air and must be maintained (drained) at frequent intervals to make sure they remain effective.
SAFETY VALVES
Tank-mounted compressors are shipped from the factory with safety valves installed in the air receiver manifold. The flow capacity of the safety valve is equal to or greater than the capacity of the compressor.
- The pressure setting of the safety valve must be equal to or less than the maximum working pressure of the air receiver.
- Safety valves should be placed ahead of any possible blockage point in the system, i.e. shutoff valve.
- Avoid connecting the safety valve with any tubing or piping. 4. Manually operate the safety valve every six months to avoid sticking or freezing.
Operation
BEFORE START-UP
- Make sure all safety warnings, labels, and instructions have been read and understood before continuing.
- Remove any shipping materials, brackets, etc.
- Confirm that the electric power source and ground have been firmly connected.
- Check the belts for tightness.
- Be sure all pressure connections are tight.
- Check to be certain all safety relief valves, etc., are correctly installed.
- Securely mount all panels and guards.
- Check that all fuses, circuit breakers, etc., are the proper size.
- Make sure the inlet filter is properly installed.
- Confirm that the drain valve is closed.
START-UP AND OPERATION
- Visually check the rotation of the compressor pump. The rotation should be counterclockwise if viewing the compressor from the belt side. If the rotation is incorrect, have a qualified electrician correct the supply wiring.
- Follow all the procedures under”Before start-up” before attempting the operation of the compressor.
- Make sure the compressor switch is in the OFF position.
- Switch the electric source breaker on.
- Open the 3/8 inch discharge valve completely.
- Turn the compressor switch to the ON position and check that the compressor operates without excessive vibration, unusual noises, or leaks.
- Close the discharge valve completely.
- If the pressure does not rise on a three-phase unit, turn the unit off. Have a qualified electrician switch the breaker OFF and exchange the L1 and L2 connections (two out of three phases of electric source) on the control panel
- Check the discharge pressure. Also, make sure the air pressure rises to the designated pressure setting by checking the discharge pressure gauge.
- Check the operation of the pressure switch by opening the outlet valve and confirming the compressor starts at approximately 95 psi for low-pressure units and 115 PSIG or high-pressure units.
DAILY OPERATION
- Stop the compressor by turning the switch to the OFF position.
NOTE: If the compressor rotates in reverse for more than five seconds, the check valve needs to be cleaned or replaced. - Switch the breaker OFF if the compressor is not to be used for a long period of time.
STOPPING THE COMPRESSOR DURING NORMAL OPERATION
- Close the discharge valve.
- Allow the air pressure to build and the compressor to stop.
- Turn the compressor off by turning the switch to the OFF position.
BELT ADJUSTMENT PROCEDURE
- Remove the top panel by removing the two slotted 1/4-20 screws on the rear of the enclosure.
- Loosen the four (4) motor slide bolts.
- Tighten the belt by adjusting the belt adjustment bolt. Belt tension for new belts should be 57 to 65 lbs for the loosest belt in the set, then 45-50 lbs after run-in. If the belt tension falls below 25 lbs or chirping is heard as a start-up, re-tension belts. (If using the deflection method for belt tension, 3.8-4.3 lbs force at mid-span should give 7/32 inch belt deflection for a new belt 3.0-3.38 for a used belt for 7/32 inch belt deflection.
- Tighten the four (4) motor slide bolts. Tighten the two electrical panel side slide bolts first then tighten the two pulley side slide bolts.

Figure 1
Scroll Unit Parts Breakdown –
Models SES02, SES12, 5E503, SES13, 5E505, SES15, SF120_PHA, and SF130_PHA
Figure2
Ref.No. | Description | SES02/SES12 | SES03/SES13 | SESOS /SES15 | Qty. |
1 | Air end (low pressure) (high pressure) | – SL014003AJ SL014003AJ | – SL014003AJ SL014003AJ | – SL016502AJ SL016511AJ | – 1 1 |
| 2 | 13-gallon tank | AR234800WH | AR234800WH | AR234800WH | 1 |
3 | Unit base | SL303600AV | SL303600AV | SL303600AV | 1 |
| 4 | Front panel | SL304500AV | SL304500AV | SL304500AV | 1 |
5 | Right panel | SL304400AV | SL304400AV | SL304400AV | 1 |
| 6 | Back panel | SL304600AV | SL304600AV | SL304600AV | 1 |
7 | Top panel | SL304800AV | SL304800AV | SL304800AV | 1 |
| 8 | Utility panel | SL305200AV | SL305200AV | SL305200AV | 3 |
9 | Internal duct | SL304901AV | SL304901AV | SL304901AV | 1 |
| 10 | Left panel | SL304300AV | SL304300AV | SL304300AV | 1 |
11 | Maintenance panel 1 | SL305000AV | SL305000AV | SL305000AV | 1 |
| 12 | Inside panel | SL304700AV | SL304700AV | SL304700AV | 1 |
13 | Pump base | SL304101AV | SL304101AV | SL304101AV | 1 |
| 14 | Mounting foot | IP630300AV | IP630300AV | IP630300AV | 4 |
| 15 | Support | SL305100AV | SL305100AV | SL305100AV | 2 |
16 | Inlet filter assembly | ST073925AV | ST073925AV | ST073925AV | 1 |
| 17 | Filter element | ST073921AV | ST073921AV | ST073921AV | 1 |
18 | Motor pulley 2HP (low pressure, 2-3V4.45) – 2HP (high pressure, 2-3V3.65) – 3HP (low pressure, 2-3V6.0) 3HP (high pressure, 2-3V5.3) 5HP (low pressure, 2-3V6.9) 5HP (high pressure, 2-3V6.9) | – 3Ø PU202633AV 1Ø PU202623AV 3Ø PU202632AV 1Ø PU202622AV – – – – | – – – – – PU202625AV PU202624AV – – | – – – – – – – PU009754AV PU009754AV | – |
20 | 1 /4 T x 1 /4 P x90 push connect | ST119702AV | ST119702AV | ST119702AV | 1 |
| 21 | 1/4 inch drain tube | PS010300AV | PS010300AV | PS010300AV | 2.0 ft. |
22 | Corner angle | ST185500AV | ST185500AV | ST185500AV | 4 |
| 23 | Temperature switch @ 115 psi Temperature switch @ 145 psi | AM003033AV AM003034AV | AM003033AV AM003034AV | AM003033AV AM003034AV | 1 |
24 | Sub panel | SL305300AV | SL305300AV | SL305300AV | 1 |
| 25 | 1/4 inch bulk head fitting | PS006701AV | PS006701AV | PS006701AV | 1 |
26 | 3/8 inch bulk head fitting | PS006702AV | PS006702AV | PS006702AV | 1 |
| 27 | Safety valve (Low-pressure unit) (High-pressure unit) | – V-215100AV V-215401AV | – V-215100AV V-215401AV | – V-215100AV V-215401AV | – |
28 | Maintenance panel 2 | SL306500AV | SL306500AV | SL306500AV | 1 |
| 29 | Motor slide base | SL306701AV | SL306701AV | SL306701AV | 1 |
30 | Pressure switch (Low-pressure unit) (High-pressure unit) | – CW207573AV CW207595AV | – CW207573AV CW207595AV | – CW207573AV CW207595AV | – |
31 | Lighted off/on the switch | PE000560AV | PE000560AV | PE000560AV | 1 |
| 32 | 3/8 inch ball valve | ST079802AV | ST079802AV | ST079802AV | 1 |
33 | 1 /4-inch ball valve | ST079806AV | ST079806AV | ST079806AV | 1 |
| 34 | Electrical strain relief | ST188106AV | ST188106AV | ST188106AV | 1 |
35 | Motor 2hp 1 phase 2hp 3 phase 3hp 1 phase 3hp 3 phase (208- 230 / 460V) 3hp 3 phase (575V) 5hp 1 phase 5hp 3 phase (208- 230 / 460V) 5hp 3 phase (575V) | – MC301594AV MC3034501 AV – – – – – – | – – – MC301594AV MC304201AV MC304202AV – – – | – – – – – – MC022393AV MC304203AV MC304204AV | – |
36 | Check valve | IP087700AV | IP087700AV | IP087700AV | 1 |
| 37 | Fan | IP632400AV | IP632400AV | IP632400AV | 1 |
Scroll Unit Parts Breakdown –
Models SES02, SES12, SES03,0 SES13, SES0S, SES15, SF120_PHA, and SF130_PHA
Figure 2 (Continued)
| Ref.No. | Description | SES02/SES12 | SES03/SES13 | SESOS /SES15 | Qty. |
| 38 | Fan guard | IP632401AV | IP632401AV | IP632401AV | 1 |
| 39 | 3/8 inch PTFE tube | PS001800AV | PS001800AV | PS001800AV | 2.5 ft. |
| 40 | Belt 2hp low pressure 2hp high pressure 3hp low pressure 3hp high pressure 5hp low/high pressure | – BT009001AV BT009001AV – – – | – – – BT012001AV BT012001AV – | – – – – – BT010701AV | – 2 2 2 2 2 |
| 41 | High temp light | PE000538AV | PE000538AV | PE000538AV | 1 |
| 42 | Unit pressure gauge | IP632603AV | IP632603AV | IP632603AV | 1 |
| 43 | Hourmeter | PE001004AV | PE001004AV | PE001004AV | 1 |
| 44 | JIC fitting | ST186422AV | ST186422AV | ST186422AV | 1 |
| 45 | Braided hose | SM001502AV | SM001502AV | SM001502AV | 1 |
| 46 | Rubber mounting block | AG007501AV | AG007501AV | AG007501AV | 3 |
| 47 | Aftercooler | SL300101AV | SL300101AV | SL300101AV | 1 |
| 48 | ♦ Cabinet screw | ST129304AV | ST129304AV | ST129304AV | 32 |
| 49 | Fan cord | IP632800AV | IP632800AV | IP632800AV | 1 |
| 50 | Intake adaptor plate | IP088400AV | IP088400AV | IP088400AV | 1 |
| 51 | Adaptor plate gasket | IP088200AV | IP088200AV | IP088200AV | 1 |
| 52 | 1/4-20 screw | ST074003AV | ST074003AV | ST074003AV | 8 |
| 53 | 3/8 inch PTFE tube | PS001800AV | PS001800AV | PS001800AV | 1ft. |
| 54 | 3/8 x 3/8 x 90 push connect | ST119705AV | ST119705AV | ST119705AV | 2 |
| Parts unique to: | SF120 PHA | SF130 PHA | |||
| 2 | 13-gallon tank | AR234800LN | AR234800LN | – | 1 |
| 3 | Deep base | SL305401AV | SL305401AV | – | 1 |
| 18 | Motor pulley (SO Hz) | PU202623AV | PU202626AV | – | 1 |
| 35 | Motor (60 Hz) Motor (SO Hz) | MC301594AV MC301578AV | MC301594AV BT012001AV | – – | 1 1 |
| 40 | Belt (SO Hz) | BT012001AV | BT010701AV | – | 2 |
| 42 | Unit Pressure Gauge ♦ Swivel caster | GA032201AV ST187901AV | GA032201AV ST187901AV | – – | 1 4 |
| Parts unique to: | SF1309 | – | 1 | ||
| 16 | Inlet filter assembly | – | VP000541AV | – | 1 |
| 17 | Filter element | – | VP000540AV | – | 2 |
| 23 | Temperature switch | – | AM003017AV | – | 1 |
| 30 | Pressure switch (low-pressure unit) | – | CW207560AV | – | 1 |
| 35 | Motor (60 Hz) | – | MC022309AV | – | 1 |
| 44 | JIC fitting (aftercooler side) JIC fitting (pump side) | – – | ST186402AV ST186419AV | – – | 1 1 |
| 45 | Braided hose | – | SM001504AV | – | 1 |
| ♦ = Not shown | |||||
Maintenance Schedule {see Pump Manual for “How To” Instructions)
Operating Hours
| Item | Action needed | 500 | 2500 | 5000 | 10,000 | 20,000 | Remarks |
| Receiver | Drain moisture | Daily | If equipped with an Electric Drain, test daily | ||||
| Cartridge Filter | Clean, Replace | • | Part# ST073921 AV | ||||
| Ventilation Screen | Clean | • | |||||
| Blower Fan | Clean | • | |||||
| Fan Duct | Clean | • | |||||
| Compressor Fins | Clean | • | |||||
| Compressor | Regrease | hours for 145 psig units) | Use genuine Powerex grease | ||||
| Tip Seal Set | Replace | hours for 145 psig units) | |||||
| Heat Insulation Pipe | Replace | hours for 145 psig units) | |||||
| Check Valve | Inspect, Replace | • | |||||
| V-belt | Inspect, Replace | Readjust • | |||||
| Temperature Sensor | Confirm operation | • | |||||
| Pressure Switch | Confirm operation | • | |||||
| Magnetic Starter | Inspect | • | Replace if the contact point deteriorates | ||||
| Safety Valve | Confirm operation | • | |||||
| Pressure Gauge | Inspect | • | |||||
| Ventilation Fan | Inspect | • | Replace if malfunctions | ||||
| • Inspect | |||||||
Notes:
- Inspect and perform maintenance periodically according to the maintenance schedule.
- The maintenance schedule relates to the normal operating conditions. If the circumstances and load conditions are adverse, shorten the interval time and perform maintenance accordingly.
- Marked “Readjust” means the tension of the V-belt should be adjusted during the initial stage and inspected every 2,500 hours afterward; 57-65 lbs initially, then 45-50 lbs after run-in.
Maintenance Log
| Date | Maintenance Required | Maintenance Performed |
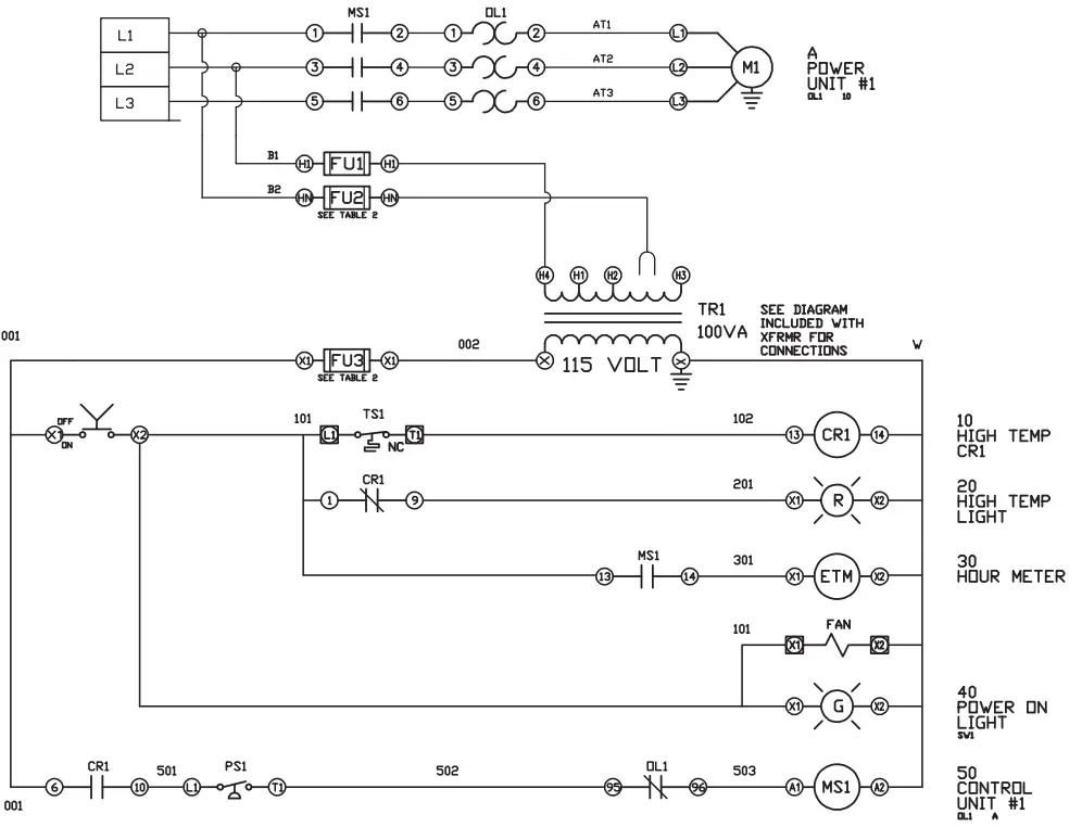
Electrical Diagram – Single Phase Units 230 Volts

Figure3
NOTES
- RECOMMENDED TIGHTENING TORQUES FDR WIRE TERMINALS:
208-575 VLT POWER
35 POUND INCHES
115 VOLT POWER, CONTROL, AND LOW VOLTAGE
20 POUND INCHES - PANEL GROUND MUST BE CONNECTED TO TD EARTH GROUND
- INST ALLER TD PROVIDES THE MAIN DISCONNECTING DEVICE WITH SHORT CIRCUIT PROTECTION FDR FOR EACH MOTOR CIRCUIT IN THIS ELECTRICAL ASSEMBLY. SEE TABLE 1
- ALL WIRES MUST BE LABELED ON BOTH ENDS
Electrical Diagram – Three Phase Units 208 – 230 – 460 – 575 Volts

Figure4
NOTES
- RECOMMENDED TIGHTENING TORQUE FIR WIRE TERMINALS
208-575 VOLT POWER
35 POUND INCHES
115 VOLT POWER, CONTROL
AND LOW VOLTAGE
20 POUND INCHES - PANEL GROUND MUST BE CONNECTED TO TD EARTH GROUND
- INSTALLER TO PROVIDE MAIN DISCONNECTING DEVICE WITH SHORT CIRCUIT PROTECTION FOR EACH MOTOR CIRCUIT IN THIS ELECTRICAL ASSEMBLY. SEE TABLE 1
- ALL WIRES MUST BE LABELED ON BETH ENDS
2 HP – 5 HP Scroll Enclosure Air Compressors
Figure 5
Scroll Electrical Panel Replacement Parts
| Key# | 1 | 2 | 3 | 4 | 5 | 6 | ||
| Model | HP | Motor Starter/ Overload Relay | Control Transformer | Fuse1/Fuse2 (2 REQUIRED) | Fuse 3 | Pressure Switch | Control Relay | |
| 115 PSI | 145 PSI | |||||||
| SES02082 208V,3P | 2 | PE000101AV/ PE000205AV | PS005834AV | JP007716AV | JP007711AV | CW207573AV | CW207595AV | PE000403AV |
| SES02083 230V3P | PE000102AV/ PE000210AV | PS005834AV | JP007716AV | |||||
| SES02084 460V,3P | PE000101AV/ PE000204AV | PS005834AV | JP007702AV | |||||
| SES12086 230V,1P | PE000103AV/ PE000207AV | PS005834AV | JP007716AV | |||||
| SES03082 208V,3P | 3 | PE000102AV/ PE000206AV | PS005834AV | JP007716AV | ||||
| SES03083 230V,3P | PE000102AV/ PE000210AV | PS005834AV | JP007716AV | |||||
| SES03084 460V,3P | PE000101AV/ PE000204AV | PS005834AV | JP007702AV | |||||
| SES03085 575V,3P | PE000101AV/ PE000203AV | PS005847AV | JP007702AV | |||||
| SES13086 230V,1P | PE000103AV/ PE000207AV | PS005834AV | JP007716AV | |||||
| SF13087 230V, 1P | PE000102AV/ PE000207AV | PS005834AV | JP007716AV | |||||
| 5E13085 230V,1P | PE000102AV/ PE000207AV | JP007716AV | ||||||
| SF13097 230V,1P | PE000103AV/ PE000208AV | JP007716AV | CW207560AV | |||||
| 5E13095 230V, 1P | PE000102AV/ PE000207AV | CVV207560AV JP007716AV | ||||||
| SES05082 208V,3P | 5 | PE000102AV/ PE000207AV | PS005834AV | JP007716AV | CW207573AV | |||
| SES05083 230V,3P | PE000102AV/ PE000207AV | PS005834AV | JP007716AV | |||||
| SES05084 460V,3P | PE000101AV/ PE000205AV | PS005834AV | JP007702AV | |||||
| SES05085 575V,3P | PE000101AV/ PE000204AV | PS005847AV | JP007702AV | |||||
| SES15086 230V,1P | PE000104AV/ PE000209AV | PS005834AV | JP007716AV | |||||
Troubleshooting Guide
| PROBLEM | CAUSE | CORRECTIVE ACTION |
| Power ON light does not appear | 1. The Main disconnect is not ON 2. Blown fuse or circuit breaker at the customer-provided power supply 3. Blown fuse at the transformer 4. Lighted switch is burned out | 1. Switch disconnect to ON 2. Inspect for any fault replace fuse or trip disconnect to ON 3. Replace fuse – be sure to use the same type and size 4. Replace the lighted switch |
| Power ON light is on but the unit will not start | 1. Motor overload has tripped 2. Wrong or low voltage 3. Starter has failed 4. Motor has failed | 1. See the last entry of the Troubleshooting Guide 2. Check the incoming power supply and unit power rating 3. Replace contactor assembly 4. Replace motor |
| The compressor is running but will not make pressure | 1. Drive belts came off or were too loose 2. Clogged intake filter element 3. Pressure relief valve has opened 4. Excessive tip seal wear 5. Electric tank drain is open continuously 6. Unit running in the wrong direction 7. Discharge air is leaking | 1. Replace drive belts and (or) tighten 2. Replace intake filter element 3. Pressure switch needs to be replaced or motor contacts welded shut 4. Replace tip seals 5. Replace tank drain 6. Correct power connections 7. Check discharge piping |
| Excessive noise or vibration | 1. Drive belt has a separated or flat spot 2. Motor has failed 3. Pump is damaged 4. Cooling air fan is touching fan guard | 1. Replace the drive belt 2. Replace motor 3. Fix or replace the pump 4. Check the air fan daily |
| Compressor shuts down on high temperature | 1. Room temperature is above 104°F 2. Inlet air duct is obstructed 3. Cooling air fan not running 4. Aftercooler fins clogged 5. Intake filter damaged 6. Compressor is dirty 7. Tip seals worn | 1. Add ventilation or air conditioning to the room 2. Remove obstruction or reposition unit to allow for cooling air 3. Replace cooling air fan 4. Clean aftercooler 5. Check intake filter 6. Clean unit 7. Replace tip seals |
| Compressor turns on/off rapidly | 1. Receiver tank has a high level of water 2. Compressor check valve has failed 3. Defective pressure switch | 1. Replace electric tank drain/drain tank 2. Replace the check valve 3. Replace the pressure switch |
| Safety valves blow off | 1. Pressure switch has failed to open 2. Motor starter contacts welded shut | 1. Replace the pressure switch 2. Replace motor starter |
| Motor Overload has tripped | 1. Pump has failed 2. Motor has failed 3. Improper wiring 4. Wrong overload setting 5. Low voltage | 1. Fix or replace the pump 2. Replace motor 3. Check wiring 4. Check overload setting 5. Check incoming power supply |
Notes
………………………………….
Powerex Limited Warranty – Applicable to Non-OEM Customers in the U.S. & Canada Only
Warranty and Remedies.
(a) General. Powerex warrants each Compressor System, Vacuum System, Vacuum Pump, Compressor Air-End, or Powerex branded Accessory (collectively “Products’; individually each a “Product”) to be free from defects in material and workmanship (“Defects”) at the date of shipment. This warranty shall apply only to Products that are purchased and used in the United States of America and in Canada. EXCEPT AS SET FORTH BELOW, NO OTHER WARRANTY, WHETHER EXPRESS OR IMPLIED, INCLUDING ANY WARRANTY OF MERCHANTABILITY OR FITNESS FOR A PARTICULAR PURPOSE, SHALL EXIST IN CONNECTION WITH THE SALE OR USE OF SUCH PRODUCTS. TO THE EXTENT PERMITTED BY LAW, ANY AND ALL IMPLIED WARRANTIES ARE EXCLUDED. All warranty claims must be made in writing and delivered to Powerex in accordance with the procedures set forth on its website (www.powerexinc.com), or such claim shall be barred. Upon timely receipt of a warranty claim, Powerex shall inspect the Product claimed to have a Defect, and Powerex shall repair, or, at its option, replace, free of charge, any Product which it determines to have had a Defect; provided, however, that if circumstances are such as to preclude the remedying of Defect by repair or replacement, Powerex shall, upon return of the Product, refund to the buyer any part of the purchase price of such Products paid to Powerex. Freight for returning Products to Powerex for inspection shall be paid by the buyer. The warranties and remedies herein are the sole and exclusive remedy for any breach of warranty or for any other claim based on any Defect, or non-performance of the Products, whether based upon contract, warranty, or negligence.
(b) (i) Standard Period of Warranty- Parts and Labor -The purchase of any system includes our standard warranty. Powerex warrants and represents all Products shall be free from defects for the first eighteen (18) months from the date of shipment by Powerex, or twelve (12) months from the documented date of a startup, or five thousand (5,000) hours of use, whichever occurs first. During the such warranty period, Powerex shall be fully liable for all Defects in the Products (the “Product Defects”), i.e., all costs of repair or replacement, which may include “in and out” charges, so long as the Products are located in the United States or Canada, and the Products are reasonably located and accessible by service personnel for removal. “In and out” charges include the costs of removing a Product from the buyer’s equipment for repair or replacement.
(ii) Premium Period of Warranty- Parts and Labor – In order to be eligible for premium warranty coverage, a premium warranty for each system must be purchased when the order is placed. Powerex warrants and represents all Products shall be free from defects for the first thirty (30) months from the date of shipment y Powerex, or twenty-four (24) months from the documented date of a startup, or seven thousand five hundred (7,500) hours of use, whichever occurs first. During the such warranty period, Powerex shall be fully liable for all Defects in the Products (the”Product Defects”), i.e., all costs of repair or replacement, which may include “in and out” charges, so long as the Products are located in the United States or Canada, and the Products are reasonably located and accessible by service personnel for removal. “In and out” charges include the costs of removing a Product from the buyer’s equipment for repair or replacement.
(c) Additional Period of Warranty- Parts Only (No Labor). In addition to the above, Powerex warrants each Powerex branded Compressor Air- End and Vacuum Pump shall be free of Defects for a period of forty-two (42) months from the date of shipment by Powerex, or thirty-six (36) months from the documented date of a startup, or ten thousand (10,000) hours of use, whichever occurs first. Supplier’s repair or replacement of any Product shall not extend the period of any warranty of any Product. This warranty applies to the exchange of part(s) found to be defective by an Authorized Powerex Service Representative only.
(d) Replacement Pumps–Parts Only (No Labor). For any replacement Air-End or Vacuum Pumps installed on a Powerex manufactured system or unit after any initial warranty period has expired or where another warranty does not apply for any reason, Powerex warrants that the Air-End or Vacuum Pumps shall be free of Defects for a period of thirty-six (36) months from the date of shipment by Powerex or ten thousand (1 0,000)hours of use, whichever comes first. For any replacement Air-End or Vacuum Pumps installed on a system that was not manufactured by Powerex after any initial warranty period has expired or where another warranty does not apply for any reason, Powerex warrants that the Air-End or Vacuum Pumps shall be free of Defects for the first twelve (12) months from the date of shipment by Powerex. Supplier’s repair or replacement of any Product shall not extend the period of any warranty of any Product. This warranty applies to the exchange of part(s) found to be defective by an Authorized Powerex Service Representative only.
(e) Replacement Motors — Parts Only (No Labor). For any replacement motor installed on a Powerex manufactured system or unit after any initial warranty period has expired or where another warranty does not apply for any reason, Powerex warrants that the replacement motor shall be free of Defects for the first twelve (12) months from the date of shipment by Powerex. For any replacement motor installed on a system or unit that was not manufactured by Powerex after any initial warranty period has expired or where another warranty does not apply for any reason, Powerex warrants that the replacement motor shall be free of Defects for the first ninety (90) days from the date of shipment by Powerex. Supplier’s repair or replacement of any Product shall not extend the period of any warranty of any Product. This warranty applies to the exchange of part(s) found to be defective by an Authorized Powerex Service Representative only.
(f) Replacement Parts- Parts Only (No Labor). For other replacement parts besides motors, Air-End or Vacuum Pumps installed on a Powerex manufactured system or unit after any initial warranty period has expired or where another warranty does not apply for any reason, Powerex warrants that such replacement parts will be free from Defects for the first twelve (12) months from the date of shipment by Powerex. For other replacement parts besides motors, Air-End, or Vacuum Pumps installed on a system or unit that was not manufactured by Powerex after any initial warranty period has expired or where another warranty does not apply for any reason, Powerex makes no warranties. Supplier’s repair or replacement of any Product shall not extend the period of any warranty of any Product. This warranty applies to the exchange of part(s) found to be defective by an Authorized Powerex Service Representative only.
(g) Coverage. The warranty provided herein applies to Powerex manufactured units or systems only.
(h) Exceptions. Notwithstanding anything to the contrary herein, Powerex shall have no warranty obligations with respect to Products:
- that have not been installed in accordance with Powerex’s written specifications and instructions;
- that have not been maintained in accordance with Powerex’s written instructions;
- that have been materially modified without the prior written approval of Powerex; or
- that experience failure resulting from operation, either intentional or otherwise, in excess of rated capacities or in an otherwise improper manner.
(i) The warranty provided herein shall not apply to:
- any defects arising from corrosion, abrasion, use of insoluble lubricants, or negligent attendance to or faulty operation of the Products;
- ordinary wear and tear of the Products;
- defects arising from abnormal conditions of temperature, dirt, or corrosive matter; or
- any OEM component which is shipped by Powerex with the original manufacturer’s warranty, which shall be the sole applicable warranty for such component.
Limitation of Liability. NOTWITHSTANDING ANYTHING TO THE CONTRARY HEREIN, TO THE EXTENT ALLOWABLE UNDER APPLICABLE LAW, UNDER NO CIRCUMSTANCES SHALL POWEREX BE LIABLE FOR ANY INCIDENTAL, CONSEQUENTIAL, PUNITIVE, SPECULATIVE, OR INDIRECT LOSSES OR DAMAGES WHATSOEVER ARISING OUT OF OR IN ANY WAY RELATED TO ANY OF THE PRODUCTS OR GOODS SOLD OR AGREED TO BE SOLD BY POWEREX TO BUYER. TO THE EXTENT ALLOWABLE UNDER APPLICABLE LAW, POWEREX’S LIABILITY IN ALL EVENTS IS LIMITED TO, AND SHALL NOT EXCEED, THE PURCHASE PRICE PAID.
Warranty Disclaimer. Powerex has made a diligent effort to illustrate and describe the Products in its literature, including its Price Book, accurately; however, such illustrations and descriptions are for the sole purpose of identification and do not express or imply a warranty that the Products are merchantable, or fit for a particular purpose, or that the Products will necessarily conform to the illustrations or descriptions.
Product Suitability. Many jurisdictions have codes and regulations governing the sales, construction, installation, and/or use of Products for certain purposes, which may vary from those in neighboring areas. While Powerex attempts to assure that its Products comply with such codes, it cannot guarantee compliance, and cannot be responsible for how the product is installed or used. Before purchasing and use of a Product, please review the Product applications, and national and local codes and regulations, and be sure that the Product, installation, and use will comply with them.
Claims. Any non-warranty claims pertaining to the Products must be filed with Powerex within 6 months of the invoice date, or they will not be honored. Prices, discounts, and terms are subject to change without notice or as stipulated in specific Product quotations. Powerex shall not be liable for any delay or failure arising out of acts of the public enemy, fire, flood, or any disaster, labor trouble, riot or disorder, delay in the supply of materials, or any other cause, whether similar or dissimilar, beyond the control of Company. All shipments are carefully inspected and counted before leaving the factory. Please inspect carefully any receipt of Products noting any discrepancy or damage on the carrier’s freight bill at the time of delivery. Discrepancies or damage which obviously occurred in transit are the carrier’s responsibility and related claims should be made promptly and directed to the carrier. Returned Products will not be accepted without prior written authorization by Powerex and deductions from invoices for shortage or damage claims will not be allowed. UNLESS OTHERWISE AGREED TO IN WRITING, THE TERMS AND CONDITIONS CONTAINED IN THIS LIMITED WARRANTY WILL CONTROL IN ANY TRANSACTION WITH POWEREX. Any different or conflicting terms as may appear on any order form now or later submitted by the buyer will not control. All orders are subject to acceptance by Powerex.
Powerex
150 Production Drive
Harrison, OH 45030
USA
1-888-769-797
www.powerexinc.com
















