munters RSW-2 Broiler Silo Weighing Controller

Manual for use and maintenance
Revision: 1.2 of 03.2022
Ag/MIS/UmGb-2619-07/18 Rev 3.7 (MIS)
Product Software: Version 7.02
This manual for use and maintenance is an integral part of the apparatus together with the attached technical documentation.
This document is destined for the user of the apparatus: it may not be reproduced in whole or in part, committed to computer memory as a file or delivered to third parties without the prior authorization of the assembler of the system.
Munters reserves the right to effect modifications to the apparatus in accordance with technical and legal developments.
Introduction
Disclaimer
Munters reserves the right to make alterations to specifications, quantities, dimensions etc. for production or other reasons, subsequent to publication. The information contained herein has been prepared by qualified experts within Munters. While we believe the information is accurate and complete, we make no warranty or representation for any particular purposes. The information is offered in good faith and with the understanding that any use of the units or accessories in breach of the directions and warnings in this document is at the sole discretion and risk of the user.
Introduction
Congratulations on your excellent choice of purchasing a RSW-2 Broiler!
In order to realize the full benefit from this product it is important that it is installed, commissioned and operated correctly. Before installation or using the unit, this manual should be studied carefully. It is also recommended that it is kept safely for future reference. The manual is intended as a reference for installation, commissioning and day-to-day operation of the Munters equipment.
Notes
Date of release: July 2011
Munters cannot guarantee to inform users about the changes or to distribute new manuals to them.
All rights reserved. No part of this manual may be reproduced in any manner whatsoever without the expressed written permission of Munters. The contents of this manual are subject to change without notice.
Safety Aspects
Grounding
- Always connect temperature and sensor shields to earth ground. Avoid mixing high voltage wiring with sensor and low voltage wiring.
- Keep the controller as far as possible from heavy contactor boxes and other sources of electrical interference.
- Do not connect communication wire shields, which go from one house to another at both ends. Connect them at one end only. Connection at both ends can cause ground loop currents to flow, which reduce reliability.
- The COM connection for communications is not the shield wire. The COM, RX and TX wires must connect to each other at all controllers.
Checking the Battery Level
Check the battery once a year. The output must be 2.7 volts (minimum). Authorized personnel only must replace the battery if the output is below the minimum required level or every five years.
Introduction to the RSW-2 Broiler
This manual is meant to be used by either a poultry farmer or its authorized personnel who own a broiler poultry pen.
Description
The MUNTERS RSW-2 is a silo weighing control system. It includes feed and bird scales enabling the poultry farmer to precisely control feed deliveries, feed inventory and feed conversion.
Feed dispensing may be set to preset times for mealtime feeding, continuous full feeding, or restricted feeding.
Basic Operating Instructions
- Display
- Keypad
- Hot Keys
- Hot Keys for Munters Engineers
Display
- The RSW-2 normally shows the following: DAY (growth day), QTY-A and QTY-B (amount of feed distributed), and TIME (see Figure 1). If an alarm occurs the screen will alternately show an appropriate alarm message.
NOTE: If Channel-B is not defined, then the Standard display will only show Quantity for Silo A. - Press “MENU” to see the control menu. Press “MENU” again, to return to the standard display.
- The Main Menu table in Table 1 shows the entire menu structure for RSW-2 .

| 1. CONTROL | 2. MANAGEMENT | 3. HISTORY | 4. TEST | 5. CALIBRATION |
| 1.1 FEED TIME | 2.1 MORTALITY | 3.1 FEED CONSUMPTION | 4.1 RELAYS | 5.1 SILO A |
| 1.2 LIGHT | 2.2 BIRD COUNT | 3.2 CON. & INVENTORY | 4.2 SILO A | 5.2 SILO B |
| 1.3 AUGERS TIME | 2.3 FEED SUPPLY A | 3.3 WATER CONSUMPTION | 4.3 SILO B | 5.3 BIRD SCALE |
| 1.4 OPERATION MODE | 2.4 FEED SUPPLY B | 3.4 FEED & WATER | 4.4 BIRD SCALE | 5.4 SILO A FACTOR |
| 1. CONTROL | 2. MANAGEMENT | 3. HISTORY | 4. TEST | 5. CALIBRATION |
| 1.5 SYSTEM PARAMETERS | 2.5 SILO A INVENTORY | 3.5 BIRD WEIGHT | 4.5 DIGITAL INPUTS | 5.5 SILO B FACTOR |
| 2.6 SILO B INVENTORY | 3.6 FEED CONVERTION | 4.6 WATER PULSE | 5.6 BIRD SCALE FACTOR | |
| 2.7 TIME/DATE | 3.7 MORTALITY | |||
| 2.8 GROWTH DAY | 3.8 ALARMS | |||
| 2.9 NEW FLOCK | ||||
| 2.10 ALARM RESET | ||||
| 2.11 ALARM TIME | ||||
| 2.12 BIRD CURVE | ||||
Keypad
The keypad consists of eight keys. There are four cursor keys, “MENU”, “ENTER”, “+” and “-” keys.

Figure 2: Keypad
NOTE To increase/decrease at rates of 10, 100, 1K, or 10K hold down one of the four cursor keys and either the “+” or the “-” keys to change the value.
Table 2: Summary of Factors
| CURSOR | FACTOR |
| Left | 10 |
| Up | 100 |
| Right | 1000 |
| Down | 10000 |
Hot Keys
Table 3: Available Hot Keys
| Action | Keys to press | Explanation |
| Communication | ‘ENTER’ and ‘-‘ key simultaneously.![]() | Brings up the communication status. You must connect a wire between the RX and TX and switch the J1 jumpers to Dir before checking the communication. |
| Communication | ENTER’ and ‘-‘ key simultaneously.![]() | Brings up the communication status. You must connect a wire between the RX and TX and switch the J1 jumpers to Dir before checking the communication. |
| Relay Test | ‘ENTER’ and Left Cursor simultaneously.![]() | The user can see which relays are closed.(*) Relay is connected. (-) Relay is not connected. |
| Software Version | ‘ENTER’ and Down Cursor simultaneously.![]() | Shows the controller’s version. The second row has the controller’s name. |
| Display data regarding Silo A | Simultaneously press![]() | Displays the inventory and data regarding silos (See Table 4). |
| Cold Start | Turn the unit OFF and ON again, the message “RUN” appears. Simultaneously press all four buttons. “COLD” appears on the display.![]() | Returns values of all parameters to factory default and erases the history. Run Cold Start only after changing software (EEPROM) in the RSW-2 or if there is a main problem with the unit. Cold Start erases all user programmed variables and history. BEFORE performing a Cold Start, write down all the variables, hidden parameters, tables, and all other user programmed variables in order to be able to reenter the variables and data. After Cold Start, a calibration for feed and bird scales is needed in order to receive the scale factors, or to insert all factors (including zero factor for feed scale) manually. |
Hot Keys for Munters Engineers
- First row refers to Silo A.
- Second row refers to Silo B.
- Figure ending with Z is the A/D reading. When empty it displays “A/D empty.”
- Figure ending with A is the average A/D reading.
- Figure ending with W is the silo weight
Table 4: Hot Keys for Munters Engineers’ use
| A/D | Average A/D | Silo Weight | |
| Silo 1 | 4000Z | 7938A | 1790W |
| Silo 2 | 4000Z | 4387A | 1176W |
Calibration and Testing
NOTE It is essential to go by the following steps according to their order. If in one section a failure of any kind occurs, first fix the problem and only then continue.
- Check all the transducer’s connections and make sure which silo is connected/disconnected.
- Make sure both Silo A and Silo B (options 4.2 and 4.3, see Table 1) consist of stable values and do not suffer from noise or disturbance or a stacked valve.
- Initial Setup
- Calibration
- Test
Initial Setup
- Go to System Parameters (option 1.5, see Table 1) and define Channel B as Silo, Bird’s weight, or Non-existing.
- Go to Relays (option 4.1, see Table 1) and make sure all the relays are connected properly.
- Update Silo A inventory and Silo B inventory tables (2.5 and 2.6, see Table 1). After running “Cold Start” the inventory’s value can be random, update the silo’s inventory.
- Go to Time/Date (option 2.7, see Table 1). Update the hour and the date.
- Update calibration number of every silo by either calibrating the silo or by inserting a calibration number in the calibration group (one of the stages contains an inventory update).
Calibration
This section deals with system calibration. Usually, system calibration is performed once – in the installation stage. To calibrate the silo scales, an accurate weight of at least either 100 pounds or 50 Kg is required.
- Press the “MENU” key, and select “CALIBRATION” (option 5, see Table 1).
- Silo Calibration with a Known Weight
- Calibration through Loading Process
- Silo A / B Scale Factor
- Bird Scale Calibration
- Bird Scale Factor
Silo Calibration with a Known Weight
To calibrate silo scale:
- Press MENU and Right cursor four times.

- Press ENTER.
- Press ENTER again (the controller takes the tare).
A message “Please wait” appears. Wait until screen changes
- Place a known weight on the scale and enter in its value.
- Press ENTER.

- A message “Please wait” appears. Wait until screen changes. A success or a failure message appears.
NOTE If a failure message is received, ensure that the wire connections are correct and calibrate again.
- Remove the weight and press ENTER.
A message “Please wait” appears. Wait until screen changes.
- Type the total net feed in Silo 1 and press ENTER.

Calibration through Loading Process
To calibrate through silo loading:
- Press MENU and right cursor four times.

- Press ENTER.

- Press ENTER (the controller takes the tare).
A message “Please wait” appears. Wait until screen changes. - Start loading the silo.
- After loading is completed, disconnect the truck-loading pipe enter the total loaded weight [Make sure loaded weight is more than System Parameters – MIN. FILLING].
- Press ENTER.
A message “Please wait” appears.
A message “Good, remove weight press enter” appears.
NOTE If weight is not removed, the controller automatically regards this calibration as a “filling calibration” and adds the weight to the total feed of the silo. - Press ENTER.
A message “Please wait” appears. Wait until screen disappears.
The message “Current weight” appears.
NOTE If there was any amount of feed in the silo prior to the calibration, the total net feed weight appears. Any manual changes in inventory, if necessary, are made in this stage.
Silo A / B Scale Factor
An explanation is provided below regarding the parameters in this section.
- Factor: Calibration number.
- %: Any changes in the “%” results in a proportionally inverse change in the factor of its matching percentage.
- Offset: Shifts the A/D valve of the channel.
- For example: Current offset = 2000 and its A/D value or reading is 3403. Increasing the offset by 1000 (making it 3000) also increases the A/D value by 1000. This means the A/D is 4403, where the silo’s inventory remains unchanged.
NOTE This is used if a Load cell has been connected to the system and its A/D value is either very low (about 0) or very high. (In such cases, “offset” is set to a negative value).
- For example: Current offset = 2000 and its A/D value or reading is 3403. Increasing the offset by 1000 (making it 3000) also increases the A/D value by 1000. This means the A/D is 4403, where the silo’s inventory remains unchanged.
Bird Scale Calibration
- When the scale is empty, press “ENTER”.
- A “Please wait” message appears. Wait until this screen disappears.
- Put a known weight on the scale and use the keypad to enter in its value.
- Press “ENTER” key and either a success or a failure message appears.
NOTE An accurate weight with a minimum of 2 lbs. (1 Kg) and maximum of 50 lbs. (20 Kg) is required. An inexpensive known weight such as a 2-liter soda bottle (or equivalent) may be used. Weigh it on an accurate calibrated scale (such as grocery store scales) and follow the instructions on the display.
NOTE Munters recommends using a 5 kilogram weight (or more) to achieve an accurate calibration.
Bird Scale Factor
Munters calibrates each bird scale platform before shipment. Instead of using an accurate weight, you may simply insert the calibration number from the scale attached. The factor for the bird scale is set after calibration. This number can be changed manually either after calibration or after COLD START selection.
Test
- Relays
- Bird Scale
- Water Pulse
- Silo A / B
- Digital Input
Relays
Use this to manually control each relay. The RSW-2 does not operate automatically in the test mode. Use the Left and Right Cursor keys to move the cursor to the relay number you wish to change. Press the “ENTER” key to toggle the relay on and off.
Silo A / B
This menu item shows the internal machine numbers for present scale readings. If you know the weight at two points, you can calculate the conversion factors for the load cells. During normal operations, the numbers should be changed to reflect the silo’s average weight in the moment of weighting.
Bird Scale
This menu item shows the present bird scale reading.
Digital Input
This menu item checks which inputs are connected/disconnected.
- 1 = connected
- 0 = disconnected

Figure 3: Digital Input Example
Water Pulse
Displays the current water meter count in order to check that it is working. The count should increase for each unit of water measured by the water meter.
Using the Controller
- IMPORTANT:
- Do not forget to press “ENTER” after every button you press, otherwise the information will not be saved in the system.
- If you need to move the cursor to another column to provide information, use the
“ENTER” button. - If buttons are not in use for a few minutes, screen returns to main appearance.
- Control
- Management
- History
- Specifications
- Environmental Protection
Control
This choice serves as a Control data diary. Press the “MENU” key and select “CONTROL” by pressing the Right Cursor key.
- Feed Time
- Light
- Augers Time
- Operation Mode
- System Parameters
Feed Time
This option consists of ten table entries relating to daily time schedules when feedings are done (seen in ‘#’ column). The time programmed is the beginning and end of each meal (“From” and “To” columns accordingly). For multiple feedings, the RSW-2 feeds equal portions of the day’s ration at each feeding. The feeding timetable operates on relay 5, which calls feeder at the times specified by the table. “On” and “Off” columns relate to cycled operation in minutes.
Figure 4: Feed Time Example
Light
This option has ten table entries relating to a daily schedule for lighting the poultry pen. The time programmed is the beginning (“From Time” column) and the end (“To Time” column) of each light cycle. The lighting timetable will operate on relay 4, which defines light according to time.
Augers Time
This option has the ability to set a daily schedule for Augers 1 & 2. Use UP and DOWN arrow keys to navigate between Auger 1 to Auger 2.
Figure 6: Augers Time Example
Operation Mode
This selection enables the user to switch between operation modes: “Auto” and “Stop” by using the “+” and “-” keys.
- AUTO: Automatic operation.
- STOP: This mode stops the unit, including the Augers, and feeders.
STOP mode is used especially in emergency cases and between flocks.
Figure 7: Operation Mode (Stop Example)
System Parameters
Table 5: Available System Parameters
| Variable | Description | Default |
| 1. | Minimum Emptying Quantity. [Kg / Lb] | 10 |
| 2. | Minimum Filling Quantity. [Kg / Lb] | 1000 |
| 3. | Resume Time [min] | 5 |
| 4. | Silo A Low Limit 0…65000 [Kg / Lb] | 0 |
| 5. | Silo B Low Limit 0…65000 [Kg / Lb] | 0 |
| 6. | Feed Per Pulse Ratio 0…100 [Kg / Lb] | 10 |
| 7. | Water Per Pulse Ratio 0…100 | 0.000 |
| 8. | Fill. Detect | 200 |
| 9. | Reference Weight [Kg ] (REG mode) | 0.000 |
| 10. | Range Below Reference 10…45 [%](REG mode) | 30 |
| 11. | Range Above Reference 10…45 [%](REG mode) | 30 |
| 12. | Auto Correction, [0=No, 1=Yes.] | 1 |
| 13. | Female Average Weight [Kg / Lb] (MIX mode) | 0.039 |
| 14. | Male Average Weight [Kg / Lb] (MIX mode) | 0.045 |
| 15. | Female Range Above Reference 10…45 [%](MIX mode) | 15 |
| 16. | Female Range Below Reference 10…45 [%](MIX mode) | 15 |
| 17. | Male Range Above Reference 10…45 [%](MIX mode) | 15 |
| 18. | Male Range Below Reference 10…45 [%](MIX mode) | 15 |
| 19. | Midnight Time [hours] | 00 |
| 20. | House Number for PC communication | 0 |
| 21. | Password | 0 |
| 22. | Baud rate | 9600 |
| 23. | Bird Scale Weighing Mode [REG / MIX] | REG |
| 24. | Weight Unit [Kg, Lb] | Kg |
| 25. | Date Format [USA or Europe] | EUR |
| 26. | Channel B | YES |
- Minimum Emptying Quantity: Minimum feed quantity during emptying, adding to the feed consumption table. (Default: 10 Kg.)
- Minimum Filling Quantity: Minimum feed quantity to start automatically with filling feed procedure (150 Kg minimum). (Default: 1000 Kg)
- Resume Time: Delay time between feed filling and the augers activate. (Default: 5 min)
- Low Limit A: If the remaining quantity of feed in Silo A is inferior to the low limit, alarm “SILO-A LOW LIMIT” will start. (Default: 0)
- Low Limit B: If the remaining quantity of feed in Silo B is inferior to the low limit, alarm “SILO-b LOW LIMIT” will start. (Default: 0)
- Feed / Pulse: Relation between the feed quantity and the number of pulses at the exit feed /pulse 1 or feed/pulse 2. (Default: 10 Kg)
- Water / Pulse: Relation between the water quantity and the number of pulses at the entry water / pulse. (Default: 0.000)
- Fill Detect: Determines weight to stop auger during filling time.
- Reference Weight: Weight which measurements are compared to, in order to make sure they are within the desired range.
- Below % (REG mode): Measurements within the range below the reference weight in percentage. (Default: 30).
- Above % (REG mode): Measurements within the range above the reference weight in percentage. (Default: 30).
- Auto Correction: NOT USED
- Female W (MIX mode): Reference weight for female (Cannot be set by the user). (Default: 0.039)
- Male W (MIX mode): Reference weight for male (Cannot be set by the user). (Default: 0.045).
- [+] Female % (MIX mode): Measurements within the range above the female reference weight in percentage. (Default: 15).
- [-] Female % (MIX mode): Measurements within the range below the female reference weight in percentage. (Default: 15).
- [+] Male % (MIX mode): Measurements within the range above the male reference weight in percentage. (Default: 15).
- [-] Male % (MIX mode): Measurements within the range below the male reference weight in percentage. (Default: 15).
- Midnight Time: The user can set the time preferred for midnight. (0 – 23). (Default: 0).
- House: Concerns communication: house number. (Default: 0).
- Password: Concerns communication: password. (Default: 0).
- Baud Rate: Concerns communication: baud rate. (Default: 9600)
- Weight Mode: Either Regular mode or Mixed mode male and female mode (Default: REG.)
- Weight Unit: Measurement unit: Kg or Lb. (Default: Kg).
- Date Format: American or European date format. (Default: EUR).
- Channel B: Defines whether channel B is either silo, bird scale, or not used. Channel B’s interface is according to either silo or bird scale. It can receive one of the following options:
- 0 – NO
- 1 – YES
- 2 – SCALE
Default is ‘YES’. Since the value is not ‘YES’, Silo B does not exist and therefore, the screen presents information regarding Silo A only (it can be quickly reached by using ‘ENTER’ and ‘+’ key). Low limit alarm in silo B will not be active.
Management
This option serves as a Management input diary.
- Press ‘MENU’ and select ‘MANAGEMENT’ by pressing the right cursor.
- Mortality
- Bird Count
- Feed Supply A
- Feed Supply B
- Silo A Inventory
- Silo B Inventory
- Time / Date
- Growth Day
- New Flock
- Alarm Reset
- Alarm Time
- Bird Curve
Mortality
This selection enables the user to insert bird mortality when needed. The RSW-2 maintains the total daily count automatically. To correct the daily total, press the ‘ENTER’ key and the cursor moves towards the daily sum line. Editing this value is possible by using ‘+’ and ‘-‘ keys.
Bird Count
This option allows the user to count number of members in a new flock. The RSW-2 requires an accurate count to determine the total quantity of feed to deliver. The daily mortality is updated automatically at each change.
Feed Supply A
A two-column inventory: date and quantity (‘##’, ‘Date’ and ‘Silo A’ columns accordingly).
The date can be inserted according to either the American system or the European one. The quantity can be either in Kg or in Lb. For each silo there is a table with up to 100 lines to fill.
Feed Supply B
A two-column inventory: date and quantity (‘##’, ‘Date’ and ‘Silo B’ columns accordingly).
The date can be inserted according to either the American system or the European one. The quantity can be either in Kg or in Lb. For each silo there is a table with up to 100 lines to fill.
Silo A Inventory
For each silo there is a column representing weight of feed in the silo (‘Silo Weight’). It is possible to change and correct the quantities. The user is asked to confirm by selecting this quantity (‘YES’ choice). Otherwise, no change is done.
Silo B Inventory
For each silo there is a column representing weight of feed in the silo (‘Silo Weight’). It is possible to change and correct the quantities. The user is asked to confirm by selecting this quantity (‘YES’ choice). Otherwise, no change is done.
Time / Date
The RSW-2 keeps time in military, 24-hour format. The internal battery maintains the correct time for up to three years of power outage.
Growth Day
This menu item enables correcting the growth day if needed. Max growth day is: 400.
New Flock
Select ‘YES’ by using the ‘+’ key in order to begin updating a new flock. The RSW-2 automatically erases history data and starts the growth cycle over with the programmed curves. When pressing ‘Yes’ another line appears. This line enables the user to zero the silo supply by pressing the ‘ENTER’ key. Otherwise, click the ‘ESC’ key to exit this table.
Alarm Reset
You can disable the alarm relay for current alarms. This conveniently silences the alarm bell while you work on the problem. If a new alarm occurs, or the alarm reoccurs, the RSW-2 will generate a new alarm.
Alarm Time
The RSW-2 enables individual enable times for the alarm relay.
Unless programmed, the alarms will not be recorded. Disabling all alarms during sleeping hours is possible. Table 6 summarizes all possible alarm messages.
Table 6: Available Alarm Messages
| Alarm | Message | From (HH:MM) | To (HH:MM) |
| Silo A Failure | SILO A FAIL | ||
| Silo B or Bird Scale Failure | Ch. 2 FAIL | ||
| Low Limit Silo A | LOW FEED A | ||
| Low Limit Silo B | LOW FEED B |
Bird Curve
The RSW-2 can weigh the male and female birds separately by one platform and calculate an accurate average weight. This menu item allows setting an estimate reference growth curve for both male and female. Table 7 reviews all available default setting.
Table 7: Available Default Settings
| Day | Female | Male |
| 1 | 0.039 | 0.045 |
| 7 | 0.149 | 0.173 |
| 14 | 0.383 | 0.450 |
| 21 | 0.714 | 0.839 |
| 28 | 1.100 | 1.296 |
| 35 | 1.530 | 1.798 |
| 42 | 1.950 | 2.289 |
| 49 | 0 | 0 |
| 56 | 0 | 0 |
| 63 | 0 | 0 |
| 70 | 0 | 0 |
History
This option serves as a history diary.
NOTE This information cannot be changed in this option.
- Press ‘MENU’ and select ‘HISTORY’ by pressing the right cursor.
- Feed Consumption
- Consumption & Inventory
- Water Consumption
- Feed & Water
- Feed Conversion
- Mortality
- Alarms
Feed Consumption
The RSW-2 maintains a complete daily feed consumption record for the entire flock growth period. View the data with this menu item, which shows daily, cumulative and daily change data.
Consumption & Inventory
Feed consumption for both silos is displayed.
- Available columns: day number (=’DAY’) and consumption calculated by additional amount of both Silo A and B (= ‘CON: A+B’).
- Silo inventory for both silos is displayed.
- Available columns: day number (=’DAY’), and inventory calculated by additional amount of both Silo A and B (=’INV: A + B’)
NOTE The silo inventory is recorded at every update.
Water Consumption
The RSW-2 also maintains a complete daily water consumption record for the entire flock growth period. View the data with this menu item, which shows daily, cumulative and daily change data.
Feed & Water
This selection presents the amount of feed and water per single bird. The last column displays the water / feed ratio.
Bird Weight
The RSW-2 maintains daily bird weighing counts, average weights and standard deviation for the entire flock growth period.
Feed Conversion
Using the bird weight and feed consumption data, the RSW-2 calculates and displays the feed conversion factor alongside the average bird weight, for each growth day.
Mortality
This menu item displays the total cumulative mortality per day and the percentage change from the initial number of animals.
Alarms
The RSW-2 maintains a record of the last 20 alarms. This item shows the growth day, time and alarm code for each of these alarms (see Table 8).
Table 8: 20 Last Alarms Samples
| ** | Message | Time | Day |
| 1 | Silo A Fail | ||
| 2 | Ch. 2 Fail | ||
| 3 | Low Limit Silo A | ||
| 4 | Low Limit Silo B | ||
| 5 | Power Down | ||
| 6 | Power Up | ||
| ..20 |
Specifications
| Input Voltage Supply | Single phase:110 VAC (USA & CANADA). |
| Single phase:240 VAC (Outside the US & CANADA). | |
| 0.315 Amp, 50 – 60 Hz | |
| Relays Outputs | 5 Amp. Normally Open Relays. |
| Alarm Output | NO and NC Pilot Duty |
| Operating Temperature Range | -10° C to 50 ° C (14 to 122 F°) |
| Enclosure | Water and dust tight (IP55). |
| Fuses | Main Fuse: 0.315 Amp Slow Relays Fuse: 5 Amp. Slow |
Environmental Protection
Recycle raw materials instead of disposing as waste. The controller accessories and packaging should be sorted for environmental-friendly recycling. The plastic components are labeled for categorized recycling.
Installation
- Only an authorized electrician may install the RSW-2 .
- To avoid exposing the RSW-2 to harmful gases or high humidity, it is recommended to install it in the service room.
- Installation Category (Over voltage Category) III
5 Amps circuit breaker should protect the power supply to the controller.
WARNING! POWER MUST BE DISCONNECTED TO AVOID ELECTRICAL SHOCK AND DAMAGE.
- Initial Steps
- Installation Instructions
- Silo Installation Guide
- Wiring Diagrams
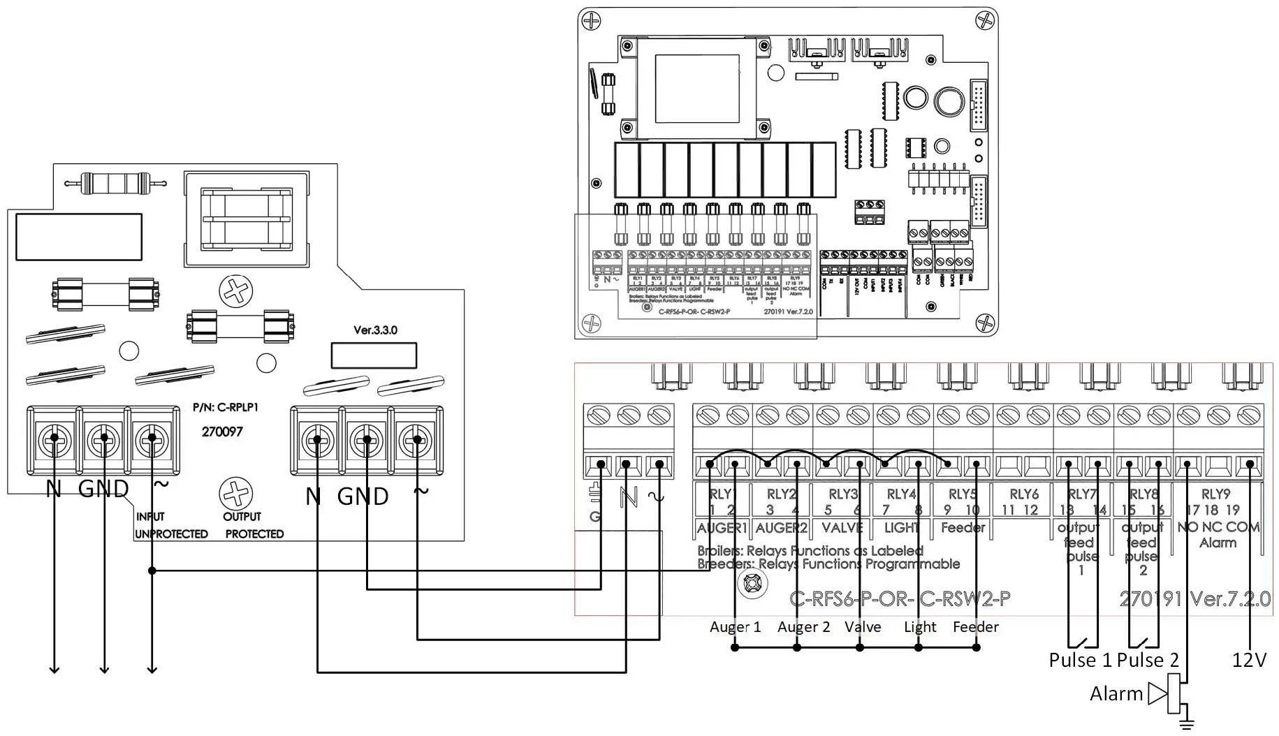
Initial Steps
- Connect the following:
- Relay 1: Connect to Auger 1 (Silo A)
- Relay 2: Connect to Auger 2 (Silo B)
- Relay 3: Spare.
- Relay 4: Connect to light (this relay operates by a lighting time table).
- Relay 5: Connect to feeder (this relay operates by a feed time table).
- Alarm: Connect between N.C and COM, so power failure will also activate the alarm.
- Connections regarding Inputs
- Digital Input 1:
- Digital Input 2:
- Digital Input 3:
- Digital Input 4: Water Pulse: Connected to pulse output of the power meter to measure and save water consumption.
- SCL 1: Connected to the Silo A load cells (6 wired connection as marked)
- SCL 2: Connected to the Silo B load cells or bird scale.
- Connections regarding Pulse Output
- Feed Pulse 1 output: This output gives dry contact pulses per feed supplied quantity, as programmed. This output can be connected to the AC2000 feed pulse input to report to the environment controller the quantities of feed supplied.
NOTE This connection is meant for measuring Silo A and B.
- Feed Pulse 1 output: This output gives dry contact pulses per feed supplied quantity, as programmed. This output can be connected to the AC2000 feed pulse input to report to the environment controller the quantities of feed supplied.
- Connections regarding Scales
- Scale 1 terminal block is connected to the Silo A scale 6 wires cable (The colors are written on the board.)
NOTE: If the load cells are not MUNTERS supplied, the colors on the scale connectors may not be suitable with the load cell.
- Scale 1 terminal block is connected to the Silo A scale 6 wires cable (The colors are written on the board.)
Installation Instructions
- Open lid by loosening the two screws to the front left-hand side.
- Route required cables through cable holders at the bottom of the unit. Connect the wires as seen in the wiring diagrams.
- The RSW-2 must be installed with RPLP-1 (power line protector) in order to have an EMI and lightning protection for the power input of the unit. In case of noisy power lines, an isolated transformer is required.
- The units should not be installed near high power lines (like Augers power, variable speed, dimmers, etc.) or any noisy units. Keep at least 0.5-meter distance between the RSW-2 and noise source.
- The load cell cable transfers mV so it must be a shielded cable, grounded on the RSW-2 side, and distanced at least 0.5 meters from noise sources of high power cables.
- Water pulse should be a shielded cable grounded on one side, and kept far from high power cables.
- Close RSW-2 lid carefully and tightly. Use RTV silicon or equivalent sealant to seal the cable holders.
- After installation is completed, activate the RSW-2 for a few hours and re-check for proper operation.
Silo Installation Guide
Figure 8: Unassembled Silo Parts
Figure 8 shows the unassembled silo components.
- Take apart any assembled parts and spread them in front of you as shown in the picture. The only missing component is the silo’s leg, which is shown in Figure 10.
- Place the half ball on the load cell with the flat side facing down.
It is very important that the flat side faces down or the load cell will not function properly.
Figure 9: Ball Placement on Load Cell - Place the base plate on the half ball.
- Verify that the ground wires are connected shown in Figure 9.
- Place the silo leg on the center of the base plate.
- After the silo’s leg is on, place the metal ring.
Figure 10: Connection to the Ground Rod
CAUTION Connect one of the legs to ground rod with heavy-duty cable (Figure 10).
Sample Installation

Figure 11: Installed Silo Example

Figure 12: Sample Installation
CAUTION Do not overload the silo more than the maximum allowed on load cells. For example, if there are load cells of 10,000 lb. than the maximum allowed is 40,000 pounds.
Load Cell Test Procedure
To perform a load cell test procedure, disconnect the load cell from any load and test following points:
- Disconnect the white and green wires from each load cell at the Junction Box.
- Measure the voltage between the green and the white wires with a DC volt meter, at each load cell.
- The voltage should be 0 to 30mV proportional to the silo weight.
- The voltage difference between load cells should not exceed 3mV.
Wiring Diagrams
- RSW-2 to Other Units
- Communication Wiring
RSW-2 to Other Units

Figure 13: RSW-2 Wiring Diagram (Power and External Devices)

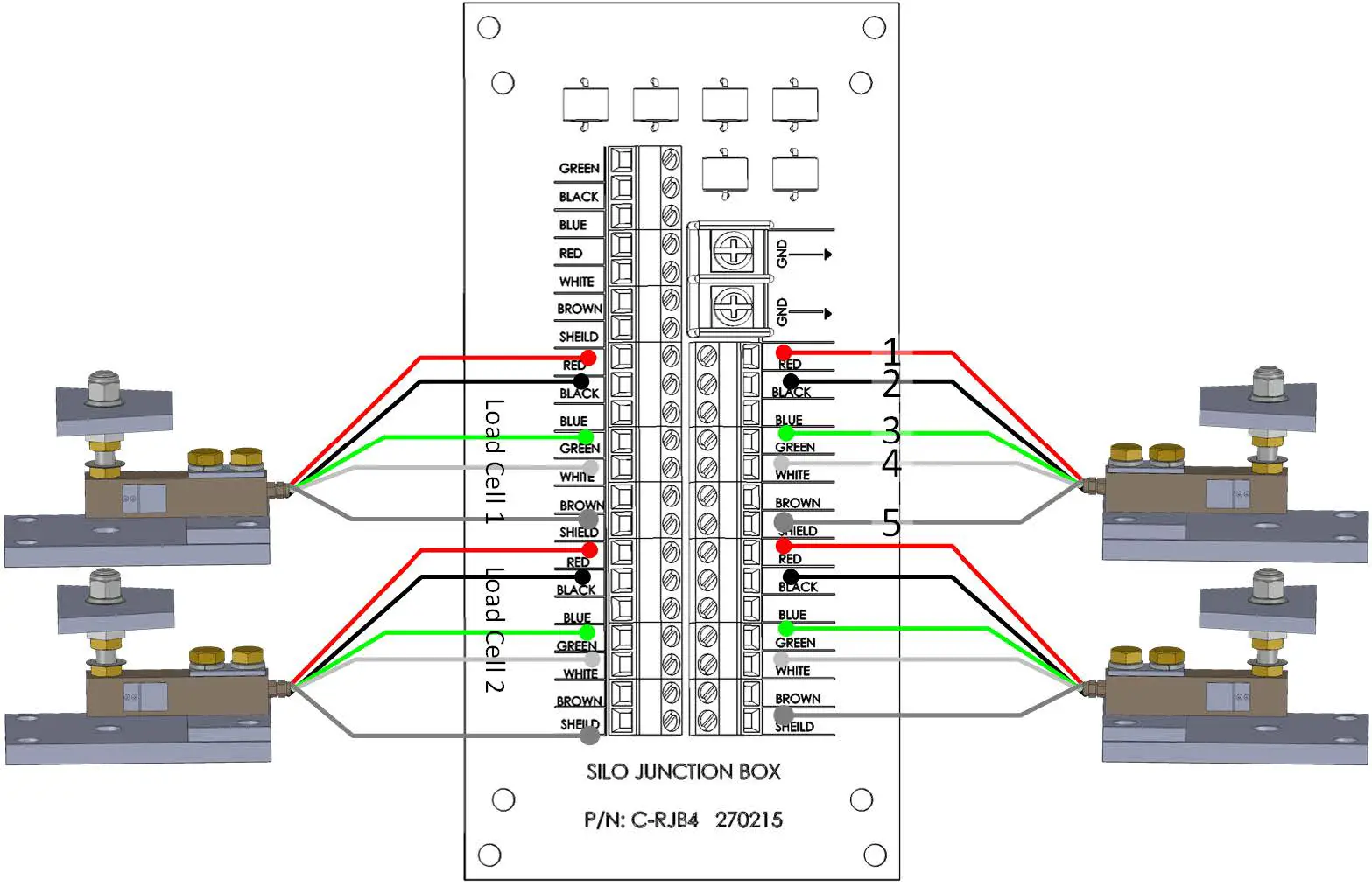
Figure 14: RSW-2 – RJB Wiring Diagram (with External Power Supply)
NOTE There can be up to 100 meters of the supplied black/gray cable between the RSW and the RJB.

Figure 15: RSW-2 Wiring Diagram (Internal Power Supply – up to 6 Load Cells)

Figure 16: RSW-2 Silo Weight Offset Adjustment
| Number | Wire |
| 1 | Red |
| 2 | Black |
| 3 | Green |
| 4 | White |
| 5 | Shield |
NOTE If there are six load cells, add the remaining two cells with load cells one and two.
Communication Wiring

Figure 17: RSW-2 Block Diagram

Figure 18: MUX to RCLP Wiring Diagram

Figure 19: RCLP to RSW-2 Wiring Diagram
Notes:
- Connect the cable shields only at one end only of every section of the MUX-232 cable, as illustrated and in each house.
- Cross wire once only!
- Refer to the MUX manual and RCLP manual for details on installing those units.
Troubleshooting
| # | Problem Description | Troubleshooting |
|
1 |
Installation and filling feed has been done but silo stops weighing. | If the display of Silo 1 does not show A/D ‘65536’ counts on 16 bits, lower the offset (see Figure 16) until this number changes. After receiving numbers shown on the screen, reducing the numbers should be done according to: [65536 – (number of Kg missing in the silo * Silo 1 Scale Factor) After reinstalling and empting the silo, the A/D reading should be around 1000 counts (near zero); use the offset feature to get it. If the display shows ‘0’, increase it by using offset feature. |
|
2 |
The controller display shows “disconnected” (or Error) and the test menu shows 65,536 or 0 rather than a voltage measurement that is required to identify the error. | 1. Check if RJB-4 receives voltage from controller (green and black wires from controller should be approximately 10 DCV). If it is not receiving, check wire connections on the controller’s side. 2. Check load cells (see the following section for further information). Take White and Green wires from each load cell and check their voltage using a digital multi meter (the amount is not important but it must be identical throughout load cells with a difference of up to 2 mV). If difference is more than 2 mV there is a problem with one of the load cells. The range of voltage should be between 0 to 20 mV depending on the silo load. 3. In some cases, when the prior test is not effective and voltage between Black (common) wire and White, and between Black and Green, wires must be checked (amount of voltage must be between 4-4.5V and identical throughout load cells). |
Warranty
Warranty and technical assistance
Munters products are designed and built to provide reliable and satisfactory performance but cannot be guaranteed free of faults; although they are reliable products they can develop unforeseeable defects and the user must take this into account and arrange adequate emergency or alarm systems if failure to operate could cause damage to the articles for which the Munters plant was required: if this is not done, the user is fully responsible for the damage which they could suffer.
Munters extends this limited warranty to the first purchaser and guarantees its products to be free from defects originating in manufacture or materials for one year from the date of delivery, provided that suitable transport, storage, installation and maintenance terms are complied with. The warranty does not apply if the products have been repaired without express authorisation from Munters, or repaired in such a way that, in Munters’ judgement, their performance and reliability have been impaired, or incorrectly installed, or subjected to improper use. The user accepts total responsibility for incorrect use of the products.
The warranty on products from outside suppliers fitted to RSW-2, (for example RSW-2’s sensors, cables, etc.) is limited to the conditions stated by the supplier: all claims must be made in writing within eight days of the discovery of the defect and within 12 months of the delivery of the defective product. Munters has thirty days from the date of receipt in which to take action, and has the right to examine the product at the customer’s premises or at its own plant (carriage cost to be borne by the customer).
Munters at its sole discretion has the option of replacing or repairing, free of charge, products which it considers defective, and will arrange for their despatch back to the customer carriage paid. In the case of faulty parts of small commercial value which are widely available (such as bolts, etc.) for urgent despatch, where the cost of carriage would exceed the value of the parts, Munters may authorise the customer exclusively to purchase the replacement parts locally; Munters will reimburse the value of the product at its cost price.
Munters will not be liable for costs incurred in demounting the defective part, or the time required to travel to site and the associated travel costs. No agent, employee or dealer is authorised to give any further guarantees or to accept any other liability on Munters’ behalf in connection with other Munters products, except in writing with the signature of one of the Company’s Managers.
WARNING: In the interests of improving the quality of its products and services, Munters reserves the right at any time and without prior notice to alter the specifications in this manual.
The liability of the manufacturer Munters ceases in the event of:
- dismantling the safety devices;
- use of unauthorised materials;
- inadequate maintenance;
- use of non-original spare parts and accessories.
Barring specific contractual terms, the following are directly at the user’s expense:
- preparing installation sites;
- providing an electricity supply (including the protective equipotential bonding (PE) conductor, in accordance with CEI EN 60204-1, paragraph 8.2), for correctly connecting the equipment to the mains electricity supply;
- providing ancillary services appropriate to the requirements of the plant on the basis of the information supplied with regard to installation;
- tools and consumables required for fitting and installation;
- lubricants necessary for commissioning and maintenance.
It is mandatory to purchase and use only original spare parts or those recommended by the manufacturer. Dismantling and assembly must be performed by qualified technicians and according to the manufacturer’s instructions. The use of non-original spare parts or incorrect assembly exonerates the manufacturer from all liability. Requests for technical assistance and spare parts can be made directly to the nearest Munters office.













Figure 9: Ball Placement on Load Cell
CAUTION Connect one of the legs to ground rod with heavy-duty cable (Figure 10).


















