munters RSW-2 GP Pigs Agriculture Weighing Equipment

RSW-2 GP Pigs
Manual for use and maintenance
- Revision: N.1.3 of 03/2022
- Ag/MIS/UmGb-2624-07/18 Rev 3.5
- Product Software: 7.02
This manual for use and maintenance is an integral part of the apparatus together with the attached technical documentation. This document is destined for the user of the apparatus: it may not be reproduced in whole or in part, committed to computer memory as a file or delivered to third parties without the prior authorization of the assembler of the system. Munters reserves the right to effect modifications to the apparatus in accordance with technical and legal developments.
Introduction
Disclaimer
Munters reserves the right to make alterations to specifications, quantities, dimensions etc. for production or other reasons, subsequent to publication. The information contained herein has been prepared by qualified experts within Munters. While we believe the information is accurate and complete, we make no warranty or representation for any particular purposes. The information is offered in good faith and with the understanding that any use of the units or accessories in breach of the directions and warnings in this document is at the sole discretion and risk of the user.
Introduction
Congratulations on your excellent choice of purchasing an RSW-2! In order to realize the full benefit from this product it is important that it is installed, commissioned and operated correctly. Before installation or using the unit, this manual should be studied carefully. It is also recommended that it is kept safely for future reference. The manual is intended as a reference for installation, commissioning and day-to-day operation of the Munters Controllers.
Notes
Date of release: July 2010
Munters cannot guarantee to inform users about the changes or to distribute new manuals to them.
NOTE
All rights reserved. No part of this manual may be reproduced in any manner whatsoever without the expressed written permission of Munters. The contents of this manual are subject to change without notice.
Precautions
- Grounding
- Checking the Battery Level
Grounding
- Always connect temperature and sensor shields to earth ground. Avoid mixing high voltage wiring with sensor and low voltage wiring.
- Keep the controller as far as possible from heavy contactor boxes and other sources of electrical interference.
- Do not connect communication wire shields, which go from one house to another at both ends. Connect them at one end only. Connection at both ends can cause ground loop currents to flow, which reduce reliability.
- The COM connection for communications is not the shield wire. The COM, RX and TX wires must connect to each other at all controllers.
Checking the Battery Level
Check the battery once a year. The output must be 2.7 volts (minimum). Authorized personnel only must replace the battery if the output is below the minimum required level or every five years.
Introduction to the RSW-2
The Munters RSW-2 is a silo weighing control system that enables the grower to precisely control feed deliveries, feed inventory and feed conversion. Feed dispensing can be set to preset times for mealtime feeding, continuous full feeding, or restricted feeding.
- Display
- Keypad
- Hot Keys
- Hot Keys for Munters Engineers
Display
- The RSW-2 normally shows the following: DAY (growth day), QTY-A and QTY-B (amount of feed distributed), and TIME (see Figure 1). If an alarm occurs the screen will alternately show an appropriate alarm message.
- Press “MENU” to see the control menu. Press “MENU” again, to return to the standard display.
- The Main Menu table in Table 1 shows the entire menu structure for RSW-2.

Menu Structure
| CONTROL | MANAGEMENT | HISTORY | TEST | CALIBRATION |
| Feed time | Mortality | Feed consumption | Relays | Silo 1 |
| Light | Pig count | Con. & inventory | Silo 1 | Silo 2 |
| Augers time | Feed supply a | Water consumption | Silo 2 | Silo 1 factor |
| Operation mode | Feed supply b | Feed & water | Digital inputs | Silo 2 factor |
| System parameters | Silo 1 inventory | Mortality | Water pulse | |
| Silo 2 inventory | Alarms | |||
| Time/date | Events | |||
| Growth day | ||||
| New group | ||||
| Alarm reset | ||||
| Alarm time |
Keypad
The keypad consists of eight keys. There are four cursor keys, “MENU”, “ENTER”, “+” and “-” keys.
NOTE
To increase/decrease at rates of 10, 100, 1K, or 10K hold down one of the four cursor keys and either the “+” or the “-” keys to change the value.
Summary of Factors
| CURSOR | FACTOR |
| Left | 10 |
| Up | 100 |
| Right | 1000 |
| Down | 10000 |
Hot Keys
Available Hot Keys

Hot Keys for Munters Engineers
- First row refers to Silo 1.
- Second row refers to Silo 2.
- Figure ending with Z is the A/D reading. When empty it displays “A/D empty.”
- Figure ending with A is the average A/D reading.
- Figure ending with W is the silo weight
Hot Keys for Munters Engineer’s Use
| A/D | Average A/D | Silo Weight | |
| Silo 1 | 4000Z | 7938A | 1790W |
| Silo 2 | 4000Z | 4387A | 1176W |
Setup
CAUTION
It is essential to perform the following steps in order. If in one section a failure of any kind occurs, first fix the problem and only then continue.
- Check all the transducer’s connections and make sure which silo is connected/disconnected.
- Make sure both Silo 1 and Silo 2 (options 4.2 and 4.3, see Table 1) consist of stable values and do not suffer from noise or disturbance or a stacked valve.
- Relays: Go to Relays (option 4.1, see Table 1) and ensure that all the relays are connected properly.
- Inventory Update: Update Silo 1 inventory and Silo 2 inventory tables (2.5 and 2.6, see Table 1). After running “Cold Start” (refer to page 9) the inventory’s value can be random; update the silo’s inventory.
- Time/Date: Go to Time/Date (option 2.7, see Table 1). Update the time and the date.
- Calibration Number Update: Update calibration number of every silo by either calibrating the silo or by inserting a calibration number in the calibration group (one of the stages contains an inventory update).
Calibration
This section deals with calibration of the system. Usually, it is done once, during the installation stage. To calibrate the silo load cells, an accurate weight of at least either 100 pounds or 50 Kg is required.
- Press MENU.
- Select CALIBRATION (Option 5, see Table 1).
SILO CALIBRATION WITH A KNOWN WEIGHT
To calibrate silo load cells:
- Press MENU and Right cursor four times.

- Press ENTER.

- Press ENTER again (the controller takes the tare).
A message “Please wait” appears. Wait until screen changes.
- Place a known weight on the load cell and enter in its value.
- Press ENTER.

- A message “Please wait” appears. Wait until screen changes.
A success or a failure message will appear.
NOTE If a failure message is received, ensure that wire connections are correct and calibrate again.
- Remove the weight and press ENTER once again.
A message “Please wait” appears. Wait until screen changes.
- Type the total net feed in silo and press ENTER.

CALIBRATING THE SCALE DURING LOADING
To calibrate when loading a silo:
- Press MENU and right cursor 4 times.

- Press ENTER to start calibration process.

- Press ENTER (the controller takes the tare).
A message “Please wait” appears. Wait until screen changes.
- Start loading the silo.
- After loading is completed, disconnect the truck-loading pipe.
- Enter the total loaded weight.
NOTE [Make sure loaded weight is more than System Parameters – MIN. FILLING]. - Press ENTER.
A message “Please wait” appears.
A message “Good, remove weight press enter” appears.
NOTE If the weight is not removed, the controller automatically regards this calibration as a “filling calibration” and adds the weight to the total feed of the silo.
- Press ENTER. A message “Please wait” appears. Wait until screen disappears.
The message “Current weight” appears.
NOTE
- If there was any amount of feed in the silo prior to the calibration, the total net feed weight appears. Any manual changes in inventory, if necessary, are made at this stage.
- There is a history log with all previous fillings sorted according to their dates and amounts in “Feed Supply A” or “Feed Supply B” menus in 2.3 and 2.4. In “Silo 1 Inventory” and “Silo 2 Inventory” the total weight of the silo can be found.
SILO 1 / 2 LOAD CELL FACTOR
This sections details the parameters.
- Factor: Calibration number.
- %: Any changes in the “%” will result in a proportionally inverse change in the factor of its matching percentage.
- Offset: Shifts the A/D valve of the channel.
For example:
Current offset = 2000 and its A/D value or reading is 3403. Increasing the offset by 1000 (making it 3000) also increases the A/D value by 1000. This means the A/D is 4403, where the silo’s inventory remains unchanged.
NOTE
This is used if a Load Cell has been connected to the system and its A/D value is either very low (about 0) or very high. In such cases, “offset” is set to a negative value.
Test
- Relays
- Silo 1 / 2
- Digital Input
- Water Pulse
RELAYS
Use this to control each relay manually. The RSW-2 does not operate automatically in the Test Mode. Use the Left and Right Cursor keys to move the cursor to the relay number you need to change. Press the ENTER key to toggle the relay on and off. The LEDs that correspond with the relay will light up or turn off accordingly.
SILO 1 / 2
This menu item shows the internal machine numbers for present load cell readings. If you know the weight at two points, you can calculate the conversion factors for the load cells. During normal operations, the numbers should be changed to reflect the silo’s average weight in the moment of weighting.
DIGITAL INPUT
This menu item checks which inputs are connected/disconnected.
- 1=connected
- 0=disconnected

WATER PULSE
This screen displays the current water meter count. Verify that the screen is working; the count should increase for each unit of water measured by the water meter.
Using the Controller
- Press ENTER after every function; otherwise the information is not saved in the system.
- If you need to move the cursor to another column, press ENTER.
- The screen returns to main screen when no action is performed on the screen.
- Control
- Management
- History
Control
This choice serves as a Control data diary. Press MENU key and select CONTROL by pressing the Right Cursor key.
- Feed Time
- Augers Time
- System Parameters
- Light
- Operation Mode
FEED TIME
This option consists of ten table entries relating to daily time schedules when feedings are done (seen in ‘#’ column). The time programmed is the beginning and end of each meal (“From” and “To” columns accordingly). For multiple feedings, the RSW-2 feeds equal portions of the day’s ration at each feeding. The feeding timetable will operate on relay 5, which calls feeder at the times specified by the table. “On” and “Off” columns relate to cycled operation in minutes.
LIGHT
This option has ten table entries relating to a daily schedule for lighting the pig pen. The time programmed from the beginning (“From Time” column) to the end (“To Time” column) of each light cycle. The lighting timetable operates on Relay 4, which defines light according to time.
AUGERS TIME
This option has two the ability to set a daily schedule for Augers 1 & 2. Use UP and DOWN arrow keys to navigate between Auger 1 to Auger 2.
OPERATION MODE
This selection enables the user to switch between operation modes. Using the “+” and “-” keys.
- AUTO: Automatic operation.
- STOP: This mode stops the unit, including the Augers, and feeders.
NOTE STOP mode is used in emergency cases and between flocks.
SYSTEM PARAMETERS
The following section details the system parameters
| Variable | Description | Default |
| 1. | Minimum Emptying Quantity. [Kg / Lb] | 10 |
| 2. | Minimum Filling Quantity. [Kg / Lb] | 1000 |
| 3. | Resume Time [min] | 5 |
| 4. | Silo 1 Low Limit 0…65000 [Kg / Lb] | 0 |
| 5. | Silo 2 Low Limit 0…65000 [Kg / Lb] | 0 |
| 6. | Feed Per Pulse Ratio 0…100 [Kg / Lb] | 10 |
| 7. | Water Per Pulse Ratio 0…100 | 0.000 |
| 8. | Fill. Detect | 200 |
| 9. | Midnight Time [hours] | 00 |
| 10. | Room Number for PC communication | 0 |
| 11. | Password | 0 |
| 12. | Baud rate | 9600 |
| 13. | Weight Unit [Kg, Lb] | Kg |
- Minimum Emptying Quantity: Minimum feed quantity during emptying, adding to the feed consumption table. (Default: 10 Kg.)
- Minimum Filling Quantity: Minimum feed quantity to start automatically with filling feed procedure (150 Kg minimum). (Default: 1000 Kg)
- Resume Time: Delay time between feed filling and the augers activate. (Default: 5 min)
- Low Limit A: If the remaining quantity of feed in Silo 1 is inferior to the low limit, alarm “SILO 1 LOW LIMIT” will start. (Default: 0)
- Low Limit B: If the remaining quantity of feed in Silo 2 is inferior to the low limit, alarm “SILO 2 LOW LIMIT” will start. (Default: 0)
- Feed / Pulse: Relation between the feed quantity and the number of pulses at the exit feed /pulse 1 or feed/pulse 2. (Default: 10 Kg)
- Water / Pulse: Relation between the water quantity and the number of pulses at the entry water / pulse. (Default: 0.000)
- Fill Detect: Determines weight to stop auger during filling time.
- Midnight Time: The user can set the time preferred for midnight. (0 – 23). (Default: 0).
- House: Concerns communication: house number. (Default: 0).
- Password: Concerns communication: password. (Default: 0).
- Baud Rate: Concerns communication: baud rate. (Default: 9600)
- Weight Unit: Measurement unit: Kg or Lb. (Default: Kg).
Management
- Mortality
- Feed Supply B
- Silo 2 Inventory
- New Group
- Pig Count
- Silo 1 Inventory
- Time / Date
- Alarm Reset
- Feed Supply A
- Silo 1 Inventory
- Growth Day
- Alarm Time
MORTALITY
This selection enables inserting the pig mortality as required. The RSW-2 maintains the total daily count automatically. To correct the daily total, press ENTER and the cursor moves towards the daily sum line. Use the ‘+’ and ‘-‘ keys to edit this value is possible.
PIG COUNT
This selection enables entering number of members in a new group. The RSW-2 requires an accurate count to determine the total quantity of feed to deliver. The daily mortality is updated automatically at each change.
FEED SUPPLY A
This is an inventory menu listing the following information:
The quantity (Silo-1 column) can be either in Kg or in Lb. For each silo there is a table with up to 100 lines to fill.
NOTE Inserting a new line beyond 100 causes all the lines to shift upwards and the first line will be lost with the new line taking its place as line 100.
FEED SUPPLY B
Refer to FEED SUPPLY A (Silo-1 becomes Silo-2 for FEED SUPPLY B).
SILO 1 INVENTORY
For each silo there is a column representing weight of feed in the silo (‘Silo Weight’). It is possible to change and correct the quantities. The user is asked to confirm by selecting this quantity (‘YES’ choice). Otherwise, no change occurs.
SILO 2 INVENTORY
For each silo there is a column representing weight of feed in the silo (‘Silo Weight’). It is possible to change and correct the quantities. The user is asked to confirm by selecting this quantity (‘YES’ choice). Otherwise, no change occurs.
TIME / DATE
The RSW-2 keeps time in military, 24-hour format. Use the UP/DOWN arrow keys to navigate between the TIME and DATE. In case of a power outage, the internal battery maintains the correct time for up to three years.
- TIME: hh:mm (24-hour format)
- DATE: dd-mmm-yy
GROWTH DAY
This menu enables correction of the growth day, if needed. The maximum growth day is 400.
NEW GROUP
Select ‘YES’ by using the ‘+’ key to begin updating a new group. The RSW-2 automatically erases history data and starts the growth cycle over with the programmed curves. When pressing ‘Yes’ another line appears. This line enables the user to zero the silo supply by pressing ENTER. Otherwise, click ESC key to exit this table.
ALARM RESET
You can disable the alarm relay for current alarms. This conveniently silences the alarm bell while you work on the problem. If a new alarm occurs, or the alarm reoccurs, the RSW-2 generates a new alarm.
ALARM TIME
The RSW-2 allows individual enable times for the alarm relay.
Unless programmed, the alarms are not recorded. Disabling all alarms during sleeping hours is possible. Table 6 summarizes all possible alarm messages.
Possible Alarm Messages
| Alarm | Message | From (HH:MM) | To (HH:MM) |
| Silo 1 Failure | SILO 1 FAIL | 00:00 | 23:59 |
| Silo 2 Failure | SILO 2 FAIL | 00:00 | 23:59 |
| Low Feed Limit Silo 1 | LOW FEED 1 | 00:00 | 23:59 |
| Low Feed Limit Silo 2 | LOW FEED 2 | 00:00 | 23:59 |
| Memory Failure* | MEMORY FAIL | 00:00 | 23:59 |
| Card Failure (hardware) | CARD FAIL | 00:00 | 23:59 |
NOTE MEMORY FAILURE alarm is used for EEPROM reading failures. Resetting the alarm makes the Memory Fail alarm inactive.
On the main screen the following alarms (if active) will alternate with the standard display with the corresponding alarm number:
Possible Alarm Messages on Main Screen
| SILO 1 FAILURE | LOW FEED AT SILO 2 |
| SILO 2 FAILURE | MEMORY FAILURE |
| LOW FEED AT SILO 1 | INCOMPATIBLE CARD |
History
- Feed Consumption
- Water Consumption
- Mortality
- Events
- Con. & Inventory
- Feed & Water
- Alarms
FEED CONSUMPTION
The RSW-2 maintains a complete daily feed consumption record for the entire group growth period. View the data with this menu item, which shows daily, cumulative and daily change data.
CON. & INVENTORY
Feed consumption and inventory for both silos is displayed.
- CON: A+B – Consumption of both Silos
- INV: A+B – Inventory of both Silos
Right arrow scrolls to view separate CON and INV of each Silo.
NOTE Silo inventory is recorded on every update.
WATER CONSUMPTION
The RSW-2 also maintains a complete daily water consumption record for the entire group growth period. View the data with this menu item, which shows daily, cumulative and daily change data.
FEED & WATER
This selection presents the amount of feed and water per single pig. The last column shows water / feed ratio.
MORTALITY
This menu item displays the total cumulative mortality per day and the percentage change from the initial number of animals.
ALARMS
The RSW-2 maintains a record of the last 20 alarms. This item shows the growth day, time and alarm code for each of these alarms (see Table 8).
Last 20 Alarms Example
| ## | Message | Time | Day |
| 1 | Silo 1 Fail | ||
| 2 | Low Feed 2 | ||
| ..20 | (most current alarm) |
EVENTS
The RSW-2 maintains a record of the last 20 events.
Last 20 Events Example
| ## | Message | Time | Day |
| 1 | POWER UP | ||
| 2 | POWER DOWN | ||
| ..20 | (most current event) |
Specifications
| Input Voltage Supply | Single phase:110 VAC (USA & CANADA). |
| Single phase:240 VAC (Outside the US & CANADA). | |
| 0.315 Amp, 50 – 60 Hz | |
| Relays Outputs | 5 Amp. Normally Open Relays. |
| Alarm Output | NO and NC Pilot Duty |
| Operating Temperature Range | -10° C to 50 ° C (14 to 122 F°) |
| Enclosure | Water and dust tight (IP55). |
| Fuses | Main Fuse: 0.315 Amp Slow Relays Fuse: 5 Amp. Slow |
Environmental Protection
Recycle raw materials instead of disposing as waste. The controller accessories and packaging should be sorted for environmental-friendly recycling. The plastic components are labeled for categorized recycling.
Installation
CAUTION
- Only an authorized electrician may install the RSW-2. To avoid electrical shock and damage, disconnect the power.
- To avoid exposing the RSW-2 to harmful gases or high humidity, install the unit in the service room.
- Installation Category (Over voltage Category) III 5 Amps circuit breaker should protect the power supply to the controller.
- Relay/Input/Output Connections
- Installation Instructions
- Silo Installation Guide
- Wiring Diagrams
Relay/Input/Output Connections
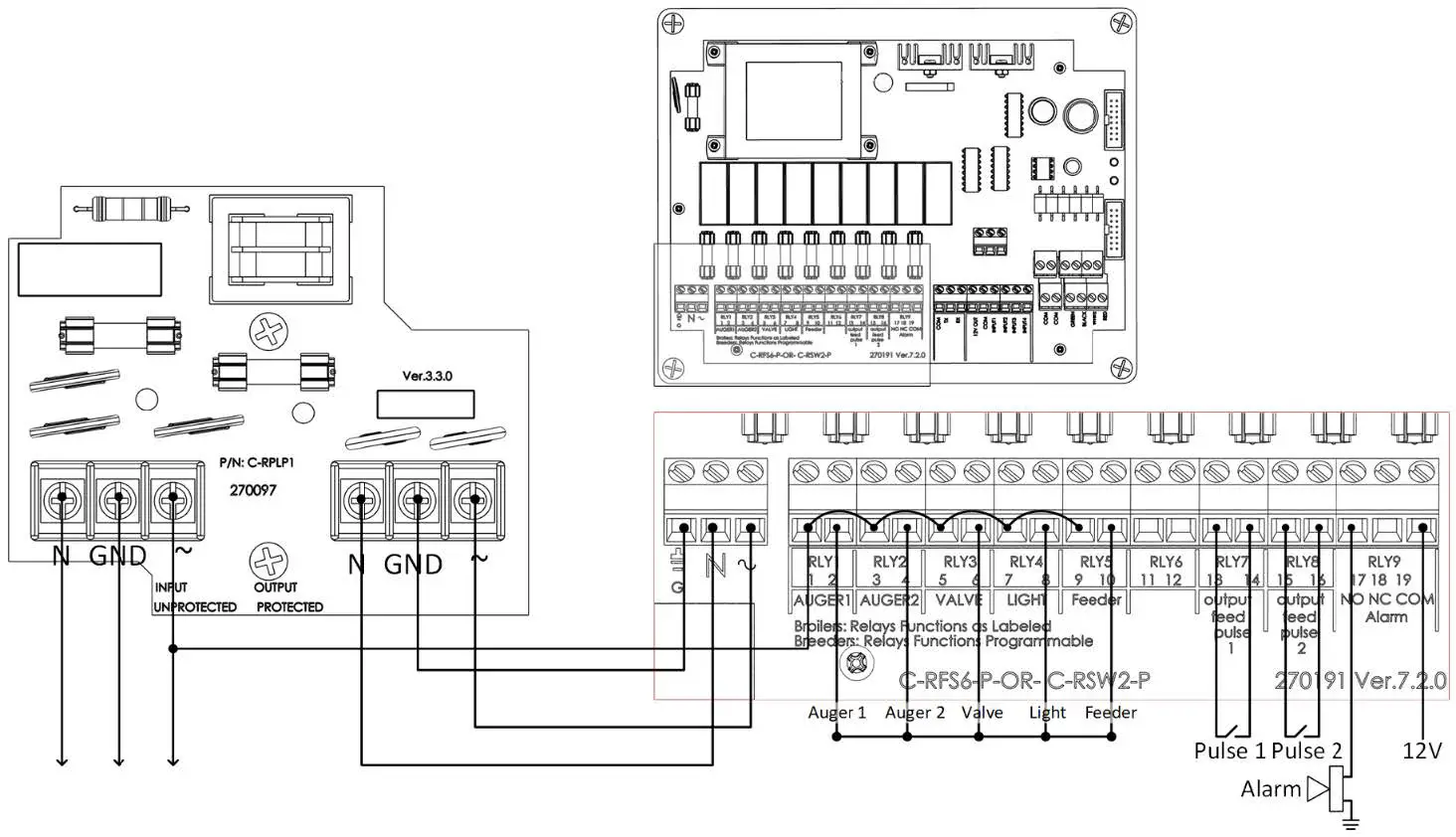
- Connect the following:
- Relay 1: Connect to Auger 1 (Silo 1)
- Relay 2: Connect to Auger 2 (Silo 2)
- Relay 3: Spare.
- Relay 4: Connect to light (this relay operates by a lighting time table).
- Relay 5: Connect to feeder (this relay operates by a feed time table).
- Alarm: Connect between N.C and COM, so power failure will also activate the alarm.
- Configure the following connections as required:
- Digital Input 1
- Digital Input 2
- Digital Input 3
- Digital Input 4: Water Pulse: Connected to pulse output of the power meter to measure and save water consumption.
- SCL 1: Connected to the Silo 1 load cells (6 wired connection as marked)
- SCL 2: Connected to the Silo 2 load cells.
- Connections regarding Pulse Output
Feed Pulse 1 output: This output gives dry contact pulses per feed supplied quantity, as programmed. This output can be connected to the AC2000 Feed Pulse Input to report to the environment controller the quantities of feed supplied.
NOTE This connection is meant for measuring Silo 1 and 2. - Connections regarding Load cells
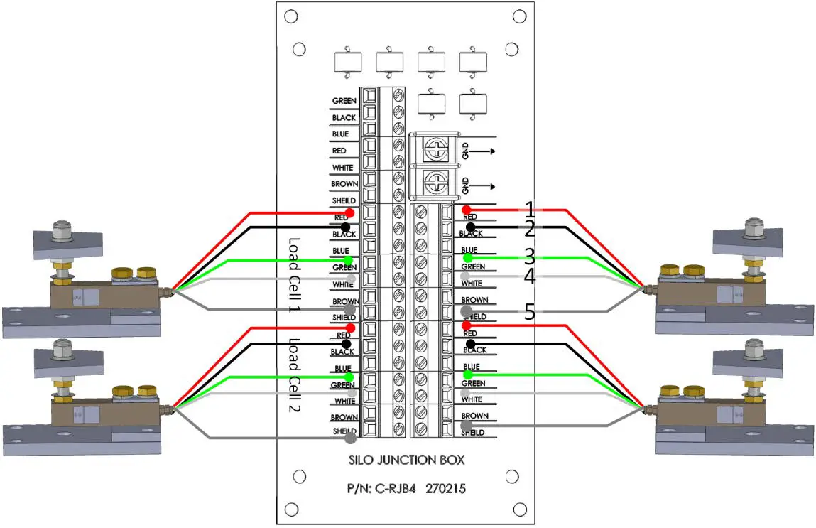
- Bottom terminal block is connected to the Silo 1 Load cell 6 wires cable (The colors are written on the board.)
NOTE If the load cells are not Munters supplied, the colors on the load cell connectors may not be suitable with the load cell. - Upper terminal block is connected to the Silo 2 Load cell.
- Bottom terminal block is connected to the Silo 1 Load cell 6 wires cable (The colors are written on the board.)
Installation Instructions
- Open lid by loosening the two screws to the front left-hand side.
- Route the required cables through cable holders at the bottom of the unit. Connect the wires as shown in the wiring diagrams.
- The RSW-2 must be installed with an RPLP-1 (power line protector) to have an EMI and lightning protection for the power input of the unit. In case of noisy power lines, an isolated transformer is required.
- The units should not be installed near high power lines (like Augers power, variable speed, dimmers, etc.) or any noisy units. Keep at least 0.5-meter distance between the RSW-2 and a noise source.
- The load cell cable transfers mV so it must be a shielded cable, grounded on the RSW-2 side, and distanced at least 0.5 meters from noise sources of high power cables. The water pulse should be a shielded cable grounded on one side, and kept far from high power cables.
- Close the RSW-2 lid carefully and tightly. Use RTV silicon or equivalent sealant to seal the cable holders.
- After installation is completed, activate the RSW-2 for a few hours and re-check for proper operation.
Silo Installation Guide
Refer to the RSLC manual for installation instructions for this product.
SAMPLE INSTALLATION
Installed Silo Example
Sample Installation
LOAD CELL TEST PROCEDURE
To perform a load-cell test procedure, disconnect the load cell from any load and test following points:
- Disconnect the white and green wires from each load cell at the Junction Box.
- Measure the voltage between the green and the white wires with a DC volt meter, at each load cell.
- The voltage should be 0 to 30mV proportional to the silo weight.
- The voltage difference between load cells should not exceed 3mV.
Wiring Diagrams
- RSW-2 to Other Units
- Communication Wiring
RSW-2 TO OTHER UNITS
RSW-2 Wiring Diagram (Power and External Devices)
RSW-2 – RJB Wiring Diagram (with External Power Supply)
NOTE
There can be up to 100 meters of the supplied black/gray cable between the RSW and the RJB. 
RSW-2 Wiring Diagram (Internal Power Supply – up to 6 Load Cells)
RSW-2 Silo Weight Offset Adjustment
| Number | Wire |
| 1 | Red |
| 2 | Black |
| 3 | Green |
| 4 | White |
| 5 | Shield |
NOTE If there are six load cells, add the remaining two cells with load cells one and two.
COMMUNICATION WIRING

RSW-2 Block Diagram
MUX to RCLP Wiring Diagram
RCLP to RSW-2 Wiring Diagram
Notes:
- Connect the cable shields only at one end only of every section of the MUX-232 cable, as illustrated and in each house.
- Cross wire once only!
Refer to the MUX manual and RCLP manual for details on installing those units
Troubleshooting
| # | Problem Description | Troubleshooting |
|
1 |
Installation and filling feed has been done but silo stops weighing. | If the display of Silo 1 does not show A/D ‘65536’ counts on 16 bits, lower the offset until this number changes. After receiving numbers shown on the screen, reducing the numbers should be done according to: · [65536 – (number of Kg missing in the silo * Silo 1 Load cell Factor)] After new installation is done and the Silo is empty, the A/D reading should be around 1000 counts (near zero), use the offset feature to get it. If the display shows ‘0’, increase it by using offset feature. |
|
2 |
The controller display shows “disconnected” (or Error) and the test menu shows 65,536 or 0 rather than a voltage measurement that is required in order to identify the error. | 1. Check if RJB-4 received voltage from controller (green and black wires from controller should be approximately 10 DCV). If not received, check wire connections on the controller’s side. 2. If 10 DCV is received, load cells must be checked (see Table 9 and Figure 13 for further explanation): Take White and Green wires from each load cell and check their voltage using a digital multi meter (the amount is not important but it must be identical throughout load cells with a difference of up to 2 mV). If difference is more than 2mV there is a problem with one of the load cells. The range of voltage should be between 0 to 20 mV depending on Silo load. 3. In some cases, when the prior test is not effective and voltage between Black (common) wire and White, and between Black and Green, wires must be checked (amount of voltage must be between 4-4.5V and identical throughout load cells). |
Warranty
Warranty and technical assistance
Munters products are designed and built to provide reliable and satisfactory performance but cannot be guaranteed free of faults; although they are reliable products they can develop unforeseeable defects and the user must take this into account and arrange adequate emergency or alarm systems if failure to operate could cause damage to the articles for which the Munters plant was required: if this is not done, the user is fully responsible for the damage which they could suffer.
Munters extends this limited warranty to the first purchaser and guarantees its products to be free from defects originating in manufacture or materials for one year from the date of delivery, provided that suitable transport, storage, installation and maintenance terms are complied with. The warranty does not apply if the products have been repaired without express authorisation from Munters, or repaired in such a way that, in Munters’ judgement, their performance and reliability have been impaired, or incorrectly installed, or subjected to improper use. The user accepts total responsibility for incorrect use of the products.
The warranty on products from outside suppliers fitted to RSW-2, (for example cables, weights, etc.) is limited to the conditions stated by the supplier: all claims must be made in writing within eight days of the discovery of the defect and within 12 months of the delivery of the defective product. Munters has thirty days from the date of receipt in which to take action, and has the right to examine the product at the customer’s premises or at its own plant (carriage cost to be borne by the customer).
Munters at its sole discretion has the option of replacing or repairing, free of charge, products which it considers defective, and will arrange for their despatch back to the customer carriage paid. In the case of faulty parts of small commercial value which are widely available (such as bolts, etc.) for urgent despatch, where the cost of carriage would exceed the value of the parts, Munters may authorise the customer exclusively to purchase the replacement parts locally; Munters will reimburse the value of the product at its cost price.
Munters will not be liable for costs incurred in demounting the defective part, or the time required to travel to site and the associated travel costs. No agent, employee or dealer is authorised to give any further guarantees or to accept any other liability on Munters’ behalf in connection with other Munters products, except in writing with the signature of one of the Company’s Managers.
WARNING:
In the interests of improving the quality of its products and services, Munters reserves the right at any time and without prior notice to alter the specifications in this manual.
The liability of the manufacturer Munters ceases in the event of:
- dismantling the safety devices;
- use of unauthorised materials;
- inadequate maintenance;
- use of non-original spare parts and accessories.
Barring specific contractual terms, the following are directly at the user’s expense:
- preparing installation sites;
- providing an electricity supply (including the protective equipotential bonding (PE) conductor, in accordance with CEI EN 60204-1, paragraph 8.2), for correctly connecting the equipment to the mains electricity supply;
- providing ancillary services appropriate to the requirements of the plant on the basis of the information supplied with regard to installation;
- tools and consumables required for fitting and installation;
- lubricants necessary for commissioning and maintenance.
It is mandatory to purchase and use only original spare parts or those recommended by the manufacturer. Dismantling and assembly must be performed by qualified technicians and according to the manufacturer’s instructions. The use of non-original spare parts or incorrect assembly exonerates the manufacturer from all liability. Requests for technical assistance and spare parts can be made directly to the nearest Munters office.






A success or a failure message will appear.





A message “Please wait” appears.
A message “Good, remove weight press enter” appears.
The message “Current weight” appears.



















