EQUiPEX GR 60E 35 Inch Electric Vertical Broiler

IMPORTANT SAFEGUARDS
When using electrical appliances, basic safety precautions should always be followed, including the following:
- Read all the instructions before use.
- Do not touch hot surfaces; use handles or knobs.
- To avoid electric shock, do not immerse the power cord, or any part of the unit, in any liquid.
- Close supervision is necessary when any appliance is used, especially around children.
- Unplug appliance from the electrical outlet when not in use, and before cleaning. Allow appliance to cool before installing or removing any parts or accessories, and before cleaning.
- Do not operate any appliance with a damaged cord or plug, or if appliance should sustain damage, or malfunction in any way. In this event, return appliance to the nearest authorized service facility for examination, repair or adjustment.
- The use of accessories and/or attachments not recommended by the appliance manufacturer may cause injury or damage to the appliance, and may void your warranty.
- Do not use outdoors.
- Do not allow the power cord to hang over the edge of a table or counter, or to be exposed to hot surfaces, as damage may occur.
- Do not place appliance on or near a burner, or in a heated oven.
- To disconnect an appliance, first turn all controls to the ‘off’ position; then unplug the power cord from the wall outlet.
- Do not use appliance other than for its intended use.
- SAVE THESE INSTRUCTIONS FOR LATER USE!
INTRODUCTION
The SODIR Gyros grills are designed for roasting different kinds of meat such as veal, lamb or chicken. Depending on the model, these grills are equipped with 3, 4 or 5 independently controlled cal-rod heating elements ensuring effective vertical broiling. The heating elements are enclosed in the moveable housing. The heavy-duty adjustable spit is removable for easy meat handling. The grills feature a single-piece stamped base provided with a round cutout for the disposal of waste and a removable drawer for waste collection. The units are constructed of food service quality stainless steel and uniquely designed to provide for quick disassembly and easy clean up.
SPECIFICATIONS

INSTALLATION
The SODIR gyros grills need to be connected to a grounded outlet of proper voltage (208/240V, 1 H) or wired directly to a grounded junction box depending on the model. DO NOT place the unit in a damp area or near steam sources.
OPERATION
WARNING: Do not connect the unit to the electric power supply before the set-up is completed
INITIAL SET-UP
Before you use your SODIR Gyros Grill, we recommend that you clean its food contact surfaces. Your SODIR Gyros Grill comes from the factory assembled, but the moving parts are secured by tape to prevent them from moving in transit. Make sure that all the tape is removed, as well as the protective plastic film is taken off. Make sure that the spit is locked safely in place. To verify, try to move the spit back and force without lifting it. In order to move the heater housing towards the operator and back, tum the knobs of the two (2) locking screws counterclockwise until the housing moves easily. After the initial set-up is completed, the gyros grm can be connected to the power source.
COOKING
The gyros grill is now ready for operation. To position meat on the spit, lift the latter off the locking device. Adjust the position of the bottom spit platform, if necessary. After the meat is positioned on the spit, return the spit to the unit. Align the bottom tip of the spit with opening in the locking head and secure the upper bulb-shaped tip in the spit holder. Push the spit down and turn it slightly until it is locked. If it is necessary to adjust the distance between the heating elements and the meat, unlock the heater housing by turning the knobs of the two (2) locking screws counterclockwise, move the housing and then tighten the locking screws by turning the knobs clockwise until the housing is locked in the desired position .. After the spit is loaded and in place, turn the motor on by turning the On/Off switch at the lower part of the unit (the base) to the “ON” position. Each heating zone is controlled by a rotary selector switch. The selector switch allows the element to be operated on full power (indicated by marking “Max”) or half power (indicated by marking “Min”) with “Off’ positions marked by the numeral “O”. When the heating zone is on, the corresponding red pilot lamp will light. When the top layer of the meat is broiled to the desired condition, the operator can stop the rotation of the spit by turning the “On/Off’ switch to the “Off’ position in order to ensure quick and easy slicing or shaving. In order not to overcook the meat when the spit does not rotate, we recommend to move the heater housing away from the meat. To rotate the meat on the spit manually, stop the motor by tu ming the On/Off switch to its “Off’ position and disconnect the spit platform from the spit by removing the pin at the bottom part of the !:iPit. Tum the spit by hand using the spit platform. Please remember that since the heating elements are independently controlled, switching all unnecessary element(s) to the “Off’ or to the “Min” position will result in energy savings.
CLEANING
WARNING: Disconnect (unplug) electrical power supply before cleaning Cleaning is very important in maintaining a safe and well working machine. BE SURE TO UNPLUG THE UNIT FROM THE POWER SOURCE PRIOR TO CLEANING. Allow the metal surfaces to cool down sufficiently in order to safely handle it. After the unit has cooled, remove the Spit and drip tray and clean these items in pot sink using standard cleaning detergents. The housing, heating elements and base should be cleaned using a cloth lightly dampened with a clean soapy solution. Use a clean lint-free cloth to remove excess water or soap.
- DO NOT
- spray the housing with any liquid
- wash the unit under running water
- allow water to drip into the housing around the electrical components
- spray hot elements with any liquid
Inspect all parts on a regular basis to ensure that all parts are in good working order. If a part is damaged, have the unit repaired by an authorized service agency prior to returning the unit to operation. If you have trouble locating a service agency in your area, call EQUIPEX, LTD. at 1-800-649-7885 and ask for customer service.
| EQUIPEX, LTD. | |||||
| 765 Westminster Street, Providence, RI 02903 | |||||
| tel: (401) 273-3300 fax: (401) 273-3328 | |||||
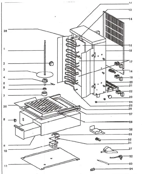
| SODIR Model GR 40E Gyro/Kebab Machine (208-240V/60/1) | |||||
| Drawing # | Part Number | Qty | Description | Price, ea. | |
| 1 | F03038 | 1 | Spit | ||
| 2 | OEM1023CR | 1 | Strain Relief Connector | ||
| 3 | D05050C | 1 | Spit Platform | ||
| F03038COM | 1 | Spit Assembly | |||
| 4 | B04071 | 1 | Spit Lock | ||
| 5 | B06050 | 1 | Pin | ||
| 6 | B06010 | 1 | Ball Bearing | ||
| 7 | 806012 | 1 | Ball Bearing | ||
| 8 | A07030 | 1 | On /Off Switch | ||
| 9 | 36092BOI | 1 | Grease Drawer | ||
| 10 | A03050 | 1 | Motor, 220V | ||
| 11 | 36102 | 1 | Bottom Cover | ||
| 12 | 36097 | 1 | Top Enclosure (heater housing) | not sold separatelv | |
| 13 | D05081 | 1 | Spit Holder | ||
| 14 | 36133 | 1 | Back Cover | ||
| 15 | F07010 | 2 | Fire Stone | ||
| 16 | 36120 | 1 | Middle Frame (heater housing) | not sold seoaratelv | |
| 17 | A16014 | 1 | Terminal Block, 6 position | ||
| 18 | A14078 | 2 | Knob | ||
| 19 | 36094 | 1 | Bottom Enclosure (heater housina) | not sold separately | |
| 20 | A08008 | 2 | Red Pilot Light, 220V | ||
| 21 | A01001-GR | 2 | Contactor, GR | ||
| 22 | SA14099 | 2 | Knob/Locking Screws | ||
| 23 | 806017 | 4 | Ball Bearing (tracks) | ||
| 24 | D02153 | 3 | Heating Element, 220V | ||
| 25 | 36100 | 2 | Track (heater housina) | ||
| 26 | F06008 | 1 | S/S Pan with drain cutout | ||
| 27 | 36095 | 1 | Drip Tray | not sold separately | |
| 28 | 36104 | 1 | Motor Holder | ||
| 29 | A16013 | 1 | Terminal Block, 3 oosition | ||
| 30 | 36105 | 1 | Motor Support | ||
| 31 | OEM001 | 1 | Power Cord, 12 AWG | ||
| 32 | OEM1023CR | 1 | Strain Relief Connector | ||
| Optional: | |||||
| 33 | 36091 | 1 | Splash Guard | ||
| 34 | 36130VO | 2 | Heat Side Deflector | ||
| EQUIPEX, LTD. | ||||
| 765 Westminster Street, Providence, RI 02903 | ||||
| tel: (401) 273-3300 fax: (401) 273-3328 | ||||
| SODIR Model GR 60E Gvro/Kebab Machine (208-2401//60/3) | ||||
| Drawina # | Part Number | Qtv | Descriotion | Price, ea. |
| 1 | F03037 | 1 | Soit | |
| 2 | OEM1023CR | 1 | Strain Relief Connector | |
| 3 | D05050C | 1 | Spit Platform | |
| F03037COM | 1 | Spit Assembly | ||
| 4 | 804071 | 1 | Spit Lock | |
| 5 | 806050 | 1 | Pin | |
| 6 | 806010 | 1 | Ball Bearing | |
| 7 | 806012 | 1 | Ball Bearing | |
| 8 | A07030 | 1 | On /Off Switch | |
| 9 | 36092801 | 1 | Grease Drawer | |
| . 10 | A03050 | 1 | Motor, 220V | |
| 11 | 36102-6080 | 1 | Bottom Cover | |
| 12 | 36097 | 1 | Top Enclosure (heater housina) | not sold seoarately |
| 13 | D05080 | 1 | Spit Holder | |
| 14 | 36134 | 1 | Back Cover | |
| 15 | F07011 | 2 | Fire Stone | |
| 18 | 36121 | 1 | Middle Frame (heater housing) | not sold seoarately |
| 17 | A16014 | 1 | Terminal Block, 6 position | |
| 16 | A14078 | 2 | Knob | |
| 19 | 36094 | 1 | Bottom Enclosure (heater housing) | not sold seoarately |
| 20 | A08008 | 2 | Red Pilot Light, 220V | |
| 21 | A01001-GR | 2 | Contactor, GR | |
| 22 | SA14099 | 2 | Knob/Lockina Screws | |
| 23 | 806017 | 4 | Ball Bearina (tracks) | |
| 24 | D02154 | 4 | Heating Element, 220V | |
| 25 | 36100 | 2 | Track (heater housing) | |
| 26 | F06008 | 1 | S/S Pan with drain cutout | |
| 27 | 36095 | 1 | Drip Tray | not sold separately |
| 28 | 36104 | 1 | Motor Holder | |
| 29 | A16013 | 1 | Terminal Block, 3 position | |
| 30 | 36105 | 1 | Motor Support | |
| 31 | OEM001 | 1 | Power Cord, 12 AWG | |
| 33 | OEM1023CR | 1 | Strain Relief Connector | |
| 32 | OEM001 | 1 | Cord (Motor) | |
| Optional: | ||||
| 33 | 36091 | 1 | Splash Guard | |
| 34 | 36131VO | 2 | Heat Side Deflector | |

| EQUIPEX, LTD. | |||||
| 765 Westminster Street, Providence, RI 02903 | |||||
| tel: (401) 273-3300 fax: (401) 273-3328 | |||||
| SODIR Model GR SOE Gyro/Kebab Machine (208-240V/60/3) | |||||
| Drawing# | Part Number | Qty | Description | Price, ea. | |
| 1 | F03039 | 1 | Spit | ||
| 2 | OEM1037CR | 1 | Strain Relief Connector | ||
| 3 | D05050C | 1 | Spit Platform | ||
| F03039COM | 1 | Spit Assembly | |||
| 4 | B04071 | 1 | Spit Lock | ||
| 5 | B06050 | 1 | Pin | ||
| 6 | B06010 | 1 | Ball Bearing | ||
| 7 | B06012 | 1 | Ball Bearing | ||
| 8 | A07030 | 1 | On /Off Switch | ||
| 9 | 36092BOI | 1 | Grease Drawer | ||
| 10 | A03050 | 1 | Motor, 220V | ||
| 11 | 36102-6080 | 1 | Bottom Cover | ||
| 12 | 36097 | 1 | Top Enclosure (heater housing) | not sold separately | |
| 13 | 005079 | 1 | Spit Holder | ||
| 14 | 36135 | 1 | Back Cover | ||
| 15 | F07010 | 1 | Fire Stone | ||
| 16 | 36122 | 1 | Middle Frame (heater housing) | not sold separately | |
| 17 | F07011 | Fire Stone | |||
| 18 | A16014 | 1 | Terminal Block, 6 position | ||
| 19 | A14078 | 3 | Knob | ||
| 20 | 36094 | 1 | Bottom Enclosure (heater housing) | not sold separately | |
| 21 | A08008 | 3 | Red Pilot Light, 220V | ||
| 22 | A01001-GR | 2 | Contactor, GR | ||
| 23 | SA14099 | 2 | Knob/Locking Screws | ||
| 24 | B06017 | 4 | Ball Bearing (tracks) | ||
| 25 | 002154 | 5 | Heating Element, 220V | ||
| 26 | 36100 | 2 | Track (heater housing) | ||
| 27 | F06008 | 1 | S/S Pan with drain cutout | ||
| 28 | 36095 | 1 | Drip Tray | not sold separately | |
| 29 | 36104 | 1 | Motor Holder | ||
| 30 | A16013 | 1 | Terminal Block, 3 position | ||
| 31 | 36105 | 1 | Motor Support | ||
| 32 | OEM101 | 1 | Power Cord, 10 AWG | ||
| 34 | OEM1023CR | 1 | Strain Relief Connector | ||
| 33 | OEM001 | 1 | Cord (Motor) | ||
| Optional: | |||||
| 33 | 36091 | 1 | Splash Guard | ||
| 34 | 36132VO | 2 | Heat Side Deflector | ||

LIMITED WARRANTY
Your new EQUIPEX product is warranted to the original purchaser for a period of one year from the date of purchase. This limited warranty is against defects from original factory imperfections in material and/or workmanship and includes labor for replacement of defective parts, provided repairs are performed by an authorized service agency. Our obligation under this warranty is limited to repairing or replacing any part or parts thereof. The CUSTOMER must inform the Service Agency of warranty coverage and provide a copy of the dated sales or delivery receipt BEFORE WARRANTY REPAIRS BEGIN. Replacement parts and accessories are warranted for ninety (90) days from the date of purchase when purchased separately and will be verified by dated sales receipt or packing slip for that item. All parts or accessories replaced under warranty must be returned to the Service Agency. This warranty applies only to equipment under normal use and service in the U.S.A. and Canada. It does not apply to any item which has been repaired or altered in any way so as, in the judgment of EQUIPEX, to affect its reliability.
THE FOLLOWING ARE NOT COVERED UNDER WARRANTY:
- Damage caused by abuse, misuse or dropping or other similar incidental damage caused by, or as a result of, customer failure to follow assembly, operation, cleaning, user maintenance or storage instructions.
- Labor to replace inoperative parts such as bulbs, plugs or racks due to normal wear and tear or abuse.
- Materials or labor to repair scratched, stained, chipped, pitted, dented or discolored surfaces, attachments or accessories.
- Transportation charges to or from a service agency for repair of your machine. If you should have questions relating to this issue, please call Equipex at 1-800-649-7885.
- Labor charges to install or test attachments or accessories, which are replaced for any reason.
- SHIPPING DAMAGES. Visible and hidden damages are the responsibility of the freight carrier. The consignee must file the claim promptly against the carrier. KEEP ALL ORIGINAL CONTAINERS AND PACKAGING MATERIAL FOR CARRIER INSPECTION.
- Products placed or stored in the equipment are not subject to this warranty and no responsibility is assumed thereof.
THIS WARRANTY IS GIVEN EXPRESSLY AND IN LIEU OF ALL OTHER WARRANTIES, EXPRESSED OR IMPLIED, FOR MERCHANTABILITY AND FOR FITNESS TOWARD A PARTICULAR PURPOSE AND CONSTITUTES THE ONLY WARRANTY MADE BY EQUIPEX, LLC. IT NEITHER ASSUMES, NOR AUTHORIZES ANY PERSON TO ASSUME FOR US, ANY OTHER LIABILI TY IN CONNECTION WITH THE SALE OF THE SUBJECT EQUIPMENT. For service, please call EQUIPEX at 1-800-649-7885, menu option # 3 765 Westminster Street.
- Providence, Rhode Island 02903
- U.S.A. Tel: (401) 273-3300
- Fax: (401) 273-3328 www.equipex.com e-mail: [email protected]




















