Lang CLB36-1-440V Electric Cruise Line Single Broiler

Electric Cruise Line Single Broiler w/ Cabinet Base
CLB36-1-440V
Product Information
The Electric Cruise Line Single Broiler is a high-quality cooking appliance designed to provide efficient and reliable performance in commercial kitchens. The broiler comes with a cabinet base for easy storage of utensils and other cooking equipment. It is suitable for use in restaurants, hotels, and other foodservice establishments. The broiler is made from high-quality materials and features a durable construction that’s designed to withstand the rigors of daily use. It comes with a chrome griddle surface that’s resistant to peeling, as well as cast iron grates, burners, and burner shields. The broiler is backed by a comprehensive warranty that covers parts and labor for up to 2 years.
Product Usage Instructions
Before using the Electric Cruise Line Single Broiler, please read the following instructions carefully:
- Unpack the broiler carefully and ensure that all parts are present and undamaged.
- Ensure that the stand, counter or other device on which the broiler will be located is designed to support the weight of the broiler (370 lbs.).
- Use appropriate materials handling equipment (such as a forklift, dolly or pallet jack) to remove the unit from the skid and move it to the place of installation.
- Ground the appliance at the terminal provided to prevent electrocution and death.
- Installation of the unit must be done by personnel qualified to work with electricity. Improper installation can cause injury to personnel and/or damage to equipment. Unit must be installed in accordance with all applicable codes.
- Follow the instructions provided in the user manual for initial start-up and operation.
- Regularly clean the broiler to maintain its performance and prevent damage.
- Refer to the troubleshooting section of the user manual if you encounter any issues with the broiler.
If you require any assistance regarding the operation or maintenance of the Electric Cruise Line Single Broiler, please contact Lang Manufacturing’s service department. In all correspondence, provide the model number and serial number of the unit needing service, including the voltage or gas type.
LIMITED EQUIPMENT WARRANTY
Lang Manufacturing warrants to the original purchaser of new Lang products to be free from defects in material or workmanship, under normal and proper use and maintenance service as specified by Lang and upon proper installation and start-up in accordance with the instructions supplied with each Lang unit. Lang’s obligation under this warranty is limited to a period of one [1] year from the date of original installation, or eighteen [18] months from original invoice date, whichever occurs first. Defects that occur as a result of normal use, within the time period and limitations defined in this warranty, will at Lang’ discretion have the parts replaced or repaired by Lang or a Lang-authorized service agency.
THIS WARRANTY IS SUBJECT TO ALL LISTED CONDITIONS
Repairs performed under this warranty are to be performed by a Lang authorized service agency. Lang will not be responsible for charges incurred or service performed by non-authorized repair agencies. In all cases, the nearest Lang-authorized service agency must be used. Lang will be responsible for normal labor charges incurred in the repair or replacement of a warrantied product within 50 miles (80.5 km) of an authorized service agency. Time and expense charges for anything beyond that distance will be the responsibility of the owner. All labor will need to be performed during regular service hours. Any overtime premium will be charged to the owner. For all shipments outside the U.S.A. and Canada, please see the International Warranty for specific details. It is the responsibility of the owner to inspect and report any shipping damage claims, hidden or otherwise, promptly following delivery. No mileage or travel charges will be honored on any equipment that is deemed portable. In general, equipment with a cord and plug weighing less than 50 lb. (22.7 kg) is considered portable and should be taken or shipped to the closest authorized service agency, transportation prepaid.
CONTACT
Should you require any assistance regarding the operation or maintenance of any Lang Manufacturing; phone or email our service department. In all correspondence provide the model number and serial number of the unit needing service; include the voltage or gas type.
Normal Business Hours: 8:00 a.m. to 4:30 p.m. Central
- Telephone: 800-264-7827 Tech Service Option 2
- Email: [email protected]
- www.LangWorld.com
| PRODUCTS | PARTS | LABOR |
| Lang Chef Series™️ convection ovens | 2 years | 2 years |
| Lang Strato Series™️ convection ovens | 2 years | 2 years |
| Lang convection oven doors (excluding hardware) | lifetime | 2 years |
| Lang griddles and charbroilers | 2 years | 2 years |
| Chrome griddle surfaces [against peeling] | 5 years | |
| Cast iron grates, burners and burner shields | 180 days | |
| Original Lang parts sold to repair Lang equipment | 90 days |
WARRANTY EXCLUSIONS
THE FOLLOWING WILL NOT BE COVERED UNDER WARRANTY. Lang’s sole obligation under this warranty is limited to either repair or replacement parts, subject to the additional limitations detailed below. This warranty neither assumes nor authorizes any person to assume obligations other than those expressly covered by this warranty.
- Any product which has not been used, maintained, or installed in accordance with the directions published in the appropriate installation sheet and/or owner’s manual, including incorrect gas or electrical connection. Lang is not liable for any unit which has been mishandled, abused, misapplied, subjected to harsh chemicals, modified by unauthorized personnel, damaged by flood, fire, or other acts of nature [or God], or which have an altered or missing serial number.
- Installation, labor, and job checkouts, calibration of heat controls, air and gas burner/bypass/pilot adjustments, gas or electrical system checks, voltage and phase conversions, cleaning of equipment, or seasoning of griddle surface.
- Replacement of fuses or resetting of circuit breakers, safety controls, or reset buttons.
- Replacement of broken or damaged glass components, quartz heating elements, and light bulbs.
- Labor charges for all removable and consumable parts in gas charbroilers and hotplates, including but not limited to burners, grates, and radiants.
- Any labor charges incurred by delays, waiting time, or operating restrictions that hinder a service technician’s ability to perform service.
- Replacement of parts that fail or are damaged due to normal wear or labor for replacement of parts that can be replaced during a daily cleaning routine, such as but not limited to silicone belts, PTFE non-stick sheets, control labels, knobs, bulbs, fuses, quartz heating elements, baskets, racks, and grease drawers.
- Any economic loss of business or profits.
- Non-OEM parts. Use of non-OEM parts without Lang’s approval will void the warranty.
- Components that should be replaced when damaged or worn, but have been field-repaired instead [e.g. field-welded fry pots]
- Units exceeding one [1] year from original installation date, or more than eighteen [18] months from original invoice date, whichever comes first.
ADDITIONAL WARRANTIES
Specific/chain-specific equipment may have additional and/or extended warranties. The foregoing warranty is in lieu of any, and all other warranties expressed or implied and constitutes the entire warranty.
READ FIRST
- CAUTION: THE BROILER WEIGHS 370 LBS. (167.83 kg). FOR SAFE HANDLING, INSTALLER SHOULD OBTAIN HELP AS NEEDED, OR EMPLOY APPROPRIATE MATERIALS HANDLING EQUIPMENT (SUCH AS A FORKLIFT, DOLLY, OR PALLET JACK) TO REMOVE THE UNIT FROM THE SKID AND MOVE IT TO THE PLACE OF INSTALLATION.
- CAUTION: ANY STAND, COUNTER OR OTHER DEVICE ON WHICH BROILER WILL BE LOCATED MUST BE DESIGNED TO SUPPORT THE WEIGHT OF THE BROILER (370 LBS.).
- CAUTION: SHIPPING STRAPS ARE UNDER TENSION AND CAN SNAP BACK WHEN CUT DANGER: THIS APPLIANCE MUST BE GROUNDED AT THE TERMINAL PROVIDED. FAILURE TO GROUND THE APPLIANCE COULD RESULT IN ELECTROCUTION AND DEATH.
- WARNING: INSTALLATION OF THE UNIT MUST BE DONE BY PERSONNEL QUALIFIED TO WORK WITH ELECTRICITY. IMPROPER INSTALLATION CAN CAUSE INJURY TO PERSONNEL AND/OR DAMAGE TO EQUIPMENT. UNIT MUST BE INSTALLED IN ACCORDANCE WITH ALL APPLICABLE CODES.
- NOTICE: The data plate is located behind the access cover to the right of the unit. The broiler voltage, wattage, serial number, wire size, and clearance specifications are on the data plate. This information should be carefully read and understood before proceeding with the installation.
- NOTICE: The installation of any components such as a vent hood, grease extractors, fire extinguisher systems, must conform to their applicable National, State and locally recognized installation standards.
- CAUTION: ALWAYS KEEP THE AREA NEAR THE APPLIANCE FREE FROM COMBUSTIBLE MATERIALS.
- CAUTION: KEEP FLOOR IN FRONT OF EQUIPMENT CLEAN AND DRY. IF SPILLS OCCUR, CLEAN IMMEDIATELY, TO AVOID THE DANGER OF SLIPS OR FALLS.
- WARNING: KEEP WATER AND SOLUTIONS OUT OF CONTROLS. NEVER SPRAY OR HOSE CONTROL CONSOLE, ELECTRICAL CONNECTIONS, ETC.
- CAUTION: MOST CLEANERS ARE HARMFUL TO THE SKIN, EYES, MUCOUS MEMBRANES AND CLOTHING. PRECAUTIONS SHOULD BE TAKEN TO WEAR RUBBER GLOVES, GOGGLES OR FACE SHIELD AND PROTECTIVE CLOTHING. CAREFULLY READ THE WARNING AND FOLLOW THE DIRECTIONS ON THE LABEL OF THE CLEANER TO BE USED.
- NOTICE: Service on this, or any other, LANG appliance must be performed by qualified personnel only. Consult your authorized service station directory or call the factory at 1-800-807-9054, or WWW.STAR-MFG.COM for the service station nearest you.
- WARNING: BOTH HIGH AND LOW VOLTAGES ARE PRESENT INSIDE THIS APPLIANCE WHEN THE UNIT IS PLUGGED/WIRED INTO A LIVE RECEPTACLE. BEFORE REPLACING ANY PARTS, DISCONNECT THE UNIT FROM THE ELECTRIC POWER SUPPLY.
- CAUTION: USE OF ANY REPLACEMENT PARTS OTHER THAN THOSE SUPPLIED BY LANG OR THEIR AUTHORIZED DISTRIBUTORS CAN CAUSE BODILY INJURY TO THE OPERATOR AND DAMAGE TO THE EQUIPMENT AND WILL VOID ALL WARRANTIES.
UNPACKING
Receiving the Broiler
Upon receipt, check for freight damage, both visible and concealed. Visible damage should be noted on the freight bill at the time of delivery and signed by the carrier’s agent. Concealed loss or damage means loss or damage, which does not become apparent until the merchandise has been unpacked. If concealed loss or damage is discovered upon unpacking, make a written request for inspection by the carrier’s agent within 15 days of delivery. All packing material should be kept for inspection. Do not return damaged merchandise to Lang Manufacturing Company. File your claim with the carrier.
Location
Prior to un-crating, move the broiler as near its intended location as practical. The crating will help protect the unit from the physical damage normally associated with moving it through hallways and doorways.
Un-crating
The broiler is packaged on a pallet, wrapped in plastic to protect from moisture and surrounded by a wooden frame. Remove the wood crating carefully. Improper use of tools can result in damage to the equipment. Remove and discard plastic wrap. Remove and discard desiccant bags placed inside broiler cavity. The broiler rack frame and rack are secured for shipping purposes and for safety, and should remain secured until unit is at its final location. Legs, where applicable, are packed inside broiler cavity or cabinet base and should remain there until unit is at the final installation location. The unit can be safely lifted from bottom with forklift or straps. Use extreme care and follow proper safety procedure regardless of method used and be aware of gravity center, especially with banks of multiple units.
- CAUTION: THE BROILER WEIGHS 370 LBS. (167.83 kg). FOR SAFE HANDLING, INSTALLER SHOULD OBTAIN HELP AS NEEDED, OR EMPLOY APPROPRIATE MATERIALS HANDLING EQUIPMENT (SUCH AS A FORKLIFT, DOLLY, OR PALLET JACK) TO REMOVE THE UNIT FROM THE SKID AND MOVE IT TO THE PLACE OF INSTALLATION.
- CAUTION: ANY STAND, COUNTER OR OTHER DEVICE ON WHICH BROILER WILL BE LOCATED MUST BE DESIGNED TO SUPPORT THE WEIGHT OF THE BROILER (370 LBS.).
- CAUTION: SHIPPING STRAPS ARE UNDER TENSION AND CAN SNAP BACK WHEN CUT.
INSTALLATION
- DANGER: THIS APPLIANCE MUST BE GROUNDED AT THE TERMINAL PROVIDED. FAILURE TO GROUND THE APPLIANCE COULD RESULT IN ELECTROCUTION AND DEATH.
- WARNING: INSTALLATION OF THE UNIT MUST BE DONE BY PERSONNEL QUALIFIED TO WORK WITH ELECTRICITY. IMPROPER INSTALLATION CAN CAUSE INJURY TO PERSONNEL AND/OR DAMAGE TO EQUIPMENT. UNIT MUST BE INSTALLED IN ACCORDANCE WITH ALL APPLICABLE CODES.
- NOTICE: The data plate is located behind the access cover to the right of the unit. The range voltage, wattage, serial number, wire size, and clearance specifications are on the data plate. This information should be carefully read and understood before proceeding with the installation.
- NOTICE: The installation of any components such as a vent hood, grease extractors, fire extinguisher systems, must conform to their applicable National, State and locally recognized installation standards
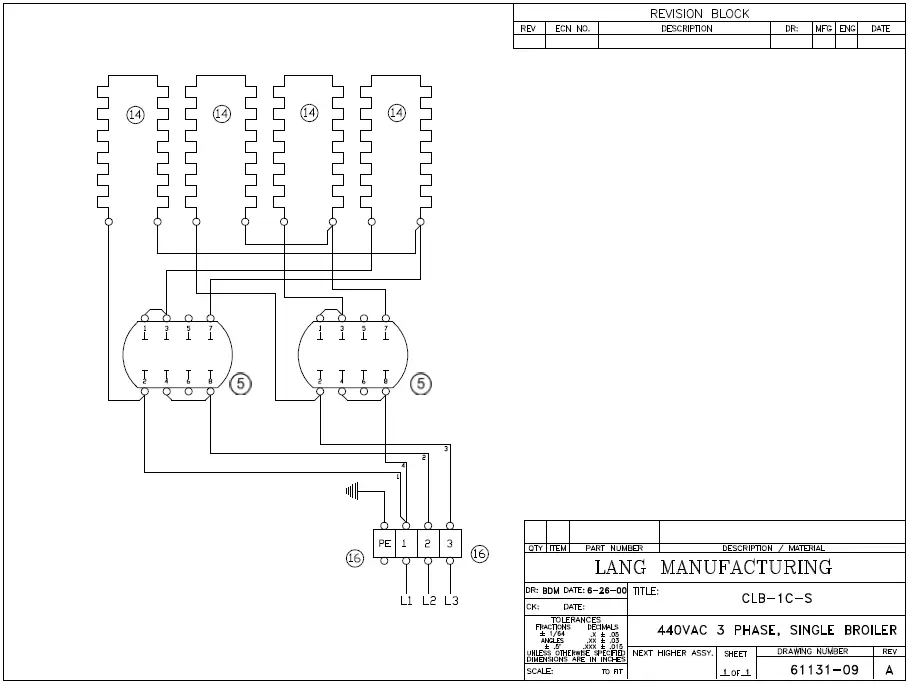
Electrical Connection
Electrical connection must be made behind the control compartment in the cabinet base. The electrical connection must be made in accordance with local codes or in the absence of local codes with NFPA No. 70 latest edition (in Canada use: CAS STD. C22.1). Supply wire size must be large enough to carry the amperage load for the appliance being installed. Wire size information can be found on the data plate.
Broiler Voltage
The Lang Model CLB36-1 operates on 400 or 440 Volts, depending on what voltage the unit is designed to handle. See nameplate for unit’s voltage
INITIAL START UP
PRE-POWER ON
Before the initial use of the broiler, the unit must be wiped down thoroughly with a dry rag, to remove any oils used in manufacturing. Also the unit must be thoroughly allowed to dry itself out. This is done be setting the thermostat to 350°. Allow the range oven to heat until all vapor and condensation has been eliminated. For best results allow the oven to thoroughly dry out. Allow 8 to 12 hours for this process. Note: There may be a small amount of smoke from the unit for the first couple of hours of use, this is normal.
OPERATION
- CAUTION: ALWAYS KEEP THE AREA NEAR THE APPLIANCE FREE FROM COMBUSTIBLE MATERIALS.
- CAUTION: KEEP FLOOR IN FRONT OF EQUIPMENT CLEAN AND DRY. IF SPILLS OCCUR, CLEAN IMMEDIATELY, TO AVOID THE DANGER OF SLIPS OR FALLS
Broiler Controls
The controls are located on the right side of the unit. There are two switches. One on top and one on bottom. The top one controls the front half of the broiler, while the bottom one controls the rear half. There are three positions on each switch: Low, Off, & High. The broiler rack is adjustable. There are three rack positions available. To set the position, put the product on the rack, push the lever down and forward into one of the positions.
CLEANING
After each Meal Cleaning
- WARNING: KEEP WATER AND SOLUTIONS OUT OF CONTROLS. NEVER SPRAY OR HOSE CONTROL CONSOLE, ELECTRICAL CONNECTIONS, ETC.
- CAUTION: MOST CLEANERS ARE HARMFUL TO THE SKIN, EYES, MUCOUS MEMBRANES AND CLOTHING. PRECAUTIONS SHOULD BE TAKEN TO WEAR RUBBER GLOVES, GOGGLES OR FACE SHIELD AND PROTECTIVE CLOTHING. CAREFULLY READ THE WARNING AND FOLLOW THE DIRECTIONS ON THE LABEL OF THE CLEANER TO BE USED
Empty crumb tray daily or when 1/3 full. It is easily removed for washing. Clean exterior of the broiler with hot water and a mild detergent to maintain a gleaming appearance.
Daily Cleaning
The broiler should be thoroughly cleaned at least once a week in addition to the normal daily cleaning to insure against the accumulation of foreign material. Keep the inside of the broiler and metal deck clean.
TROUBLESHOOTING
Symptoms
What follows is a chart of Symptoms and Possible Causes to aid in diagnosing faults with the oven. Refer to the Symptoms column to locate the type of failure then to the Possible Cause for the items to be checked. To test for a possible cause, refer to the TEST section and locate the Possible Cause then refer to test to identify test procedures.
| SYMPTOM | POSSIBLE CAUSE |
| Broiler will not heat | · Failed element · Failed 2 heat switch |
| Product burning | · Product is cooked too long |
CAUTION: USE OF ANY REPLACEMENT PARTS OTHER THAN THOSE SUPPLIED BY LANG OR THEIR AUTHORIZED DISTRIBUTORS CAN CAUSE BODILY INJURY TO THE OPERATOR AND DAMAGE TO THE EQUIPMENT AND WILL VOID ALL WARRANTIES.
PARTS LIST
CLB36-1-400V & CLB36-1-440V
| Fig No. | Part No. | Qty | Description |
| 1 | NLA | 1 | Body |
| 2 | J9-CLB-226 | 1 | PAN – BROILER |
| 3 | 1M-72602-04 | 44 | GSKTTPEHITMP1/2X1/16X10YD |
| 4 | J9-CLB-225 | 1 | SWITCH PANEL – CLB |
| 5 | 2R-30304-W32-1 | 2 | Heat Switch to 4/17/161 |
| 5 | 2E-30304-36 | 2 | Heat Switch from 4/18/16 |
| 6 | J9-CLB-319 | 1 | RACK ADJUSTMENT – BROILER |
| 7 | 2C-20111-09 | 46 | SCRW HXHD CAP 10-32X1/2 |
| 8 | J9-CLB-212 | 1 | FRONT HOOD – BROILER |
| 9 | 2K-70801-02 | 1 | SNAP BUSH 1 3/8 SB1375-16 |
| 10 | J9-CLB-224 | 1 | TERMINAL BLOCK MOUNT – |
| 11 | J9-CLB-218 | 1 | HEAT SHIELD – BROILER |
| 12 | J9-CLB-001 | 1 | BROILER CAN ASSY |
| 13 | OB-CLB-309 | 3 | OBS ELEMENT HOLDER – |
| 14 | 2N-11100-13 | 4 | ELEMENT BROILER CLS 400V |
| 2N-11100-11 | 4 | ELEMENT BROILER CLS 440V | |
| 15 | J9-CLB-427 | 2 | ELEMENT HEAT SHIELD – |
| 16 | 2E-30500-11 | 2 | TRM BLOCK 2 PLE LG 175AMP |
| 17 | 2C-20303-08 | 32 | NUT HX SS 10-24 |
| 18 | 2C-20203-06 | 32 | WASHER S/S 5/16 SAE FLAT |
| 19 | 2C-20111-25 | 6 | SCRW HXHD CAP 1/4-20X1.25 |
| 20 | J9-CLB-310 | 6 | BEARING WASHER – BROILER |
| 21 | 2P-70202-03 | 6 | BEARING BROILER/FAB ONLY |
| 22 | 2P-CLB-401 | 6 | BEARING BRACKET SLEVE – |
| 23 | 2C-20301-29 | 4 | NUT HEX ACORN 1/4-20 S/S |
| 24 | J9-CLB-002 | 1 | CARRIAGE ASSY |
| 25 | J9-CLB-420 | 1 | HEAT SHIELD ASSY – w/ Clips |
| 26 | J9-CLB-425 | 1 | HEAT SHIELD #2 – BROILER |
| 27 | 2B-50200-80 | 1 | RACK HEAVY DUTY CLB |
| 28 | J9-CLB-219 | 1 | REAR FIREWALL SINGLE – |
| 29 | J9-CLB-320 | 1 | CAN WIRE SUPPORT |
| 30 | J9-CLB-330 | 1 | MAIN STACK ASSY SINGLE |
| 31 | J9-CLB-209 | 1 | BACK SINGLE – BROILER |
| 32 | J9-CLB-211 | 2 | VENT TRIM – BROILER |
| 33 | J9-CLB-244 | 1 | PANEL VENT ASSY – BROILER |
| 34 | J9-CLB-243 | 1 | PANEL VENT TOP – BROILER |
| 35 | 2E-CLB-501 | 1 | WIRE HARNESS SINGLE |
| 37 | J9-CLB-625 | 1 | C. B. PANEL – BROILER |
1Requires 1 replacement kit [PS-30304-36] to upgrade the entire unit to the new style switch.





WIRING DIAGRAM

LANG MANUFACTURING 265 Hobson Street, Smithville, TN 37166 U.S.A. (800) 264-7827 www.langworld.com



















