FILL-RITE 900 Series Mechanical Meter

Thank You!
Thank you for your purchase of the Fill-Rite 900 Series Meter! Your Fill-Rite product comes with over 80 years of fluid transfer experience behind it, providing you the value that comes with superior performance, user friendly design, long service life, and solid, simple engineering.
At Fill-Rite, your satisfaction with our products is paramount to us. If you have questions or need assistance with your product, please contact us at 1 (800) 720-5192 or via email at [email protected] (M-F, 8 AM – 5 PM ET).
About This Manual
From initial concept and design through its final production, your Fill-Rite meter is built to give you years of trouble free use. To insure it provides that service, it is critical that you read this entire manual prior to attempting to install or operate your new meter. Become familiar with the terms and diagrams, and pay close attention to the highlighted areas with the following labels:
| Indicates a hazardous situation which, if not avoided, will result in death or serious injury. | |
| Emphasizes an area in which personal injury or even death may result from failure to follow instructions properly. Mechanical damage may also occur. | |
| Failure to observe a “Caution” may cause damage to the equipment | |
| These boxes contain information that illustrates a point that may save time, or be key to proper operation, or clarifies a step. |
Safety Information
| This product should not be used to transfer fluids into any type of aircraft. | |
| This product is not suited for use with fluids intended for human consumption or fluids containing water. | |
To insure safe and proper operation of your equipment, it is critical to read and adhere to all of the following safety warnings and precautions. Improper installation or use of this product can cause serious bodily injury or death!
|
Installation
Meters are furnished for horizontal piping; left to right flow. Flow ports can be changed to any of four positions for horizontal or vertical piping and for either direction of flow.
- Determine direction for fluid to flow.
- Install meter observing directional arrow on casting.
- Remove four screws (item 28).
- Rotate meter cover assembly (item 37) to desired orientation.
- Replace four screws (item 28).

| Threaded pipe joints and connections should be sealed with the appropriate sealant or sealant tape to minimize the possibility of leaks. | |
| If you have purchased this meter as part of a “Kit”, the meter flange base is drilled with 4 holes. This allows the meter to be used with 300 and 700 series pumps. Line the meter bracket up for installation and insert the bolts in the two holes that align with the corresponding holes on the pump outlet. Once the meter bracket is bolted securely in place install the two plugs in the holes that were not used to prevent moisture from entering them. |

Calibration
The Fill-Rite Series 900 meters can be calibrated for either U.S. gallons or liters. Calibration is required upon installation, after disassembly, after significant wear or when metering a different viscosity fluid. Depending on the model, Series 900 meters are factory calibrated in either U.S. gallons or liters using mineral spirit. Calibration must be done between 6 and 40 GPM (23 and 151 LPM). Meter calibration can be easily changed by following the calibration procedure. A container of KNOWN volume will be needed for the calibration procedure. For the 900 Series meter, a five gallon container or larger should be used.
Procedure for Calibration
- For the most accurate calibration, install the meter in the application. Fill a container to a known volume with the liquid to be measured.
- If meter amount is incorrect, turn calibration screw (item 31) counterclockwise for less liquid, or clockwise for more liquid.
- Repeat steps 1 and 2 until calibration is acceptable.
Operating Instructions
For accurate measurement and to prevent meter damage, meter and piping must always be filled with liquid and free of air. Meter should be calibrated per instructions in this manual prior to its use.
- Stop flow of liquid.
- Reset register to “0”.
- Meter is ready for use. Start flow of liquid. Do not exceed 50 PSI of line pressure.
Maintenance
Your Fill-Rite 900 Series Meter should operate virtually maintenance free. Certain liquids, however, can dry out while in the meter housing, causing the meter to stop or perform poorly. If this happens, meter should be thoroughly cleaned.
Cleaning Instructions
Run a flushing fluid through the meter. For a more thorough cleaning, disassemble the meter per “ASSEMBLY / DISASSEMBLY” section, “Meter Chamber Assembly” subsection. Rinse all meter components thoroughly. Recalibrate meter following calibration instructions above.
| When a meter is sent in for maintenance, it should be triple rinsed and accompanied by a note indicating what chemicals have been pumped through it. Meters that do not adhere to these specifications may be rejected. |
Storage
If your meter is to be stored for a period of time, clean it thoroughly. This will help protect the meter from possible damage.
Troubleshooting Guide
The following troubleshooting guide is designed to help you with basic diagnostics and repairs if you should encounter abnormal service from your 900 Series Meter. We recommend you use only genuine Fill-Rite parts. These parts, and additional service information is available through your authorized Fill-Rite dealer.
Further troubleshooting information can be found in your pump manual. If you need additional assistance, please contact Technical Support at 1 (800) 720-5192 (M-F, 8 AM–5 PM ET).
| Concern | Possible Cause | Recommended Repair |
| Counter inaccurate | Meter mis-calibrated. | Check calibration and recalibrate as necessary (directions above). |
| Air in lines or metering chamber. | Check line seals and joints for leakage; seal leaks appropriately. | |
| Measuring gears or disc are sticking. | Clean or replace internal metering components as necessary. | |
| Fluid leak at shaft seal | Dirty or damaged seal. | Clean O-Ring seal and seat, replace seal as necessary. |
| Low flow capacity | Clogged meter chamber. | Clean meter chamber; clean or replace screens and filters in piping. |
| Meter body cracks | Excess line pressure. | Install pressure relief valve to allow high pressure to bleed back to the tank. Replace cracked meter body. |
| Nutating Disc Broken | Sudden high pressure fluid hitting disc. | Avoid surge flows by installing a shut-off valve on outlet of meter; install meter as close to the pump as possible, keep piping full of liquid. Replace broken disc. |
Fluid Compatibility
The 900 series meter IS compatible with the following fluids:
Diesel Fuel, Gasoline, Kerosene, Mineral Spirits, Heptane, Hexane
The 900 series meter IS NOT compatible with the following fluids:
Bleach, Hydrochloric Acid, Ink, Sulfuric Acid, Salt Water
| If in doubt about compatibility of a specific fluid, contact supplier of fluid to check for any adverse reactions to the following wetted materials: Ryton®, Aluminum, Stainless Steel, Fluorocarbon, Buna N, Polyester, Teflon®, Nickel |
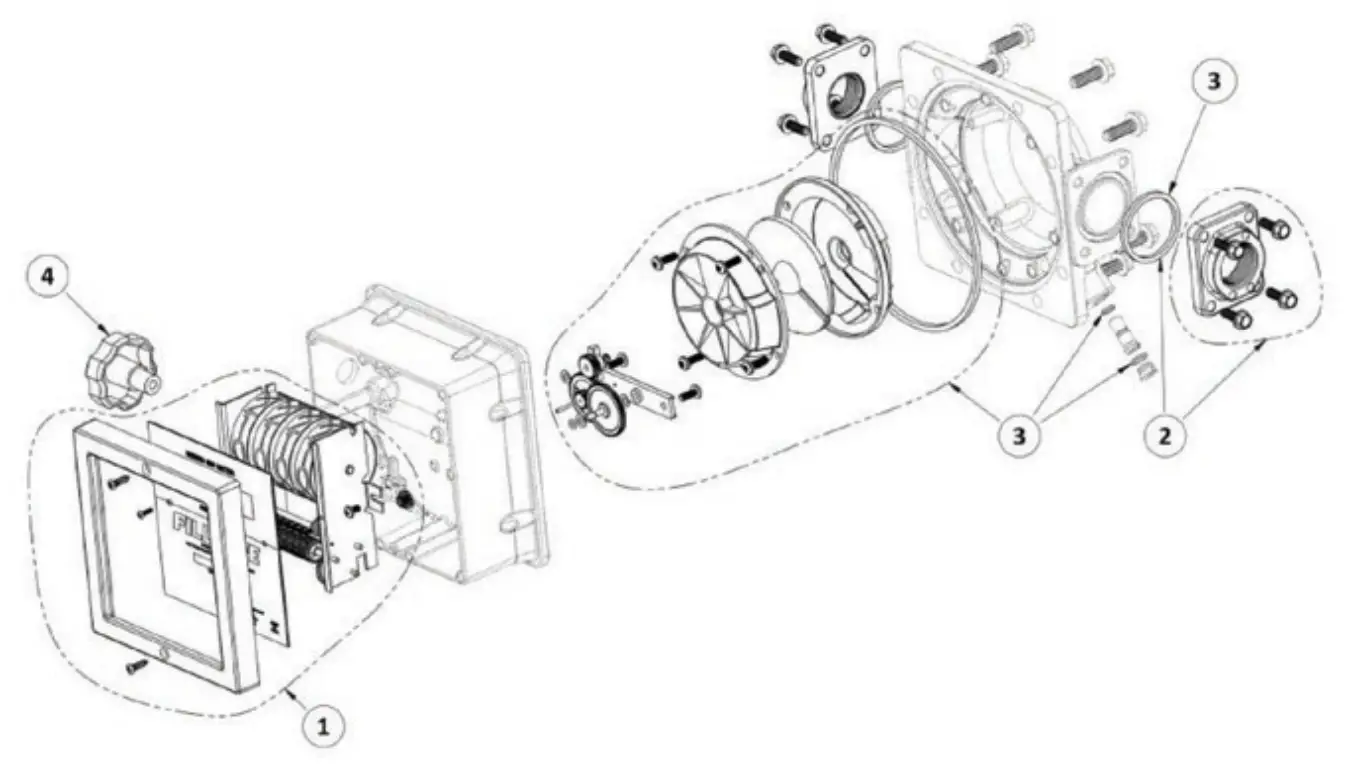
Assembly and Disassembly
The 900 Series Meter consist of a chamber housing, measuring chamber, gear train, counter assembly, and cover. The design of the meter is such that it can be completely disassembled without disturbing the piping (refer to diagram on page 6 for item number parts).
Counter Assembly
For access to the counter assembly:
- Remove the reset knob (item 15) by grasping the edges and pulling firmly away from the meter.
- Remove the two screws (item 14) at the top and bottom of the front bezel.
- Lift bezel (item 11) off.
- Remove the two screws (item 12) to detach the counter face (item 13).
- Remove the two screws (item 9) to extract the counter mechanism.
- Reassemble by reversing this procedure.
Meter Chamber Assembly
The Meter Chamber consists of upper and lower chambers, a nutating disc, and four screws.
- To expose the meter chamber assembly, gear train and seal remove 4 screws (item 28).
- The meter chamber can be dislodged by removing 4 screws (item 5).
Reassemble by reversing this procedure.
| If replacing any components of the meter chamber, the complete assembly must be replaced due to its precision method of construction. This will assure a proper fit, and correct operation of the chamber. |
Gear Train and Seal
To disassemble the gear train and seal:
- Remove two screws (item 8) and gear frame (item 6).
- Remove the gear cluster (item 18), washer (item 19), and shaft (item 17).
- Remove the drive gear (item 24) and washers (item 23) by rotating and pulling the drive gear.
- Remove the O-ring seal (item 25).
| When reassembling seal, lubricate O-ring with oil or petroleum jelly and replace in cover. Place washer on drive gear shaft. Carefully rotate and push shaft through O-ring and cover to prevent damage to O-ring. Shaft must then be guided into pinion bevel (item 27) if counter has not been removed. Replace remaining parts to complete assembly by reversing disassembly procedure. |
Repair
Meters needing repairs should be taken to an authorized repair facility. Meters MUST be triple rinsed before taking them in for repairs.
Safety Testing Approvals
The Fill-Rite line of meters have been safety tested for compliance to the standards set forth by UL Laboratories.

900 SERIES METER PARTS LIST
| ITEM NO | PART NO. | DESCRIPTION | QTY. |
| 1 | 900F8051 | Meter Housing | 1 |
| 900F8102 | Meter Housing-Nickel Plated | Opt. | |
| 900F8101 | Meter Housing-Teflon® Coated | Opt. | |
| 2 | 300F7744 | Inlet/Outlet Gasket Buna-N | 2 |
| 300F7788 | Inlet/Outlet Gasket Fluorocarbon | Opt. | |
| 3 | 900F8087 | Meter Chamber Assembly | 1 |
| 4 | 900F8067 | Cover Gasket Buna-N | 1 |
| 900F8068 | Cover Gasket Fluorocarbon | Opt. | |
| 5 | 900G8886 | #10-24 x 5/8 TORX PH | 4 |
| 6 | 900F8066 | Gear Frame | 1 |
| 7 | 900F8053 | Meter Cover (Includes Item 20) | 1 |
| 900F8104 | Meter Cover – Nickel Plated | Opt. | |
| 900F8103 | Meter Cover – PTFE Coated | Opt. | |
| 8 | VP1400F8822 | #10-24 x 1/2 TORX | 2 |
| 9 | 900F4007 | #8-32 x 5/16 PHMS, ACR II , TT | 2 |
| 10 | 900F8070 | Counter Assembly – U.S. Gallon | 1 |
| 900F8071 | Counter Assembly – Liter | Opt. | |
| 11 | 900F8069 | Bezel | 1 |
| 12 | 35Fl397 | # 4 x 3/8 PHTS | 2 |
| 13 | 900F8072 | Counter Face | 1 |
| 900F8089 | Counter Face – Litre | Opt. | |
| 14 | 900G8504 | #8 x 5/8 ZN/PL PH OVAL | 2 |
| 15 | 800G8870 | Knob | 1 |
| 17 | 800F3820 | Shaft – Cluster Gear | 1 |
| 18 | 800F3841 | Cluster Gear – U.S. Gallon | 1 |
| 800F3843 | Cluster Gear – Liter | Opt. | |
| 19 | 800F3830 | Washer | 1 |
| 20 | 900F8063 | Driver Pinion Shaft (Included with Item 7) | 1 |
| 21 | 900F8065 | Retaining Ring | 1 |
| 22 | 900F8064 | Driver Pinion | 1 |
| 23 | 800F3980 | Washer | 3 |
| 24 | 800F3845 | Drive Gear – U.S. Gallon | 1 |
| 800F3846 | Drive Gear – Liter | Opt. |
| 25 | 800F4191 | 0-Ring (5-106) Fluorocarbon | 1 |
| 27 | 800F3959 | Pinion Bevel | 1 |
| 28 | 700F2810 | 5/16-18 x 7/8 HHCS | 4 |
| 29 | 900F8158 | Seal Screw | 1 |
| 30 | 800F4449 | 0-Ring (-012) Fluorocarbon | 1 |
| 31 | 900F8160 | Adjustment Screw (Includes Item32) | 1 |
| 32 | 900F8159 | 0-Ring (-010) (Included in Item 31) Fluorocarbon | 1 |
| 33 | 1200F6721 | 1/4-20 x 3/4 HHCS (l” meters) | 8 |
| 34 | 900F8076 | l” Meter Flange | 2 |
| 900F8106 | l” Meter Flange – Nickel Plated | Opt. | |
| 900F8105 | l” Meter Flange – PTFE Coated | Opt. | |
|
35 | 900F8092 | 1-1/2″ Meter Flange | Opt. |
| 900F8110 | 1-1/2″ Meter Flange Nickel Plated | Opt. | |
| 900F8109 | 1-1/2″ Meter Flange PTFE Coated | Opt. | |
| 36 | 900F8091 | 1/4-20 x 1-1/2 HHCS (1-1/2″ meters) | Opt. |
| 37 | 900F8045 | Meter Cover Assembly U.S. Gallon | 1 |
| 900F8047 | Meter Cover Assembly- U.S. Gallon, Nickel-plated | Opt. | |
| 900F8046 | Meter Cover Assembly- U.S. Gallon, PTFE Coated | Opt. | |
| 900F8048 | Meter Cover Assembly – Liter | Opt. | |
| 900F8050 | Meter Cover Assembly – Liter, Nickel Plated | Opt. | |
| 900F8049 | Meter Cover Assembly – Liter, PTFE Coated | Opt. |

Replacement Parts Information
Replacement parts can be obtained through any authorized Fill-Rite dealer. Be sure to use only genuine Fill-Rite replacement parts for your service and maintenance needs. For a list of authorized dealers, please visit our web site at fillrite.com.
Models: 901, 901N, 9011.5, 901MK300, 901MK300V, 901LMK300V, & 901MK4200

Kits and accessories listed on below.
901CMK300V Kit (Gallon Meter Kit)
901ClMK300V Kit (Liter Meter Kit)

| Kit # | Kit | Description | Contents |
| 1 | KIT900GR (Gallons) KIT900LR (Liters) | 900 Series Meter Register Kit | Face Plate, Register, Attaching Hardware |
| 2 | KIT900PF1N | 1″ Meter Flange Kit (NPT) | 1″ NPT Meter flanges, O-rings, attaching hardware |
| 2 | KIT900PF1.5N | 1.5″ Meter Flange Kit (NPT) | 1.5″ NPT Meter flanges, O-rings, attaching hardware |
| 2 | KIT900PF1B | 1″ Meter Flange Kit (BSPT) | 1″ BSPT Meter flanges, O-rings, attaching hardware |
| 2 | KIT900PF1.5B | 1.5″ Meter Flange Kit (BSPT) | 1.5″ BSPT Meter flanges, O-rings, attaching hardware |
| 3 | 900KT | Metering and Seal Kit | Metering Chamber, Drive Gears, Associated Seals |
| 4 | 800G8870 | Reset Knob | Reset Knob |
| 901MK30 | 900 Series Meter (gallons) with Inlet Flange for FR300 & FR700 Pumps | 900 Series Meter (gallons) | |
| Inlet Flange (4-hole) | |||
| Required O-rings | |||
| Required Fasteners | |||
| 901LMK300V | 900 Series Meter (liters) with Inlet Flange for FR300 & FR700 Pumps | 900 Series Meter (liters) | |
| Inlet Flange (4-hole) | |||
| Required O-rings | |||
| Required Fasteners |
Fill-Rite Product Warranty
Fill-Rite (“Manufacturer”) warrants each consumer buyer of its Fill-Rite products (“Buyer”) from the date of invoice or sales receipt, that goods of its manufacture (“Goods”) shall be free from defects of materials and workmanship. Duration of the warranty is as follows:
- Heavy Duty Products – Two Years
- Standard Duty Products – One Year
- Economy Duty Products – One Year
- Cabinet Meters, Parts, and Accessories – One Year
Manufacturers sole obligation under the foregoing warranties will be limited to either – at Manufacturers option – repairing or replacing defective goods (subject to limitations hereinafter provided) or refunding the purchase price for such Goods theretofore paid by the buyer, and Buyers exclusive remedy for breach of any such warranties will be enforcement of such obligations of the Manufacturer. If the Manufacturer so requests the return of such Goods, the Goods will be redelivered to the manufacturer in accordance with Manufacturers instructions FOB Factory. The remedies contained herein shall constitute the sole recourse of the Buyer against the Manufacturer for breach of warranty. IN NO EVENT SHALL THE MANUFACTURER’S LIABILITY FOR ANY CLAIM FOR DAMAGES ARISING OUT OF THE MANUFACTURE, SALE, DELIVERY, OR USE OF THE GOODS EXCEED THE PURCHASE PRICE. The foregoing warranties will not extend to goods subject to misuse, neglect, accident, improper installation or maintenance, or have been repaired by anyone other than the Manufacturer or its authorized representative. THE FOREGOING WARRANTIES ARE EXCLUSIVE AND IN LIEU OF ALL OTHER WARRANTIES OF MERCHANTABILITY, FITNESS FOR PURPOSE OF ANY OTHER TYPE, WHETHER EXPRESSED OR IMPLIED. No person may vary the forgoing warranties or remedies, except in writing signed by a duly authorized officer of the Manufacturer. The Buyer’s acceptance of delivery of the Goods constitutes acceptance of the foregoing warranties and remedies, and all conditions and limitations thereof.
Fill-Rite Company recommends you retain your sales receipt as proof of purchase.






















