FILL-RITE 089404223710 900CD Digital Meter
Product Introduction
The Fill-Rite 900 Series Digital Meter is a product that comes with over 80 years of fluid transfer experience behind it, providing superior performance, user-friendly design, long service life, and solid, simple engineering. From initial concept and design through its final production, your Fill-Rite meter is built to give you years of trouble-free use. To ensure it provides that service, it is critical that you read this entire manual prior to attempting to install or operate your new meter. Become familiar with the terms and diagrams, and pay close attention to the highlighted areas with the following labels:
- DANGER: Indicates a hazardous situation which, if not avoided, will result in death or serious injury.
- WARNING: Emphasizes an area in which personal injury or even death may result from failure to follow instructions properly. Mechanical damage may also occur.
- CAUTION: Failure to observe a Caution may cause damage to the equipment.
- NOTICE: These boxes contain information that illustrates a point that may save time, or be key to proper operation, or clarifies a step.
Product Safety Information
WARNING: This product should not be used to transfer fluids into any type of aircraft.
WARNING: This product is not suited for use with fluids intended for human or animal consumption or fluids containing water. Nickel-plated meters are approved for use with non-potable water, antifreeze, certain agricultural chemicals, and other specialized water applications.
WARNING: To ensure safe and proper operation of your equipment, it is critical to read and adhere to all of the following safety warnings and precautions. Improper installation or use of this product can cause serious bodily injury or death!
- NEVER smoke near the meter, or use the meter near open flames when metering a flammable liquid! Fire can result!
- A Fill-Rite Filter should be used on the meter outlet to ensure no foreign material is transferred to the fuel tank.
- Threaded pipe joints and connections should be sealed with the appropriate sealant or sealant tape to minimize the possibility of leaks.
- Storage tanks should be securely anchored to prevent shifting or tipping when full or empty.
- To minimize static electricity build-up, use only static wire conductive hose when metering flammable fluids, and keep the fill nozzle in contact with the container being filled during the filling process.
- DO NOT exceed 50 psi/3.5 BARS line pressure.
- DO NOT install an additional foot valve or check valve without a pressure relief valve; cracking may result.
Product Installation
Meters are furnished for horizontal piping; left to right flow. Flow ports can be changed to any of four positions for horizontal or vertical piping and for either direction of flow.
- Determine the direction for fluid to flow.
- Install meter observing directional arrow on casting on back of the meter.
Thank You
Thank you for your purchase of the Fill-Rite 900 Series Digital Meter! Your Fill-Rite product comes with over 80 years of fluid transfer experience behind it, providing you the value that comes with superior performance, user friendly design, long service life, and solid, simple engineering. For all product questions, please contact Fill-Rite Technical Support at 1 (800) 720-5192 or via email at [email protected] (M-F, 8 AM – 5 PM ET).
About This Manual
From initial concept and design through its final production, your Fill-Rite meter is built to give you years of trouble free use. To ensure it provides that service, it is critical that you read this entire manual prior to attempting to install or operate your new meter. Become familiar with the terms and diagrams, and pay close attention to the highlighted areas with the following labels:
DANGER: Indicates a hazardous situation which, if not avoided, will result in death or serious injury.
WARNING: Emphasizes an area in which personal injury or even death may result from failure to follow instructions properly. Mechanical damage may also occur.
CAUTION: Failure to observe a “Caution” may cause damage to the equipment.
NOTICE: These boxes contain information that illustrates a point that may save time, or be key to proper operation, or clarifies a step.
At Fill-Rite, your satisfaction with our products is paramount to us. If you have questions or need assistance with your product, please contact us at 1 (800) 720-5192 or via email at [email protected] (M-F, 8 AM – 5 PM ET).
Safety Information
WARNING
- This product should not be used to transfer fluids into any type of aircraft.
- This product is not suited for use with fluids intended for human or animal consumption or fluids containing water. Nickel plated meters are approved for use with non-potable water, antifreeze, certain agricultural chemicals, and other specialized water applications.
WARNING
To insure safe and proper operation of your equipment, it is critical to read and adhere to all of the following safety warnings and precautions. Improper installation or use of this product can cause serious bodily injury or death!
- NEVER smoke near the meter, or use the meter near open flames when metering a flammable liquid! Fire can result!
- A “Fill-Rite” Filter should be used on the meter outlet to insure no foreign material is transferred to the fuel tank.
- Threaded pipe joints and connections should be sealed with the appropriate sealant or sealant tape to minimize the possibility of leaks.
- Storage tanks should be securely anchored to prevent shifting or tipping when full or empty.
- To minimize static electricity build up, use only static wire conductive hose when metering flammable fluids, and keep the fill nozzle in contact with the container being filled during the filling process.
- DO NOT exceed 50 psi/ 3.5 BARS line pressure.
- DO NOT install additional foot valve or check valve without a pressure relief valve; cracking may result.
Installation
Meters are furnished for horizontal piping; left to right flow. Flow ports can be changed to any of four positions for horizontal or vertical piping and for either direction of flow.


- Determine direction for fluid to flow.
- Install meter observing directional arrow on casting on back of meter (circled). Liquid MUST flow in the direction of the arrow for proper operation.
- Remove four screws on corners of meter face (Torx T25 bit required).
- Rotate meter face assembly to desired orientation.
- Replace four screws.
- Complete installation by making sure the joints are properly sealed and meter is positioned for easy viewing and use.
CAUTION: Threaded pipe joints and connections should be sealed with the appropriate sealant or sealant tape to minimize the possibility of leaks.
NOTICE: If you have purchased this meter as part of a “Kit”, the meter flange base is drilled with 4 holes. This allows the meter to be used with 300 and 700 series pumps. Line the meter bracket up for installation and insert the bolts in the two holes that align with the corresponding holes on the pump outlet. Once the meter bracket is bolted securely in place install the two plugs in the holes that were not used to prevent moisture from entering them.
Meter Calibration
Meter calibration is required upon installation, after disassembly, after significant wear, or when dispensing a different viscosity fluid. Calibration must be done between 6 and 40 GPM (23 and 151 LPM). Meter calibration can be easily changed by following the calibration procedure. A container of KNOWN volume will be needed for the calibration procedure. For the 900 Series Digital Meter, a five gallon container or larger, or a 20 liter container or larger should be used.
Procedure for Calibration
Unit of measure and calibration is configured using a 3-step process:
- Select the desired unit of measure.
- Fill a container with a known volume using the desired fluid.
- Enter the amount of fluid dispensed.
- Prior to calibration, the unit must be placed in calibration mode. Simultaneously press and hold the CAL and TOTAL buttons for 5 seconds to enter Calibration Mode.
- NOTICE: When calibrating, the totalizers will not increase in value.

- The unit will default to the last unit of measure used.
- Press and release the TOTAL button to toggle through the available units of measure.
- Press and hold the CAL button for 2 seconds to move to the next step.
- If the meter is left untouched for 2 minutes or the RESET button is pressed, the unit will automatically exit Calibration Mode and ignore any changes in volume.
- NOTICE: Dispensing into a container with a known volume allows the unit to automatically calculate the internal scaling value to compensate for fluid viscosities and the system flow rate.

- NOTICE: Dispensing into a container with a known volume allows the unit to automatically calculate the internal scaling value to compensate for fluid viscosities and the system flow rate.
- CAL 2 will be displayed.
- Begin dispensing fluid into the container.
- FILL will begin to blink after fluid flow is detected.
- Dispense the desired amount fluid; stop flow as soon as desired level is reached.
- Press and hold the CAL button for 2 seconds to move to the next step.
- NOTICE: If left untouched for 2 minutes, or the RESET button is pressed, the meter will exit Calibration Mode and any dispensed fluid will be ignored.
- Pressing and holding the CAL button for 2 seconds before dispensing into a container will cause the meter to skip a fill operation and only change the unit of measure.
- NOTICE: For maximum accuracy, try to get as close as possible to the dispensed volume without changing flow rate.

- NOTICE: For maximum accuracy, try to get as close as possible to the dispensed volume without changing flow rate.
- The left-most digit will begin blinking.
- Use the TOTAL button to scroll from 0 to 9 until the desired number has been selected.
- Press and release the CAL button to move to the next digit.
- Repeat Steps 3 – 4 until the amount of dispensed fluid has been entered.
- If you make a mistake entering a digit, press and release the CAL button repeatedly until the digit is active again.
- Press and hold the CAL button for 2 seconds to complete the calibration process regardless of the current digit selected.
- If at the last digit and the CAL button is pressed for less than 2 seconds, the process should roll back to the left-most digit, but retain the current value. This allows the user to edit an incorrect value.
- An error check for gross calibration errors (+/- 15%) will be performed unless USER units are selected. If an error is detected, the meter will display Err0 until a button is pressed and the calibration process is aborted.
- If the meter is left untouched for 2 minutes or the RESET button is pressed, the unit will automatically exit Calibration Mode and ignore any changes.
Operation Instructions
For accurate measurement and to prevent meter damage, dispenser and piping must always be filled with liquid and be free of air. The meter portion of your dispenser should be calibrated per instructions in this manual prior to its use. The Fill-Rite 900 Series Digital Meter face incorporates three buttons that control all the operation and calibration functions. To turn the display on, or wake the meter from “Sleep” mode, simply press any button on the face. The display will turn on and you can proceed with the function you desire. Dispensing fluid will also turn the meter display on.
NOTICE: When the meter is in the “Deep Sleep” mode, dispensing fluid will NOT turn the meter on. The meter will not display or accumulate any fluid that is dispensed while in “Deep Sleep” mode.

- The last count and selected totalizer is retained and displayed when the meter is turned on.
- Pressing and releasing the TOTAL button will switch between the resettable and non-resettable totalizers. (The R icon will be displayed when the resettable total is displayed).
- Pressing and holding the RESET button for 2 seconds will reset the counter.
- Pressing and holding the RESET button and TOTAL buttons for 2 seconds will reset the totalizer. The resettable totalizer must be active in order to reset it.
- Pressing and holding the RESET button and CAL buttons for 2 seconds will display the software version for 2 seconds and then perform a segment check for 3 seconds, and then restore the display.
- Pressing and holding the CAL button for 5 seconds will place the meter into a Deep Sleep mode. Pressing any button twice will bring the meter out of deep sleep mode.
NOTICE
“Deep Sleep” mode is designed to maintain a status of operational readiness while offering battery conservation. The meter should be placed in this mode when:
- Flushing the unit so the dispensed volume is not counted.
- Traveling over rough surfaces (off-road) where fluid is being jostled and you don’t want volume from the motion to be counted.
- Extending battery life; there is no penalty for repeatedly placing it in deep sleep.
- After 30 seconds of inactivity, the display will blank to conserve battery power.
- If the meter is connected to the external power source, the display will not blank unless forced into deep sleep mode.
- If external power is removed, the meter will revert to battery only operating characteristics and vice-versa.
- The counter and totalizer 2 can be reset even if fluid flow is detected. The meter will continue counting during the 2 second RESET button press, then reset to 0, then resume counting.
Low Battery Warning

The digital display includes a “Low Battery” warning indicator. When the battery reaches a level low enough to require replacement, the display will show “BAT” as a reminder to change the battery. When necessary, replace batteries per procedure.
Storage
- If your meter is to be stored for a period of time, clean it thoroughly. This will help protect the meter from possible damage.
Troubleshooting Guide
The following Troubleshooting Guide is designed to help you with basic digital diagnostics and repairs if you should encounter abnormal service from your 900 Series Meter. We recommend you use only genuine Fill-Rite parts. These parts, and additional service information is available through your authorized Fill-Rite dealer. Further troubleshooting information can be found in your pump manual. If you need additional assistance, please contact our Technical Support at 1 (800) 720-5192 or via email at [email protected] (M-F, 8 AM – 5 PM ET). You can also visit fillrite.com.
| Concern | Possible Concern | Recommended Repair |
| Counter inaccurate | Meter miscalibrated | Check calibration and recalibrate as necessary. |
| Air in lines or metering chamber | Check line seals and joints for leakage; seal leaks appropriately. | |
| Measuring gears or disc are sticking | Clean or replace internal metering components as necessary. | |
| Low flow capacity | Clogged meter chamber | Clean meter chamber; clean or replace screens and filters in piping. |
| Meter body cracks | Excess line pressure | Install pressure relief valve to allow high pressure to bleed back to the tank. Replace meter. |
| Nutating Disc Broken | Sudden high pressure fluid hitting disc | Avoid surge flows by installing a shut-off valve on outlet of meter; install meter as close to the pump as possible, keep piping full of liquid. Replace meter chamber assembly. |
Fluid Compatilibity
- The 900CD Series Meter IS compatible with the following fluids: Diesel Fuel, Bio-Diesel (up to B20), Mineral Spirits, Heptane, Hexane, Gasoline, E15
- The 900CD Series Meter IS NOT compatible with the following fluids: Bleach, Hydrochloric Acid, Ink, Sulfuric Acid, Salt Water
CAUTION
If in doubt about compatibility of a specific fluid, contact supplier of fluid to check for any adverse reactions to the following wetted materials:
- Aluminum, Stainless Steel, Fluorocarbon, Polyester, Nickel, Acetal.
Assembly and Disassembly
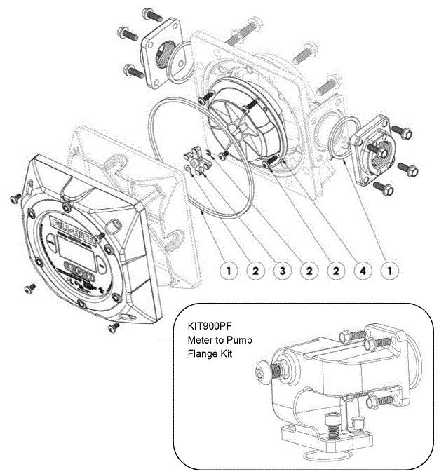
The 900 Series Digital Meter consists of a chamber housing, measuring chamber, drive shaft, digital counter assembly, and cover. The design of the meter is such that it can be completely disassembled without disturbing the piping (refer to diagram on page 9 for item number parts).
Accessing the Battery
For access to the batteries (2 AA batteries)

- Remove the four screws at the top and bottom of the front bezel (Torx #T25).
- Lift bezel off. Batteries are located on the back side of the display; use a Phillips head screwdriver to remove the cover to access the batteries.
- Reassemble by reversing this procedure.
WARNING
Batteries may ONLY be replaced with the following:
- Duracell MN1500
- Duracell MX1500
- Energizer E91
WARNING
- To reduce the risk of ignition of a flammable explosive atmosphere, batteries MUST be changed ONLY in a location known to be non-hazardous.
- To reduce the risk of explosion DO NOT mix old batteries with new batteries, or mix batteries of different manufacturers.
Meter Chamber Assembly
The Meter Chamber consists of upper and lower chambers, a nutating disc, and four screws (Figure 2).

- To expose the meter chamber assembly and seal remove the 4 screws.
- The meter chamber can be dislodged by removing the 4 screws (see Figure 2).
- Reassemble by reversing this procedure.
NOTICE: If replacing any components of the meter chamber, the complete assembly must be replaced due to its precision method of construction. This will assure a proper fit, and correct operation of the chamber.
Repair
Meters needing repairs should be taken to an authorized repair facility. Meters MUST be triple rinsed before taking them in for repairs.
NOTICE
- When returning a meter for service, it must be triple rinsed and accompanied by a note stating what chemicals have been pumped through it.
- Meters not adhering to these specifications may be refused for service.
Safety Testing Approvals

- The Fill-Rite 900CD Series Meters have been tested for compliance to the standards set forth by Underwriters Laboratories (UL), UL Canada, ATEX, and other testing organizations.
- To determine which specific compliances apply to your particular meter, refer to the faceplate for information and compliance logos (see “Certification Information”.
Replacement Parts Information
- Replacement parts can be obtained through any authorized Fill-Rite dealer.
- Be sure to use only genuine Fill-Rite replacement parts for your service and maintenance needs.

900 Series Digital Meter Replacement Parts Kit
| Kit Number | # | Description | Qty |
| 900CDKT | 1 | Required Seal | 3 |
| 2 | Required Fasteners | 6 | |
| 3 | Magnetic Driver | 1 | |
| 4 | Chamber Assembly | 1 |
Electrical Installation Information
Internal Power (Battery Power)
All 900 Series Digital Meters are battery powered. The meter is equipped with a battery tray located behind the faceplate on the circuit board itself. Power on these units is supplied by two alkaline “AA” batteries. With normal use, these batteries should provide 2 – 4 years of use. The digital display contains an integral warning of low battery level. If there are questions regarding appropriate replacement batteries for your meter, please contact Fill-Rite Technical Support at 1 (800) 720-5192 or via email at [email protected] (M-F, 8 AM – 5 PM ET). Incorrect battery selection may void UL certification.
WARNING: To reduce the risk of explosion DO NOT mix old batteries with new batteries, or mix batteries of different manufacturers.
WARNING: Batteries may ONLY be replaced with the following:
- Duracell MN1500
- Duracell MX1500
- Energizer E91
Product Warranty
Fill-Rite Product Warranty
Fill-Rite (“Manufacturer”) warrants each consumer buyer of its Fill-Rite products (“Buyer”) from the date of invoice or sales receipt, that goods of its manufacture (“Goods”) shall be free from defects of materials and workmanship. Duration of the warranty is as follows:
- Heavy Duty Products – Two Years
Manufacturer sole obligation under the foregoing warranties will be limited to either – at Manufacturers option – repairing or replacing defective goods (subject to limitations hereinafter provided) or refunding the purchase price for such Goods theretofore paid by the buyer, and Buyers exclusive remedy for breach of any such warranties will be enforcement of such obligations of the Manufacturer. If the Manufacturer so requests the return of such Goods, the Goods will be redelivered to the manufacturer in accordance with Manufacturer’s instructions FOB Factory. The remedies contained herein shall constitute the sole recourse of the Buyer against the Manufacturer for breach of warranty.
IN NO EVENT SHALL THE MANUFACTURER’S LIABILITY FOR ANY CLAIM FOR DAMAGES ARISING OUT OF THE MANUFACTURE, SALE, DELIVERY, OR USE OF THE GOODS EXCEED THE PURCHASE PRICE. The foregoing warranties will not extend to goods subject to misuse, neglect, accident, improper installation or maintenance, or have been repaired by anyone other than the Manufacturer or its authorized representative. THE FOREGOING WARRANTIES ARE EXCLUSIVE AND IN LIEU OF ALL OTHER WARRANTIES OF MERCHANTABILITY, FITNESS FOR PURPOSE OF ANY OTHER TYPE, WHETHER EXPRESSED OR IMPLIED. No person may vary the forgoing warranties or remedies, except in writing signed by a duly authorized officer of the Manufacturer. The Buyer’s acceptance of delivery of the Goods constitutes acceptance of the foregoing warranties and remedies, and all conditions and limitations thereof.
Fill-Rite recommends you retain your sales receipt as proof of purchase.
Technical Specifications
Technical Specifications and Information

- Dimensions: 6.75″ (H) x 8.46″ (W) x 4.10″ (D)
- Accuracy: ± 1.25 %
- Repeatability: ± 0.25% at calibrated flow rate.
- Flow Rate: 6 to 40 GPM
- Pressure Rating: 50 psi
- Construction: Aluminum
- Units of Measure: ounces, pints, quarts, liters, gallons, 1 special “Unit of Measure” option
- Counter: 4 digit resettable counter; (.01 – 9999 units)
- Totalizers: 7 digit non-resettable “Master” totalizer, 7-digit resettable secondary
- Mounting Options: Can be installed for vertical or horizontal mounting by rotating display accordingly
- Approvals: UL / cUL / ATEX Listing (see page 6 for information on specific certifications)
- Power Supply: 2 “AA” batteries (Alkaline or approved equivalent; Lithium optional for extended battery life); optional external power supply on certain models
- Expected Battery Life: 2 – 4 years of normal use with standard Alkaline batteries
- Operating Temperature Range: -40° to 140°F (-40° to 60°C).
- Specific conditions of use: The Series 900CD may be used with only Part No. MN1500 or MX1500 cells manufactured by Duracell or Part No. E91 cells manufactured by Energizer.
- The housing of the Series 900 meters is made of powder-coated aluminum. Care must be taken in the end use to ensure coating does not wear away to expose bare metal or that the device must be used only in applications where it is protected from friction sparking.
Certification Information
The following is a list of standards used to attain certification:

- IEC 60079-0, 7th ed.,
- EC 60079-11, 6th ed.,
- EN IEC 60079-0:2018
- EN 60079-11:2012,
- CAN/CSA C22.2 No. 60079-0:15,
- CAN/CSA C22.2 No. 60079-11:14,
- UL913, 8th ed.,
- UL60079-0, 5th ed.,
- UL 60079-11, 5th ed.,
- CAN/CSA C22.2 No. 157-92. (Rev 2016)
Contacts
Fill-Rite Company
- 8825 Aviation Drive
- Fort Wayne, Indiana 46809 USA
- T: 1 (800) 720-5192
- 1 (260) 747-7524
- F: 1 (800) 866-4681
- fillrite.com
- sotera.com
- gormanrupp.com






















