SIEMENS OpenAir GMA Series Rotary Spring Return Actuator

Installation Instructions
Rotary spring return actuator
Contents

- a. Actuator
- b. Self-centering shaft adapter
- c. Position indicator
- d. Shaft adapter locking clip
- e. Position indicator adapter
- f. Mounting bracket
- g. Mounting screws
- h. 3 mm hex wrench
- i. Auxiliary switch adjustment tool
Hints/Warnings
Keep these instructions together with the actuator or with the plant documentation!
Warning:
Do not open the actuator.
Spring preload Factory set preload: 5°. Unload by power or mechanical. For additional information, see Technical Instructions EA GMA-1 (155-315P25).
Mounting Position

Limits for Angular Rotation

Shaft Mounting

Manual Override
- winding
- positionner
- posicionar

Wiring Diagrams
GMA12x
- 24 Vac/dc
- 2-position control
- Commande tout ou rien
- Control a 2 puntos

GMA22x
- 120 Vac
- 2-position control
- Commande tout ou rien
- Control a 2 puntos

GMA13x
- 24 Vac/dc
- 3-position control
- Commande 3 points
- Control a 3 puntos

GMA15x (2-10V) GMA16x (0-10V)
- 24 Vac/dc
- Modulating control
- Commande progressive
- Control continuo




Retrofit Wiring

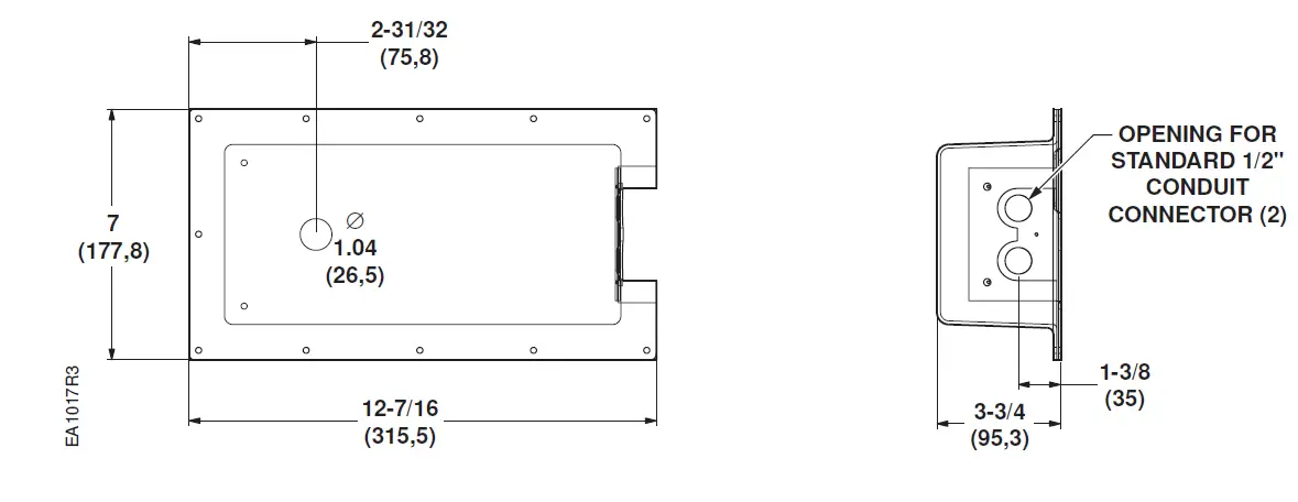
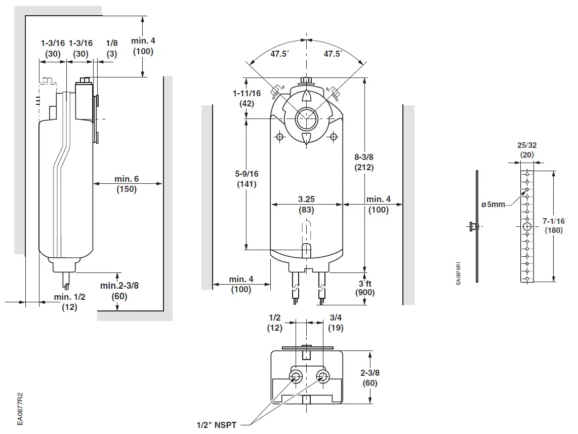
Dimensions
Weather Shield ASK75.3U Inches (mm)


Information in this publication is based on current specifications. The company reserves the right to make changes in specifications and models as design
improvements are introduced. OpenAir is a trademark of Siemens Schweiz, AG. Other product or company names mentioned herein may be the trademarks of their respective owners. © 2013 Siemens Industry, Inc.
Siemens Industry, Inc.
Building Technologies Division 1000 Deerfield Parkway Buffalo Grove, IL 60089-4513 USA +1-847-215-1000
Your feedback is important to us. If you have comments about this document, please send them to [email protected]




















