COMMAND LIGHT C-Lite LED Spotlight

THANK YOU
Please allow us to express a simple thank you for investing in a COMMAND LIGHT product. As a company we are dedicated to producing the very best and most versatile flood lighting package available. We take great pride in the quality of our work and hope that you will find many years of satisfaction from the use of this equipment.
Should you have any problems with your product please do not hesitate to contact us.
LIMITED WARRANTY
Five Years
COMMAND LIGHT warrants that the equipment is free from defects in materials and workmanship when used and operated for a period of five years. The responsibility of COMMAND LIGHT under this limited warranty is limited to the repair and replacement of any parts found defective. Parts must be returned to COMMAND LIGHT at 3842 Redman Drive, Ft Collins, Colorado 80524 with transportation charges prepaid (C.O.D. shipments will not be accepted).
Prior to returning defective parts to COMMAND LIGHT, the original purchaser shall make a claim in writing to COMMAND LIGHT at the above address indicating the model number, serial number and type of defect. No parts or equipment will be received by COMMAND LIGHT for repair or replacement under this warranty without specific written authority from it in advance.
Any parts damaged by improper installation, overloading, abuse or accident of any type or cause are not covered by this warranty.
All equipment manufactured by us is tested before leaving our plant, and is shipped in good working order and condition. We therefore extend to the original purchasers the following Limited Warranty for the period of five years from the original date of purchase:
- This warranty does not apply to defects caused by accident, misuse, neglect, or wear and tear, nor can we be held responsible for incidental and consequential expense and loss, nor does this warranty apply to equipment where alterations have been executed without our knowledge or consent. These conditions are readily discernable when the equipment is returned to us for inspection.
- On all component parts not manufactured by COMMAND LIGHT, their warranty is to the extent that the manufacturer of such component warrants them to COMMAND LIGHT, if at all. Look in your local business telephone directory for the nearest repair station for the brand of parts you have or write to us for the address.
- If equipment received has been damaged in transit, a claim should be made against the carrier within three days, as we assume no responsibility for such damage.
- Any service other than our Authorized Service voids this warranty.
- This warranty is in lieu of and is intended to exclude all other warranties, express or implied, oral or written, including any warranties of MERCHANTIBILITY or FITNESS for a particular purpose.
- Travel time paid at a maximum of 50% and only if pre-approved.
Breakage or Damage During Shipment
The transportation company is fully responsible for all shipping damage and will resolve problems promptly if you handle it correctly. Please read these instructions carefully.
Examine the contents of all shipping cases. If you find any damage, call your transportation agent at once and have them make a description on the freight or express bill describing the damage and the number of pieces. Then contact us and we will send you the original bill of lading. Also promptly contact the transportation company and follow their procedure for filing a claim. Each company will have a unique procedure to follow.
Please note, we cannot and will not enter claims for damages. If we filed claim here, it would be sent to your local freight agent for verification and investigation. This time can be saved by you filing the claim directly. Every consignee is on the ground floor, in contact with the local agent who inspects the damaged goods, and thus, each claim can be given individual attention.
Since our goods are packed to comply with the regulations of all railroad, truck, and express companies, we cannot allow deduction from any invoice because of any damage, however, be sure to file your claim promptly. Our goods are sold F.O.B. factory. We take receipt from the transportation company certifying that the goods were delivered to them in good order and our responsibility ceases.
It is seldom that any breakage or damage occurs in any of our shipments and in no case will the customer be out any expense if they follow the above instructions.
Be sure to keep all damaged goods subject to examination of the truck or express company inspector, who may call on you some time later. These damaged goods, of course, will belong to them, and they will inform you what to do with them. If you dispose of these damaged goods, your claim may not be paid.
General Description and Specifications
| Optimal Operating Voltage | 12VDC |
| Acceptable Operating Voltage | 11-13VDC |
| Max Amp Draw | 17.5 Amp |
Electrical Wiring
The C-Lite is provided with 25 feet of 12AWG-2 Conductor Cable color coded with red and black wires. Provide a 12VDC+ signal on the red wire and a 12VDC Ground signal on the black wire to power the C-Lite. Reversing these wires may cause damage to the internal circuitry or components of the C-Lite.
A 20 amp fuse is recommended to protect the C-Lite from electrical damage.
With the wired controller, power and ground are connected in the controller box. The 8 conductor cable is the only cable that runs from the wired controller to the C-Lite. If shortening the control cable, note the location of all wires and install them as they were received from the factory.
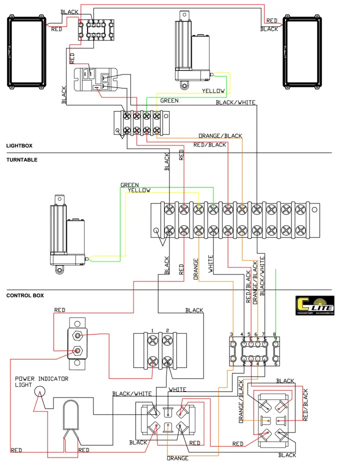
Wired Controller Wiring 
Installation
The C-Lite must be installed by a designated installation facility by qualified personnel only. All safety precautions must be thoroughly understood before installation. Please consult the factory for additional installation information assistance.
Included Parts
Four (4) – ¼-20 x 1” Hex Head Bolt
Eight (8) – ¼” Flat Washer
Four (4) – ¼-20 Nyloc Nut
Four (4) – ½” Straight Sealcon with Nut
One (1) – Command Light Screwdriver
One (1) – User Guide
Tools Required
7/16” Wrench and Socket
Drill with assorted bits
Maintenance
Cleaning
The C-Lite is constructed with corrosion resistant aluminum and stainless steel fasteners. To further enhance corrosion resistance all exposed surfaces receive a powder coated paint finish. To assure years of trouble free service periodically clean all external surfaces with a mild detergent solution and a gentle spray of water. DO NOT USE A HIGH-PRESSURE WASHER, which will force water into sensitive electric circuitry.
Troubleshooting
If the C-Lite stops operating, disconnect and reconnect power. If operation does not resume, test for a valid 12VDC power source and ground. If this does not remedy the issue, contact Command Light at 1-800-797-7974 for Technical Support.
Technical Specifications 
Parts List – Exploded View 



Wiring Diagram

PHONE: 1-800-797-7974
FAX: 1-970-297-7099
WEB: www.CommandLight.com

















