DOMUS LINE UNIKA Collection LED Spotlights

INSTALLATION MANUAL
- Protection class III device. Power must be supplied by a safe power supply.
Class 1 luminaire
luminaire in which the protection against electric shock does not rely on basic insulation only, but which includes an additional safety precaution in such a way that means are provided for the connection of accessible conductive parts to the protective (earthing) conductor in the fixed wiring of the installation in such a way that accessible conductive parts cannot become live in the event of a failure of the basic insulation
- Device only for indoor installation.
- Photobiological safety: The device belongs to the risk 0 group (EXEMPT) in accordance with the EN62471.
- The product must be disposed of separately from urban waste, delivering it to the collection centres established by the prevailing standard. Adequate sorted waste collection contributes to preventing negative effects on the environment and health and favours reuse and/or recycling materials. Incorrect disposal of the product implies the application of the administrative sanctions envisaged by the prevailing regulation.
UNIKA
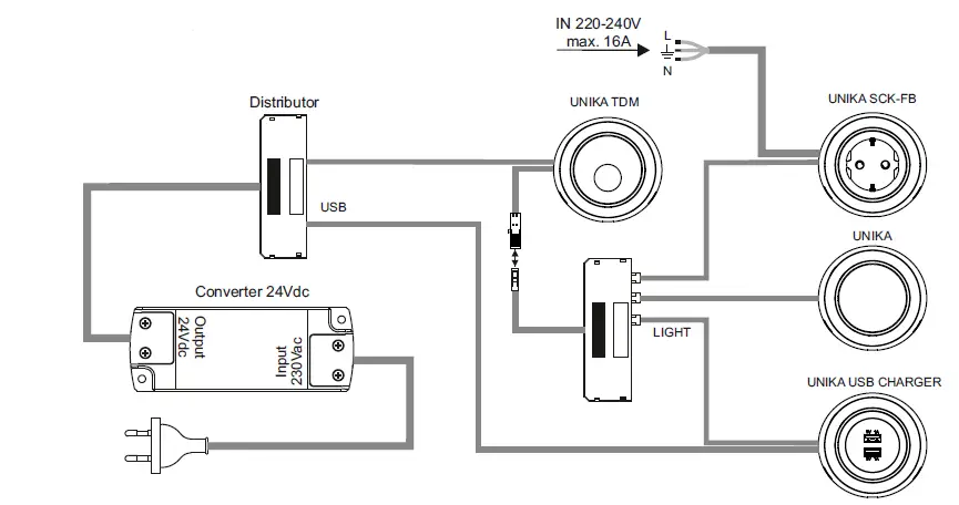
UNIKA TDM
UNIKA TDM
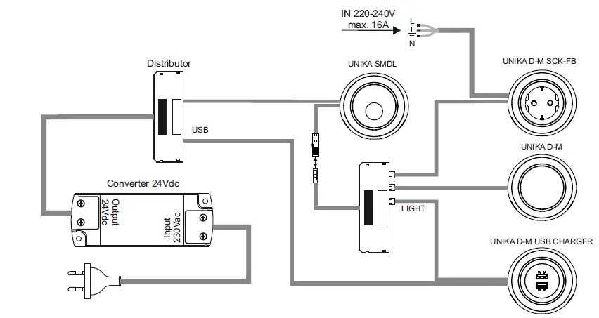
UNIKA TDM D-MOTION
UNIKA SCK – FB
UNIKA USB

UNIKA COLLECTION
UNIKA D-M COLLECTION
MAX. 2 + 2A 5Vdc (20Watt)

INSTALLATION MANUAL
WARNING
Safety is guaranteed if these instructions are followed and therefore they must be kept. Installation may require the involvement of qualified personnel. Before proceeding with installation of the device, ensure that the environmental conditions are in conformity with and suitable for the characteristics of the product. Before any operation on the device disconnect mains power.
DESCRIPTION
UNIKA USB integrates two USB sockets with smart detection of connected devices.
UNIKA USB is compatible with smartphones, tablets, game consoles, MP3 players, cameras, etc., and can charge two devices simultaneously, even different ones. The charging time of the devices may vary depending on the model and technical characteristics indicated by the manufacturer. For charging, it is recommended to use only certified cables compatible with the device. If charging is not activated or has been interrupted, check the correct insertion of the power cable connector on the USB socket and on the device.
WARNING
The Led MODULE, the power supply cable or any switch used, are not replaceable, therefore in case of damage the device must be entirely substituted.
WARRANTY
- The warranty on the device is valid only if powered by a power supply provided by DOMUS Line. The warranty’s general terms and conditions for this device are available at www.domusline.com
CAUTION
USE ONLY 12Vdc or 24Vdc CLASS 2 POWER UNIT (According rated date on LED luminaire)
DOMUS LINE Srl Via Maestri del Lavoro, 1 33080 PORCIA _ PN _ Italy phone fax e-mail website 0039 0434 595911 0039 0434 923345 [email protected] www.domusline.com


















