SIEMENS SEA45.5 Current valve Instructions
Dimension

Ambient temperature max. 60°C (otherwise load current must be reduced as specified in data sheet N4937!). In control panels forced ventilation by means of a fan is required. Ensure the min. distances between devices
Instruction

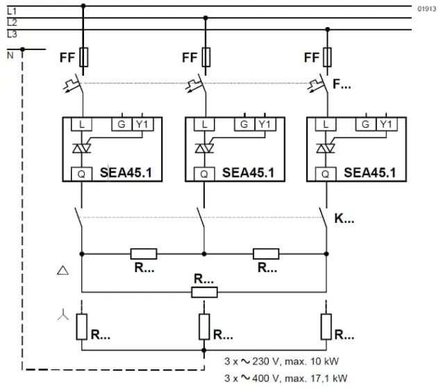
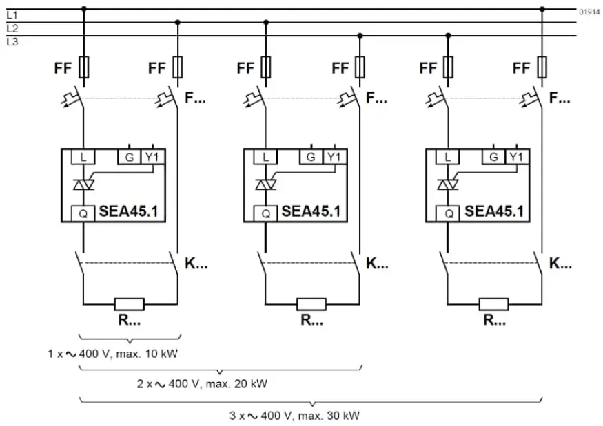
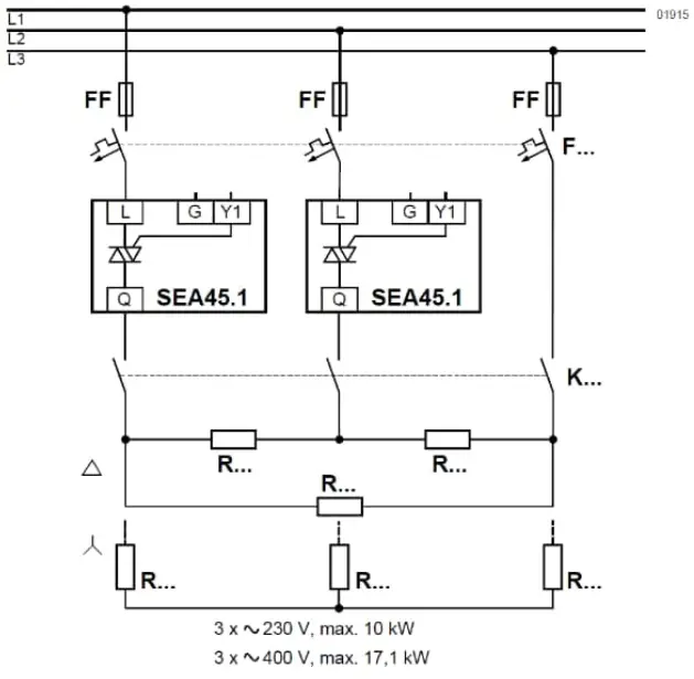
G System potential (SELV)
AC 24 V
Y1 Pulse/pause control signal
AC 24 V
L Load input (phase)
Q Load output
N Neutral
PE Protective earth (optional)
AC 100 … 230 V (L1 – N, L2 – N, L3 – N)
AC 100 … 400 V (L1 – L2, L1 – L3, L2 – L3):
AC 100 … 400 V (L1 – L2, L1 – L3, L2 – L3)
AC 100 … 400 V (L1 – L2, L1 – L3, L2 – L3):
F… Overcurrent trip
FF Fast-acting fuse
K… Safety loop (e.g. safety limit thermostat,
high limit cut-out)
R… Load
Support
Issued by
Siemens Switzerland Ltd
Smart Infrastructure
Global Headquarters
Theilerstrasse 1a
CH-6300 Zug
Switzerland
Tel. +41 58-724 24 24
www.siemens.com/buildingtechnologies
© Siemens Switzerland Ltd, 2018
Subject to change



















