iLIVING ILG8SF16V-ST 16 Inch Wall Mounted Shutter Exhaust Fan, Automatic

PLEASE READ AND SAVE THESE INSTRUCTIONS. READ CAREFULLY BEFORE ATTEMPTING TO ASSEMBLE, INSTALL, OPERATE, OR MAINTAIN THE PRODUCT DESCRIBED. PROTECT YOURSELF AND OTHERS BY OBSERVING ALL SAFETY INFORMATION. FAILURE TO COMPLY WITH INSTRUCTIONS COULD RESULT IN PERSONAL INJURY AND/OR PROPERTY DAMAGE! RETAIN INSTRUCTIONS FOR FUTURE REFERENCE.
BEFORE YOU BEGIN
Installation, trouble shooting, and replacement of parts are to be performed only by authorized service technicians.
Electrical Requirements:
- The motor amperage and voltage ratings must be checked for compatibility to supply voltage prior to final electrical connection. Pleaserefer to the motor’s nameplate label.
- Wiring must conform to local, state, and national codes.
Tools / Materials Needed:(Not Included)
- Mounting Fasteners (8)
- Sealant or Caulk
- Regular Screwdriver Set
UNPACKING
Contents:
- Shutter Mounted Exhaust Fan
- Fan control (ILG8SFST)
- Owner’s Manual
Inspect:
- After unpacking fan, carefully inspect for any damage that may have occurred during transit. Check for loose, missing, or damaged parts.
- Check all bolts, screws, set-screws, etc. for looseness that may have occurred during transit. Tighten as needed. Rotate propeller by hand to ensure it turns freely.
- See General Safety Instructions on page 3, and Cautions and Warnings as shown.
GENERAL SAFETY INSTRUCTIONS
- Do not depend on any switch as the sole means of disconnecting power when installing or servicing the fan.
- Always disconnect, lock-out, and tag-out power source before installing or servicing. Failure to disconnect power source can result in fire, shock,or serious injury.
- Motor will restart without warning after thermal protector trips. Do not touch operating motor; it may be hot enough to cause injury.
- Do not place body parts or objects in fan or motor openings while motor is connected to the power source.
- All electrical connections should be made by a qualified electrician.
- These utility exhaust fans are for general purpose exhaust applications only. Do not use these exhaust fans in an area where corrosive or explosive materials may be found.
- Follow all local and state/provincial electrical and safety codes in the United States and Canada, as well as the National Electrical Code(NEC)and the Occupational Safety and Health Act (OSHA) in the United States,and the Canadian Electric Code (CEC) in Canada.
- Always disconnect power source before working on or near a motor or its connected load.
- Protect the power cable from coming in contact with sharp objects.
- Do not kink or create tight bends in the power cable and never allow the cable to come in contact with oil, grease, hot surfaces, or chemicals.
- Make certain that the power source conforms to the requirements of your specific exhaust fan model. The fan frame and motor must be electrically grounded to a suitable electrical ground, such as a grounded water pipe or ground wire system.
- To reduce the risk of injury to persons, please observe the following: In the United States, OSHA compliant guards are required when fan is installed within 7 feet of the floor or working level. In Canada, CSA compliant guards are required when fan is installed below 2.5meters(8.2 feet) above the floor or grade level.
- Suitable for use with specific solid-state speed controls.
INSTALLATION INSTRUCTION
- The unit should be securely mounted in a rigid framework.
NOTE: Allowing the fan frame to flex or move will result in excess vibrations, which may cause possible premature motor, propeller, or shutter failure. - Install any auxiliary components such as thermostats, switches, or speed controls.
- Connect power to the motor using an approved wiring method. Refer to the following wiring diagram.
Fan frame and motor must be securely and adequately grounded to a suitable electrical ground, such as a ground water pipe or ground wiring system.
Wiring Diagram

Figure 1: Wiring in Junction Box – for ILG8SF10V-ST, ILG8SF12V-ST

Figure 2: Wiring Diagram – for ILG8SF16V, ILG8SF18V, ILG8SF20V-1
Installation Diagram for ILG8SF10V-ST, ILG8SF12V-ST

Installation Diagram for ILG8SF16V, ILG8SF18V, ILG8SF20V-1

- Remove the 2 screws from the Junction Box. Open the Junction Box Cover.
- Unscrew the Thread-Lock Sealing Nut.
- Thread the supplied power cord through the Thread-Lock Sealing Nut and Cable Gland body in turn.
- Follow the wiring diagram (Figure B) for proper connections.

- Tighten the Thread-Lock Sealing Nut.
- Thread-Lock Sealing Nut tightening requirements: No movement of the power cordunder a maximum tension of 36 LBS.
- Install the junction box cover.
- Insert the plug into the Fan Control (ILG8SFST).

GENERAL SPECIFICATIONS
| Power source | 115V, 60Hz |
| Mounting Position | Vertical |
| Frame Material | Galvanized Steel |
| Shutter Blade Material | Aluminum Alloy |
| Propeller Material | Aluminum Alloy and Galvanized Steel |
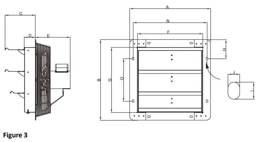
Dimensions (Inches)
|
MODEL | Prop. Dia. |
A |
B |
C |
D |
E |
N |
G |
F |
O |
H |
J |
I | Suggested wall opening (Sq) |
| ILG8SF10V-ST | 10″ | 13″ | 13″ | 5 3/4″ | 2″ | 5 5/8″ | 11 21/32″ | 10″ | 10″ | 6″ | 3 17/32″ | 9/32″ | 1/2″ | 10 1/2″ |
| ILG8SF12V-ST | 12″ | 15″ | 15″ | 5 3/4″ | 2″ | 5 5/8″ | 13 5/8″ | 12 1/8″ | 12 1/8″ | 8″ | 3 1/2″ | 9/32″ | 1/2″ | 13″ |
| ILG8SF16V | 16″ | 18 29/32″ | 18 29/32″ | 5 3/4″ | 2″ | 7 7/8″ | 17 3/4″ | 16″ | 16″ | 11 29/32″ | 3 17/32″ | 9/32″ | 1/2″ | 17″ |
| ILG8SF18V | 18″ | 21″ | 21″ | 5 3/4″ | 2″ | 8 3/4″ | 19 11/16″ | 18″ | 18″ | 14″ | 3 17/32″ | 9/32″ | 1/2″ | 19″ |
| ILG8SF20V-1 | 20″ | 23″ | 23″ | 5 3/4″ | 2″ | 10″ | 21 25/32″ | 20″ | 20″ | 16″ | 3 17/32″ | 9/32″ | 1/2″ | 21″ |
Performance
|
MODEL |
Prop. Dia. |
Nom. HP |
Amps |
Nom. RPM |
Bearing Type | Sones @ 0.0″ SP @ 5′ | CFM Air Delivery @ Static Pressure Shown | ||
| 0.00″ | 0.125″ | 0.25″ | |||||||
| ILG8SF10V-ST | 10″ | 1/20 | 0.60 | 1650 | Sleeve | 6.19 | 820 | 480 | 350 |
| ILG8SF12V-ST | 12″ | 1/20 | 0.60 | 1650 | Sleeve | 5.9 | 960 | 490 | 360 |
| ILG8SF16V | 16″ | 1/20 | 0.85 | 1550 | Ball | 6.39 | 1200 | 416 | 180 |
| ILG8SF18V | 18″ | 1/15 | 0.85 | 1075 | Ball | 7.4 | 1736 | 1108 | N/A |
| ILG8SF20V-1 | 20″ | 1/5 | 2.2 | 980 | Ball | 6.5 | 3000 | 1900 | 350 |
OPERATING INSTRUCTIONS
- Keep the area free of objects that could impede air flow on both the intake and exhaust side of fan.
- For proper exhaust operation, a window, door, or louver should be opened for fresh air intake on the opposite side of the area to be ventilated.
- Turn the fan ON; the shutter will open automatically. When the unit is turned OFF, the shutter will close.
- Speed controllable units are designed to operate at a minimum of fifty percent line voltage.
FAN CONTROL (ILG8SFST)
Control Descriptions
- A. Set Temp Knob
- B. Fan Speed Knob
- C. Power Switch
- D. Power LED Display
Operation Instruction
Power control:
- Power Switch
- To start the controller, switch the power button to I position.
- To turn off the controller, switch the power button to position.
- Operating mode
- Fan speed control:
- Adjust the fan speed according to the FAN SPEED knob
, from large to small. - Upon start up, fan will run at full speed for 4 seconds as start up sequence, and the nrun at the set speed.
- Adjust the fan speed according to the FAN SPEED knob
- Temperature control:
- Adjust the setting temperature range from 32 degrees F to 130 degrees Fusing SET TEMP knob
. - When the room temperature drops to ≤ the set temperature -2~3 degree F, the fan stops running. When the room temperature rises to ≥ the set temperature+ 2~3 degree F, the fan will turn on.
- Turn the SET TEMP knob to the red line area “BYPASS THERMOSTAT”, to by pass temperature control; fan will run continuously regardless of temperature.
- Adjust the setting temperature range from 32 degrees F to 130 degrees Fusing SET TEMP knob
- Fan speed control:
MAINTENANCE
- Disconnect power source before servicing.
- Periodically clean off accumulated dirt from the propeller, guard, motor, and shutter.
- Do not depend on any switch as the sole means of disconnecting power when installing or servicing. If power disconnect is not visible, utilize OSHA Lock out/Tag out procedure.
- Failure to do so may result in fatal electrical shock.
- Employ proper lock-out/tag-out procedures when performing maintenance.
TROUBLESHOOTING
| Symptom | Possible Cause(s) | Solution |
|
Excessive noise | Dry motor bearings | Re-lubricate motor bearings as per instructions or replace motor. |
| Loose propeller | Tighten set screws on propeller hub. | |
| Bent or damaged propeller | Replace propeller | |
| Loose guard assembly or motor fasteners. | Tighten as required to 15- 20 lbs. per inch. | |
| Fan inoperative | Blown fuse or open circuit breaker | Replace fuse or reset circuit breaker |
| Defective motor | Replace motor | |
| Switch in OFF position | Turn switch ON | |
|
Insufficient air flow | Blocked intake or exhaust opening | Clear intake and exhaust openings of any obstructions. Clean motor, guard, propeller, and shutter assembly. Increase the opening of the fresh air intake. |
| Low voltage | Check electrical wiring. | |
| Speed control set too low | Increase speed with controller |
Warranty Information
Register your product at our website Or visit iLivingUSA.com/register-product

Feedback
- Love it? Help us make the product more for you.
- Let us know with a customer review.

Please visit: https://www.amazon.com/review/review-your-purchases#
At iLiving USA, we are committed to bringing top quality products to our customers.
ABOUT COMPANY
- iLIVING USA
- 860 Mahler Road, Burlingame, CA 94010
- Tel: 1-800-317-1688
- Email: [email protected]



, from large to small.
.
















