CRYSTORAMA WIN-619-GA-CL-MWP Winham Eight Light Chandelier

Product Information
- Model: #WIN-619-GA-CL-MWP
- Brand: Crystorama
- Part Number: MODEL #WIN-619-GA-CL-MWP
- Minimum Hanging Height: 6 Stem
- Recommended Bulb Type: Candelabra Base Bulb
- Recommended Bulb Wattage: 40 Watts
- Maximum Bulb Wattage: 60 Watts
Product Usage Instructions
- Place the mounting plate over the outlet box and mark two points on the ceiling with the same distance as between the two holes on the mounting plate.
- Drill holes at the marked points and insert the anchors into the holes. Attach the mounting plate onto the wall using anchor screws.
- Create two stem assemblies (12 + 12 + 12 + 6), ensuring that the 6 stem is installed and located at the top.
- Feed the fixture wiring through one of the stem assemblies before connecting.
- Take the two stem assemblies and attach the lower-most rod to the fixture frame.
- Attach the other side of the stem assemblies (one with the 6 rod) to the swivels.
- Place the canopy over the two swivels on the stems, making sure that the slot on the two swivels is facing the same direction. Secure the canopy using a round plate, washer, and hex nut.
- Dress the fixture with crystal as illustrated in the manual.
Note: For extended use, it is recommended to use LED bulbs. All electrical components must be installed by a licensed electrician in accordance with the National Electric Code and the appropriate local electrical codes.
DETAILED ILLUSTRATION

SUGGESTED CRYSTAL PLACEMENT TOP VIEW PLEASE REFERENCE CRYSTAL KEY
The minimum hanging height:

You will need 8 -Candelabra Base Bulb 40 Watts Recommended 60 Watts Max. USE LED BULBS FOR EXTENDED USE
How to install
- Place the mounting plate over the outlet box and mark two points on the ceiling with same distance as between the two holes on the mounting plate.
- Drill the holes at the marked points then insert the anchors into the holes. Attach the mounting plate onto the wall using anchor screws.
- Create two stem assemblies (12” + 12” + 12” + 6”), making sure the 6” stem is installed and located at the top.
- Feed fixture wiring through one of the stem assemblies, prior to connecting.
- Take the two stem assemblies and attach the lower-most rod to the fixture frame.
- Attach the other side of the stem assemblies (one with the 6″ rod) to the swivels.
- Place the canopy over the two swivels on the stems(make sure the slot on the two swivels are facing the same direction). Secure the canopy by round plate, washer and hex nut.
- Dress the fixture with crystal as illustrated.
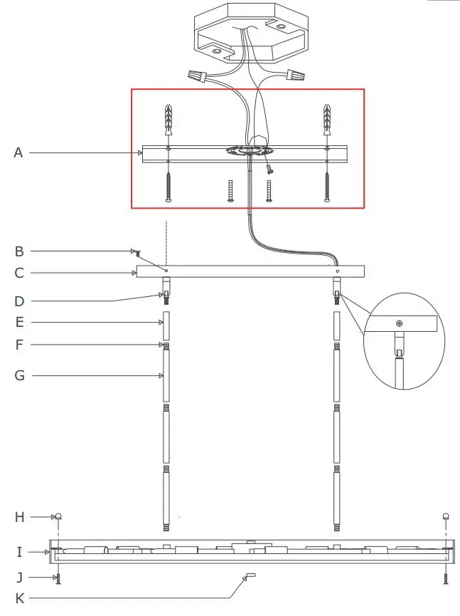
Product Parts

WARNING: This product can expose you to Lead, which is known to the State of California to cause cancer and/or birth defects or reproductive harm. For more information go to www.P65Warnings.ca.gov.
Part Number
- A. (1) – Mounting Hardware
- B. (4) – Flat Screw1
- C. (1) – Canopy(L19.5″,W4″,H1″) #XRE619GACAN19.5IN
- D. (2) – Swivel
- E. (2) – Hanging Stem(6″,12.7mm) #XRE619GAROD6IN
- F. (10) – Threaded Pipe
- G. (6) – Hanging Stem(12″,12.7mm) #XRE619GAROD12IN
- H. (4) – Ball Nut #XRE612GABANUT
- I. (1) – Metal Frame
- J. (4) – Flat Screw2
- K. (1) – Finial #XRE615GAFIN















