CAME FROG-A Swing-gate operator Installation Guide



GENERAL PRECAUTIONS FOR INSTALLERS
Important safety instructions.
Follow all of these instructions. Improper installation can cause serious bodily harm.
Before continuing, also read the general precautions for users.
Use this product only for its specifically intended use. Any other use is hazardous. The manufacturer can not be held liable for any damage caused by improper, unreasonable, and erroneous use. This manual’s product is defined by the Machinery Directive 2006/42/CE as partly-completed machinery.
Partly-completed machinery is an assembly that almost constitutes a machine, but which, alone, cannot ensure a clearly defined application. Partly-completed machinery is only destined to be incorporated or assembled to other machinery or other partly-completed machinery or apparatuses to build machinery that is regulated by the Machinery Directive 2006/42/EC. The final installation must comply with the Machinery Directive 2006/42/EC and the current European reference standards. The manufacturer declines any liability for using non-original products; which would result in warranty loss. All operations indicated in this manual must be carried out exclusively by skilled and qualified personnel and in full compliance with current regulations. Laying of cables, installation and testing must follow state-of-the-art procedures as dictated by applicable standards and laws.
Make sure the mains power supply is disconnected during all installation procedures. Check that the temperature ranges given and those of the location match. If necessary, add suitable reinforcements to the anchoring points. If necessary, add suitable reinforcements to the anchoring points.
Make sure that the operator, in the installation place, does not get wet by direct jets of water (sprinklers, water cleaners, etc.). Make sure you have set up a suitable dual pole cut off device along the power supply that is compliant with the installation rules. It should completely cut off the power supply according to category III surcharge conditions. Demarcate properly the entire site to prevent unauthorized personnel to enter; especially children and minors. In case of manual handling, have one person for every 20 kg that need hoisting; for non manual handling use proper hoisting equipment in safe conditions. Use suitable protections to prevent any mechanical hazards due to persons loitering within the operating range of the operator.
The electric cables must pass through special pipes, ducts and cable glands in order to guarantee adequate protection against mechanical damage. The electrical cables must not touch any parts that may overheat during use (such as the motor and the transformer). Before the installation, check that the guided part is in good mechanical condition, and that it opens and closes correctly. The product cannot automate any guided part that includes a pedestrian gate, unless the latter can be enabled only when the pedestrian gate is secured. Make sure that people cannot be entrapped between the guided and fixed parts, when the guided part is set in motion.
All fixed controls must be clearly visible after installation, in position that the guided part is directly visible, but far away from moving parts. In the case of a maintained action command, this must be installed at a minimum height of 1.5 m from the ground and must not be accessible to the public. If not already present, apply a permanent tag, that describes how to use the manual release mechanism, close to the mechanism.
Make sure that the operator has been properly adjusted and that the safety and protection devices, and the manual release, are working properly. Before turning over to the final user, check that the system complies with the harmonized standards and the essential requisites of Machinery Directive 2006/42/CE. Any residual risks must be indicated clearly with proper signage affixed in visible areas. All of which must be explained to end users.
Fit, in plain sight, the machine’s ID plate when the installation is complete.
If the power-supply cable is damaged, it must be immediately replaced by the manufacturer or by an authorized technical assistance centre, or in any case, by qualified staff, to prevent any risk. Keep this manual inside the technical folder along with the manuals of all the other devices used for your automation system.
Remember to hand over to the end users all the operating manuals of the products that make up the final machinery.
Main points of danger for people

PRODUCT DATA AND INFORMATION
Legend

Description
Irreversible ground-concealed gearmotor for swing gates up to 3.5 m in length per leaf, with adjustable leaf-closing. Irreversible ground-concealed gearmotor for swing gates up to 1.3 m in length per leaf, with adjustable leaf-closing (Fast Version). Irreversible ground-concealed gearmotor for swing gates up to 3.5 m in length per leaf, with adjustable leaf-closing.
Intended use
Ideal below-ground solution for applying to residential and apartment-block gates
Any installation and/or use other than that specified in this manual is forbidden.
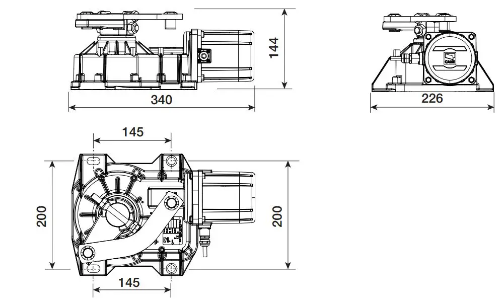
Description of parts
- Gearmotor
- Movement transmission lever
- Gearmotor arm
- Screw for adjusting the closing limit-switch point
- Screw for adjusting the opening limit-switch point
- Lever for hooking the release unit
- Brace for fastening to gate
- Foundation box
- Cover
- Fastening hardware

Dimensions

Limits to use
It is always advisable to install an electric lock, to ensure reliable closure of the gate. The installation of an electric lock is mandatory in the case of irreversible gearmotors and with gate leaves longer than 2.5 m.

Technical data

Cable types and minimum thicknesses

*no. = see product mounting instructions – Warning: the cable section is merely indicative as it depends on the motor power and cable length.
When operating at 230 V and outdoors, use H05RN-F-type cables that are 60245 IEC 57 (IEC) compliant; whereas indoors, use H05VV-F-type cables that are 60227 IEC 53 (IEC) compliant. For power supplies up to 48 V, you can use FROR 20-22 II-type cables that comply with EN 50267-2-1 (CEI).
If cable lengths differ from those specified in the table, establish the cable sections depending on the actual power draw of the connected devices and according to the provisions of regulation CEI EN 60204-1.
For multiple, sequential loads along the same line, the dimensions on the table need to be recalculated according to the actual power draw and distances. For connecting products that are not contemplated in this manual, see the literature accompanying said products
INSTALLATION
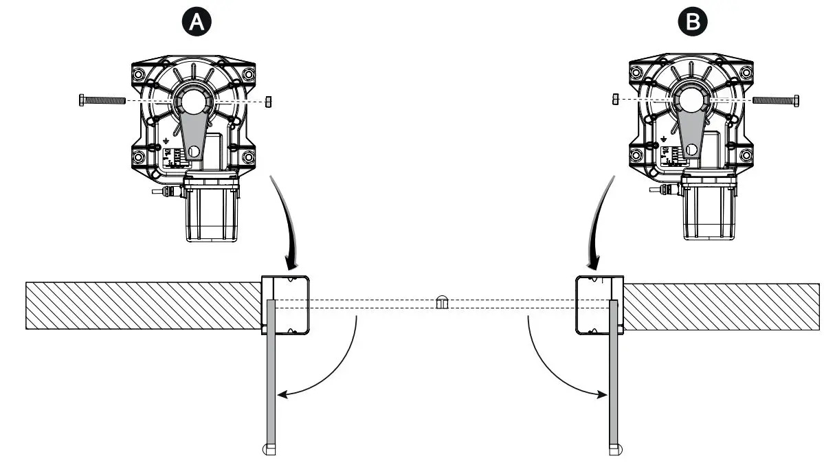
The following illustrations are just examples, as the space available for fitting the operator and accessories varies depending on the area where it is installed.
The drawings refer to the right-side gearmotor.
Preliminary operations
The preliminary operations for installation concern the foundation box installation and the release devices fastening. Refer to the installation manuals for these products.
Setting up the gearmotor
Insert the closing limit-switch point adjustment screw into the gearmotor arm.
(A) Gearmotor installed on the left
(B) Gearmotor installed on the right

Fastening the gearmotor
Manually open the leaf. Position the gearmotor over the threaded pins of the casing and fasten it.

Lubricate the transmission lever. Fit the transmission lever as shown in the drawings.

Establishing the travel end points with mechanical limit-switches
Manually open the leaf to the desired point.
The leaf maximum opening is 110°.
Unscrew the opening limit-switch point adjustment screw until it touches the foundation box. Tighten the nut to lock the screw into position.

Manually close the gate leaf.
Loosen the adjusting screw of the closing limit-switch point until it touches the transmission lever. Tighten the nut to lock the screw into position.

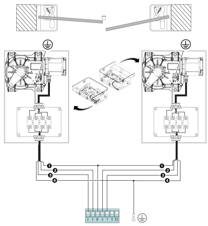
ELECTRICAL CONNECTIONS
Before working on the control panel, cut off the mains power supply and remove the batteries, if any.
Provide IP67 junction boxes with terminal blocks for connections.
Gear motor with Encoder
- Blue cable
- Brown cable
- Black cable
- Yellow-green cable
- Green cable
- White cable
- Earthing braid
(A) Power supply cable
(B) Encoder cable

Check the correct direction of rotation of the gearmotor and, if necessary, invert the connection of the brown and black cables.
Gearmotor without Encoder
- Blue cable
- Brown cable
- Black cable
- Yellow-green cable

Check the correct direction of rotation of the gearmotor and, if necessary, invert the connection of the brown and black cables.
FINAL OPERATIONS

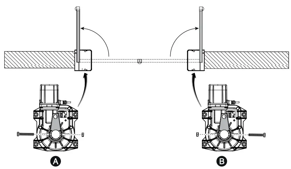
OUTWARDS OPENING
The only operation that is different from the standard installation is described below.
Setting up the gearmotor
Insert the closing limit-switch point adjustment screw into the gearmotor arm.
(A) Gearmotor installed on the left
(B) Gearmotor installed on the right


DISMANTLING AND DISPOSAL
CAME S.p.A. employs an Environmental Management System at its premises. This system is certified and compliant with the UNI EN ISO 14001 regulation standard to ensure that the environment is respected and safeguarded. Please continue safeguarding the environment. At CAME we consider it one of the fundamentals of our operating and market strategies. Simply follow these brief disposal guidelines:
DISPOSING OF THE PACKAGING The packaging materials (cardboard, plastic, and so on) should be disposed of as solid household waste, and simply separated from other waste for recycling. Always make sure you comply with local laws before dismantling and disposing of the product. DISPOSE OF RESPONSIBLY!
DISPOSING OF THE PRODUCT Our products are made of various materials. Most of these (aluminium, plastic, iron, electrical cables) are classified as solid household waste. They can be recycled by separating them before dumping at authorized city plants. Whereas other components (control boards, batteries, transmitters, and so on) may contain hazardous pollutants. These must therefore be disposed of by authorized, certified professional services. Before disposing, it is always advisable to check with the specific laws that apply in your area. DISPOSE OF RESPONSIBLY!

CAME S.p.A.
Via Martiri della Liberate, 15
31030 Dosson di Casier
Treviso – Italy
Tel. (+39) 0422 4940
Fax (+39) 0422 4941















