move as you like
MAC / STING![]()

Electro-mechanical operator for swing gates
Operating instructions and warnings
WARNINGS SUMMARY
WARNING! IMPORTANT SAFETY INSTRUCTIONS. CAREFULLY READ AND FOLLOW ALL WARNINGS AND INSTRUC- TIONS THAT ACCOMPANY THE PRODUCT SINCE INCORRECT INSTALLATION COULD CAUSE HARM TO PEOPLE, ANIMALS OR THINGS. WARNINGS AND INSTRUCTIONS PROVIDE IMPORTANT INFORMATION REGARDING SAFETY, INSTALLATION, USE AND MAINTENANCE. KEEP THE INSTRUCTIONS TOGETHER THE TECHNICAL DOCUMENTATION AND FOR FUTURE REFERENCE.
WARNING: The device may be used by children of less than 8 years of age, people with reduced physical, mental or sensory impairment, or generally anyone without experience or, in any case, the required experience provided the device is used under surveillance or that users have received proper training on safe use of the device and are aware of the dangers related to its use.
WARNING: Do not allow children to play with the device, the fi xed commands or the radio controls of the system.
WARNING: Product use in abnormal conditions not foreseen by the manufacturer may generate hazardous situations; meet the conditions indicated in these instructions.
WARNING: DEA System reminds all users that the selection, positioning and installation of all materials and devices which make up the complete automation system, must comply with the European Directives 2006/42/CE (Machinery Directive), 2014/30/UE (electromagnetic compatibility), 2014/35/UE (low voltage electrical equipment). In order to ensure a suitable level of safety, besides complying with local regulations, it is advisable to comply also with the above mentioned Directives in all extra European countries.
WARNING: Under no circumstances use the device in an explosive atmosphere or in areas that may be corrosive or could damage product parts. Check that the temperatures
at the installation site are suitable and comply with the temperatures declared on the product label.
WARNING: When working with the “dead man” switch, make sure that there are no people in the area where the automatism is being used.
WARNING: Check that there is a switch or an omni polar magneto-thermal circuit breaker that enables complete disconnection in case of over voltage category III conditions installed upstream from the power system.
WARNING: To ensure an appropriate level of electrical safety always keep the 230V power supply cables apart (minimum 4mm in the open or 1 mm through insulation) from low voltage cables (motors power supply, controls, electric locks, aerial and auxiliary circuits power supply), and fasten the latter with appropriate clamps near the terminal boards.
WARNING: If the power cable is damaged, it must be replaced by the manufacturer or its technical assistance service or, in any case, by a person with similar qualifi cations to prevent any risk.
WARNING: All installation, maintenance, cleaning or repair operations on any part of the system must be performed exclusively by qualifi ed personnel with the power supply disconnected working in strict compliance with the electrical standards and regulations in force in the nation of installation. Cleaning and maintenance destined to be performed by the user must not be performed by unsupervised children.
WARNING: Using spare parts not indicated by DEA System and/or incorrect re-assem-bly can create risk to people, animals and property and also damage the product. For this reason, always use only the parts indicated by DEA System and scrupulously follow all assembly instructions.
WARNING: Changing the closing intensity could lead to dangerous situations. Therefore, qualifi ed personnel should only perform increases to the closing force. After adjustment, compliance with regulatory limits values should be detected with a force impact-measuring instrument. The sensitivity of the obstacle detection may be adjusted gradually to the door (see programming instructions). The anti-crushing device operation must be checked after each manual adjustment. Manual modifi cation of the force can only be done by qualifi ed personnel by performing the measurement test according to 12445. Modifi cations to the force adjustment must be documented in the machine
manual.
WARNING: The compliance of the internal sensing obstacles device to requirements of 12453 is guaranteed only if used in conjunction with motors fi tted with encoders.
WARNING: Any external security devices used for compliance with the limits of impact forces must be conform to standard 12978.
WARNING: In compliance with EU Directive 2012/19/EU on waste electrical and electronic equipment (WEEE), this electrical product should not be treated as municipal mixed waste. Please dispose of the product and bring it to the collection for an appropriate local municipal recycling.
EVERYTHING THAT IS NOT EXPRESSLY PROVIDED FOR IN THE INSTALLATION MANUAL IS NOT ALLOWED. CORRECT OP- ERATOR OPERATION IS ONLY ENSUED WHEN THE REPORTED DATA IS RESPECTED. THE COMPANY DOES NOT RESPOND FOR DAMAGE CAUSED BY FAILURE TO COMPLY WITH THE INSTRUCTIONS CONTAINED IN THIS MANUAL. WITHOUT AF-FECTING THE ESSENTIAL FEATURES OF THE PRODUCT, THE COMPANY RESERVES THE RIGHT TO MAKE ANY CHANGES DEEMED APPROPRIATE AND AT ANY TIME IN ORDER TO TECHNICALLY, STRUCTURALLY AND COMMERCIALLY IMPROVE THE PRODUCT WITHOUT BEING REQUIRED TO UPDATE THIS DOCUMENT.
PRODUCT DESCRIPTION
Models and contents of the package
MAC/STING identifi es a family of operators with different characteristics as regards the supply voltage, the reversibility and the presence of the encoder.
MAC/STING is designed for installation in residential swing gates, is composed primarily of a mechanical gear motor that drives the lead screw fastened to the front attachment by means of the adjustment screw.
MAC/STING is completed by a set of accessories listed in the “PRODUCT ACCESSORIES” table (page 71).
Inspect the “Contents of the Package” (Pic. 1) and compare it with your product for useful consultation during assembly.
Transport
MAC/STING is always delivered packed in boxes that provide adequate protection to the product, however, pay attention to all information that may be provided on the same box for storage and handling.
TECHNICAL DATA
| MAC STING | MAC STING | MAC/R | MAC/24 MAC24/ STING/24 | STING/24/ BOOST | STING/24/R | MAC/24/E | ||||||
| Motor power supply voltage (V) | 230 – 240 V – (50/60 Hz) | 24 V
| ||||||||||
| Absorbed power (W) | 300 | 60 | 85 | 60 | 50 | |||||||
| Max Thrust (N) | 1650 | 1200 | 1000 | 500 | ||||||||
| Duty cycle (cycles/hour) | 18 | 22 | 18 | 40 | 60 | 10 | ||||||
| Maximum n° of operations in 24 hour | 90 | 90 | 350 | 45 | ||||||||
| Built-in capacitor (NF) | 8 | 10 | / | |||||||||
| Operating temperature range (°C) | -20=50 °C | |||||||||||
| Motor thermal protection (° C) | 150 | / | ||||||||||
| Opening time 90° (s) | 16 | 9 | 11,6 | |||||||||
| Weight of product with package (kg) | 8,8 | |||||||||||
| Sound pressure emitted (dBA) | < 70 | |||||||||||
| Protection degree | IPX4 | |||||||||||
INSTALLATION AND ASSEMBLY
4.1 For a satisfactory installation of the product is important to:
- Verify that the gate complies with the legal requirements and then defi ne the complete project of the installation;
- Verify that the gate is well balanced and that it has no points of friction in opening and closing;
- Identify an area that allows a smooth and safe manual operation of the operator;
- Verify that the operator bulk (Pic. 2) is compatible with the area chosen for the fi tting (Pic. 3);
- Use the length/weight graphic and the provided installations dimensions evaluating whether you prefer a 90° or higher opening (Pic. 4).
4.2 Defi ned and satisfi ed these prerequisites, proceed to the assembly:
- Fix the rear junction to the pillar bu welding (Pic. 5);
- Fix the front junction to the gate by welding (Pic. 6);
- Keeping the motor in a horizontal position, mount it fi rst to the front bracket, then to the rear bracket (Pic. 7) ensuring that installation dimensions shown in Picture 4 are respected.
WARNING: In order to make the structure suffi ciently strong, reinforcement plates to be fi xed to attachments may be necessary.
WARNING: Grease pins before assembly.
4.3 How to unlock the operator
WARNING: Disconnect the power supply from the control panel before releasing the operator. In case you cannot turn the power off, you will necessarily have to re-lock the motor in the position in which it was unlocked.
STANDARD VERSION UNBLOCKING
- Turn the cap placed on the back of MAC in order to discover the underlying shaped hole.
- Insert the release key inside the shaped hole paying attention to the direction of insertion (Pic. 8.a).
- Rotate 90 degrees (counterclockwise to unlock, clockwise to lock) the release key (Pic. 8.b).
STING VERSION UNBLOCKING
Once the lock placed on the release handle (that is protected by a plastic cover) is opened (Fig. 8.c), this will be raised (Fig. 8.d); at this point, the STING is unblocked and the gate, in the absence of other impediments, is free to move. The reverse process, or the pushing to the end stop and relocking the lock, restores the STING to working conditions.
WARNING: Remember to protect the lock with the respective cover so that the operator is protected by water or powder (even when it remains unlocked for a long time).
WARNING: During this operation gate may perform uncontrolled movements: operate with extra care so to avoid any risk.
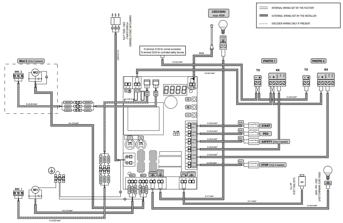
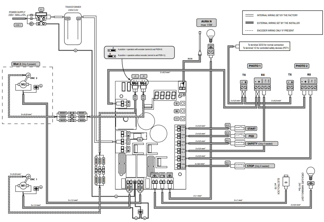
ELECTRICAL CONNECTIONS
Run the motor connections following the wiring diagrams.
WARNING: For adequate electrical safety, keep low safety voltage wires (controls, electro-locks, antenna, auxiliary power) clearly separate from 230V ~ power wires (minimum 4 mm in air or 1 mm via supplementary insulation) placing them in plastic raceways and securing them with adequate clamps near terminal boards.
WARNING: For connection to the mains, use a multipolar cable having a minimum section 3×1,5 mm² and complying with the current regulations. For connecting the motors, use a minimum cross section 1,5 mm² cable and complying with the current regulations. As an example, if the cable is out side (outdoor), must be at least equal to H05RN-F, whereas if it (in a raceway), must be at least equal to H05VV-F.
WARNING: Connect to the power supply 230-240 V ~ 50/60 Hz through a multi pole switch or a different device that can ensure multi pole disconnection from the power supply, with a contact opening of 3 mm.
WARNING: All wires must be striped and unsheathed in the immediate vicinity of terminals. Keep wires slightly longer to subsequently eliminate any excess.
WARNING: Maintain the ground conductor at a major length respect the active conductors so that, if the cable exit from its fi xing housing, the active conductors tighten up as fi rst.
WARNING: To connect the encoder to the control panel, use only a dedicated cable 3×0,75mm².
Program the control board to complete all adjustments. It is now possible to supply a complete installation in compliance with all standards required for gate automation. See the instructions provided with the control panel to be connected. Finally, verify that all adjustments operations have been correctly performed and that safety devices and unlocking device properly work.
Wiring diagram for 24V
Wiring diagram for 230V
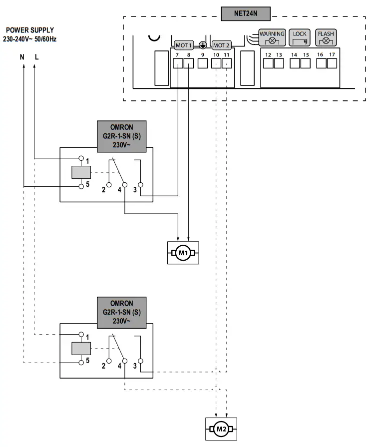
Wiring diagram for STING/24/R
The STING/24/R model is supplied with an OMRON G2R-1-SN type relay, which must be wired following the indications of the wiring diagram below in order to guarantee complete reversibility of the motor in the event of a power failure.
The installation of an easy-to-access bipolar switch is recommended to remove power from the motor in case of manual use of the gate.
To facilitate the connection of the relays, using for example a dedicated DIN bar, we suggest the use of a NET24N/PRO-BOX art. 678264 (not supplied) to be inserted in the STEELBOX metal box art. 679210 (not supplied).
START-UP
The start-up phase is very important to ensure maximum security and compliance to regulations, including all the requirements of 12445 standard which establishes the test methods for testing the automation for gates.
DEA System reminds that all installation, maintenance, cleaning or repair operations on any part of the system must be performed exclusively by qualifi ed personnel who must be responsible of all texts requie by the eventual risk;
6.1 Installation test
The testing operation is essential in order to verify the correct installation of the system. DEA System wants to summarize the proper testing of all the automation in 4 easy steps:
- Make sure that you comply strictly as described in paragraph 2 “WARNINGS SUMMARY”;
- Test the opening and closing making sure that the movement of the leaf match as expected. We suggest in this regard to perform various tests to assess the smoothness of the gate and defects in assembly or adjustment;
- Ensure that all safety devices connected work properly;
- Perform the measurement of impact forces in accordance with the standard 12445 to fi nd the setting that ensures compliance with the limits set by the standard 12453.
WARNING: Using spare parts not indicated by DEA System and/or incorrect re-assembly can create a risk to people, animals and property and also damage the product. For this reason, always use only the parts indicated by DEA System and scrupulously follow all assembly instructions.
6.2 Unlocking and Manual operation
In the event of malfunctions or simple power failure, release the motor (Pic. 8) and perform the operation manually.
The knowledge of the unlocking operation is very important, because in times of emergency the lack of timeliness in acting on such a device can be dangerous.
WARNING: The effi cancy and safety of manual operation of the automation is guaranteed by DEA System only if the installation has been installed correctly and with original accessories.
MAINTENANCE
Good preventive maintenance and regular inspection ensure long working life. In the table below you will fi nd a listo f inspections/ maintenance operations to be programmed and executed periodically.
Consult the TROUBLE-SHOOTING” table whenever anomalies are observed in order to fi nd the solution to the problem and contact DEA System directly whenever the solution required is not provided.
| INTERVENTION TYPE | PERIODICITY |
| cleaning of external surfaces | 6 months |
| checking of screw tightening | 6 months |
| checking of release mechanism operation | 6 months |
| greasing of articulated joint | 1 year |
| TROUBLE-SHOOTING | |
| Description | Possible solutions |
| When the opening command is given, the leaf fails to move and the operator’s electric motor fails to start. | The operator is not receiving correct power supply. Check all connections, fuses, and the power supply cable conditions and replace or repair if necessary. |
| When the opening command is given, the motor starts but the leaf fails to move. | Check that the unlocking system is closed (see Pic.8). |
| Make sure that the electronic device for electric power adjustment is in good condition. | |
| If the piston remains at the complete end of its stroke when the gate is closed, review the assembly procedure. | |
| The operator jerks during movement. | If the leaf does not move freely, release the ram and readjust the rotation points. |
| The power of the gear motor may be insufficient for the characteristics of the gate’s wing; check the choice of model whenever required. | |
| The operator’s front and rear attachments bend or are not fastened correctly. Repair or replace. | |
PRODUCT DISPOSAL
DISASSEMBLY
The automation unit must be dismantled by qualifi ed personnel, in accordance with the current accident prevention and safety regulations, and with reference to the installation instructions, but in the reverse order. Before initiating the disassembly operations, disconnect the electrical power and make sure it cannot be reconnected.
DISPOSAL
The automation unit must be disposed of in accordance with the current local and national waste disposal regulations. The product (or its individual parts) must not be disposed of together with other household waste materials.
WARNING: In line with EU Directive 2012/19/EG for waste electrical and electronic equipment (WEEE), this electrical product must not be disposed of as unsorted municipal waste. Please dispose of this product by returning it to your local municipal collection point for recycling.
move as you like
DEA SYSTEM S.p.A.
Via Della Tecnica, 6 – 36013 PIOVENE ROCCHETTE (VI) – ITALY
tel: +39 0445 550789 – fax: +39 0445 550265
Internet: https://www.deasystem.com – E-mail: [email protected]














