User Manual

SJE CP3R Variable Frequency Drive
CP3R Quick Start Manual for Constant Pressure Applications.
This CP3R Drive has been factory pre-programmed for your specific pressure control application.
All relevant parameters have been configured to match the provided pump data and system pressure requirements. Should you need to make minor adjustments, please consult the parameter table enclosed in this document. Consult the factory for assistance.


Display and Keypad


Example: Changing the Set Pressure

- Turn SETTING DIAL to read another parameter
- Press SET to show the setting again.
- Press SET twice to show the next parameter.
- Press MODE twice to return the monitor to frequency monitor.
OFF/AUTO Operation
OFF position
The pump will not run
AUTO position
The pump will not run if the pressure is above the set pressure. The pump will run if the pressure drops below the Set Pressure less the Start Pressure. Example if set the set pressure is 40PSI (P.133=40 PSI), and the Start Pressure is 5PSI (P.577=1005). The pump will start when the pressure drops below 35PSI (see example below)

High Pressure Shutdown
A normally closed pressure switch is highly recommended to be wired to the “High Pressure Shutdown” terminals in the CP3R panel. The pressure switch should be sized so that the normally closed contacts will open when the system pressure exceeds approximately 10-15 psi above the system setpoint pressure. The high pressure shutdown is intended to shut the CP3R panel down in the event of a transducer malfunction. Upon a drop in pressure, the CP3R panel will return to normal operation. A pressure relief valve is also highly recommended.
Parameter List

Maximum frequency: (P.1)
The pump will not be allowed run above this frequency. It must be set at 60Hz for most applications.
Minimum frequency: (P.2)
The pump will not be allowed run below this frequency. It must be set at 30Hz for submersible well pumps.
Acceleration/Deceleration time: (P.7, P.8)
P.7 Acceleration rate in seconds
P.8 Deceleration rate in seconds
Applicable to the Acceleration/Deceleration rate from 0Hz to 60Hz. Typically for submersible motors/pumps, the Accel/
Decel time should be set to 2 seconds.
Electronic thermal O/L relay: (P.9)
The electronic overload will trip the VFD and protect the motor from damage in the event an overload condition. Set this value to match the motor nameplate Full Load Amps. For submersible well pumps, set to the motor Max. Amps (Service Factor Amps).
Motor Voltage: (P.83)
P.83 Voltage rating of pump motor.
PID: (P.133, P.129, P130)
P.133 is the Pressure Set Point (target pressure to be maintained at pump discharge). It cannot exceed the range of the pressure transducer (typically 0-100PSI).
P.129 is the Proportional Band. For advanced users only.
This parameter is used for adjusting the frequency output control reaction to pressure changes. Decrease for larger (faster) corrections. Default is 100%. Decrease if large pressure overshoots on start up occurs.
P.130 is the Integral Time. For advanced users only.
This parameter is used for adjusting the frequency output control reaction to pressure changes. Decrease for larger (faster) corrections. Default is 1 sec. Decrease for faster response, increase if quick unstable oscillations occur.
Sleep Mode: (P.575, P.576, P577)
P.575 is the Sleep Timer. This timer starts when the VFD output frequency drops below the Sleep Frequency (P.575). The pump will go to sleep (pump stopped) when this timer is done (typically 10Sec).
P.576 is the Sleep Frequency. The Sleep Timer (P.575) starts the VFD output frequency drops below this frequency (typically 35Hz).
P.577 is the Start Pressure (Differential). The pump will start if the pressure drops below the Set Pressure less the Start Pressure. Example: If set the Set Pressure is 40PSI (P.133=40 PSI), and the Start Pressure is 5PSI (P.577=1005, the pump will start when the pressure drops below 35PSI (see example on page 3.) Typically set to 1005 (5PSI).
Notes:
If the system cycles on and off too frequently try the following: increase the Sleep Timer (P.575), or lower the Sleep Frequency (P.576) or increase the Start Pressure (P.577). A combination of change in all three parameters may be necessary. If the pump does not go to sleep when there is no water demand (no flow), the Sleep Frequency (P.576) must be increased.

Faults, Alarms and Warning Codes



IMPORTANT:
Faults can be reset by pressing the STOP/RESET button on the VFD. The selector switch must be in the “OFF” position to reset fault. Please contact your distributor if you are not able to reset a fault.
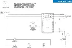
Terminal Connections

NOTES:


Technical support: +1-800-746-6287
[email protected]
www.sjerhombus.com
Technical Support Hours: Monday-Friday, 7 A.M. to 6 P.M. Central Time
PN 1030953F 10/20 © 2013 SJE, Inc. All Rights Reserved. SJE RHOMBUS is a trademark of SJE, Inc.
Read More About This Manual & Download PDF:
SJE CP3R Variable Frequency Drive User Manual – Optimized PDF
SJE CP3R Variable Frequency Drive User Manual – Original PDF
Questions about your Manual? Post in the comments!



















