diyAudio M2 Output Stage Analysed Board

M2 Output Stage Analysed
- XEN Audio
- September 2022
Earlier, we published some distortion figures when comparing different MOSFET pairing [1]. For that, we used the M2 Output Stage (OPS) as our platform. It is a nice and simple output stage with auto biasing. And it is supposed to operate well in Class AB. So can’t we put it to better use ?
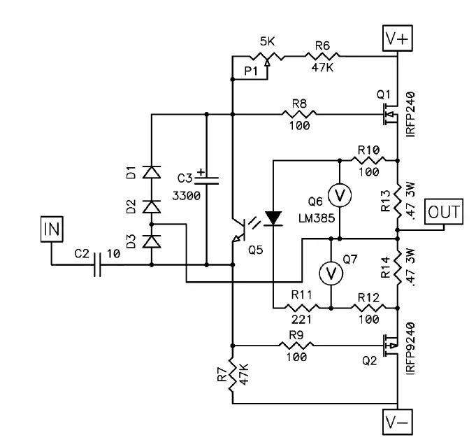
In the official M2 schematics, there are some components, namely D1,2,3 and Q6,7 that will enable it to operate in Class AB, according to Nelson. There were a few hints dropped by him in [2.3].
To understand the master’s brilliance better, I did the following analysis, aided by LTSpice simulations. A few boundary conditions to make life easier :
- Rail voltages +/-25V
- DC bias 1.3A
- Vgs MOSFETs 5.1V for both
- Signal source impedance 100R
- Benchmark load case +/-20V, 10Hz into 4R (We normally need more power for bass.)
Note: in simulations, the circuit behaves much better in Class B with the 4N26 coupler. This is what applies to all the results below, and will be explained later.
- With a DC bias of 1.3A, the maximum Class A output current is ~2.6A. In order to deliver enough current for 20V into 4R, the maximum current must be 5A. At 5A current (Class B, one side completely off), the voltage across R13 or R14 will be 2.35V. In real life, the current will be less as the gain will drop to 0.9 at 4R load with Zout ~0.45R.
- Without the LM385’s, the optocoupler LED will see an increase current due to the increased voltage across R13-R14. This will cause the photo-transistor to conduct more, thus pulling down the MOSFET bias. The LM385 locks the voltage across the LED at 1.2V simply by taking current away from the optocoupler LED, thereby preventing the pull down by Class B output current.
- The MOSFETs have a Yfs of ~2.3S. To increase current from 1.3A to 5A, it needs a Vgs of ~6.7V.
- Add to this the voltage drop across the source resistor; that gives 9.1V. The normal DC voltage across C3 is 11.4V. So in theory at least, this is sufficient.
- Even after a few hundred cycles, simulations show that C3 does not lose voltage. And no current flows through any of the 1N4148 diodes. Some input current is required though to drive against R6//R7, but not unexpected.
- So let’s be greedy and reduce load impedance further. This still seems to work down to 1.5R load, when maximum current becomes 10A (and output drops to 15V). The Vg of the Q2 still does not exceed the output voltage peak. So D3 does not conduct. Same applies to Q1 and D1. One can also clearly see how the LM385 is conducting, keeping the current in the LED in check

Fig. 1 20V in 10Hz into 4R
Fig. 2 LM385 Clamp
If we push this even further, with an input of 24V into 1.5R, the output starts to clip at 17V. And the gate voltage of Q4 actually rises above the output during the positive half-cycle. D3 conducts (in a short pulse) some 2.6mA peak, and the same peak can be seen through C2. One can argue that D1~D3 is not a necessity, since it seldom sees 1.5R load at max. voltage. However, current in the LM385s exceeds the rated 20mA for loads below 3R. So one might wish to consider increasing R10,12 to 150R and reduce R11 to 120R, just to be safe. Note that this short pulse in the input current is not part of the signal. This will likely cost distortion at the source end.
Fig. 3 24V in 10Hz 1.5R
- What if we, just for fun, reduce C3 to 10μF ? It still works, only that THD increases slightly from 0.75% to 1% (for 20V input 10Hz into 4R).
- We have mentioned above that the optocoupler has been changed to one with a lower CTR (4N26 instead of 4N35). What if we now put back in the 4N35, as specified ? You can see how it looks like in Fig. 4. Here, the input is only 20V into 1.5R, compared with 24V in Fig.3. So for Class B operation at least, a high CTR is not an advantage.

Fig. 4 Optocoupler with Higher CTR
- But what is the disadvantage of a low CTR ? Let’s assume a CTR of 0.5 (e.g. 4N26) instead of 1 (e.g. 4N35). At DC, 2x the LED current is required to generate the same current at the photo-transistor for proper biasing. That means the voltage drop across R10,11,12 increases from 162mV to 325mV.
- That in turn means that the voltage across R13-R14 increases from 1.26V to 1.43V. Or, the DC bias goes up from 1.34A to 1.52A — too much dissipation per FET with 25V rails.
- Note also that there is quite a bit of difference in forward voltage between different optocouplers.
- Having looked at the likes of CNY17, SFH608, MOC20x, etc., the 4Nxx series seems to have the lowest Vf. One might still have to increase R13, R14 to say 0R56 in real life circuits to keep bias below 1.3A.
- Oh, one more important point. R13, R14 are specified at 3W in the original Pass schematics. This means max Class B sinusoidal current is +/-3.5A, or +/-14V into 4R.
- Going to MPC74 (5W) will get you up to 4.6A, or 18.5V into 4R. To go even higher on voltage and/or lower in load impedance, you need to replace them with Caddock MP915s or the like.
To sum up, we made the following changes
- Q5 4N26
- R10,12 150R
- R11 120R
- R13,14 MPC74 5W 0R56
- C3 100μF

Schematics of the Original M2 Output Stage
MOSFET Choice
- In our earlier MOSFET pairing comparison [1]. The best result by far is from a pair of curve-tracer matched 2SK3497 / 2SJ618, both in H2 & H3. They also have the highest transconductance and best pentode characteristics. Normally they are quite tricky to use in Class A, as they have a very large positive tempco and can easily run away thermally. The M2 OPS, with its optocoupler auto-bias, offers an ideal solution. This also explains why we are interested in a smaller-value C3, so that the auto-biasing has a quicker response to counter bias drift.
- Then IRFP240 / 9240 has essentially the same performance as the FQA10N80 / 9P25. These are also readily available, though we did use the Harris IRFP9240 (also preferred by Nelson [4]) for the measurements. And these are still available in quantities from Rochester. The single pair of FQA28N15 / 36P15 that we measured turns out to be a bit of a disappointment. Maybe we just picked a bad pair by chance without matching
Power Supply
It should be obvious that changes in rail voltages will cause DC offsets. Thus, it is recommended to use power supply with some form of voltage stabilisation. One may consider IC regulators such as LT1084 / LT1033, but they are limited to 3A. Alternative solution can be a simple Cap Multiplier using Sanken 2SD2390 / 2SB1560 Darlington’s. The base should be driven by an On-Semi TL431 or Vbemultiplier configured for 26.2V, resulting in 25V rails. This should be fed by a J113 degenerated as a 5mA CCS.
The schematics below is borrowed and adapted from Geoff Moss’s excellent JLH Class A site. If you intend to use the M2 OPS mostly in Class A/B, then a much larger C5,6 will help to reduce rail sagging during high-current transients.

Power WHAMMY ?
Can I use this in combination with a simple frontend VAS ? How about a WHAMMY Power Amp ?
- This is easy to do. All you need is to find a JFET input opamp (e.g. the beloved OPA552) that can take say +/-30V rails. And then replace the WHAMMY output stage with this.
- But how about distortion ? The input impedance of the M2 OPS is about 25k, so any opamp should have no problem driving that. But the OPA552 has an open loop bandwidth of 10Hz. Thus, distortion increases with frequency. With a gain of 14, distortion at 2.8Vrms, 1kHz is about 0.005% for the opamp on its own. Still not bad
References
- https://www.diyaudio.com/community/threads/complementary-power-mosfets.378024/
- https://www.diyaudio.com/community/threads/official-m2-schematic.281520/post-4854929
- https://www.diyaudio.com/community/threads/official-m2-schematic.281520/post-5281512
- https://www.diyaudio.com/community/threads/complementary-power-mosfets.378024/post-6871464





















