ROHM BD82A26MUF-M Evaluation Board

Product Information
Product Name: BD82A26MUF-M Evaluation Board
Model Number: REFLED003-EVK-001
Description: The BD82A26MUF-M Evaluation Board is a LED Driver for Automotive Panel Backlight. It is designed for automotive backlight applications such as CID, cluster panels, car navigation, HUD, or car audio system. The evaluation board includes a 6-channel white LED driver with a built-in current driver boost DC/DC converter.
Operating Condition (Default Setting):
| Parameter | Min | Typ | Max | Unit |
|---|---|---|---|---|
| Power supply voltage *1 | 7 | 13.5 | 18 | V |
| LEDs in series | 6 |
Product Usage Instructions
Before Use:
- Verify that the parts/components are not damaged or missing.
- Check that there are no conductive foreign objects on the board.
- Be careful when performing soldering on the module and/or evaluation board to ensure that solder splash does not occur.
- Check that there is no condensation or water droplets on the circuit board.
During Use:
- Be careful to not allow conductive objects to come into contact with the board.
- Avoid touching the board with bare hands or bringing them too close to the board. Exercise extreme caution when using conductive tools such as tweezers and screwdrivers.
- Do not use the evaluation board under conditions beyond its rated voltage to prevent defects or potential damages.
- Wear insulated gloves when handling the board during operation.
After Use:
- Discharge the electricity stored in the circuits of the evaluation board after use.
- Protect against electric shocks by wearing insulated gloves when handling.
Note: The BD82A26MUF-M Evaluation Board should only be used in research and development facilities by qualified personnel familiar with all safety and operating procedures.
It is recommended to operate the board in a safe environment with high-voltage signage, safety interlocks, and protective glasses.
High Voltage Safety Precautions
- Read all safety precautions before use
- Please note that this document covers only the BD82A26MUF-M evaluation board (REFLED003-EVK-001) and its functions. For additional information, please refer to the datasheet.
- To ensure safe operation, please carefully read all precautions before handling the evaluation board
- Depending on the configuration of the board and voltages used,
- Potentially lethal voltages may be generated.
- Therefore, please make sure to read and observe all safety precautions described in the red box below.
Before Use
- Verify that the parts/components are not damaged or missing (i.e. due to the drops).
- Check that there are no conductive foreign objects on the board.
- Be careful when performing soldering on the module and/or evaluation board to ensure that solder splash does not occur.
- Check that there is no condensation or water droplets on the circuit board.
- During Use
- Be careful to not allow conductive objects to come into contact with the board.
- Brief accidental contact or even bringing your hand close to the board may result in discharge and lead to severe injury or death.
- Therefore, DO NOT touch the board with your bare hands or bring them too close to the board. In addition, as mentioned above please exercise extreme caution when using conductive tools such as tweezers and screwdrivers.
- If used under conditions beyond its rated voltage, it may cause defects such as short-circuit or, depending on the circumstances, explosion or other permanent damages.
- Be sure to wear insulated gloves when handling is required during operation.
- After Use
- [9] The ROHM Evaluation Board contains the circuits which store the high voltage. Since it stores the charges even after the connected power circuits are cut, please discharge the electricity after using it, and please deal with it after confirming such electric discharge.
- Protect against electric shocks by wearing insulated gloves when handling.
- This evaluation board is intended for use only in research and development facilities and should by handled only by qualified personnel familiar with all safety and operating procedures.
- We recommend carrying out operation in a safe environment that includes the use of high voltage signage at all entrances, safety interlocks, and protective glasses.
- LED Driver for Automotive Panel Backlight 6ch White LED Driver Built-in Current Driver Boost DC/DC Converter for Automotive BD82A26MUF-M Evaluation Board REFLED003-EVK-001
Introduction
- This user’s guide will provide the necessary steps to operate the Evaluation Board of ROHM’s BD82A26MUF-M LED Driver.
- This document includes the external parts, operating procedures and application data.
Description
- This Evaluation Board was developed for ROHM’s LED Driver BD82A26MUF-M. BD82A26MUF-M is a white LED driver for LCD backlight. It has 6 built-in current drivers for LED drive, making it ideal for high brightness LED drive. LED pin max voltage is 50 V, making it suitable for driving large LCD panels. The dimming is controlled by the PWM signal and can be set up to 20,000: 1@100 Hz. It also supports analog dimming and can accommodate even higher brightness ranges by combining with PWM dimming. DC/DC converters can be controlled for boost applications, and the input operating voltage range is 3.0V to 48V.
Application
- Automotive backlight application for CID, cluster panel, car navigation, HUD, or car audio system.
Evaluation board operating condition (default setting)
Table 1. Evaluation board operating condition (default setting)
| Parameter | Min | Typ | Max | Unit |
| Power supply voltage *1 | 7 | 13.5 | 18 | V |
| LEDs in series | 6 | – | 8 | pcs |
| LEDs in parallel | – | 6 | – | ch |
| Output voltage *2 | 19 | – | 26.5 | V |
| Output current (per channel) | – | 125 | – | mA |
| DC/DC oscillation frequency | – | 300 | – | kHz |
| Over voltage limit | – | 31 | – | V |
| Over current limit | – | 5.4 | – | A |
- This indicates the voltage near the VCC pin. Be careful of voltage drop by the impedance of power line.
- Output voltage is determined by the Vf value of the connected LED and the numbers of series. Since this evaluation board has a boost-configuration, output voltage should be higher than input voltage. Also, output voltage should be lower than OVP voltage.
Evaluation board
Evaluation board setup 
Operating procedure
- Connect panel or LEDs to evaluation board. (Anode to VOUT-pin. Cathode to LEDx-pin.)
- Connect power supply to +B-pin and –B-pin of the evaluation board.
- Connect power supply to EN-pin. It must be less than 7V.
- Connect pulse generator to PWM-pin. It should be 100Hz to 25kHz and the minimum pulse width must be longer than 0.5μs.
- Turn on the power supply for +B-pin.
- Turn on the power supply for EN-pin.
- Turn on the pulse generator for PWM-pin.
Operation mode settings
The table below describes the settings for SYNC, PD, SHT terminals.
Table 2. Mode settings
| Terminal | Setting | Function |
| SYNC | GND or OPEN | Fixed Frequency Mode Determined by RRT |
| VREG50 | Spread Spectrum Mode (SSCG) of the Frequency Determined by RRT | |
| Pulse Input | Mode to Synchronize with the Frequency Input to the | |
| PD | GND or OPEN | Phase delay function is disabled |
| VREG50 | Phase delay function is enabled | |
| SHT | GND (OPEN is not allowed) | LED short protection voltage: VLEDn > 4.5V(typ) |
| DC voltage Input | LED short protection voltage: VLEDn > input voltage x 10 |
For unused channels, pull up the LED pin (LED1 to LED6) to REG50 with 100kΩ and pull down to GND with 20kΩ. 
Pin configuration
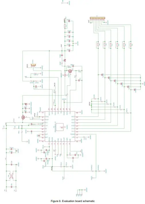
Evaluation board schematic
Parts list
Table 3. Parts list
| No | Package | Parameters | Part name(series) | Type | Manufacturer |
| CB1 | 1005 | 0.1μF, X7R, 50V | GCM155R71H104KE02 | Ceramic | Murata |
| CB2 | 3225 | 10μF, X7S, 50V | GCM32EC71H106KA03 | Ceramic | Murata |
| CM1 | L12.9 x W6.6 x T9.4mm | Open | – | – | – |
| L1 | W7.0 x H4.5 x L7.4mm | 4.7μH, 4.1A | CLF7045NIT-4R7N-D | Inductor | TDK |
| CVCC1 | 1005 | Open | – | Ceramic | – |
| CVCC2 | Φ10 x 10mm | 220μF, 50V | Nichicon UCD series | Electrolytic | Nichicon |
| CVCC3 | 2012 | 1μF, X7R, 50V | GCM21BR71H105KA03 | Ceramic | Murata |
| RCSH | 1632 | 27mΩ, 1.0W | LTR18 series | Resistor | ROHM |
| M1 | TO-252 | -40V. -40A | RD3G04BBJFRA | MOSFET | ROHM |
| CIN1 | 3225 | 10μF, X7S, 50V | GCM32EC71H106KA03 | Ceramic | Murata |
| CIN2 | 1005 | 0.1μF, X7R, 50V | GCM155R71H104KE02 | Ceramic | Murata |
| D1 | PMDTM | 60V, 5A | RB088LAM-60TF | SBD | ROHM |
| L2 | W10.5 x H6.5 x L10.0mm | 33μH, 3.9A | SPM10065VT-330-D | Inductor | TDK |
| RG | 2012 | 10Ω, 1/8W | MCR10 series | Resistor | ROHM |
| M2 | HSMT8AG | 60V, 12A | RQ3L120BKFRA | MOSFET | ROHM |
| RCSL | 1632 | 56mΩ, 1.0W | LTR18 series | Resistor | ROHM |
| RCS | 1005 | Short | – | Resistor | – |
| CCS | 1005 | Open | – | Ceramic | – |
| D2 | PMDTM | 60V, 5A | RB088LAM-60TF | SDB | ROHM |
| COUT1 | 1005 | 0.01μF, X7R, 50V | GCM155R71H103KA55 | Ceramic | Murata |
| COUT2 | 1005 | 0.1μF, X7R, 50V | GCM155R71H104KE02 | Ceramic | Murata |
| COUT3 | 3225 | 10μF, X7S, 50V | GCM32EC71H106KA03 | Ceramic | Murata |
| COUT4 | 3225 | 10μF, X7S, 50V | GCM32EC71H106KA03 | Ceramic | Murata |
| COUT5 | Φ8 x 10mm | 68μF, 50V | GYA1H680MC | Hybrid | Nichicon |
| COUT6 | 1005 | Open | – | Ceramic | – |
| RISET | 1005 | 20kΩ, 1/16W | MCR01 series | Resistor | ROHM |
| RRT | 1005 | 33kΩ, 1/16W | MCR01 series | Resistor | ROHM |
| ROVP1 | 1005 | 11kΩ, 1/16W | MCR01 series | Resistor | ROHM |
| ROVP2 | 1005 | 330kΩ, 1/16W | MCR01 series | Resistor | ROHM |
| COVP | 1005 | Open | – | Ceramic | – |
| RDIMSEL1 | 1005 | Short | – | Resistor | – |
| RDIMSEL2 | 1005 | Open | – | Resistor | – |
| RPLS1 | 1005 | 100kΩ, 1/16W | MCR01 series | Resistor | ROHM |
| RPLS2 | 1005 | 100kΩ, 1/16W | MCR01 series | Resistor | ROHM |
| RPC | 1005 | 200Ω, 1/16W | MCR01 series | Resistor | ROHM |
| CPC1 | 1608 | 1μF, X7R, 16V | GCM188R71C105KA49 | Ceramic | Murata |
| CPC2 | 1005 | Open | – | Ceramic | – |
| No | Package | Parameters | Part name(series) | Type | Manufacturer |
| CREG251 | 1005 | 0.22μF, X7R, 16V | GCM155R71C224KE02 | Ceramic | Murata |
| CREG252 | 1005 | Open | – | Ceramic | – |
| CREG501 | 1608 | 2.2μF, X7S, 10V | GCM188C71A225KE01 | Ceramic | Murata |
| CREG502 | 1005 | Open | – | Ceramic | – |
| CP1 | 3225 | 10μF, X7S, 50V | GCM32EC71H106KA03 | Ceramic | Murata |
| CP2 | 1608 | 2.2μF, X7S, 10V | GCM188C71A225KE01 | Ceramic | Murata |
| RFAIL1 | 1005 | 100kΩ, 1/16W | MCR01 series | Resistor | ROHM |
| RFAIL2 | 1005 | 100kΩ, 1/16W | MCR01 series | Resistor | ROHM |
| REN1 | 1005 | Open | – | Resistor | – |
| REN2 | 1005 | Open | – | Resistor | – |
| CSNB1 | 1005 | Open | – | Ceramic | – |
| CSNB2 | 1005 | Open | – | Ceramic | – |
| RSNB1 | 3225 | Open | – | Resistor | – |
| RSNB2 | 3225 | Open | – | Resistor | – |
| CLED1D | 1005 | 470pF, C0G, 50V | GCM1555C1H471JA16 | Ceramic | Murata |
| CLED2D | 1005 | 470pF, C0G, 50V | GCM1555C1H471JA16 | Ceramic | Murata |
| CLED3D | 1005 | 470pF, C0G, 50V | GCM1555C1H471JA16 | Ceramic | Murata |
| CLED4D | 1005 | 470pF, C0G, 50V | GCM1555C1H471JA16 | Ceramic | Murata |
| CLED5D | 1005 | 470pF, C0G, 50V | GCM1555C1H471JA16 | Ceramic | Murata |
| CLED6D | 1005 | 470pF, C0G, 50V | GCM1555C1H471JA16 | Ceramic | Murata |
| RLED1 | 1005 | Open | – | Resistor | – |
| RLED2 | 1005 | Open | – | Resistor | – |
| RLED3 | 1005 | Open | – | Resistor | – |
| RLED4 | 1005 | Open | – | Resistor | – |
| RLED5 | 1005 | Open | – | Resistor | – |
| RLED6 | 1005 | Open | – | Resistor | – |
| FB1 | 1005 | Open | – | – | – |
| FB2 | 1005 | Open | – | – | – |
| FB3 | 1005 | Open | – | – | – |
| FB4 | 1005 | Open | – | – | – |
| FB5 | 1005 | Open | – | – | – |
| FB6 | 1005 | Open | – | – | – |
Board layout
Evaluation board PCB information
| Material | FR-4 High TG |
| Board thickness | 1.6mm |
| Copper thickness | 1 oz |
| Number of layers | 4 |
| Board size | 60X80mm |
| Minimum copper width | 0.15mm |
| Minimum air gap | 0.15mm |
| Minimum hole size | 0.3mm |
The layout of REFLED003-EVK-001 is shown below.
Reference application data
(Ta=25°C, Output voltage=37V, Iout=125mA x 6ch)
Revision history
| Date | Revision number | Description |
| 15. Dec. 2022 | 001 | Initial release |
Notes
- The information contained herein is subject to change without notice.
- Before you use our Products, please contact our sales representative and verify the latest specifica-tions :
- Although ROHM is continuously working to improve product reliability and quality, semicon-ductors can break down and malfunction due to various factors.
- Therefore, in order to prevent personal injury or fire arising from failure, please take safety measures such as complying with the derating characteristics, implementing redundant and fire prevention designs, and utilizing backups and fail-safe procedures.
- ROHM shall have no responsibility for any damages arising out of the use of our Poducts beyond the rating specified by ROHM.
- Examples of application circuits, circuit constants and any other information contained herein are provided only to illustrate the standard usage and operations of the Products. The peripheral conditions must be taken into account when designing circuits for mass production.
- The technical information specified herein is intended only to show the typical functions of and examples of application circuits for the Products. ROHM does not grant you, explicitly or implicitly, any license to use or exercise intellectual property or other rights held by ROHM or any other parties. ROHM shall have no responsibility whatsoever for any dispute arising out of the use of such technical information.
- The Products specified in this document are not designed to be radiation tolerant.
- For use of our Products in applications requiring a high degree of reliability (as exemplified below), please contact and consult with a ROHM representative : transportation equipment (i.e. cars, ships, trains), primary communication equipment, traffic lights, fire/crime prevention, safety equipment, medical systems, servers, solar cells, and power transmission systems.
- Do not use our Products in applications requiring extremely high reliability, such as aerospace equipment, nuclear power control systems, and submarine repeaters.
- ROHM shall have no responsibility for any damages or injury arising from non-compliance with the recommended usage conditions and specifications contained herein.
- ROHM has used reasonable care to ensure the accuracy of the information contained in this document. However, ROHM does not warrants that such information is error-free, and ROHM shall have no responsibility for any damages arising from any inaccuracy or misprint of such information.
- Please use the Products in accordance with any applicable environmental laws and regulations, such as the RoHS Directive. For more details, including RoHS compatibility, please contact a ROHM sales office. ROHM shall have no responsibility for any damages or losses resulting non-compliance with any applicable laws or regulations.
- When providing our Products and technologies contained in this document to other countries, you must abide by the procedures and provisions stipulated in all applicable export laws and regulations, including without limitation the US Export Administration
- Regulations and the Foreign Exchange and Foreign Trade Act.
- This document, in part or in whole, may not be reprinted or reproduced without prior consent of ROHM.
- Thank you for your accessing to ROHM product informations.
More detail product informations and catalogs are available, please contact us. - ROHM Customer Support System
- http://www.rohm.com/contact/
- www.rohm.com
- © 2016 ROHM Co., Ltd. All rights reserved.




















