BMD-34x-EVAL Evaluation Kit
User Guide
Introduction
The BMD-34x-EVAL kit from Rigado allows for stand-alone use of the BMD-340, BMD-341, BMD-370, or BMD-380 module featuring the Nordic nRF52840 RF System on Chip (SoC). Other Rigado modules have evaluation kits covered by other documents.
The Evaluation Kit provides a great starting point for almost any Bluetooth 5 Low Energy, Thread, or Zigbee project. All features of the BMD-340/341/370/380 are easily accessed from the evaluation board. A simple USB connection provides power, programming, and a virtual COM port. Four user buttons are available, as well as a USB peripheral connector, four LEDs, and a reset button. All 48 GPIO are available on headers that are compatible with the Arduino form factor (44 GPIO for the BMD-380).
This allows easy use of any existing Arduino shields. Current sense resistors allow for measuring current into the module and into the shield.
This guide provides setup instructions for starting development and describes the hardware functionality of the BMD-34x-EVAL boards.
Key Features
| • BMD-340, BMD-341, BMD-370, or BMD-380 Module | • Buttons and LEDs for user interaction |
| • On-board programming and debug (Segger J-Link-OB) | • NFC antenna connector |
| • Able to program external modules | • 32.768kHz Crystal |
| • Virtual COM port over USB | • CR2032 battery holder |
| • Full GPIO of the BMD-340 / nRF52840 | • USB peripheral connector |
Hardware Kit

| BMD-340-EVAL: • BMD-340 Evaluation Board • Micro-USB Cable • NFC antenna | BMD-370-EVAL: • BMD-370 Evaluation Board • Micro-USB Cable • NFC antenna |
| BMD-341-EVAL: • BMD-341 Evaluation Board • Micro-USB Cable • NFC antenna • 2.4GHz antenna kit | BMD-380-EVAL: • BMD-380 Evaluation Board • Micro-USB Cable • NFC antenna |
Development Tools
The tools listed below will aid in the development of the BMD-34x Series Bluetooth modules. Not all tools will be required depending on which software suite is used.
| Tool | Description |
| Segger Embedded Studio | Segger Embedded Studio is an easy-to-use integrated development environment with project management tools, an editor, and a debugger supporting ARM Cortex devices. Full debug support including Real-Time Terminal (RTT) output is also available. Available for Windows, macOS, and Linux. Free license for use with the Nordic nRF5 ICs and modules: http://license.segger.com/Nordic.cgi |
| Segger J-Link Software and Documentation Pack | J-Link Commander (JLink.exe) is a command line-based utility that can be used for verifying the proper functionality of J-Link as well as for simple analysis of the target system. It supports some simple commands, such as memory dump, halt, step, goes, etc. to verify the target connection. Available for Windows, macOS, and Linux. |
| Nordic Semiconductor SDK | The nRF5 SDK is your first stop for building full-featured, reliable, and secure applications with the nRF52 and nRF51 Series. It offers developers a wealth of varied modules and examples right across the spectrum including numerous Bluetooth Low Energy profiles, Device Firmware Upgrade (DFU), GATT serializer, and driver support for all peripherals on all nRF5 Series devices. SDKs for Bluetooth Mesh, Thread, Zigbee, and other protocols are also available. |
| Nordic Semiconductor nRF Connect for Desktop | nRF Connect is a cross-platform tool that enables testing and development with Bluetooth® Low Energy (previously called Bluetooth Smart). It allows easy setup of connections with other devices and uses these connections to read and write the external nodes. Available for Windows, macOS, and Linux. |
| Nordic Semiconductor nRF Connect for Mobile | nRF Connect for Mobile, previously known as nRF Master Control Panel, is a powerful generic tool that allows you to scan and explore your Bluetooth Low Energy devices and communicate with them. nRF Connect for Mobile supports several Bluetooth SIG adopted profiles, as well as the Device Firmware Update profile (DFU) from Nordic Semiconductor or Eddystone from Google. Available for iOS and Android. |
| Nordic Semiconductor Mobile Apps | Additional mobile utilities for your application development. Available for iOS and Android. |
Application Firmware Development
This section walks through how to set up and program the BMD-340-EVAL Kit with an example application.
Set up the toolchain
- Install Segger Embedded Studio and request a license.
- Download the latest nRF5 SDK. Unzip it to a convenient working directory. Be sure not to alter the directory trees. The examples are configured for relative path positions.
- Install nRF Connect on a desktop PC and optionally one of the mobile versions. nRF Connect can be used directly with the Device Under Test (DUT) Eval board for programming and other features.
If using nRF Connect on a desktop, a second Eval board or an nRF52 USB Dongle will be needed to make BLE connections with your DUT. - Install the Segger J-Link Commander. If presented with a screen to select different IDEs, ensure at least the “SEGGER Embedded Studio ARM” line is selected:

- You may need to add the install location to the system PATH. The default location for the JLink Commander is C:\Program Files (x86)\SEGGER\JLink_Vnnn … where “nnn” is the version number.
- Install nRF Toolbox for your mobile device. This will be used with the example below.
Connect BMD-34x-EVAL to the computer
The evaluation board is provided with an on-board Segger J-Link programmer/debugger.
- Connect the board to a computer using the USB cable provided.
- The status LED, D5, will flash and then turn solid once the USB device is enumerated.
- After a few seconds, the computer will recognize the Evaluation Board as a J-Link device and install the USB-Virtual COM Port device driver.
- Run the J-Link Commander:
a. JLink on Windows
b. JLinkExe on macOS and Linux - Type “connect” at the J-Link> prompt
- Enter the device type at the Device> prompt
a. Type nRF52840_XXAA for the BMD-340 - Enter S to select the SWD interface and accept the default for the speed.
- J-Link will respond with several items. Here is a sample output:

- This confirms that the Eval board is properly recognized.
- While still in the J-Link Commander session, save the Rigado-programmed public MAC address by typing in: save in mac_addr.bin 0x10001080 8
- Save the file mac_addr.bin to a convenient location for future use.
- Exit the J-Link session by typing exit
- At this point, a file titled mac_addr.bin will be saved in the current directory. The contents will contain the MAC address in the little-endian format: 33 22 11 93 54 94 FF FF to correspond to the address 94:54:93:11:22:33. The last two FF values are only fillers to complete the two 4-byte reads. Rigado MAC addresses begin with the IEEE-assigned Company ID (94:54:93). The remaining bytes are printed on the 2D and human-readable label on the module. See the MAC Address Provisioning KB article for additional information.
- This file may be used to restore the MAC address after performing an erase or recover with the J-Link command
Open an example project
Note: When selecting examples from the SDK, note the following cross-reference:
| Rigado Eval Board | Nordic SoC | Compatible Nordic DK |
| BMD-340-EVAL | nRF52840 | PCA10056 / nRF52840 DK |
| BMD-341-EVAL | nRF52840 | PCA10056 / nRF52840 DK |
| BMD-370-EVAL | nRF52833 | PCA10056 / nRF52840 DK |
| BMD-380-EVAL | nRF52840 | PCA10056 / nRF52840 DK |
Table 2 – Rigado EVAL to Nordic DK cross reference
For this guide, the nRF SDK v15.3.0 Heart Rate Service example for the BMD-340-EVAL will be used.
- Navigate to the location of the heart rate example from the SDK, typically <unzipped location>\nRF5_SDK_15.3.0_59ac345\examples\ble_peripheral\ble_app_hrs
- Select the DK Board, SoftDevice and IDE directories. Here is the full path: <unzipped location>\ nRF5_SDK_15.3.0_59ac345\examples\ble_peripheral\ble_app_hrs\ pca10056\s140\ses
- Open the project file (ble_app_hrs_pca10056_s140.emProject) to start the Segger Embedded Studio IDE
- Build the project (<F7>)
- Once the build is successful, you can download the application code onto the module Board (Target | Download ble_app_hrs_pca10056_s140)
The first time the board is loaded, both the SoftDevice and the application will be downloaded to the module. Once the SoftDevice is loaded, subsequent downloads will only transfer the application. If you need to change SoftDevice versions, repeat section Error! Reference source not found. Error! Reference source not found. Error! Reference source not found.. - On a mobile device, open the nRF Toolbox application. Select the Heart Rate Monitor.
- Tap Connect. You should see the Eval board advertising as Nordic_HRM.
- Select this device to see the simulated heart rate being transmitted from the BMD-300.
Additional training videos may be viewed here.
Hardware Description
Design files for the BMD-34x-EVAL board may be found on the Rigado website.

Power
The BMD-340-EVAL has five possible power sources:
- USB from the debug interface
- USB peripheral on the BMD-340 itself
- CR2032 coin cell battery
- 0.1” through-hole connector for connecting 3.3V
- Lithium Polymer (LiPo) battery input.
These power sources use protection diodes to prevent reverse voltage to any supply. This allows them to be used simultaneously. Solder jumpers are provided to allow by-passing any of the protection diodes eliminating the voltage drop across them. Care should be taken to not damage the supplies when the protection is bypassed.
Powering the Board
During typical debugging, power will be provided by VBUS on the USB debug interface to supply +5V to the 3.3V LDO regulator and to the shield connector. The 3.3V LDO regulator will then power VIO, VSHLD, and VBMD.
When powering the board from the CR2032 coin cell (3VDC), the external power header, or the LiPo header, USB can be left disconnected. In this configuration, the interface IC is held in reset to conserve power. Only if the power protection diodes are left intact, USB can be connected at the same time the coin cell or external power is still applied allowing for easy programming of the module.
USB Peripheral Power
VBUS Power from the USB Peripheral interface on the BMD-340 may be used to power the BMD-340EVAL by moving SW7 to the “HV” setting. This enables the internal high-voltage regulator (LDO or DCDC). When in the HV setting, the power switch SW6 should be left in the OFF position, especially if any of the protection diodes are bypassed. 
Reset
The BMD-34x module has a configurable hardware reset. P0.18 is assumed to be used as the reset pin for all Rigado and Nordic example projects, and thus the evaluation board hardware is configured to use P0.18 as a reset. The Reset button can be configured to connect to an input on the interface IC or to directly connect to P0.18.
The Reset button is connected to the IC used for the J-Link interface by default. Pressing reset while the interface IC is powered will cause a momentary reset signal on the nRESET output of the interface IC, which is connected via a solder jumper to P0.18 of the BMD-34x module. If the Reset button is held down during power on, it will cause the interface IC to enter its bootloader mode, allowing either Segger J-Link or embed programmer firmware to be programmed.
When the Reset button is directly connected to P0.18, it can be used as a 5th user button or as a reset button directly connected to the BMD-34x module.
Solder jumper J18 is used to connect P0.18 of the BMD-34x module to the nRESET net. nRESET is connected to the interface IC and to the reset connections on the Arduino readers. 
Buttons
The Evaluation Board has four user buttons: User 1, User 2, User 3, and User 4. All buttons are active low; they will connect to the ground when pressed. The button GPIO pins must be configured with internal pull-up resistors for proper operation when using the user buttons. The buttons and ESD protection can be completely removed from the circuit by breaking the associated jumper. 
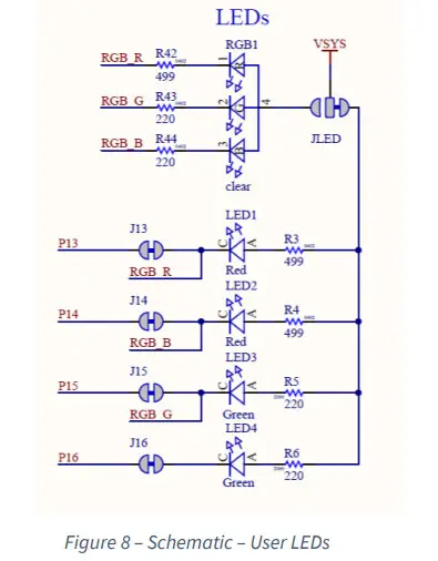
LEDs
User LEDs are provided on the Evaluation Board: two red and two green. An RGB LED is included as well and can be enabled by changing the position of the JLED. LEDs are powered by VIO and are active low. The GPIO should be enabled for a high drive when sinking current for the LEDs. The LEDs can be completely removed from the circuit by breaking the associated jumper.
Virtual COM Port
The evaluation board allows for easy serial communication with the BMD-34x Modules and a connected computer. The Interface IC provides a virtual COM USB device that connects to 4 GPIO pins on the module, allowing for UART communication with or without hardware flow control. The UART lines can be completely removed from the circuit by breaking the associated jumpers.
| BMD-3xx Pin Name | BMD-3xx Function | Jumper | Interface IC Function |
| P0.05 | RTS | J05 | CTS |
| P0.06 | TXD | J06 | RXD |
| P0.07 | CTS | J07 | TRS |
| P0.08 | RXD | J08 | TXD |
32kHz Crystal Oscillator
The evaluation board has a 32.768kHz Crystal Oscillator connected to the BMD-3xx module by default.
This allows the module to use any of the three available low frequency (LF) clock sources: an internal calibrated RC oscillator, an internal synthesized clock (derived from the 32MHz clock), or an external crystal oscillator. The external crystal oscillator is the most accurate and lowest power LF clock option. For applications without strict time-keeping requirements, the internal calibrated RC oscillator is often suitable. The crystal is connected to the module through a solder select jumper, allowing either the crystal or the IO header to be connected to the module’s GPIO pins. 
NFC Connector
Connection to an external NFC antenna is provided through a Molex flat-flex connector, Part number 051281-0594. Capacitors ‘C2’ and ‘C3’ provide tuning of the NFC antenna for resonance at 15.56MHz. 
Current Sensing Headers
The evaluation board provides two current sensing headers. ‘JBMD’ allows for power consumption measurement of the BMD-34x Module and ‘JSHD’ allows for power consumption measurement of shields connected to the Arduino-style headers (‘VSHLD’ power only).
Each 3-pin 0.1” pitch header has two pins connected across a 1Ω current-sense resistor powering the module or the shield, and the third pin to the ground. To measure current consumption, use a multimeter or other precision voltage measurement device to measure the voltage drop across pins one and two.
Current can also be measured directly by removing ‘RBMD’ / ‘RSHD’ and using a current meter in series with the two voltage pins. The default hardware configuration does not require any modification of the current sense headers for the BMD-3xx-EVAL to perform properly.
Note: Only current flowing through ‘VBMD’ into the module is measured; current sunk through GPIO pins is not measured. 
External Segger J-Link™ Debug Interface
External target hardware can be connected to J3 for firmware programming and debugging. The Segger debug interface is implemented as shown in Figure 12. J3 is implemented with a 2×5 10-pin header on 0.05” centers. 
In order to enable the external J-Link connection, ensure the following are implemented on the target hardware:
- EXT_VTG is used by the debug interface as an input to sense power applied to the external circuit.
Only voltages of ~3.0V to ~3.3V are supported. Other operating voltages require the use of an external J-Link Debug Probe. Connect EXT_VTG to the BMD-34x power supply (VCC) on the target hardware. - EXT_GND_DETECT is used by the debug interface to detect the presence of external target hardware. Connect EXT_GND_DETECT to GND on the target hardware.
- Connect GND to GND on the target hardware.
- Connect EXT_SWDIO and EXT_SWCLK to SWDIO and SWDCLK on the target BMD-3xx, respectively.
- (Optional) Connect EXT_SWO and/or EXT_RESETn on the target BMD-3xx, respectively.
- Connect external power to the target hardware, then connect the BMD-34x Evaluation Board to USB.
- At this point, the debug interface will interact with the target hardware instead of the onboard BMD-3xx.
QSPI
A 64Mbit Quad SPI (MX25R6435F) flash is available on the BMD-34x-EVAL. This memory may be used for executing in place (XIP) directly from the flash as well as general data storage.
GPIO Jumpers
There are many solder bridge jumpers on the board available to allow for configurability of the GPIO.
Most solder jumpers are used to remove onboard components from the module’s GPIO nets, should they interfere with external circuitry added on the I/O headers. All GPIOs are directly connected to the I/O Headers by default, except P0.00 & P0.01 (32kHz crystal), P0.09 & P0.10 (NFC antenna), and P0.17 & P0.20 through P0.23 (QSPI). These are disconnected from the I/O headers as they would interfere with the default functions. The GPIO jumpers are shown on the bottom side of the BMD-34x-EVAL. 
Header Pin-out

| Header J5 | |||
| Pin | Pin Name | nRF52840 | Function |
| 1 | VSHLD | – | +3.3V Shield Power |
| 2 | VSHLD | – | +3.3V Shield Power |
| 3 | RESET | P0.18 | nRESET / GPIO |
| 4 | VSHLD | – | +3.3V Shield Power |
| 5 | 5V0 | – | +5.0V USB Power |
| 6 | GND | – | Ground |
| 7 | GND | – | Ground |
| 8 | – | – | No connection |
| Header J6 | |||
| Pin | Pin Name | nRF52840 | Function |
| 1 | P0.27 | P0.27 | GPIO |
| 2 | P0.26 | P0.26 | GPIO |
| 3 | P0.02 | P0.02 | GPIO / AIN0 |
| 4 | GND | – | Ground |
| 5 | P1.15 | P1.15 | GPIO |
| 6 | P1.14 | P1.14 | GPIO |
| 7 | P1.13 | P1.13 | GPIO |
| 8 | P1.12 | P1.12 | GPIO |
| 9 | P1.11 | P1.11 | GPIO |
| 10 | P1.10 | P1.10 | GPIO |
| Header J7 | |||
| Pin | Pin Name | nRF52840 | Function |
| 1 | P1.08 | P1.08 | GPIO |
| 2 | P1.07 | P1.07 | GPIO |
| 3 | P1.06 | P1.06 | GPIO |
| 4 | P1.05 | P1.05 | GPIO |
| 5 | P1.04 | P1.04 | GPIO1 |
| 6 | P1.03 | P1.03 | GPIO |
| 7 | P1.02 | P1.02 | GPIO |
| 8 | P1.01 | P1.01 | GPIO1 |
| Header J8 | |||
| Pin | Pin Name | nRF52840 | Function |
| 1 | P0.03 | P0.03 | GPIO / AIN1 |
| 2 | P0.04 | P0.04 | GPIO / AIN2 |
| 3 | P0.28 | P0.28 | GPIO / AIN4 |
| 4 | P0.29 | P0.29 | GPIO / AIN5 |
| 5 | P0.30 | P0.30 | GPIO / AIN6 |
| 6 | P0.31 | P0.31 | GPIO / AIN7 |
| Header J9 | |||
| Pin | Pin Name | nRF52840 | Function |
| 1 | P0.10 | P0.10 | OPEN / GPIO |
| 2 | P0.09 | P0.09 | OPEN / GPIO |
| 3 | P0.08 | P0.08 | GPIO |
| 4 | P0.07 | P0.07 | GPIO / TRACECLK |
| 5 | P0.06 | P0.06 | GPIO |
| 6 | P0.05 | P0.05 | GPIO / AIN3 |
| 7 | P0.01 | P0.01 | OPEN / GPIO |
| 8 | P0.00 | P0.00 | OPEN / GPIO |
| Header J10 | |||
| Pin | Pin Name | nRF52840 | Function |
| 1 | P0.11 | P0.11 | GPIO / TRACED[2] |
| 2 | P0.12 | P0.12 | GPIO / TRACED[1] |
| 3 | P0.13 | P0.13 | GPIO |
| 4 | P0.14 | P0.14 | GPIO |
| 5 | P0.15 | P0.15 | GPIO |
| 6 | P0.16 | P0.16 | GPIO |
| 7 | P0.17 | P0.17 | OPEN / GPIO / QSPI CS |
| 8 | P0.18 | P0.18 | nRESET / GPIO |
| 9 | P0.19 | P0.19 | OPEN / GPIO / QSPI CLK |
| 10 | P0.20 | P0.20 | OPEN / GPIO / QSPI DIO0 |
| 11 | P0.21 | P0.21 | OPEN / GPIO / QSPI DIO1 |
| 12 | P0.22 | P0.22 | OPEN / GPIO / QSPI DIO2 |
| 13 | P0.23 | P0.23 | OPEN / GPIO / QSPI DIO3 |
| 14 | P0.24 | P0.24 | GPIO |
| 15 | P0.25 | P0.25 | GPIO |
| 16 | P1.00 | P1.00 | GPIO / TRACED[0] / SWO |
| 17 | P1.09 | P1.09 | OPEN / GPIO / TRACED[3] |
| 18 | – | – | No connection |
| Header J11 | |||
| Pin | Pin Name | nRF52840 | Function |
| 1 | P1.14 | P1.14 | GPIO |
| 2 | 5V0 | – | +5.0V USB Power |
| 3 | P1.15 | P1.15 | GPIO |
| 4 | P1.13 | P1.13 | GPIO |
| 5 | RESET | P0.18 | nRESET / GPIO |
| 6 | GND | Ground | |
Note 1: These pins are not available on the BMD-380-EVAL.
Rigado Documents:
- BMD-340 Data Sheet
- BMD-341 Data Sheet
- BMD-370 Data Sheet
- BMD-380 Data Sheet
- MAC Address Provisioning
Nordic Semiconductor Documents:
- nRF52840 Product Specification
- nRF52833 Product Specification
- S140 SoftDevice Specification
Life Support and other High-Risk Use Warning
This product is not designed nor intended for use in a life support device or system, nor for use in other fault-intolerant, hazardous or other environments requiring fail-safe performance, such as an application in which the failure or malfunction of the product could lead directly or indirectly to death, bodily injury, or physical or property damage (collectively, “High-Risk Environments”). RIGADO EXPRESSLY DISCLAIMS ANY EXPRESS OR IMPLIED WARRANTY OF FITNESS FOR USE IN HIGH-RISK ENVIRONMENTS. The customer using this product in a High-Risk Environment agrees to indemnify and defend Rigado from and against any claims and damages arising out of such use.
Environmental
RoHS
Rigado’s modules are in compliance with Directive 2011/65/EU, 2015/863/EU of the European Parliament and the Council on the restriction of the use of certain hazardous substances in electrical and electronic equipment. The declaration may be found here: https://go.rigado.com/RoHS-Modules
REACH
Rigado’s modules listed below do not contain the 191 SVHC (Substance of Very High Concern), as defined by Directive EC/1907/2006 Article according to REACH Annex XVII. The compliance statement may be found here: https://go.rigado.com/REACH-Modules
California Proposition 65 (P65)
This product can expose you to Nickel (Metallic), which is known to the State of California to cause cancer. For more information go to www.P65Warnings.ca.gov.
Contact Information
Headquarters
Rigado Inc.
3950 Fairview Industrial Drive SE, Suite 100
Salem, Oregon 97302
Tel: +1 971 208 9870
Fax: +1 971 208 9869
Portland
Rigado Inc.
101 SW Main Street, Suite 2000
Portland, Oregon 97204
Sales: https://www.rigado.com/contact/
[email protected]
Support: https://rigado.zendesk.com/hc
[email protected]
Document History
| Revision | Date | Changes/Notes |
| 1 | 01/02/2018 | Initial release |
| 2 | 05/06/2019 | Added new modules and changed the title to BMD-34x-EVAL User Guide Update Nordic SDK version |
Table 5 – Document History





















