
User Guide
UG000452
AS62xx
Eval Kit
AS621x-EK, AS622x-EK
v2-00 • 2020-Nov-19
Introduction
The AS62xx Eval Kit is a small PCB allowing a simple and quick evaluation of the AS62xx digital temperature sensors without the need to design a custom PCB. This small form factor board is fully assembled with the AS62xx temperature sensor and its necessary external components
Kit Content
This kit contains the following material listed in
Figure 1: Kit Content
| Pos. | Item | Comment |
| 1 | AS62xx-EK | Eval Kit |
Ordering Information
Figure 2: Ordering Information
| Ordering Code | Description |
| AS6221-EK | AS6221 Eval Kit up to 0.09 °C accuracy |
| AS6212-EK | AS6212 Eval Kit up to 0.2 °C accuracy |
| AS6214-EK | AS6214 Eval Kit up to 0.4 °C accuracy |
| AS6218-EK | AS6218 Eval Kit up to 0.8 °C accuracy |
Getting Started
The AS62xx Eval Kit is ideal for the rapid setup of a digital temperature sensor. To get started connect the board to your microcontroller as described in Figure 4. Add a command in your source code to request two bytes from the selected I²C address. Finally, convert the returned data as described in chapter 4.2 to get the actual temperature value.
Figure 3: Eval Kit 
Hardware Description
The P1 connector does provide all relevant signals, which can be easily wired to a microcontroller and to the power supply.
Figure 4: Eval Kit Pinout Caption
| Pin | Symbol | Description | Info |
| 1 | SCL | I²C clock | Use R1 if pull-up is required |
| 2 | SDA | I²C data | Use R2 if pull-up is required |
| 3 | GND | Ground | |
| 4 | VDD | Power supply | According to datasheet |
| 5 | ALERT | Digital output pin | Alert interrupt output |
(1) Do not connect pin 5 to VSS. This pin should only be used for the ALERT functionality
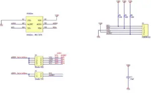
Hardware Architecture
Figure 5: AS62xx Eval Kit 
R1, R2, and R3 are pull-up resistors for the I²C interface and the ALERT pin. Depending on the application, it is recommended to either populate the decoupling capacitor C1.
AS62xx Configuration
With the address selector, it is possible to choose the I²C address of the device. The included jumpers are an easy way of setting the I²C address of the sensor. Both address selectors must not be left open.
Figure 6: I²C Address 
Power Supply and Connections
The PCB has to be connected to an external microcontroller. P1 is populated with a 1×5 pin header and is required for power supply as well as I²C communication. In addition to that, it can be used to monitor the interrupt status via pin 5 (IRQ).
Figure 7:
MCU and AS62xx Connections 
Software Description
The AS62xx has 4 data registers. With the use of the index register, it is possible to address the specific data register. When powered up the address register is set to 0x0.
Figure 8:
Data Registers 
For additional configuration settings, the Config Register (0x1) has to be addressed. Please refer to the datasheet for details.
Figure 9:
Configuration Register
| Address | Symbol | Register | Description |
| 0x0 | OVAL | Contains the temperature value | |
| 0x1 | CONFIG | Configuration Register | Configuration settings of thetemperature sensor |
| 0x2 | TLOW | TLOW Register | Low temperature threshold value |
| 0x3 | THIGH | THIGH Register | High temperature threshold value |
Index Register
The index register contains 8-bit, but only D0 and D1 are used.
Temperature Register
Figure 11:
Temperature Register 
The temperature register contains the digitally converted temperature value. It consists of 2 bytes and
can be converted according to the following formula:
Positive values= |Value| / LSB
Negative values= Complement( |Value| / LSB ) + 1
Example +75°C
75°C/ 0.0078125 °C=9600=Binary 0010 0101 1000 0000=Hex 2800
Example -40°C
|−40° /0.0078125 ° + 1 = 5120 + 1 = 0001 0100 0000 0000 + 1 = 1110 1100 0000 0000 = 00
| Temperature (°C) | Digital Output (Binary) | Digital Output (Hex) |
| 100 | 0011 0010 0000 0000 | 3200 |
| 75 | 0010 0101 1000 0000 | 2580 |
| 50 | 0001 1001 0000 0000 | 1900 |
| 25 | 0000 1100 1000 0000 | 0C80 |
| 0.125 | 0000 0000 0001 0000 | 10 |
| 0.007813 | 0000 0000 0000 0001 | 1 |
| 0 | 0000 0000 0000 0000 | 0 |
| -0.00781 | 1111 1111 1111 1111 | FFFF |
| -0.125 | 1111 1111 1111 0000 | FFF0 |
| -25 | 1111 0011 1000 0000 | F380 |
| -40 | 1110 1100 0000 0000 | EC00 |
Schematics, Layers and BOM
The schematics, layout and BOM of the adapter board are shown below for reference.
5.1 Schematics
The schematics of the board is shown below in Figure 13
Figure 13:
Schematics 
5.2 Layout and Board Dimensions
The PCB layout is shown below in Figure 14 and Figure 15
Figure 14:
Top Layer
Figure 15:
Bottom Layer 
The board dimensions are shown below in Figure 16
Figure 16:
Dimensions 
Bill of Materials
The BOM of the board is shown below in Figure 17
Figure 17:
BOM
| Position | Name | Name |
| 1 | R3 | R3 |
| 2 | R2 | R2 |
| 3 | R1 | R1 |
| 4 | P3 | P3 |
| 5 | P2 | P2 |
| 6 | P1 | P1 |
| 7 | C1 | C1 |
| 8 | AS62xx | AS62xx |
Revision Information
Changes from previous version to current revision v2-00
Added ordering code for AS6221 Eval Kit
Page and figure numbers for the previous version may differ from page and figure numbers in the current revision.
Correction of typographical errors is not explicitly mentioned.
Legal Information
Copyrights & Disclaimer
Copyright ams AG, Tobelbader Strasse 30, 8141 Premstaetten, Austria-Europe. Trademarks Registered. All rights reserved. The material herein may not be reproduced, adapted, merged, translated, stored, or used without the prior written consent of the copyright owner.
Demo Kits, Evaluation Kits and Reference Designs are provided to recipient on an “as is” basis for demonstration and evaluation purposes only and are not considered to be finished end-products intended and fit for general consumer use, commercial applications and applications with special requirements such as but not limited to medical equipment or automotive applications. Demo Kits, Evaluation Kits and Reference Designs have not been tested for compliance with electromagnetic compatibility (EMC) standards and directives unless otherwise specified. Demo Kits, Evaluation Kits and Reference Designs shall be used by qualified personnel only.
AMS AG reserves the right to change the functionality and price of Demo Kits, Evaluation Kits and Reference Designs at any time
and without notice.
Any express or implied warranties, including, but not limited to the implied warranties of merchantability and fitness for a particular purpose are disclaimed. Any claims and demands and any direct, indirect, incidental, special, exemplary or consequential damages arising from the inadequacy of the provided Demo Kits, Evaluation Kits and eference Designs or incurred losses of any kind (e.g. loss of use, data or profits or business interruption however caused) as a consequence of their use are excluded.
AMS AG shall not be liable to recipient or any third party for any damages, including but not limited to personal injury, property damage, loss of profits, loss of use, interruption of business or indirect, special, incidental or consequential damages, of any kind, in connection with or arising out of the furnishing, performance or use of the technical data herein. No obligation or liability to recipient or any third party shall arise or flow out of ams AG rendering of technical or other services.
RoHS Compliant & ams Green Statement
RoHS Compliant: The term RoHS compliant means that ams AG products fully comply with current RoHS directives. Our semiconductor products do not contain any chemicals for all 6 substance categories plus additional 4 substance categories (per amendment EU 2015/863), including the requirement that lead not exceed 0.1% by weight in homogeneous materials. Where designed to be soldered at high temperatures, RoHS compliant products are suitable for use in specified lead-free processes. ams Green (RoHS compliant and no Sb/Br/Cl): ams Green defines that in addition to RoHS compliance, our products are free of Bromine (Br) and Antimony (Sb) based flame retardants (Br or Sb do not exceed 0.1% by weight in homogeneous material)and do not contain Chlorine (Cl not exceed 0.1% by weight in homogeneous material). Important Information: The information provided in this statement represents ams AG knowledge and belief as of the date thatit is provided. ams AG bases its knowledge and belief on information provided by third parties, and makes no representation or warranty as to the accuracy of such information. Efforts are underway to better integrate information from third parties. AMS AG has taken and continues to take reasonable steps to provide representative and accurate information but may not have conducted destructive testing or chemical analysis on incoming materials and chemicals. ams AG and ams AG suppliers consider certain information to be proprietary, and thus CAS numbers and other limited information may not be available for release.
Headquarters
ams AG
Tobelbader Strasse 30
8141 Premstaetten
Austria, Europe
Tel: +43 (0) 3136 500 0
Please visit our website at www.ams.com
Buy our products or get free samples online at www.ams.com/Products
Technical Support is available at www.ams.com/Technical-Support
Provide feedback about this document at www.ams.com/Document-Feedback
For sales offices, distributors and representatives go to www.ams.com/Contact
For further information and requests, e-mail us at ams_[email protected]
Demo Kit Manual • PUBLIC
UG000452 • v2-00 • 2020-Nov-19


















