
Stage
Quick Start Guide
Model No.: MF8360
1. Overview

Front

PN 03MF836000005 Rev A

(a) Standby / On / Source
(b) Vol +
(c) Vol –
(d) USB Mass Storage Port
(e) 3.5 mm AUX-in
(f) Optical Port
(g) TV ARC
(h) To Subwoofer
(i) To Power Socket
(j) LED Indicator
(k) Infra Receiver
(l) Subwoofer
(m) Remote Control
(n) Master Reset (press & hold)
2. Power / Standby / Source Setting
(1) STANDBY
(2)
3. Bluetooth®
(1) BT-PAIR

(2)

(3)

(4)


4. USB
(1)

FAT32, 32 GB Max
MP3
(2) BT / USB

5. AUX / Optical / TV ARC

i) AUX
ii) Optical Cable*
1. TV Audio Output: Optical
2. Digital Audio format: PCM
iii) TV ARC Cable*
1. TV Audio Output: ARC
2. Digital Audio format: PCM
*Not included. Sold separately
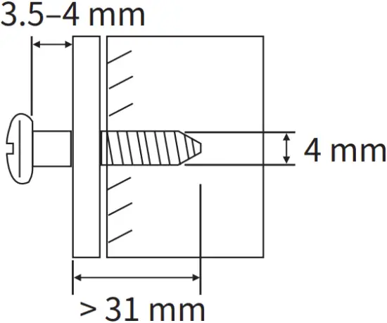
6. Wall Mount
WARNING
To prevent injury, this apparatus must be securely attached to the wall in accordance with the installation instructions
(a) 
1. Bracket on soundbar
(b)

(c)

2 Screw into wall
^ Screws are optional and not included.
Select corresponding screws that match the dimensions provided in this manual before mounting the soundbar
Technical Specifications
Bluetooth Version: Bluetooth 5.0
Operating Frequency: 2402-2480 MHz
Operating Range: Up to 10 meters, measured in open space. Walls and structures may affect range of device.
Maximum RF Output Power: 4 dBm
Supported Bluetooth Profiles: A2DP (Wireless Stereo Bluetooth), AVRCP (Bluetooth Remote Control)
Supported Codec: SBC
Supported Audio Formats (USB Mass Storage): MP3
Input: 100-240V ~ 50 / 60 Hz 2A
Speaker Power: 20W x 2, Satellite, 40W Subwoofer
Frequency Response: 55-20,000 Hz
SNR: ≥ 72 dB
Operating Temperature Range: 0-45ºC
Other Information
Please visit creative.com/compliance/Stage for the user guide, safety and regulatory information and ErP information where applicable.
Please visit creative.com/support/Stage for all other support related to your product.
Hereby, Creative Labs Pte. Ltd. declares the Bluetooth Speaker, model no. MF8360 is in compliance with Directive 2014/53/EU and Radio Equipment Regulations 2017. The full text of the EU and UK declaration of conformity is available at http://www.creative.com/EUDoC.
For details on the Creative Warranty period of your product, please visit https://www.creative.com/warranty
CREATIVE – LIMITED HARDWARE WARRANTY
Creative Labs Pte Ltd and its affiliates (“Creative”) warrants that the retail purchased Creative-branded hardware product herein (“Product”) is free of material defects in materials and workmanship (“Defect(s)”) that result in Product failure during normal consumer usage for the Warranty Period, according to the following terms and conditions:
- This limited hardware warranty extends only to the original end-user purchaser and holder of this warranty (“You” or “Your”) and is not transferable or assignable to any subsequent purchaser.
- You must provide proof of original purchase of the Product by a dated itemized receipt to be eligible for this limited warranty.
- The limited warranty is ONLY applicable in the country or territory where the Product was purchased from an authorized retailer/reseller and excludes any product that has not been purchased as new or is obtained as a result of the purchase of a non-Creative product.
- If a Defect arises and a valid claim is received during the Warranty Period (as provided below), Creative will at its sole option, service the Product at no charge using new or refurbished replacement parts at our sole discretion. Please note that:
a. The limited warranty for the Product is for twelve (12) months (for the European Union, twenty-four (24) months (excluding all wear and tear), subject to certain exceptions as stated in the EU Directive 1999/44/EC**) from the date of Your purchase (“Warranty Period”). The Warranty Period will be extended by each whole day that the Product is out of Your possession for repair under this warranty.
b. Creative will cover the labor charges incurred by Creative in repairing or replacing the defective parts during the Warranty Period from the date of your purchase.
c. You will not have to pay for any such replacement parts.
d. Creative also warrants that the repaired or replaced parts will be free from defects in material and workmanship for the remainder of the Warranty Period.
e. For the limited warranty of the Product’s Liquid Crystal Display, please refer to the Creative Support Web Page at www.creative.com/support. - This warranty gives You specific legal rights. You may also have other rights, which vary from state to state and country to country. The terms of this warranty do not exclude such rights or limit them. Your statutory rights are unaffected. Some states and countries do not allow (i) exclusions of, or limitations on, certain liabilities or warranties, including but not limited to how long a warranty lasts, the exclusion or limitation of incidental or consequential damages, or the exclusion of liability for injury (including death) caused by negligence, (ii) the inclusions of certain asymmetrical terms in warranties, or (iii) the expiration of all legal claims after a fixed time, so certain of the above limitations, exclusions or asymmetrical terms may not apply to You depending on the relevant jurisdiction. If adjudged invalid, such term(s) would be severable without affecting the validity of the other terms.
- Creative does not warrant uninterrupted or error-free operation of the Product. Creative is not responsible for damage arising from failure to follow all or any instructions relating to the Product’s use. Creative is not under any obligation to support the Product for all operating environments, including but not limited to, interoperability with both current and future versions of software or hardware.
- For Products that are capable of storing data: Creative is not responsible or liable for any data stored on the Product that is lost, deleted or becomes otherwise inaccessible. All data may be deleted from the Product during servicing. You should remove or make a backup copy of any data stored on the Product before sending the Product to Creative.
- If a problem develops during the Warranty Period, please refer to www.creative.com/support or contact Your retailer/reseller. Please note that: (i) You must provide proof of original purchase of the Product by a dated itemized receipt; (ii) You shall bear the cost of shipping (or otherwise transporting) the Product to Creative. Creative will bear the cost of shipping (or otherwise transporting) the Product back to You after completing the warranty service; (iii) Before You send the Product to Creative, You must be issued a Return Merchandise Authorisation (“RMA”) number from www.creative.com/support. Clearly write the RMA number on the outside of the package containing the Product being sent to Creative. Creative will not accept a return that does not have a RMA number on the outer packaging; and (iv) You can only return the defective Product(s) not excluded under Section 9 below. Creative is not responsible for other products or accessories returned with the defective Product(s). Creative reserves the right to change the method by which Creative may provide warranty service to you, and your Product’s eligibility to receive a particular method of service. Service will be limited to the options available in the country where service is requested. Service options, parts availability and response times may vary according to country. For further details on Creative Warranty terms, Product returns and repair procedure, Creative customer support services and contact information, please refer to the support section of Creative’s web site at www.creative.com/support.
- The limited warranty does not apply to:
a. Consumable parts, such as batteries or protective coatings that, due to their nature, tend to diminish over time, unless failure has occurred due to a defect in materials or workmanship;
b. Damage caused by normal wear and tear, abnormal use or conditions, misuse, neglect, abuse, accident, improper handling or storage, defects or damages resulting from service, testing, adjustment, installation, maintenance, alteration, including without limitation, software changes, or modification in any way by someone other than Creative or its authorised service centres, improper use of any electrical source, undue physical or electrical stress, operator error, non-compliance with instructions or other acts which are not the fault of Creative, including damage or loss during shipment or transit.
c. Damage from external causes such as floods, storms, fires, sand, dirt, earthquakes, an Act of God, exposure to sunlight, weather, moisture, heat, vibration or corrosive environments, electrical surges, battery leakage, theft, or damage caused by the connection to other products not recommended for interconnection.
d. Damage or loss of data due to (i) interoperability with either or both current and future versions of operating systems or other current or future software and hardware, (ii) a computer virus, worm, spyware, Trojan horse or memory content corruption, or (iii) malfunction or defect of the Product.
e. Counterfeit products/parts or any accompanying products/parts that are incompatible with the Product.
f. Any Product that: (i) has had its serial number altered, defaced or removed; (ii) shows evidence of tampering; (iii) mismatched board serial numbers; or (iv) has non-conforming or non-Creative housing or casing.
g. Any accessories including but not limited to disposable alkaline batteries, removable fuses, screen protectors, plugs and pouches.
h. Any defect occurring after the expiration of the Warranty Period or where Creative was not advised in writing of an alleged defect or malfunction within seven (7) days after the expiration of the Warranty Period. - Any Product determined by Creative to be warranty-expired, warranty-void or not in need of repair will be subject to a minimum non-refundable diagnostic and handling fee. In the event that You fail to make the payment, Creative may, at its sole discretion, dispose of the Product without notice and liability to You.
- Subject to any non-excludable limit under applicable law, the maximum liability under this limited warranty is the original price paid for the Product (excluding any shipping and additional charges). Creative and its affiliated companies will not be liable for any other losses or damage unless liability is non-excludable under applicable law. The remedy stated is Your exclusive remedy for breach of warranty. Any action or lawsuit for breach of this limited warranty must be commenced within eighteen (18) months following the original purchase of the Product or within the limitation period under applicable law.
- INSOFAR AS PERMITTED BY LAW, THE PRODUCT AND THE SERVICED PRODUCT IS PROVIDED “AS IS”. TO THE EXTENT PERMITTED BY APPLICABLE LAW, CREATIVE AND ITS AFFILIATED COMPANIES HEREBY DISCLAIM THE APPLICABILITY OF ANY IMPLIED WARRANTY OF MERCHANTABILITY, FITNESS FOR A PARTICULAR PURPOSE OR USE FOR THE PRODUCT AND/OR THE SERVICED PRODUCT. CREATIVE AND ITS AFFILIATED COMPANIES WILL NOT BE LIABLE FOR ANY INDIRECT, INCIDENTAL, SPECIAL, PUNITIVE OR CONSEQUENTIAL DAMAGES, INCLUDING BUT NOT LIMITED TO ANY LOST PROFITS, SAVINGS, DATA, OR LOSS OF USE, ANY THIRD PARTY CLAIMS, AND ANY INJURY TO PROPERTY OR BODILY INJURY (INCLUDING DEATH) TO ANY PERSON, ARISING FROM OR RELATING TO THE USE OF THE PRODUCT OR ARISING FROM BREACH OF THE WARRANTY, BREACH OF CONTRACT, NEGLIGENCE, TORT, OR STRICT LIABILITY, EVEN IF CREATIVE OR ANY OF ITS AFFILIATED COMPANIES HAS BEEN ADVISED OF THE POSSIBILITY OF SUCH DAMAGES.
- For Australia only: Our goods come with guarantees that cannot be excluded under the Australian Consumer Law. You are entitled to a replacement or refund for a major failure and for compensation for any other reasonably foreseeable loss or damage. You are also entitled to have the goods repaired or replaced if the goods fail to be of acceptable quality and the failure does not amount to a major failure. Goods presented for repair may be replaced by refurbished goods of the same type rather than being repaired. Refurbished parts may be used to repair the goods. (Creative Technology Ltd, 31 International Business Park, #03-01 Creative Resource, Singapore 609921. Telephone: +65 6895 4101 (standard international call charges apply.))
- This is the entire warranty and supersedes all prior and contemporaneous agreements or understandings, oral or written, relating to warranty coverage for the Product, and no representation, promise or condition not contained herein will modify these terms.
- Update(s) of this Limited Hardware Warranty may be posted at www.creative.com/support. An Update will replace any earlier version upon posting on the web site. You are advised to check for Update(s).
** A seller in the European Union (EU) may be entitled to refuse to repair or replace the goods if it is (i) impossible or (ii) disproportionate (eg. where the costs are unreasonably high for the seller) to do so, taking into account the value the goods would have had (if there were no lack of conformity), the significance of the lack of conformity and where an alternative remedy would be completed without significant inconvenience to the consumer. In such cases, the consumer may ask for an appropriate reduction of the price or have the contract rescinded. The consumer is not entitled to have the contract rescinded if the lack of conformity (or defect or fault) is minor. In which case, the seller is entitled to turn down a request for rescission of the contract in such a situation. For further details, please refer to Articles 3(3), 3(5) and 3(6) of the EU Directive 1999/44/EC.
http://creative.com/warranty
IMPORTANT REGULATORY SAFETY INSTRUCTIONS
Use a mains plug / cord that is appropriate for your country or region. DO NOT operate the product with other power sources.
Water and Moisture
CAUTION: Do not expose this apparatus to dripping or splashing fluids, and ensure that no objects filled with liquids – such as vases – are placed on the apparatus.
Placement
Place the product near a socket outlet, which is easily accessible.
Servicing
Do not attempt to service any part of the product yourself as opening or removing covers may expose you to dangerous voltage or other hazards. Refer all servicing to qualified service personnel.
FOR PRODUCT(S) WITH BUILT-IN POWER SUPPLY
Safety Warnings on Bottom or Rear of Product Enclosure
The lightning flash arrowhead within an equilateral triangle is intended to alert the user to the presence of non insulated, ‘dangerous voltage’ within the product(s)’s enclosure that may be of sufficient magnitude to constitute risk of electric shock to persons.
The exclamation point within an equilateral triangle is intended to alert the user to the presence of important operating and maintenance (servicing) instructions in the literature accompanying this product(s).
This Equipment is for in-house use only.
This Equipment is a Class II or double insulated electrical appliance. It has been designed in such a way that it does not require a safety connection to electrical earth.
Markings on the Power switch. “I” means product is powered on and “0” means the product is cut off from mains supply. – Applicable for products with Mains switch.
WARNING
DO NOT OPEN
TO PREVENT THE RISK OF ELECTRIC SHOCK, DO NOT REMOVE PRODUCT(S) COVERS (OR BACKS). NO USER-SERVICEABLE PARTS INSIDE. REFER SERVICING TO QUALIFIED SERVICE PERSONNEL.
TO PREVENT ELECTRIC SHOCK HAZARD, DO NOT CONNECT TO MAINS POWER SUPPLY WHILE GRILLE IS REMOVED.
– WHERE APPLICABLE.
TO REDUCE THE RISK OF FIRE OR ELECTRIC SHOCK, DO NOT EXPOSE THIS APPARATUS TO RAIN OR MOISTURE.
For product(s) with grounding-type plug, it shall be connected to a mains socket with protective earthing connection. For detachable power cordset, the mains plug and appliance coupler used as the disconnecting device, shall remain readily operable. For non detachable power cordset, the mains plug used as the disconnecting device shall remain readily operable. Where an all-pole mains switch is used as the disconnect device, it shall remain readily operable.
Additional guidelines for wireless devices
• The short wave radio frequency signals of a wireless device may impair the operation of other electronic and medical devices.
• Switch off the device where it is prohibited. Do not use the device in medical facilities, aircraft, refueling points, close to automatic doors, automatic fire alarms or other automatically controlled devices.
• Keep this device at least 20 cm from pacemakers and other medical devices. Radio waves may impair the operation of pacemakers and other medical devices.
Waste Electrical and Electronic Equipment (WEEE) Symbol
The use of the WEEE Symbol indicates that this product may not be treated as household waste. By ensuring this product is disposed of correctly, you will help protect the environment. For more detailed information about the recycling of this product, please contact your local authority, your household waste disposal service provider or the shop where you purchased the product.
Notice for Europe
SAFETY & REGULATORY INFORMATION
CAUTION: This product is intended for use with FCC/CE certified computer equipment.
Please check the equipment operating/installation manual and/or with the equipment manufacturer to verify/confirm if your equipment is suitable prior to the installation or use of the product.
European Compliance
This product complies with all applicable directives, a copy of the EU DoC is available at creative website.
CAUTION: To comply with the Europe CE requirement, this device must be installed with CE certified computer equipment which meet with Class B limits.
All cables used to connect this device must be shielded, grounded and no longer than 3m in length. Operation with non-certified computers or incorrect cables may result in interference to other devices or undesired effects to the product.
MODIFICATION: Any changes or modifications not expressly approved by Creative Technology Limited or one of its affiliated companies could void the user’s warranty and guarantee rights.
Notice for Singapore
(Applicable for wireless products)
Complies with IMDA Standards DA107311
FOR PRODUCT(S) WITH BUILT-IN POWER SUPPLY
Important Safety Instructions
- Read these instructions.
- Keep these instructions.
- Heed all warnings.
- Follow all instructions.
- Do not use this apparatus near water.
- Clean only with dry cloth.
- Do not block any ventilation openings. Install in accordance with the manufacturer’s instructions.
- Do not install near any heat sources such as radiators, heat registers, stoves, or other apparatus (including amplifiers) that produce heat.
- Do not defeat the safety purpose of the polarized or grounding-type plug. A polarized plug has two blades with one wider than the other. A grounding type plug has two blades and a third grounding prong. The wide blade or the third prong are provided for your safety. If the provided plug does not fit into your outlet, consult an electrician for replacement of the obsolete outlet.
- Protect the power cord from being walked on or pinched particularly at plugs, convenience receptacles, and the point where they exit from the apparatus.
- Only use attachments/accessories specified by the manufacturer.
- Use only with the cart, stand, tripod, bracket, or table specified by the manufacturer, or sold with the apparatus. When a cart is used, use caution when moving the cart/apparatus combination to avoid injury from tip-over.
- Unplug this apparatus during lightning storms or when unused for long periods of time.
- Refer all servicing to qualified service personnel. Servicing is required when the apparatus has been damaged in any way, such as power-supply cord or plug is damaged, liquid has been spilled or objects have fallen into the apparatus, the apparatus has been exposed to rain or moisture, does not operate normally, or has been dropped.
- No naked flame sources, such as lighted candles, should be placed on the apparatus.”
- The ventilation and ports should not be impeded by covering the ventilation openings with items, such as newspapers, table-cloths, curtains, etc

REGISTER YOUR PRODUCT TECHNICAL SUPPORT
creative.com/register creative.com/support
© 2019 Creative Labs Pte. Ltd. All rights reserved. Creative and the Creative logo are trademarks or registered trademarks of Creative Technology Ltd in the United States and/or other countries. The Bluetooth® word mark and logo are owned by the Bluetooth SIG, Inc. and any use of such marks by Creative Technology Ltd is under license. All other trademarks are the property of their respective owners and are hereby recognized as such. All specifications are subject to change without notice. Actual product may differ slightly from images shown. Use of this product is subject to a limited warranty.
References
Creative Worldwide SupportCreative Stage
Creative Technology - Declaration of Conformity
Creative Technology - Online Product Registration
Creative Worldwide Support
Creative Worldwide Support
Creative Worldwide Support - Creative Stage
creative.com/warranty
Creative Technology - Declaration of Conformity
Creative Worldwide Support
Creative Labs (United States) | Sound Blaster Sound Cards, Super X-Fi, Speakers and Soundbars, Webcams, Headphones and Gaming Headsets
creative.com/warranty


















