
Stage 800BA Subwoofer

THANK YOU for choosing the JBL Stage 800BA powered subwoofer. To ensure maximum performance, we strongly recommend that you have it installed by a qualified professional – while these instructions offer general installation guidance, they do not show specific installation methods for your particular vehicle. If you do not have the necessary tools or hands-on experience, do not attempt the installation yourself; instead, ask your authorized JBL car-audio dealer about professional installation options.

INSTALLATION
IMPORTANT: Disconnect the vehicle’s negative (–) battery terminal before beginning the installation.
• Always wear protective eyewear when using tools.
• When making electrical connections, make sure they are secure and properly insulated.
• If you must replace the fuse, be sure to use the same type of fuse and current rating as that of the original.
CHOOSING A MOUNTING LOCATION
Choose a location that doesn’t prevent you from loading or unloading cargo, interfere with fold-down seats, or keep you from being able to open or close the trunk lid, or interfere with the safe operation of the vehicle.
STAGE 800BA WIRING
You’ll make all signals and connections, and adjust all settings at the panel on the back of the Stage 800BA.
The package includes a wiring harness that features all necessary wires for power, ground, and signal, and plugs into the “INPUT” connector on the back panel of the Stage 800BA. It also includes a pair of RCA adapters for use with speaker-level inputs.
| Wiring harness | ||
| +12V | 16AWG | Red |
| GND | 16AWG | Black |
| Remote in | 22AWG | Blue/white |
| RCA | White – left Red – rig | |
| Speaker-level input adapters | ||
| RCA | White – left Red – right | |
| L+ | 22AWG | Gray |
| L- | 22AWG | Gray/Black |
| R+ | 22AWG | Green |
| R- | 22AWG | Green/black |
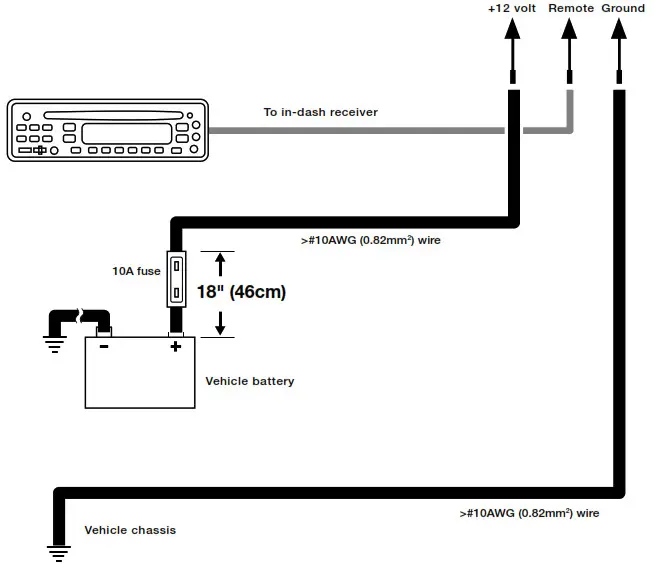
FOR POWER
Connect the end of the red 16-gauge power wire to your vehicle’s + (positive) battery terminal. Note: If an extension cable is necessary because of your mounting location, we recommend that you connect the extension to the power wire using solder. You must also install a fuse holder with a 10A fuse in-line and within 18″ of the battery.
FOR GROUND
Connect the 16-gauge black ground wire to a solid, metal point on the vehicle’s chassis using a ring terminal. Use sandpaper to clear the paint from the metal surface at the chassis location. Use a star-type lock washer to secure the wire.

REMOTE IN
If you’re using line-level inputs to provide a signal to the Stage 800BA (see below), uncouple the bullet connector on the blue/white wire, and connect the longer wire marked with “REMOTE IN” to the remote output wire on your source unit.

If you’re using speaker-level inputs to provide signal to the Stage 800BA (see below), you must leave the bullet connector coupled so that the blue/white wire makes a loop.

When you’ve made all the necessary power and signal connections to the Stage 800BA wiring harness, plug the harness into the input marked “INPUT”.

GETTING SIGNAL TO THE STAGE 800BA
If your head unit has single or dual subwoofer outputs, use RCA patch cables to connect them to the line-level inputs of the Stage 800BA harness. For single subwoofer outputs, use an RCA Y-adapter cable to connect to the Stage 800BA line-level inputs. If your head unit offers stereo subwoofer outputs, connect to the line-level inputs of the Stage 800BA harness using stereo RCA patch cables.

SPEAKER-LEVEL SIGNAL INPUTS
If your head unit only has speaker-level outputs, use the included speaker-level input adapters. Splice the gray and gray/black wires into your vehicle’s front left speaker wires, and the green and green/black wires into your vehicle’s front right speakers wires (using solder is recommended). Then plug each adapter in to the RCA inputs of the Stage 800BA harness.

BASS LEVEL REMOTE
If you’re using a compatible JBL RBC remote bass level controller (sold separately at https://www.jbl.com), plug its connector directly in the REMOTE input on the back panel.

POWER AND PROTECT LEDs
The back panel includes two LED indicators. When POWER is illuminated, the Stage 800BA is turned on. When PROTECT is illuminated, the Stage 800BA has entered protect mode due to overheating or over/under-voltage conditions.

SETTING THE GAIN, CROSSOVER, PHASE, AND BASS BOOST
Adjusting the gain lets you match the input sensitivity of Stage 800BA with the output of your receiver, and match the relative volume to the rest of the speakers in your vehicle. 1. Start with gain control set to minimum, and the crossover control and bass control rotated midway.
2. Choose music with substantial bass content and turn the volume control on your receiver to ¾ of its total output.
3. Adjust the gain control clockwise, listening carefully to the bass output. If you hear distortion, turn the gain control counterclockwise to decrease the gain.

4. Switch the phase back and forth between 0 and 180 degrees to determine which setting provides the cleanest bass output.
5. Adjust the crossover control (between 60Hz and 200Hz) until the Stage 800BA plays only low-frequency information – you should not hear elements such as vocals coming from the woofer.

6. Adjust the Bass EQ control clockwise or counterclockwise between 0 and 9 dB to enhance the bass output to suit your taste.
| SPECIFICATIONS | |
| Amplifier Power | : 100Wrms; 200W peak |
| Frequency Response | : 30Hz –200Hz |
| Fuse | : 10A |
| Maximum Current Draw | : 9.5A |
| Quiescent Current Draw 50mV – 16V Universal Interface | : <0.5A |
| Crossover Frequency | : 60Hz – 200Hz |
| Crossover Slope | : 12dB/octave |
| Bass Boost | : up to +9dB @ 60Hz |
| Dimensions (W x H x D1 x D2) | : 9-7-8″ x 11-1/4″ x 10-3/8″ x 8″ (250mm x 285mm x 263mm x 203mm) |

HARMAN International Industries, Incorporated ~ 8500 Balboa Boulevard,
Northridge, CA 91329 USA
© 2018 HARMAN International Industries, Incorporated. All rights reserved. JBL is a trademark of HARMAN International Industries, Incorporated, registered in the United States and/or other countries. Features, specifications, and appearance are subject to change without notice.
JBL 1-Year Transferable Limited Warranty
This is an important document. Attach your bill of sale to this card and keep it in a safe place. Your bill of sale is your warranty The J BL warranty remains in effect for one year from the date of the first consumer purchase.
WHO IS PROTECTED BY THIS WARRANTY
The JBL warranty protects the original owner and all subsequent owners, provided that the JBL product was purchased from an authorized dealer in the United States or purchased by military personnel from an authorized military outlet.
A copy of the original dated bill of sale must be presented whenever warranty service is required.
WHAT IS COVERED BY THIS WARRANTY
Except as specified below, the JBL warranty covers all defects in material and workmanship. The following are not covered: damage caused by accident, misuse, abuse, product modification or neglect; damage occurring during shipment; damage from failure to follow instructions contained in the instruction manual; damage resulting from the performance of repairs by someone not authorized by JBL; damage caused by the installation of parts that do not conform to JBL specifications; units used for commercial or business use; any claims based on misrepresentations by the seller; products sold on an “as-is” or final sale basis; or the cost of installing, removing or reinstalling the unit. JBL’s liability is limited to the repair or replacement, at our option, of any defective product and shall not include incidental or consequential damages. JBL reserves the right to replace a discontinued model with a comparable model. Any replacement units or parts may be new or rebuilt. NOTE: Repair of our product must be done by an authorized dealer or service center. The unauthorized repair will void the warranty and is done at the risk of the consumer.
TO OBTAIN WARRANTY SERVICE
If you require warranty service, please contact your dealer for assistance. If this is not possible and you live in the United States, please visit our Web site at www.jbl.com or call 800-336-4525 for information on how to obtain service or replacement. If purchased outside the United States, contact your local dealer or distributor for repair or replacement.
DO NOT RETURN PRODUCTS TO THE JBL FACTORY WITHOUT AUTHORIZATION; THEY WILL BE RETURNED UNOPENED
You are responsible for transporting your product for repair or replacement. The JBL manufacturer will pay reasonable return charges for delivery to any location in the con continental United States, Alaska, or Hawaii if the repair or replacement is covered under the warranty. Please save the original shipping carton(s), as a charge will be made for additional cartons. Correspondence with JBL Customer Service should be addressed to: J BL Customer Service, 8500 Balboa Boulevard, Northridge, CA 91329. Outside the United States, please contact your local distributor. This warranty gives you specific legal rights. You may also have other rights, which vary from state to state. Some states do not allow the exclusion or limitation of incidental or consequential damages or limitations on how long an implied warranty lasts, so the above may not apply to you.
HARMAN International Industries, Incorporated 8500 Bal boa Boulevard, Northridge, CA 91329
© 2010 HARMAN International Industries, Incorporated. All rights reserved. JBL is a trademark of HARMAN International Industries, Incorporated, registered in the United States and/or other countries.
Part No. 1YEARWARJBL
HARMAN International Industries, Incorporated
8500 Balboa Boulevard
Northridge, CA 91329
Dear Customer,
Congratulations and thank you for choosing JBL. Please take a moment to complete the enclosed profile card. The information we gather will enable us to keep you informed of our latest advancements and will help us to better understand your needs and fulfill your expectations.
For more than 50 years, JBL has been the professional’s top choice in music and film recording and reproduction. From the stage to the recording studio to the living rooms and automobiles of critical audiophiles, JBL sets the standard for accuracy and dynamic musical performance.
We’ve maintained this enviable position through rigorous research into analog and digital technologies and psychoacoustics. The results of this research drive the development of new designs and materials, extracting even greater levels of performance.
We’re confident that the JBL products you have chosen will surpass your expectations, and that the next time you consider the purchase of an audio product, you will again think of JBL. Once again, thank you for selecting JBL.. HARMAN International Industries, Incorporated
A Message from the JBL manufacturer and the Consumer Electronics Association:
Selecting fine audio equipment, such as the unit you have just purchased, is only the start of your musical enjoyment. Now it is time to consider how you can maximize the fun and excitement your equipment offers. JBL and the Electronics Industry Association’s Consumer Electronics Group want you to get the most out of your equipment by playing it at a safe level; one that lets the sound come through loud and clear without annoying blaring or distortion – and, most importantly, without affecting your sensitive hearing. Sound can be deceiving. Over time your hearing “comfort level” adapts to higher volumes of sound. What sounds “normal” can actually be loud and harmful to your hearing. Guard against this by choosing a safe level BEFORE your hearing adapts.
Sound can be deceiving. Over time your hearing “comfort level” adapts to higher volumes of sound. What sounds “normal” can actually be loud and harmful to your hearing. Guard against this by choosing a safe level BEFORE your hearing adapts.
TO ESTABLISH A SAFE LEVEL:
• Start your volume control at a low setting.
• Slowly increase the sound until you can hear it comfortably, clearly, and without distortion.
ONCE YOU HAVE ESTABLISHED A COMFORTABLE SOUND LEVEL:
• Do not exceed that level.
Taking a moment to do this now will help to prevent hearing damage or loss in the future. After all, we want you to listen for a lifetime.


















