NATIONAL INSTRUMENTS NI REM-11175 Digital Output Module for Remote I/O

Product Getting Started
NI REM-11175
- Digital Output Module for Remote I/O
Isolation Withstand Voltages
| Test section | 5 V communications power (logic), 24 V supply (I/O) | 5 V supply (logic)/functional earth ground | 24 V supply (I/O)/functional earth ground |
|---|---|---|---|
| Test voltage | 500 VAC, 50 Hz, 1 min. | 500 VAC, 50 Hz, 1 min. | 500 VAC, 50 Hz, 1 min. |
Electromagnetic Compatibility Guidelines
This product was tested and complies with the regulatory requirements and limits for electromagnetic compatibility (EMC) stated in the product specifications. These requirements and limits provide reasonable protection against harmful interference when the product is operated in the intended operational electromagnetic environment. This product is intended for use in industrial locations. However, harmful interference may occur in some installations, when the product is connected to a peripheral device or test object, or if the product is used in residential or commercial areas. To minimize interference with radio and television reception and prevent unacceptable performance degradation, install and use this product in strict accordance with the instructions in the product documentation.
Furthermore, any changes or modifications to the product not expressly approved by National Instruments could void your authority to operate it under your local regulatory rules.
Product Preparing the Environment
Ensure that the environment in which you are using the REM-11175 meets the following specifications.
- Operating temperature
- Operating humidity
- Pollution Degree
- Maximum altitude
Indoor use only. Refer to the device datasheet on ni.com/manuals for complete specifications.
Product Installation
Installing the REM-11175
Label Color
- Blue
- Red
- Green
- Yellow
- White
Table 1. Module Function Labels
| Module Function | Digital input | Digital output | Analog input, thermocouple | Analog output | Bus coupler, power module |
|---|
Installing Bus Connectors
Complete the following steps to install bus connectors on the DIN rail.
- Insert the bus connector for the REM-11175 into the DIN rail.
- Caution: Verify that you are using the correct bus connector for the module width.
Product Usage Instructions
- Ensure that the environment in which you are using the REM-11175 meets the specifications mentioned in the user manual.
- Verify that all the items mentioned in the kit contents are included.
- To prevent electrostatic discharge (ESD) from damaging the device, ground yourself using a grounding strap or by holding a grounded object, such as your computer chassis.
- Unpack the REM-11175 and inspect the device for loose components or any other sign of damage. Never touch the exposed pins of connectors.
- Install the bus connector for the REM-11175 into the DIN rail. Verify that you are using the correct bus connector for the module width.
Information
This document explains how to connect to the REM-11175.
Note: The guidelines in this document are specific to the REM-11175. The other components in the system might not meet the same safety ratings. Refer to the documentation for each component in the system to determine the safety and EMC ratings for the entire system.
Caution: Do not operate the REM-11175 in a manner not specified in this document. Product misuse can result in a hazard. You can compromise the safety protection built into the product if the product is damaged in any way. If the product is damaged, return it to NI for repair.
Isolation Withstand Voltages
| Test section | Test voltage |
| 5 V communications power (logic), 24 V supply (I/O) | 500 VAC, 50 Hz, 1 min. |
| 5 V supply (logic)/functional earth ground | 500 VAC, 50 Hz, 1 min. |
| 24 V supply (I/O)/functional earth ground | 500 VAC, 50 Hz, 1 min. |
Electromagnetic Compatibility Guidelines
This product was tested and complies with the regulatory requirements and limits for electromagnetic compatibility (EMC) stated in the product specifications. These requirements and limits provide reasonable protection against harmful interference when the product is operated in the intended operational electromagnetic environment.
This product is intended for use in industrial locations. However, harmful interference may occur in some installations, when the product is connected to a peripheral device or test object, or if the product is used in residential or commercial areas. To minimize interference with radio and television reception and prevent unacceptable performance degradation, install and use this product in strict accordance with the instructions in the product documentation. Furthermore, any changes or modifications to the product not expressly approved by National Instruments could void your authority to operate it under your local regulatory rules.
Preparing the Environment
Ensure that the environment in which you are using the REM-11175 meets the following specifications.
- Operating temperature: -25 °C to 60 °C
- Operating humidity: 5% RH to 95% RH, non-condensing
- Pollution Degree: 2
- Maximum altitude: 3,000 m
- Indoor use only.
Note: Refer to the device datasheet on ni.com/manuals for complete specifications.
Verifying the Kit Contents
Verify that the following items are included in the REM-11175 kit.

- NI REM-11175
- Bus connector
- Supply voltage connector
- Spring-terminal block (x8)
Unpacking the Kit
Caution: To prevent electrostatic discharge (ESD) from damaging the device, ground yourself using a grounding strap or by holding a grounded object, such as your computer chassis.
- Touch the antistatic package to a metal part of the computer chassis.
- Remove the device from the package and inspect the device for loose components or any other sign of damage.
- Caution: Never touch the exposed pins of connectors.
- Note: Do not install a device if it appears damaged in any way.
- Unpack any other items and documentation from the kit.
- Store the device in the antistatic package when the device is not in use.
Installation
Installing the REM-11175

- Bus connector
- REM-11175
- Module function label
- Supply voltage connector
- Spring-terminal block
- LED indicators
Table 1: Module Function Labels
| Label Color | Module Function |
| Blue | Digital input |
| Red | Digital output |
| Green | Analog input, thermocouple |
| Yellow | Analog output |
| White | Bus coupler, power module |
Installing Bus Connectors
What to Use
- Bus connector
- DIN rail
What to Do
Complete the following steps to install bus connectors on the DIN rail.

- Insert the bus connector for the REM-11175 into the DIN rail.
- Caution: Verify that you are using the correct bus connector for the module width.
- Slide the bus connector along the DIN rail until it connects to the preceding bus connector.
- Note: A bus connector will not attach to a preceding bus connector with a mounted module. Remove the preceding module before installing additional bus connectors.
- Repeat Steps 2 and 3 for additional bus connectors.
Installing the Module
What to Use
- REM-11175
- Mounted bus connector
What to Do
- Complete the following steps to install the REM-11175 on the DIN rail.

- Align the REM-11175 over the appropriate bus connector.
- Note: Verify that the bus connector socket aligns with the socket on the underside of the module.
- Press the REM-11175 directly onto the bus connector and DIN rail until it clicks into place.
- Caution: Tilting the module when mounting it on the DIN rail will damage the contacts.
Installing Spring-Terminal Blocks
What to Use

- REM-11175
- Spring-terminal block
What to Do
- Align the spring-terminal block over the REM-11175 and press until it clicks into place.
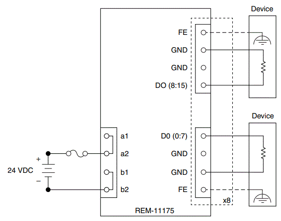
REM-11175 Pinout

Table 2: REM-11175 Signal Descriptions
| Signal | Color | Description | |
| a1, a2 | Red | 24 VDC (UO) | Supply to digital output modules (internally jumpered) |
| b1, b2 | Blue | GND | Reference potential of the supply voltage (internally jumpered) |
| 00 to 07 | Orange | DO0…DO7 | Digital outputs 0 to 7 |
| 40 to 47 | Orange | DO8…DO15 | Digital outputs 8 to 15 |
| 10 to 17, 50 to 57 | Blue | GND | Reference potential for all channels |
| 20 to 27, 60 to 67 | Blue | GND | Reference potential for all channels |
| 30 to 37, 70 to 77 | Green | FE | Functional earth ground (FE) |
Figure 3: REM-11175 LEDs

Table 3: LED Indicators
| LED | LED Color | LED Pattern | Indication |
|
D | Green | Solid | The REM-11175 is ready for operation. |
| Flashing | Data is invalid or unavailable. | ||
| Green/Yellow | Flashing | The REM-11175 cannot communicate with the connected devices. | |
|
D |
Yellow | Solid | The REM-11175 did not detect a valid cycle after power-on. |
| Flashing | The REM-11175 is not part of the configuration. | ||
|
Red | Solid | The REM-11175 has lost connection to the Bus Coupler. | |
| Flashing | The REM-11175 has lost connection to the preceding adjacent module. | ||
| — | Off | The REM-11175 is in reset mode. |
| UO | Green | Solid | Supply to digital output module present. |
| — | Off | No supply to digital output modules. | |
| E1 | Red | Solid | Breakdown or overload/short-circuit of an output. |
| — | Off | No I/O error. | |
| 00 to 07, 40 to 47 | Yellow | Solid | Output is set. |
| — | Off | Output is not set. | |
| 10 to 17, 50 to 57 | Red | Solid | Short-circuit/overload of the output. |
| — | Off | No short-circuit/overload of the output. |
Connections
Connecting the REM-11175

- DO terminals supply the digital output voltages.
- GND provides a path for return current to flow.
- The output switches the load directly.
- FE is an optional, device-dependent connection.
- FE provides functional earth ground.
Note: For information about fuse ratings for the REM-11175, refer to the device datasheet on ni.com/manuals.
Connection Guidelines
- Make sure that devices you connect to the REM-11175 are compatible with the module specifications.
- Push the wire into the terminal when using a solid wire or a stranded wire with a ferrule.
- Open the terminal by pressing a screwdriver into the spring lever when using a stranded wire without a ferrule.
Removing Components
Removing Spring Terminal Blocks
- Complete the following steps to remove a spring-terminal block from the REM-11175.

- Press the locking latch to release the spring-terminal block.
- Tilt the block toward the center of the module.
- Remove the connector from the module.
Removing the REM-11175
- Remove all connections before removing the REM-11175, either by disconnecting the cables or removing the spring-terminal block.
What to Use
- Flathead Screwdriver
What to Do
- Complete the following steps to remove the REM-11175 from the DIN rail.

- Insert the screwdriver and loosen the base latches on either end of the module.
- Remove REM-11175 perpendicular to the DIN rail.
Caution: Tilting the module when removing it from the DIN rail will damage the contacts.
Removing Bus Connectors
- Complete the following steps to remove bus connectors from the DIN rail.
What to Use
- Flathead Screwdriver
What to Do
Note: You must remove the preceding module before removing the bus connector.

- Slide the bus connector away from the preceding bus connector at least 5.0 mm (0.20 in.).
- Insert the screwdriver and loosen both latches on one side of the DIN rail.
- Rotate the bus connector to remove it from the DIN rail.
Note: If you want to remove a bus connector in the middle of the system, you must remove any modules or bus connectors following the desired connector or slide them along the DIN rail at least 15.0 mm (0.60 in.).
Where to Go Next

SUPPORT
Software Support
Support
Services
NI Community
Worldwide Support and Services
The NI website is your complete resource for technical support. At ni.com/support, you have access to everything from troubleshooting and application development self-help resources to email and phone assistance from NI Application Engineers.
Visit ni.com/services for NI Factory Installation Services, repairs, extended warranty, and other services.
Visit ni.com/register to register your NI product. Product registration facilitates technical support and ensures that you receive important information updates from NI. A Declaration of Conformity (DoC) is our claim of compliance with the Council of the European Communities using the manufacturer’s declaration of conformity. This system affords the user protection for electromagnetic compatibility (EMC) and product safety. You can obtain the DoC for your product by visiting ni.com/certification. If your product supports calibration, you can obtain the calibration certificate for your product at ni.com/calibration. NI corporate headquarters is located at 11500 North Mopac Expressway, Austin, Texas, 78759-3504. NI also has offices located around the world. For telephone support in the United States, create your service request at ni.com/support or dial 1 866 ASK MYNI (275 6964). For telephone support outside the United States, visit the Worldwide Offices section of ni.com/niglobal to access the branch office websites, which provide up-to-date contact information, support phone numbers, email addresses, and current events.
Refer to the NI Trademarks and Logo Guidelines at ni.com/trademarks for information on NI trademarks. Other product and company names mentioned herein are trademarks or trade names of their respective companies. For patents covering NI products/technology, refer to the appropriate location: Help»Patents in your software, the patents.txt file on your media, or the
National Instruments Patent Notice at ni.com/patents. You can find information about end-user license agreements (EULAs) and third-party legal notices in the readme file for your NI product. Refer to the Export Compliance Information at ni.com/legal/export-compliance for the NI global trade compliance policy and how to obtain relevant HTS codes, ECCNs, and other import/export data. NI MAKES NO EXPRESS OR IMPLIED WARRANTIES AS TO THE ACCURACY OF THE INFORMATION CONTAINED HEREIN AND SHALL NOT BE LIABLE FOR ANY ERRORS. U.S. Government Customers: The data contained in this manual was developed at private expense and is subject to the applicable limited rights and restricted data rights as set forth in FAR 52.227-14, DFAR 252.227-7014, and DFAR 252.227-7015.
© 2016 National Instruments. All rights reserved.
References
Engineer Ambitiously - NI
Engineer Ambitiously - NI
Calibration Services - NI
Product Certifications - NI
NI Community - National Instruments
NI Learning Center - NI
Using Info Codes - NI
Product Documentation - NI
National Instruments Patents - NI
Log In - National Instruments
NI Services - NI
Support - NI
NI Trademarks and Logo Guidelines - NI
Calibration Services - NI
Product Certifications - NI
Product Documentation - NI
Product Documentation - NI
Contact Us - NI
Log In - National Instruments
NI Services - NI
Support - NI
REM-11175 National Instruments Digital Module for Remote I/O | Apex Waves














