Danfoss OP-MSTM Optyma Slim Pack Condensing Units


| Optyma™ Slim Pack electrical box ingress protection level is IP54 to avoid quick A2L refrigerant migration. Sealing needs to be maintained and any damage on sealing needs to be repaired appropriately. (See section 8 – Safety) |
| E-Box door must always be closed during operation and after service/periodic maintenance. |
| Installation and servicing of the condensing units by qualified personnel only. Follow these instructions and sound refrigeration engineering practice relating to installation, commissioning, maintenance and service. |
| The condensing unit must only be used for its designed purpose(s) and within its scope of application and according to instruction. Refrigerant to be used as per specification with respect to model. |
| Under all circumstances, the EN378 (or other applicable local safety regulation) requirements must be fulfilled. |
| The condensing unit is delivered under nitrogen gas pressure (2 bar(gauge) and hence it cannot be connected as it is; refer to the «installation» section for further details. |
| The condensing unit must be handled with caution in the vertical position (maximum offset from the vertical : 15°) |
| Condensing units can be used with A2L refrigerants, necessary care to be taken during installation and servicing. |
| In case of A2L refrigerants, all components on the refrigeration circuit must be A2L certified. Example: Evaporator. |
| For PED Cat I & II models: Pressure relief valve shall be mounted in refrigerant system during field installation. PRV should be mounted on receiver vessel. |
Relevant Standards and Directive
EN 378-2:2016: Refrigerating Systems And Heat Pumps-Safety And Environmental Requirements.
EN 60335-1: Household And Similar Electrical Appliances – Safety –Part 1: General Requirements
Low Voltage Directive n° 2014 / 35 / UE
Machinary Directive n° 2006 / 42 / CE
Pressure Equipment Directive (PED) no. 2014/68/EU
RoHS Directive 2011/65/EU
WEEE Directive 2012/19/EU
(Other local applicable standards)
Introduction
These instructions pertain to Optyma TM Slim Pack condensing units OP-LSVM, MSTM, MSSM and MSIM (R448A, R449A, R452A, R407A, R407F, R507, R404A, R134a, R513A, R1234yf, R454C & R455A) used for refrigeration systems. They provide necessary information regarding safety and proper usage of this product.
The condensing unit includes following:
- Scroll/reciprocating compressor
- Microchannel heat exchanger
- Dual pressure switches
- Service valves suction / liquid with schrader Valve
- AC Fan motor for B1 & B2, EC Fan motor for B3 units
- Weather proof housing
- Filter drier (Flare connections)
- Cranckcase heater for compressor
- Receiver with stop valve
- Sight glass (Flare connections)
- IP54 fully pre-wired electrical panel (including compressors contactor, overload relay, timer)
- Fans speed controller*
- Main switch with extended Rotary handle**
- Components connected are equipped with Schrader port
* Factory pre-mounted for W09, not factory premounted for W05.
** Only for W09
Handling and storage
- It is recommended not to open the packaging before the unit is at the final place for installation.
- Handle the unit with care. The packaging allows for the use of a forklift or pallet jack. Use appropriate and safe lifting equipment. Store and transport the unit in an upright position.
- Store the unit between -35°C and 50°C.
- Don’t expose the packaging to rain or corrosive atmosphere.
- After unpacking, check that the unit is complete and undamaged.
Installation precautions
![]() | Do not braze as long as the condensing unit is under pressure. |
| It’s not allowed to operate the unit in flammable atmosphere. | |
| Place the unit in such a way that it is not blocking or hindering walking areas, doors, windows or similar. | |
| A2L refrigerants are heavier than air. Unit has to be installed above floor level to have a good compressor compartement ventilation. | |
| PRV: For PED Cat I & II models, PRV shall be mounted at field during installation. |
- Ensure adequate space around and below the unit for proper air circulation and to open doors. Refer to Annex – A, Picture 1 for minimum distance to walls and ground.
- Avoid installing the unit in locations which are daily exposed to direct sunshine for longer periods.
- Avoid installing the unit in aggressive and dusty environments.
- Ensure a foundation with horizontal surface (less than 3° slope), strong and stable enough to carry the entire unit weight and to eliminate vibrations and interference.
- The unit ambient temperature shall not exceed 50°C during off-cycle.
- Ensure that the power supply corresponds to the unit characteristics (See nameplate in unit).
- When installing units for R454C, R455A & R1234yf refrigerants, use equipment specifically reserved for mildly flammable refrigerant which was never used for other CFC, HFO or HCFC refrigerants.
- Use clean and dehydrated refrigeration-grade Copper / Aluminium tubes with appropriate thickness and silver alloy brazing material.
- Use clean and dehydrated system components.
- The suction piping connected to the compressor
must be flexible in 3 dimensions to dampen vibrations. Furthermore piping has to be done in such a way that oil return for the compressor is ensured and the risk of liquid slug over in compressor is eliminated. - In Optyma condensing unit has suction and liquid service valve with schrader port for field service operation
PRV Valve (Not factory fitted)
![]() | For Optyma™ Slim Pack, Condensing units which are fall in PED cat I & II, PRV shall be fitted (See Technical data for PED category in Annex A). |
| PRV is used as damage limiting device, not as pressure limiting device. |
- PRV to be fitted on liquid receiver at 3/8″ NPT Connection. (Refer Coolselector2 for PRV spare part code). Use Locatite 554 for PRV fitment.
- Torque: 40Nm (Don’t exceed given torque )

- Installer need to take care of where to blow the leaked refrigerant. Danfoss recommended to blow refrigerant away form condensing unit.
- Recommended to change PRV when after discharge, Changing refrigerant.
- Don’t remove the seal and attempt to reset the valve.
- Valves must be installed vertically or Horizontally, but ensure PRV to be fitted above system’s liquid level.
- Ensure refrigerant is released safely to the atmosphere directly.
- Incase of hazard, additional spare kit has been designed in order to collect the released refrigerant. Kit should be installation with proper piping routing for discharge of refrigerant safely. (See picture below)

PRV should not be installed on service valve. - Replace PRV after clean out of system or bared out.
- No Detachable joints and valves should not accessible to public. All brazing joints should comply with EN 14276-2 and other permanent joints should comply with EN-16084.
Installation
- Installation/servicing of Optyma™ Slim Pack condensing units must be carried out by qualified personnel with respect to applicable local/ international regulation.
- The installation in which the condensing unit is installed must comply to EC Pressure directive (PED) no. 2014/68/EU. The condensing unit itself is not a ”unit” in the scope of this directive.
- The unit must be securely installed on a stable and rigid support, and fixed from the beginning. See Annex-A, Picture 2.
- It is recommended to install the unit on rubber grommets or vibration dampers (not supplied).
- Slowly release the nitrogen holding charge through the schrader port. Refer image Annex-A, Picture 3.
- Connect the unit to the system as soon as possible to avoid oil contamination from ambient moisture.
- Avoid material entering into the system while cutting tubes. Never drill holes where burrs cannot be removed.
- Braze with great care using state-of-the-art technique and vent piping with nitrogen gas flow.
- Connect the required safety and control devices. When the schrader port is used for this, remove the dummy cap.
- It is recommended to insulate the suction pipe from evaporator up to the compressor inlet with 19 mm thick insulation.
- Make sure there is no refrigerant or damage inside unit and crack in pipes.
- Make sure that all components inside electrical box are protected against electrical overload and ‘‘not source of ignition’’ from its respective manufacturer for approved refrigerants.
- Field wiring must be routed through IP65 cable glands and cable entry plate only. For any additional wire routing, drilling or piercing electrical panel sides strictly prohibited.
- For field wiring, only required hole to be pierced. No pierced hole should be left without cable in it. If undesired/unwanted piercing happens entire gland plate should be replaced .

- Partition panel has dedicated openings for pre ventilation, do not seal/obstruct/close the openings in any manner.

- In the event of uncertain leakages, To avoid refrigerant concentration in compressor compartment, compressor has a on-time delay of 30 seconds (factory setting) do not reduce the setting below 30 seconds.
- Copper piping material should comply with EN12735-1. And all pipe joints should comply with EN14276-2
- At filed installation, support to added according to size and weight. Recommended maximum spacing for pipe support as per EN12735-1 & EN12735-2
- Connecting pipes shall be made before opening the valves to permit refrigerant to flow between the refrigerating system parts.
Leak detection
![]() | Never pressurize the circuit with oxygen or dry air. This could cause fire or explosion. |
- Do not use dye for leak detection.
- Perform a leak detection test on the complete system.
- The maximum test pressure is 25 bar.
- When a leak is discovered, repair the leak and repeat the leak detection.
Vacuum dehydration
- Never use the compressor to evacuate the system.
- Connect a vacuum pump to both the LP & HP sides.
- Vacuum pump must be certified to use in A2L refrigerant environment or ATEX certified.
- Pull down the system under a vacuum of 500 μm Hg (0.67 mbar) absolute.
- Do not use a megohmmeter nor apply power to the compressor while it is under vacuum as this may cause internal damage.
Electrical connections
- Verify that all electrical connections inside the condensing unit are properly fastened as they could have worked loose during transportation.
- Switch off and isolate the main power supply.
- Ensure that power supply can not be switched on during installation.
- All electrical components must be selected per EN60335-1, EN60204 or local applicable standard and unit requirement.
- Refer to wiring diagram for electrical connections details.
- All electrical components must be qualified to use A2L refrigerants and ‘‘not source of ignition’’.
- Ensure that the power supply corresponds to the unit characteristics and that the power supply is stable (allowable voltage tolerance ±10% and allowable frequency tolerance ±2,5 Hz).
- The power supply cables must be according to unit data for voltage, current and ambitent condition. Refer Nameplate for voltage and current information.
- Protect the power supply and ensure correct earthing.
- Optyma™ Slim pack condensing unit starting frequency need to be limited for reciprocating compressors
- Without starting capacitor 5 starts per hour maximum.
- With starting capacitor 10 starts per hour maximum.
- Make the power supply according to local standards and legal requirements.
- The unit is equipped with high and low pressure switches, which directly cuts the power supply to the compressor and provides 230V AC alarm signals (max. 50VA) in case of activation (Alarm signal wirings must be done on field. Refer wiring diagram for more details). Parameters for high and low pressure cut outs should be set by installer considering compressor model, refrigerant and application.
- Determine the phase sequence by using a phase meter in order to establish the phase orders of line phases L1, L2 and L3.
- Connect line phases L1, L2 and L3 to main switch terminals T1, T2 and T3 respectively.
- Timer should have minimum setting of 30 sec for pre ventilation. Rotate clockwise and set arrow to 30s marking or above (refer below image)

- B3 units (both W05 & W09 versions) assembled with EC fan Motor are equipped with Potentiometer of 10kohms (refer below image and wiring diagram). These are factory set for Fan to rotate at 80% speed. This is done to restrict the Noise emission and suitable to operate at 43°C Ambient. If the Fan speed to be increased, rotate the Potentiometer setting in clockwise direction.

![]() | Do not use any Hand tools to modify the Potentiometer setting. This operation must be done by Hands with proper PPE. |
| Do not rotate this Potentiometer setting screw in Counter-clockwise direction. This can potentially reduce the fan speed, risking the performance and compressor safety |
Safety
![]() | Electrical box door should be in closed condition before connecting to power supply. |
| Discharge tube temperature will go upto 120°C during unit running condition. | |
| Recommended to install PRV inside unit and release of refrigerant should routed to atmosphere directly. |
Units will be with 3/8″ NPT adapter plug. User can select various options as mentioned in EN378- 2:2016 Article § 6.2.2.3
- The unit/installation into which the condensing unit is mounted/integrated, must be in accordance with the PED.
- As per EU F-gas regulation, R1234yf, R454C & R455A are considered as A2L refrigerant. Optyma™ Slim Pack units are qualified with R1234yf, R454C & R455A. All precaution and safety measure to be taken care before and after installation.
- All Optyma™ Slim pack condensing units are supplied with adjustable dual pressure switch (KP-17WB) with maximum 0.5A current rating.
- In order to avoid electric arc between hermetic connector pins, compressor must not start or electrical tests such dielectric strength must not be performed while the refrigerating system under vacuum.
- All components should be compatible to use with specified refrigerants according to Optyma™ Slim Pack condensing units codes .Refer Annex A.
- Optyma™ Slim Pack condensing units have pre ventilation via condenser fan prior to compressor starting (30 seconds). Never disconnect or modify timer settings.
- Beware of hot and extremely cold components.
- Beware of moving components. Power supply should be disconnected while servicing.
- Danfoss always recommend to main IP54 electrical box. In case of any damage to rubber gasket, customer should replace immediately.
- Compressor has Internal overload protector (OLP). Its will protect compressor pressure going beyond 32 bar pressure.
- No valves and detachable joints shall be located in areas accessible to the general public except when they comply with EN 16084
- Refrigerant piping shall be protected or enclosed to avoid damage.
- Field piping should be installed such that it will be free from corrosive or salty environment to avoid corrosion in copper /Aluminum piping.
- In case of fire incidence, pressure increases due to increasing in temperature at receiver. Hence it is very important to install the PRV.
Filling the system
- Before filling the refrigerant into the Optyma™ Slim Pack condensing unit wear appropriate Personal Protective Equipment (PPE).
- Never start the compressor under vacuum. Keep the compressor switched of If additional oil is required please refer to the compressors label for type of oil. Check the Compressor application guideline for minimum oil level limit before refilling.
- Use only the refrigerant for which the unit is designed for. Check unit name plate for more details.
- For glide refrigerants such as R454C, R455A, R448A, R449A, R452A use liquid valve in the refrigerant cylinder to charge.
- Fill the refrigerant in liquid phase into the condenser or liquid receiver. Ensure a slow charging of the system to 4 – 5 bar for R448A, R449A, R452A, R407A, R407F, R507, R404A, , R454C or R455A and approx. 2 bar for R134a, R513A. R1234yf.
- Do not put liquid refrigerant through suction line.
- It is not allowed to mix additives with the oil and/or refrigerant. The remaining charge is done until the installation has reached a level of stable nominal condition during operation.
- Never leave the filling cylinder connected to the circuit.
- When charging A2L refrigerant make sure that the charging area is well ventilated
- The Liquid receiver is fitted with Rotolock Valve for service purpose. As a factory setting, the valve will be in completely OPEN position. During maintenance and Pump down, the Valve must be Rotated in Clockwise direction until it is in completely CLOSED position.
- Suction, Liquid valves and Receiver Rotolock valves as Schrader port for service operation like Gas Charging, pressure measurement.
Verification before commissioning
![]() | Use safety devices such as safety pressure switch and mechanical relief valve (not supplied) in compliance with both International and local applicable regulations and safety standards. Ensure that they are operational and properly set. |
| Check that the settings of high- pressure switches and relief valves don’t exceed the maximum service pressure of any system component. |
- Verify that all electrical connections are properly fastened and in compliance with international and local regulations.
- When a crankcase heater is required, it must be energized at least 12 hours before initial start-up and start-up after prolonged shut-down period.
- Crankcase heater must be firmly fixed with compressor shell. Ensure that it does not fall down.
- Electrical panel door must be firmly closed using the knob in door panel. For W09 version only, the front door of the Electrical box is fastened by 4 screws on each corners.
- All interconnecting tubes with (liquid and suction) Optyma™ Slim pack condensing unit must be sized properly depending upon the evaporator location.
- Pressure drop in the suction and liquid line pipes must be evaluated as per evaporator location and distance (refer coolselector2).
- Optyma™ Slim Pack condensing units suction/ discharge pressure and temperatures must be within the operating envelope, never operate condensing unit suction pressure below absolute pressure (vacuum).
Start-up
- Never start the unit when no refrigerant is charged.
- All service valves must be in the open position. See picture 3.
- Check compliance between unit and power supply.
- Check that the crankcase heater is working.
- Check that the fan can rotate freely.
- Check that the protection sheet has been removed from the backside of condenser.
- Balance the HP/LP pressure.
- Energize the unit. Condenser fan must start promptly and after 30 seconds of time delay the compressor starts (pre ventilation).
- If the fan motor rotation direction is correct the low pressure indication on the low pressure gauge shall show a declining pressure and the high pressure indication on the high pressure gauge shall show an increasing pressure.
- Ensure you have read the installation guideline that is delivered with the condensing unit
- Only use the correct refrigerant(s) as detailed on the data plate
- Check compressor oil level
- Check all mechanical connections are tight
- Check all electrical overload settings are correct (See Annex D – Wiring Drawing).
Check with running unit
- Check the fan rotation direction. Air must flow from the condenser towards the fan.
- Check current drawn and voltage.
- Check suction superheat to reduce risk of liquid slugging.
- For glide refrigerants use temperature difference between saturated dew point at suction pressure and Suction line temperature on the tube.
- When a compressor sight glass is provided observe the oil level at start and during operation to confirm that the oil level remains visible. • Respect the operating limits.
- Optyma™ Slim Pack condensing units are designed to operate up to 43°C. During normal operation or peak operation, saturated dew point condensing temperature not to exceed corresponding to 63 °C for R448A, R449A, R452A, R454C, R455A. Saturated dew point condensing temperature not to exceed corresponding to 65 °C for R134a, R513A & R1234yf.
- Check all interconnecting tubes are free from abnormal vibrations. If in case of excess vibrations, require corrective measures such as supporting brackets, clamps.
- When needed, additional refrigerant in liquid phase may be added in the low-pressure side as slow and far away as possible from the compressor. The compressor must be operating during this process.
- Do not overcharge the system.
- Follow the local regulations for restoring the refrigerant from unit.
- Never release refrigerant to free atmosphere.
- Before leaving the installation site, carry out a general installation inspection regarding cleanliness, noise and leak detection.
- Record type and amount of refrigerant charge as well as operating conditions as a reference for future inspections.
- Check refrigerant charge and running currents of motors to ensure correct operation
- Check compressor suction superheat to reduce risk of liquid slugging
- Allow the system to run for 3 – 4 hours. Check compressor oil level and top up with the correct oil type as identified on the data plate of the unit and compressor
- Recheck the compressor oil level again after 24 hours operation
- Carry out final leak test and ensure all covers are fitted and all screws fastened
- Complete refrigerant labelling to comply with local standard.
- Scroll Compressors are allowed to Operate at maximum of 12 Start/Stop cycles per hour.
- Reciprocating Compressors are allowed to Operate at maximum of 10 Start/Stop cycles per hour.
- Ensure maintenance is carried out in accordance with the installation instructions .
Maintenance
![]() | Always switch off the unit at main switch before removing fan panel. |
| Internal pressure and surface temperature are dangerous and may cause permanent injury. Maintenance operators and installers require appropriate PPEs, skills, tools to carryout the maintenance activity. Tubing temperature may exceed 100°C and can cause severe burns. | |
| Ensure that periodic service inspections to ensure system reliability and as required by local regulations are performed. |
To prevent system related problems, following periodic maintenance is recommended:
- Verify that safety devices are operational and properly set.
- Ensure that the system is leak tight.
- Check the compressor current draw.
- Confirm that the system is operating in a way consistent with previous maintenance records and ambient conditions.
- Check that all electrical connections are still adequately fastened.
- Keep the unit clean and verify the absence of rust and oxidation on the unit components, tubes and electrical connections.
- Micro channel heat exchanger surface adequately cleaned to avoid clogging.
- Timer setting are set at 30 seconds during normal running condition.
- Optyma™ Slim Pack condensing units are factory fitted with flare type filter drier. While changing the filter drier ensure that proper model designation and direction of flow. Ensure to conduct the leakage check after replacement. The condenser must be checked at least once a year for clogging and be cleaned if deemed necessary. Access to the internal side of the condenser takes place through the fan panel. Microchannel coils tend to accumulate dirt on the surface rather than inside, which makes them easier to clean than fin- &-tube coils.
- Switch off the unit at main switch before removing any panel from the condensing unit.
- All electrical equipments, PPEs, tools must be compatiable and approved to use with A2L refrigerants like R454C, R455A & R1234yf.
- Remove surface dirt, leaves, fibres, etc. with a vacuum cleaner, equipped with a soft brush or other soft attachment. Alternatively, blow compressed air through the coil from the inside out, and brush with a soft bristle. Do not use a wire brush. Do not impact or scrape the coil with the vacuum tube or air nozzle.
If the refrigerant system has been opened, the system has to be flushed with dry air or nitrogen to remove moisture and a new filter drier has to be installed. If evacuation or recovery of refrigerant has to be done, it shall be done in such a way that no refrigerant can escape to the environment.
Service panel removal procedure for W05 Version.

Step 1: Make sure that power supply has been disconnected.
Step 2: Remove all top panel screws and then remove Top panel.
Step 3: Remove all side panel screws.
Step 4: Remove side panel parallel to main switch.
Step 5: Electrical panel box should be in closed condition. Ensure there is no refrigerant penetration inside Electrical panel before connecting to power supply.
Service panel removal procedure for W09 Version.

Step 1: Disconnect power supply. Make sure main switch is in off condition before servicing.
Step 2: Remove all top panel screws and then remove Top panel.
Step 3: Remove all side panel screws.
Step 4: Remove side panel on parallel to main switch.
Step 5: Electrical panel box should be in closed condition. Ensure there is no refrigerant penetration inside Electrical panel before connecting to power supply.
Service panel removal procedure for W09 Version

Step 1: Pull the cap from the isolator switch using screw driver.
Step 2: Unscrew the isolator switch from the service panel.
Step 3: Take out the isolator switch.
Step 4: Removing the service panel.

Valve Fully Closed (Valve spindle entirely turned clockwise)
- 1,3 and 4 Connected
- 2 has not connection to other ports
Valve opened some turns (valve spindle somwher between open & close)
- 1,2, 3 and 4 Connected
Valve Fully Opened (Valve spindle entirely turned anti clockwise)
- 1,2 and 3 Connected
- 4 has not connection to other ports
Spindle completely closed
Spindle completely opened
Declaration of incorporation
Pressure Equipment Directive 2014/68/EU EN 378-2:2016 – Refrigerating systems and Heat Pumps – Safety and environmental requirements Parts 2: Design, construction, testing, marking and documentation
Low Voltage Directive 2014/35/EU EN 60335- 1:2012 + A11:2014- Household and similar electrical appliances-Safety-Part 1: General requirements-for all above mentioned condensing units
Eco-design DIRECTIVE 2009/125/ EC, establishing a framework for the setting of Ecodesign requirements for energy-related products. REGULATION (EU) 2015/1095, implementing Ecodesign Directive 2009/125/EC with regard to Ecodesign requirements for professional refrigerated storage cabinets, blast cabinets, condensing units and process Chiller.
- Condensing unit measurements are produced according to standard “EN 13771- 2:2017”. Compressor and condensing units for refrigeration-performance testing and test methods- part 2: Condensing units. Eco design declaration; refer Danfoss Coolselector®2 with code number (114X….) to find the declaration.
- IEC 60335-2-40 applicable clauses Annex JJ and Annex NN.
Warranty
Always transmit the model number and serial number with any claim filed regarding this product.
The product warranty may be invalied in following cases:
- Absence of nameplate.
- External modifications; in particular, drilling, welding, broken feet and shock marks.
- Compressor opened or returned unsealed.
- Rust, water or leak detection dye inside the compressor.
- Use of a refrigerant or lubricant not approved by Danfoss.
- Any deviation from recommended instructions pertaining to installation, application or maintenance.
- Use in mobile applications.
- Use in explosive atmospheric environment.
- No model number or serial number transmitted with the warranty claim.
Disposal
Danfoss recommends that condensing units and oil should be recycled by a suitable company at its site.
Dual Pressure switch – Factory settings
| Refrigerants | High pressure settings (bar (g)) | Low pressure settings (bar (g)) | ||
ON | OFF | ON | OFF | |
| R404A/R507/R407A/R407F/R448A/R449A/R452A,R454C, R455A | 23 | 27 | 2 | 0.6 |
| R134a/R513A | 13 | 17 | 2 | 0.6 |
Dual Pressure switch – Refrigerant setting
| Refrigerants | High pressure settings (bar (g)) | Low pressure settings (bar (g)) | ||
| ON | OFF | ON | OFF | |
| R134a, R513A, R1234yf | 14 | 17 | 2 | 0.6 |
| R404A/R507, R452A | 24 | 27 | 2 | 0.6 |
| R454C | 19 | 23 | 2 | 0.6 |
| R455A | 21 | 25 | 2 | 0.6 |
| R448A/R449A | 22 | 26 | 2 | 0.6 |
Fan speed controller setting – AC Fan Motor (B1 & B2 Chassis models)
| FSC type | Fan speed Controller Spare part number | Refrigerant letter | For Refrigerant | Factory setting | Action required* |
XGE-2C | 061H3144 | S | R134a/R513A/R1234yf | 8 bar | 360°=1 turn = Approx 0.8 bar (Clockwise rotation = Increase pressure setting, Counter clockwise rotation = Decrease pressure setting) |
| 061H3248 | V | R404A/R452A/R507 | 15 bar | ||
X | R404A/R507/ R407A/R407F/R448A/ R449A/R452A (Except R134a and R513A) | 15 bar | |||
T | R404A / R507, R455A, R454C, R448A/ R449A, R452A | 15 bar | |||
I | R404A / R507, R407A, R407F, R448A, R449A, R452A, R454C, R455A (Except R134a and R513A) | 15 bar | Rotate the screw by 9 turns in counter clockwise direction to reach 8 bar |
* Installer can set the required setting based on application.
Fan speed controller setting EC Fan Motor (B3, W09)
| FSC type | Fan speed Controller Spare part number | Refrigerant letter | For Refrigerant | Factory setting | Recommended setting | Action required* |
XGE-4C | 061H3246 | I | R134a/R513A | 15 bar | 10 bar | Rotate the screw by 3 turns in counter clockwise direction to reach 10 bar |
| R404A / R507, R407A, R407F, R448A, R449A, R452A, R454C, R455A | 15 bar | 15 bar |
* Installer can set the required setting based on application.

Clockwise Direction = Increase the pressure setting.
Counter Clockwise Direction = Decrease the pressure setting
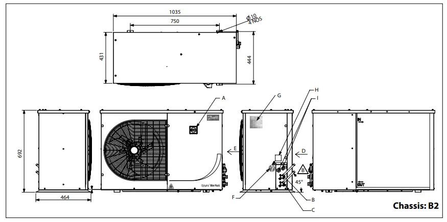
Annex – A
Technical data
Name plate

* For exact values please refer name plate in unit
A: Model
B: Code number
C: Serial Number and bar code
D: EAN number
E: Refrigerant
F: PED Category
G: Application, Ingress Protection
H: Maximum Allowable Pressure (HP side)
I: Maximum Allowable Pressure (LP side)
J: Test Pressure
K: Maximum allowable Design Temperature
L: Pressure Relief Valve set pressure

| L [mm] | M [mm] | N [mm] | O [mm] |
| 250 | 50 | 550 | 550 |
Designation system for the Optyma™ Slim Pack range

1 | Application M = MBP |
2 | Package Condensing unit family: S = Slim Pack |
3 | Refrigerant T = R404A/R507, R455A, R454C, R448A/R449A, R452A S = R134a, R513A, R1234yf |
4 | Condenser M = Microchannel heat condenser |
5 | Swept volume Displacement in cm3: Example 034 = 34 cm3 |
6 | Compressor platform DP/DX/DS = Fixed speed Reciprocating compressor |
7 | Version W05: Optyma™ Slim Pack standard version (see Version table) |
8 | Voltage code G = 230V/1-phase compressor & fan |
Version control
| Optyma™ Slim Pack | W05* | W09* |
| Condensing unit :IP level | IP54 | IP54 |
| Refrigerant | Group 1 / Group 2 | Group 1 / Group 2 |
| Compressor technology | Reciprocating / Scroll | Reciprocating / Scroll |
| Control box (pre-wired E-panel) | yes | yes |
| Microchannel condenser | yes | yes |
| Fan speed controller | – | yes |
| Main switch (circuit breaker) | – | yes |
| Filter drier (flare connections) | yes | yes |
| Sight glass | yes | yes |
| Crankcase heater | yes | yes |
| HP/LP adjustable pressostat | Auto/Manual reset mode | Auto/Manual reset mode |
| Access door(s) | yes for E-Box | yes for E-Box |
| Acoustic insulation | Provided as accessory. Not supplied with unit. | |
| Discharge gas thermostat (Provision) | yes | yes |
| HP/LP Alarm (Provision) | yes | yes |
| Electrical Box design | IP54 | IP54 |
| Adjustable time delay (Compressor) | yes | yes |
| Pressure Relief Valve** | – | – |
* Compatible with A2L refrigerant
** Accessory (Not factory mounted)

Technical data
| Application | Codes | Model | Compressor Model | Electrical Code | Refrigerant | Recei- ver (L) | PED category* | PS | Suction Valve | Liquid Valve | Hou- sing | Unit Dimensions (mm) | |||
| W05 | W09 | bar | Inch | Inch | H | W | L | ||||||||
| LBP | 114X7263 | 114X7295 | OP-LSVM014DP | DPT14LA | G | V | 1.3 | I | 32 | 3/8″ | 3/8″ | B1 | 530 | 910 | 364 |
| 114X7242 | 114X7296 | OP-LSVM016DP | DPT16LA | G | V | 1.3 | I | 32 | 3/8″ | 3/8″ | B1 | 530 | 910 | 364 | |
| 114X7227 | 114X7297 | OP-LSVM026DS | DST26NA | G | V | 3.4 | II | 32 | 1/2″ | 1/2″ | B2 | 690 | 1079 | 464 | |
| 114X7228 | 114X7298 | OP-LSVM034DS | DST34LA | G | V | 3.4 | II | 32 | 1/2″ | 1/2″ | B2 | 690 | 1079 | 464 | |
| 114X7244 | 114X7282 | OP-LSVM048NT | NTZ048-5 | G | V | 3.4 | II | 32 | 5/8″ | 1/2″ | B2 | 690 | 1079 | 464 | |
| 114X7245 | 114X7283 | OP-LSVM048NT | NTZ048-4 | E | V | 3.4 | II | 32 | 5/8″ | 1/2″ | B2 | 690 | 1079 | 464 | |
| 114X7247 | 114X7285 | OP-LSVM068NT | NTZ068-5 | E | V | 3.4 | II | 32 | 5/8″ | 1/2″ | B2 | 690 | 1079 | 464 | |
| MBP | 114X7226 | 114X7286 | OP-MSTM008DY | DLY80RAb | G | T | 1.3 | I | 32 | 3/8″ | 3/8″ | B1 | 530 | 910 | 364 |
| 114X7229 | 114X7287 | OP-MSTM009DY | DLY90RAb | G | T | 1.3 | I | 32 | 3/8″ | 3/8″ | B1 | 530 | 910 | 364 | |
| 114X7230 | 114X7288 | OP-MSTM012DP | DPT12RA | G | T | 1.3 | I | 32 | 3/8″ | 3/8″ | B1 | 530 | 910 | 364 | |
| 114X7238 | 114X7291 | OP-MSSM012SC | SC12G | G | S | 1.3 | I | 32 | 3/8″ | 3/8″ | B1 | 530 | 910 | 364 | |
| 114X7231 | 114X7289 | OP-MSTM014DP | DPT14RA | G | T | 1.3 | I | 32 | 3/8″ | 3/8″ | B1 | 530 | 910 | 364 | |
| 114X7239 | 114X7292 | OP-MSSM015SC | SC15G | G | S | 1.3 | I | 32 | 3/8″ | 3/8″ | B1 | 530 | 910 | 364 | |
| 114X7232 | 114X7290 | OP-MSTM018DX | DX18Tba | G | T | 1.3 | I | 32 | 3/8″ | 3/8″ | B1 | 530 | 910 | 364 | |
| 114X7240 | 114X7293 | OP-MSSM018SC | SC18G | G | S | 1.3 | I | 32 | 3/8″ | 3/8″ | B1 | 530 | 910 | 364 | |
| 114X7325 | 114X7327 | OP-MSTM021DX | DX21Tba | G | T | 3.4 | II | 32 | 1/2″ | 1/2″ | B2 | 690 | 1079 | 464 | |
| 114X7241 | 114X7294 | OP-MSSM021SC | SC21G | G | S | 1.3 | I | 32 | 3/8″ | 3/8″ | B1 | 530 | 910 | 364 | |
| 114X7233 | 114X7299 | OP-MSTM022DS | DS22TB | G | T | 3.4 | II | 32 | 1/2″ | 1/2″ | B2 | 690 | 1079 | 464 | |
| 114X7248 | 114X7304 | OP-MSSM026CS | CS26TB | G | S | 3.4 | II | 32 | 1/2″ | 1/2″ | B2 | 690 | 1079 | 464 | |
| 114X7234 | 114X7300 | OP-MSTM026DS | DS26TB | G | T | 3.4 | II | 32 | 1/2″ | 1/2″ | B2 | 690 | 1079 | 464 | |
| 114X7235 | 114X7301 | OP-MSTM026DS | DS26T3 | E | T | 3.4 | II | 32 | 1/2″ | 1/2″ | B2 | 690 | 1079 | 464 | |
| 114X7249 | 114X7305 | OP-MSSM030CS | CS30TB | G | S | 3.4 | II | 32 | 1/2″ | 1/2″ | B2 | 690 | 1079 | 464 | |
| 114X7237 | 114×7302 | OP-MSTM034DS | DS34TB | G | T | 3.4 | II | 32 | 1/2″ | 1/2″ | B2 | 690 | 1079 | 464 | |
| 114X7236 | 114X7303 | OP-MSTM034DS | DS34T3 | E | T | 3.4 | II | 32 | 1/2″ | 1/2″ | B2 | 690 | 1079 | 464 | |
| 114X7266 | 114X7274 | OP-MSIM034ML | MLZ015T4 | E | I | 3.4 | II | 32 | 3/4″ | 1/2″ | B2 | 690 | 1079 | 464 | |
| 114X7267 | 114X7275 | OP-MSIM034ML | MLZ015T5 | G | I | 3.4 | II | 32 | 3/4″ | 1/2″ | B2 | 690 | 1079 | 464 | |
| 114X7326 | 114X7328 | OP-MSTM038DS | DST38NA | G | T | 3.4 | II | 32 | 1/2″ | 1/2″ | B2 | 690 | 1079 | 464 | |
| 114X7268 | 114X7276 | OP-MSIM044ML | MLZ019T4 | E | I | 3.4 | II | 32 | 3/4″ | 1/2″ | B2 | 690 | 1079 | 464 | |
| 114X7269 | 114X7277 | OP-MSIM044ML | MLZ019T5 | G | I | 3.4 | II | 32 | 3/4″ | 1/2″ | B2 | 690 | 1079 | 464 | |
| 114X7270 | 114X7278 | OP-MSIM046ML | MLZ021T4 | E | I | 3.4 | II | 32 | 3/4″ | 1/2″ | B2 | 690 | 1079 | 464 | |
| 114X7271 | 114X7279 | OP-MSIM046ML | MLZ021T5 | G | I | 3.4 | II | 32 | 3/4″ | 1/2″ | B2 | 690 | 1079 | 464 | |
| 114X7272 | 114X7280 | OP-MSIM057ML | MLZ026T4 | E | I | 3.4 | II | 32 | 3/4″ | 1/2″ | B2 | 690 | 1079 | 464 | |
| 114X7273 | 114X7281 | OP-MSIM057ML | MLZ026T5 | G | I | 3.4 | II | 32 | 3/4″ | 1/2″ | B2 | 690 | 1079 | 464 | |
| 114X7311 | 114X7317 | OP-MSIM068ML | MLZ030T4 | E | I | 6.2 | II | 32 | 7/8″ | 1/2″ | B3 | 464 | 1105 | 825 | |
| 114X7312 | 114X7318 | OP-MSIM068ML | MLZ030T5 | G | I | 6.2 | II | 32 | 7/8″ | 1/2″ | B3 | 464 | 1105 | 825 | |
| 114X7313 | 114X7319 | OP-MSIM080ML | MLZ038T4 | E | I | 6.2 | II | 32 | 7/8″ | 1/2″ | B3 | 464 | 1105 | 825 | |
| 114X7314 | 114X7320 | OP-MSIM080ML | MLZ038T5 | G | I | 6.2 | II | 32 | 7/8″ | 1/2″ | B3 | 464 | 1105 | 825 | |
| 114X7315 | 114X7321 | OP-MSIM099ML | MLZ045T4 | E | I | 6.2 | II | 32 | 7/8″ | 1/2″ | B3 | 464 | 1105 | 825 | |
| 114X7316 | 114X7322 | OP-MSIM108ML | MLZ048T4 | E | I | 6.2 | II | 32 | 7/8″ | 1/2″ | B3 | 464 | 1105 | 825 | |
Annex – B,
KP switch settings

Annex – C,
GA & PID Drawings
OP-LSVM, MSTM, MSSM and MSIM
OP-LSVM, MSTM, MSSM and MSIM
OP-LSVM, MSTM, MSSM and MSIM
English Legend
A Isolator Switch (W09 only)
B Suction Valve
C Liquid Valve
D Air in
E Air out
F Door safety Lable
G Name Plate
H Oil inside
I Cable entry
Electrical Cables
Note: all dimension are in mm
W05 Models: OP-LSVM, MSTM, MSSM and MSIM
W09 Models: OP-LSVM, MSTM, MSSM and MSIM
English Legend
B1 Liquid receiver
B2 Filter drier (Flare)
B3 Sight glass (Flare)
D1 FSA connection (Flare)
E1 Liquid service valve
E2 Suction service valve
F1 Pressure Relief Valve
FSC Fan Speed Controller
SP 1/4 inch schrader port
PDI Dual pressure switch
V1 Recip compressor
W1 MHCE with fan
PSL Low Pressure side
PSH High Pressure side
Insulation
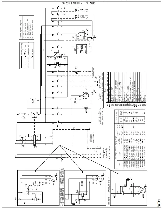
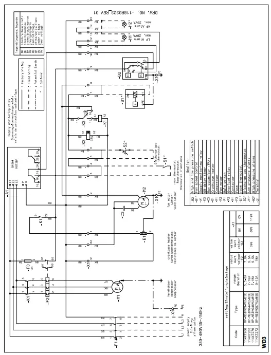
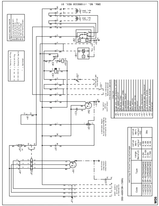
Annex – D,
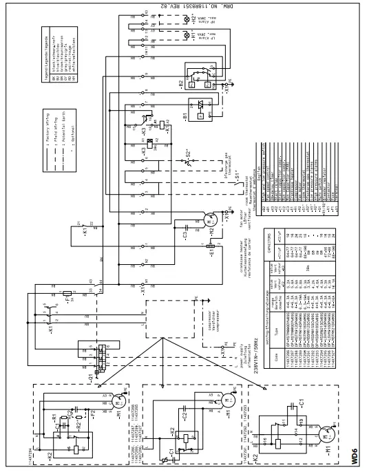
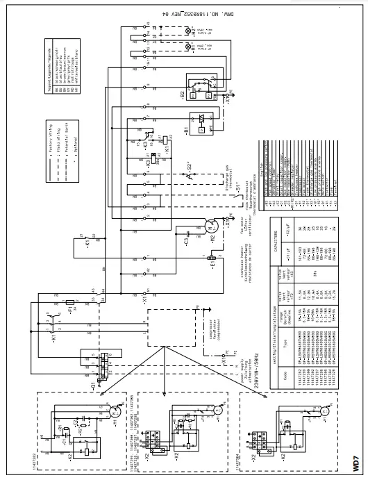
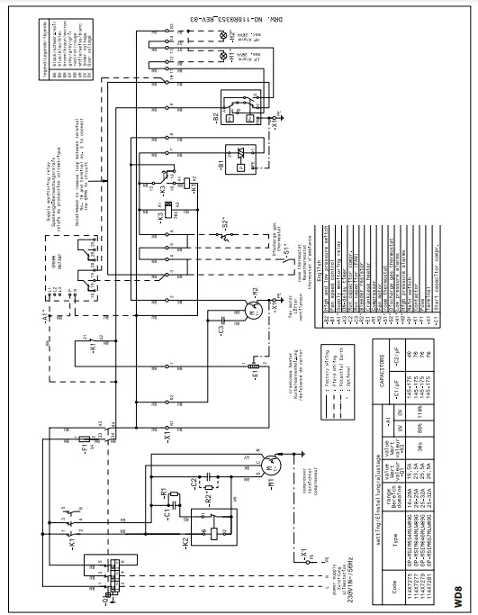
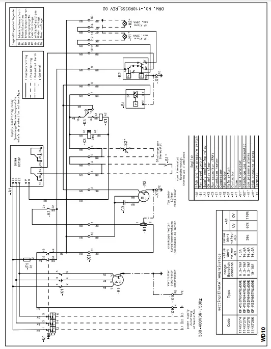
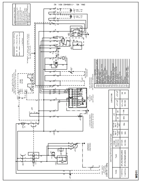
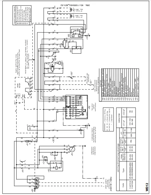
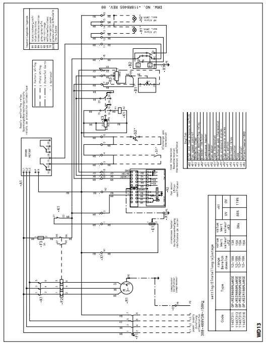
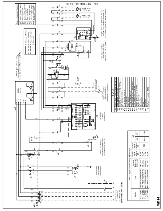
Wiring Diagram
Code G (W05): OP-MSSM021,OP-MSTM008,009,012,014,018,021,OP-LSVM016,014,OP-MSSM012,015,018

Code G (W05) : OP-MSIM034,044,046,057

Code E (W05) : OP-MSIM034,044,046,057

Code G (W05) : OP-LSVM048,068 & OP-MSTM022,026,034,038 & OP-LSVM026,034 & OP-MSSM030,026

Code E (W05) : OP-MSTM026,034 & OP-LSVM048,068

Code G (W09) : OP-MSTM008,009,012,014,018 & OP-MSSM012,015,018,021 & OP-LSVM014,016

Code G (W09) : OP-LSVM048,068 & OP-MSTM022,026,034 & OP-LSVM026,034 & OP-MSSM030,026,038

Code G (W09) : OP-MSIM034,044,046,057

Code E (W09) : OP-MSTM026,034 & OP-LSVM048,068

Code E (W09) : OP-MSIM034,044,046,057

Code G (W05) : OP-MSIM068,080

Code G (W09) : OP-MSIM068,080

Code E (W05) : OP-MSIM068,080,099,108

Code E (W09) : OP-MSIM068,080,099,108

English Legend
BK black
BU blue
BN brown
GY grey
RD red
WH white
A1 Voltage relay
A1* Voltage relay (option)
B1 Fan speed controller
B1* Fan speed controller (option)
B2 High and Low pressure switch
C1 Start capacitor compressor
C2 Run capacitor compressor
C3 Run capacitor fan
E1 Crankcase heater
F1 Main switch
F2 Overload relay
F3 Fuse control circuit
F4 Compressor thermal protector
H1 LP alarm
H2 HP alarm
K1 Contactor
K2 Start relay
K3 On-timer relay
M1 Compressor
M2 Fan motor
R1,R2,R2* Bleeder resistor
S1* Room thermostat (option)
S2* Discharge gas thermostat (option)
X1 Terminals
* Option (remove bridge)
Danfoss A/S
Climate Solutions • danfoss.com • +45 7488 2222
Any information, including. but not limited to information on selection of product, its application or use, product design, weight, dimensions, capacity or any other technical data in product manuals, catalogues descriptions, advertisements, etc. and whether made available in writing, orally, electronically, online or via download, shall be considered informative, and is only binding if and to the extent, explicit reference is made in a quotation or order confirmation. Danfoss cannot accept any responsibility for possible errors in catalogues, brochures, videos and other material. Danfoss reserves the right to alter its products without notice. This also applies to products ordered but not delivered provided that such alterations can be made without changes to form, fit or function of the product.
All trademarks In this material are property or Danfoss AIS or Danfoss group companies. Danfoss and the Danfoss logo are trademarks of Danfoss AIS. All rights reserved.







XGE-2C
XGE-4C

































