Danfoss OP-LSQM Optyma Slim Pack Condensing

OP-LSQM / LSHM / MSXM / MSHM / MSGM / MSBM
| Installation and servicing of the condensing units by qualified personnel only. Follow these instructions and sound refrigeration engineering practice relating to installation, commissioning, maintenance and service. |
| The condensing unit must only be used for its designed purpose(s) and within its scope of application. Refrigerant to be used as per specification with respect to model. |
| Under all circumstances, the EN378 (or other applicable local safety regulation) requirements must be fulfilled. |
| The condensing unit is delivered under nitrogen gas pressure (1 bar) and hence it cannot be connected as it is; refer to the «installation» section for further details. |
| The condensing unit must be handled with caution in the vertical position (maximum offset from the vertical : 15°) |
| For PED Cat I & II models: Pressure relief valve shall be mounted in refrigerant system during field installation. PRV should be mounted on receiver vessel. |
Relevant Standards and Directive
EN 378 -2:2016: Refrigerating Systems And Heat Pumps-Safety And Environmental Requirements.
EN 60335-1: Household And Similar Electrical Appliances – Safety –Part 1: General Requirements
Low Voltage Directive n° 2014 / 35 / UE
Machinary Directive n° 2006 / 42 / CE
Pressure Equipment Directive (PED) no. 2014/68/EU
RoHS Directive 2011/65/EU
WEEE Directive 2012/19/EU
(Other local applicable standards)
Introduction
These instructions pertain to OptymaTM Slim Pack condensing units OP-LSHM/MSHM/MSGM/ LSQM/MSXM/MSBM (R448A, R449A, R452A, R407A, R407F, R507, R404A, R134a, R513A) used for refrigeration systems. They provide necessary information regarding safety and proper usage of this product.
The condensing unit includes following:
- Scroll/reciprocating compressor
- Microchannel heat exchanger
- Dual pressure switches
- Service valves Suction/ liquid
- Weather proof housing
- Filter drier
- Cranckcase heater for compressor
- Receiver with stop valve
- Sight glass
- Phase sequence relay (scroll compressors)
- Fully pre-wired electrical panel (including main switch, compressors contactor, overload relay)
- Fan speed controller and External main switch (W09 only)
- Components connected are equipped with Schrader port
Handling and storage
- It is recommended not to open the packaging before the unit is at the final place for installation.
- Handle the unit with care. The packaging allows for the use of a forklift or pallet jack. Use appropriate and safe lifting equipment.
- Store and transport the unit in an upright position.
- Store the unit between -35°C and 50°C.
- Don’t expose the packaging to rain or corrosive atmosphere.
- After unpacking, check that the unit is complete and undamaged.
Installation precautions
![]() | Do not braze as long the condensing unit is under pressure. |
| Never place the unit in a flammable atmosphere | |
| Place the unit in such a way that it is not blocking or hindering walking areas, doors, windows or similar. | |
| PRV: For PED Cat I & II models, PRV shall be mounted at field during installation. |
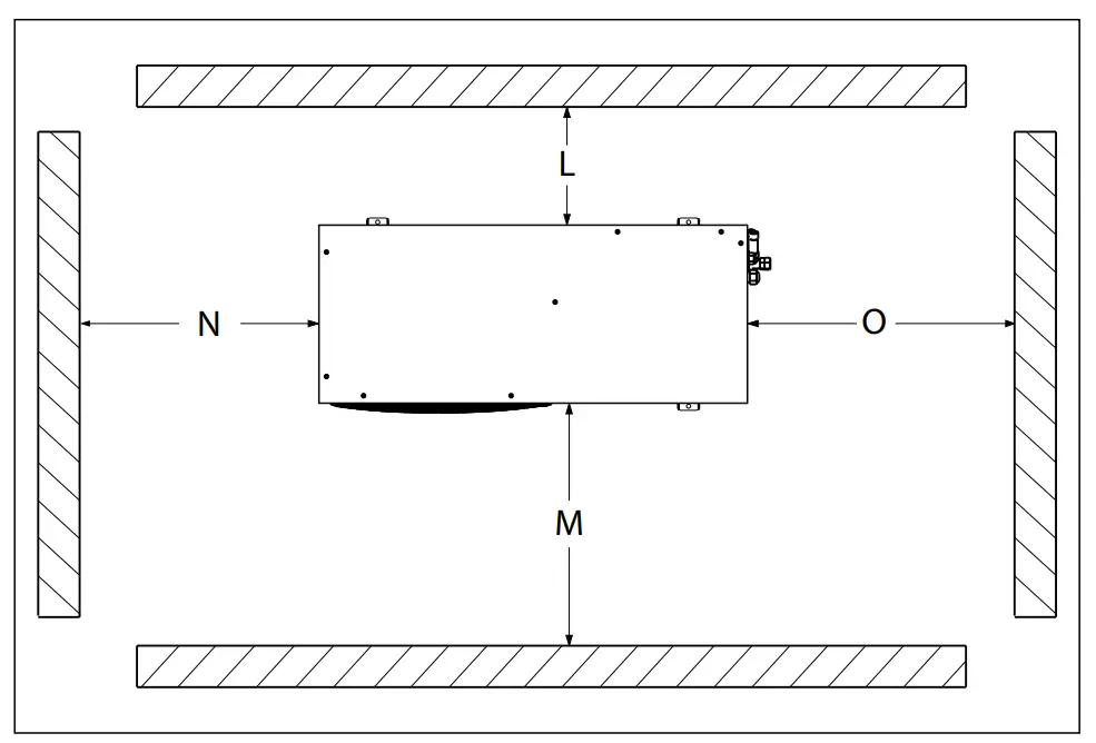
- Ensure adequate space around the unit for air circulation and to open doors. Refer to picture1 for minimal values of distance to walls.
- Avoid installing the unit in locations which are daily exposed to direct sunshine for longer periods.
- Avoid installing the unit in aggressive and dusty environments.
- Ensure a foundation with horizontal surface (less than 3° slope), strong and stable enough to carry the entire unit weight and to eliminate vibrations and interference.
- The unit ambient temperature may not exceed 50°C during off-cycle.
- Ensure that the power supply corresponds to the unit characteristics (see nameplate).
- When installing units for HFC or HFO refrigerants, use equipment specifically reserved for HFC or HFO refrigerants which was never used for CFC or HCFC refrigerants.
- Use clean and dehydrated refrigeration-grade copper tubes and silver alloy brazing material.
- Use clean and dehydrated system components.
- The suction piping connected to the compressor must be flexible in 3 dimensions to dampen vibrations. Furthermore piping has to be done in such a way that oil return for the compressor is ensured and the risk of liquid slug over in compressor is eliminated.
- In Optyma condensing unit has suction and liquid service valve with Schrader port for field service operation
PRV Valve
![]() | For Optyma™ Slim Pack, Condensing units which are fall in PED cat I & II, PRV shall be fitted (See Technical data for PED category in Annex A). |
| PRV is provided as Spare part,. Refer Coolselector2 |
- PRV to be fitted on liquid receiver at 3/8″ NPT Connection. (Refer Coolselector2 for PRV spare part code). Use Locatite 554 for PRV fitment.
- Torque: 40Nm (Don’t exceed given torque )

- Installer need to take care of where to blow the leaked refrigerant. Danfoss recommended to blow refrigerant away form condensing unit.
- Recommended to change PRV when after discharge, Changing refrigerant
- Valves must be installed vertically or Horizontally, but ensure PRV to be fitted above system’s liquid level.
- Ensure refrigerant is released safely to the atmosphere directly.
- Incase of hazard, additional spare kit has been designed in order to collect the released refrigerant. Kit should be installation with proper piping routing for discharge of refrigerant safely. (See picture below)

- PRV should not be installed on service valve.
- Replace PRV after clean out of system or bared out.
- No Detachable joints and valves should not accessible to public. All brazing joints should comply with EN 14276-2 and other permanent joints should comply with EN-16084.
Installation
- The installation in which the condensing unit is installed must comply to EEC Pressure directive (PED) no. 97/23/EC. The condensing unit itself is not a ”unit” in the scope this directive.
- The unit must be securely installed on a stable and rigid support, and fixed from the beginning. See picture 2.
- It is recommended to install the unit on rubber grommets or vibration dampers (not supplied).
- Slowly release the nitrogen holding charge through the schrader port.
- Connect the unit to the system as soon as possible to avoid oil contamination from ambient moisture.
- Avoid material entering into the system while cutting tubes. Never drill holes where burrs cannot be removed.
- Braze with great care using state-of-the-art technique and vent piping with nitrogen gas flow.
- Connect the required safety and control devices. When the schrader port is used for this, remove the internal valve.
- It is recommended to insulate the suction pipe up to the compressor inlet with 19 mm thick insulation.
- Copper piping material should comply with EN12735-1. And all pipe joints should comply with EN14276-2
- At filed installation, support to added according to size and weight. Recommended maximum spacing for pipe support as per EN12735-1 & EN12735-2
- Connecting pipes shall be made before opening the valves to permit refrigerant to flow between the refrigerating system parts.
Leak detection
![]() | Never pressurize the circuit with oxygen or dry air. This could cause fire or explosion. |
- Do not use dye for leak detection.
- Perform a leak detection test on the complete system.
- The maximum test pressure is 31*) bar.
- When a leak is discovered, repair the leak and repeat the leak detection.
*) 25 bar for OP-…….AJ…. & OP-…….FH…. models
Vacuum dehydration
- Never use the compressor to evacuate the system.
- Connect a vacuum pump to both the LP & HP sides.
- Pull down the system under a vacuum of 500 μm Hg (0.67 mbar) absolute.
- Do not use a megohmmeter nor apply power to the compressor while it is under vacuum as this may cause internal damage.
Electrical connections
- 7 – Electrical connections
- Switch off and isolate the main power supply.
- Ensure that power supply can not be switched on during installation.
- All electrical components must be selected as per local standards and unit requirements.
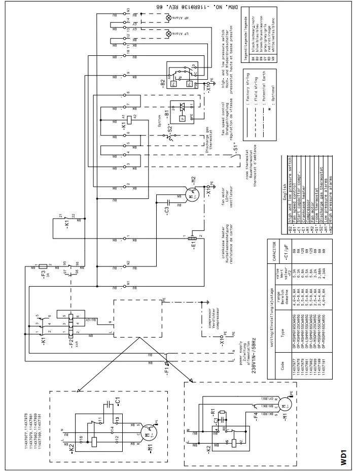
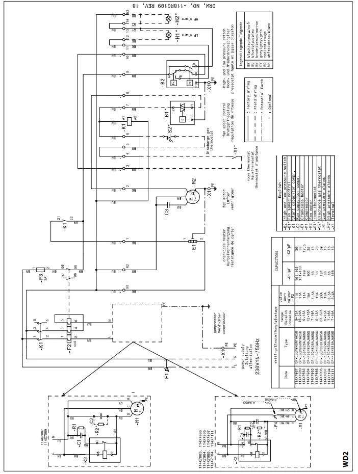
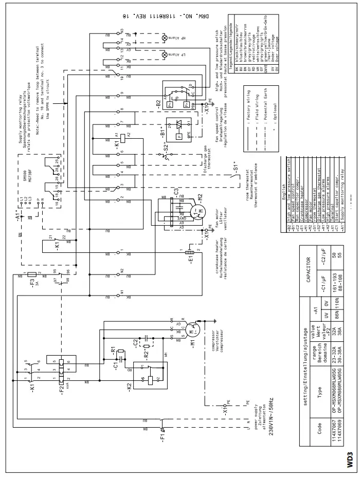
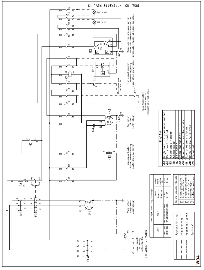
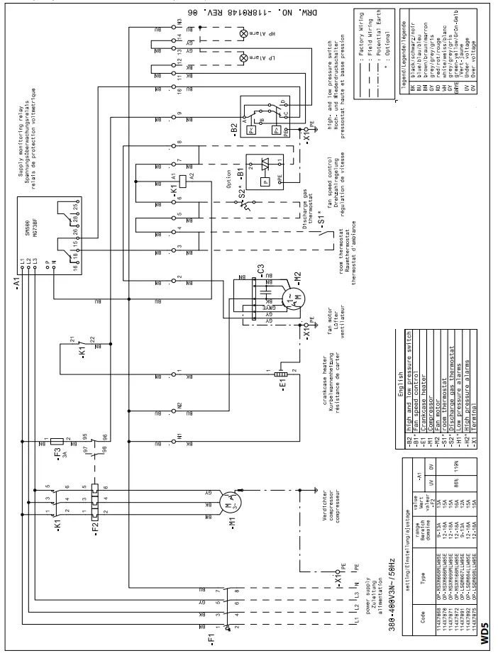
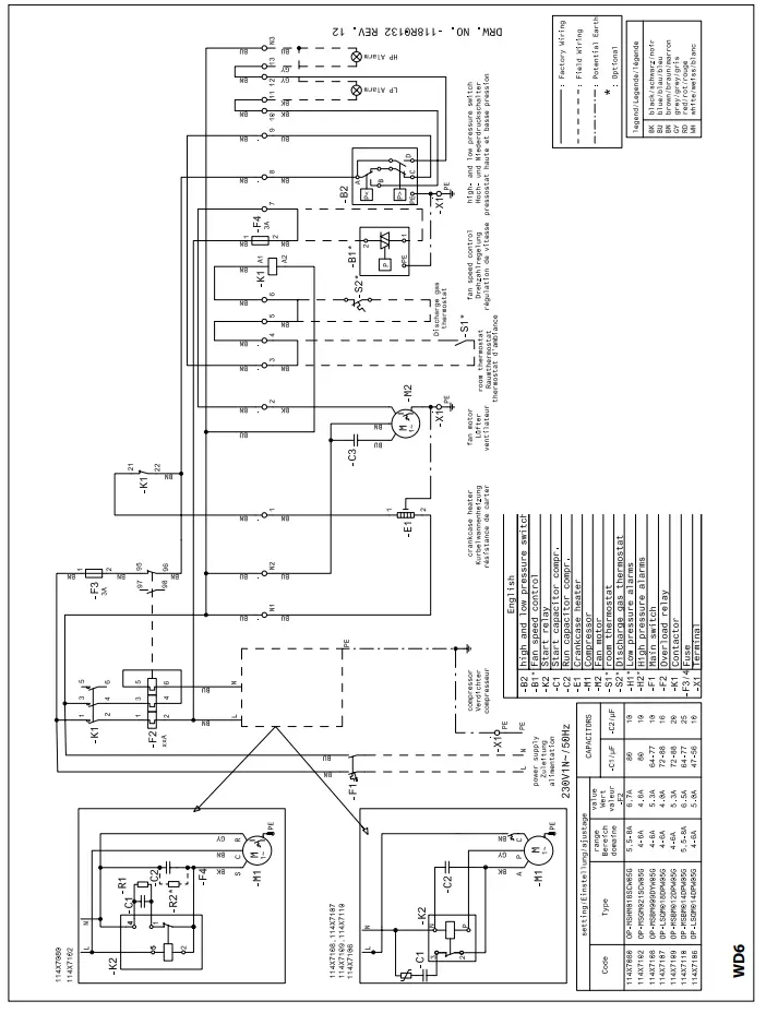
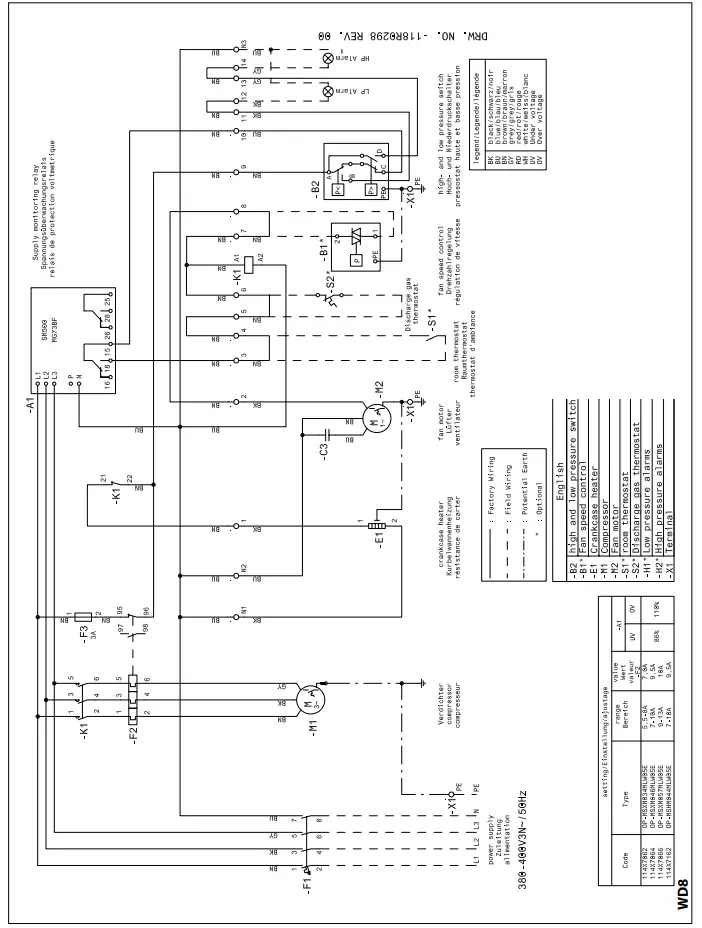
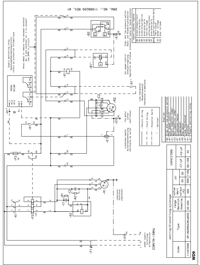
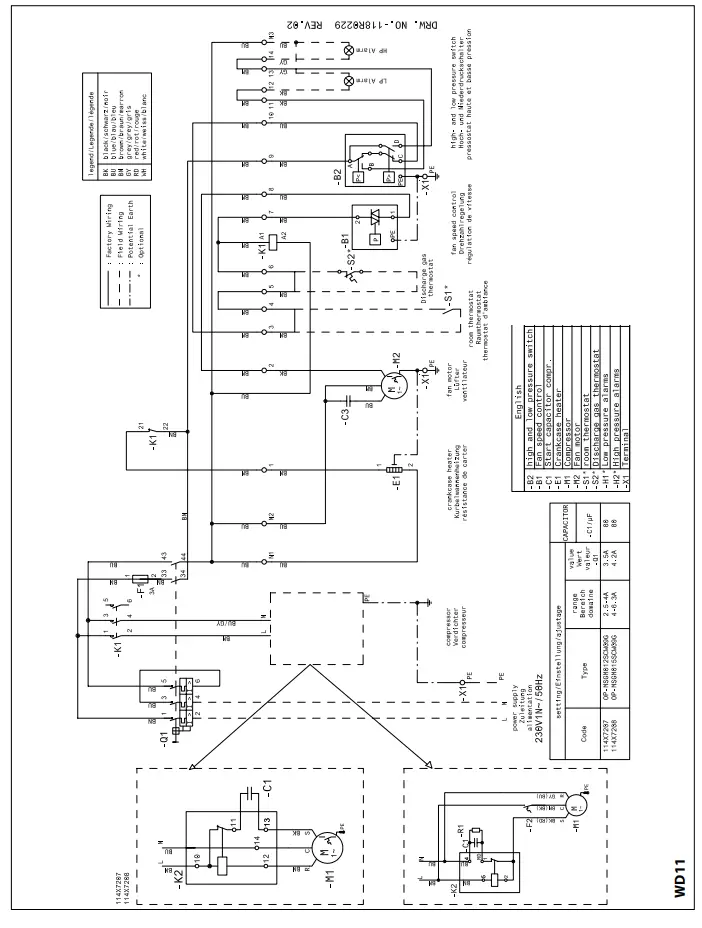
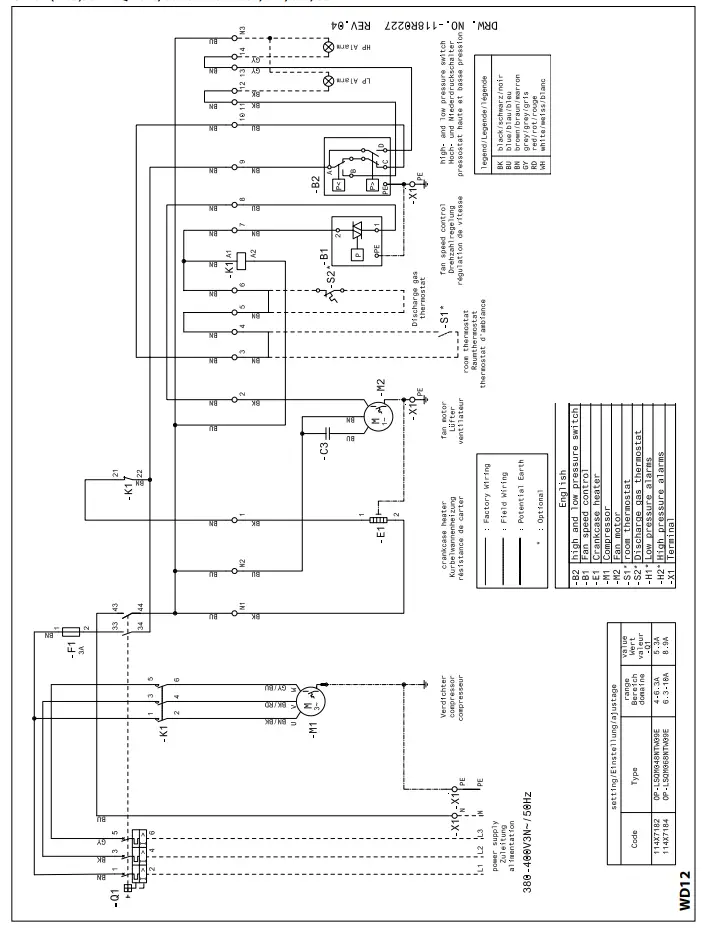
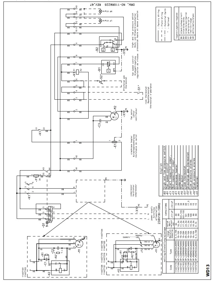
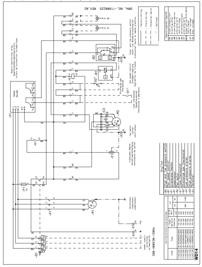
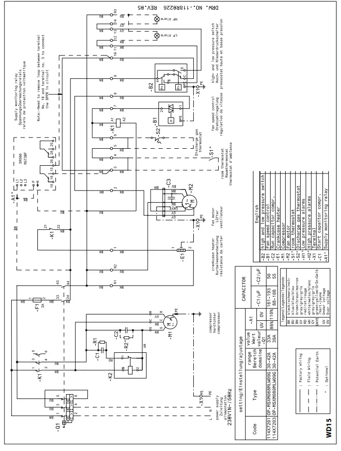
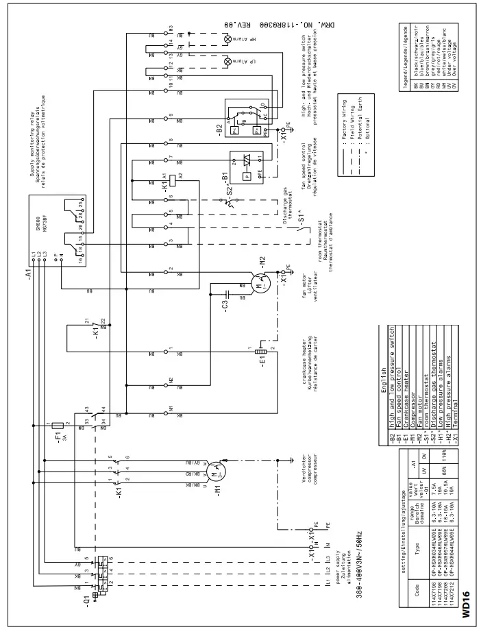
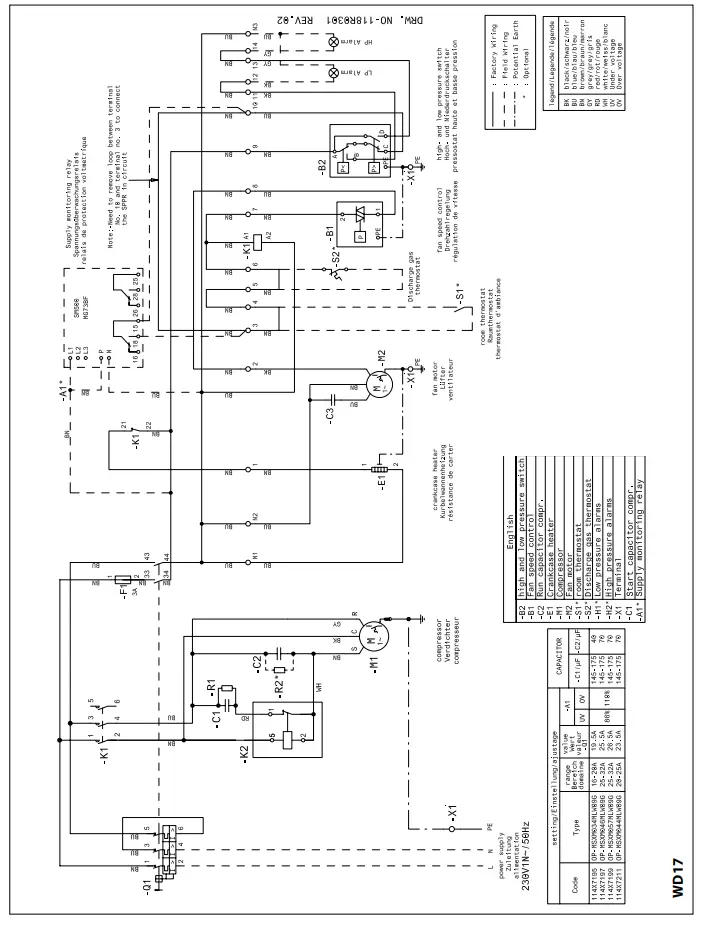
- Refer to wiring diagram for electrical connections details.
- Ensure that the power supply corresponds to the unit characteristics and that the power supply is stable (nominal voltage ±10% and nominal frequency ±2,5 Hz).
- Dimension the power supply cables according to unit data for voltage and current.
- Protect the power supply and ensure correct earthing.
- Make the power supply according to local standards and legal requirements.
- The unit is equipped with high and low pressure switches, which directly cut the power supply to the compressor and provides 230V a.c. alarm signals (max. 50VA) in case of activation. Parameters for high and low pressure cut outs should be set by installer considering compressor model, refrigerant and application. Units with Danfoss MLZ and LLZ compressors are also equipped with phase sequence relay to protect the unit against phase loss/sequence/ asymmetry and under-/over-voltage. For units with a 3-phase scroll compressor, correct phase sequence for compressor rotation direction shall be observed.
- Determine the phase sequence by using a phase meter in order to establish the phase orders of line phases L1, L2 and L3.
- Connect line phases L1, L2 and L3 to main switch terminals T1, T2 and T3 respectively.
Safety
![]() | Discharge tube temperature will go upto 120°C during unit running condition. |
| Recommended to install PRV inside unit and release of refrigerant should routed to atmosphere directly. |
Fusible Plug is not available in unit, it is replaced with adapter plug.
Unit has liquid receiver with an Adapter Plug with 3/8” NPT connection. installer/end user can select various options as mentioned in EN378-2 : 2016 Article § 6.2.2.3
- The unit/installation into which the condensing unit is mounted/integrated, must be in accordance with the PED.
- Beware of hot and extremely cold components.
- Beware of moving components. Power supply should be disconnected while servicing.
- Compressor has Internal overload protector (OLP). Its will protect compressor pressure going beyond 32 bar pressure.
- No valves and detachable joints shall be located in areas accessible to the general public except when they comply with EN 16084
- Refrigerant piping shall be protected or enclosed to avoid damage.
- Field piping should be installed such that it will be free from corrosive or salty environment to avoid corrosion in copper /Aluminum piping.
- In case of fire incidence, pressure increases due to increasing in temperature at receiver. Hence it is very important to install the PRV.
Filling the system
- Wear protective stuff like goggles and protective gloves.
- Never start the compressor under vacuum. Keep the compressor switched off.
- Before charging the refrigerant, verify that the oil level is between ¼ and ¾ on the compressor oil sight glass. If additional oil is required please refer to the compressors label for type of oil.
- Use only the refrigerant for which the unit is designed for.
- Fill the refrigerant in liquid phase into the condenser or liquid receiver. Ensure a slow charging of the system to 4 – 5 bar for R404A / R507A/R407A/R407F/R448A/R449A or R452A and approx. 2 bar for R134a/R513A.
- Do not put liquid refrigerant through suction line.
- It is not allowed to mix additives with the oil and/or refrigerant
- The remaining charge is done until the installation has reached a level of stable nominal condition during operation.
- Never leave the filling cylinder connected to the circuit.
- Suction, Liquid valves and Receiver Rotolock valves as Schrader port for service operation like Gas Charging, pressure measurement.
Verification before commissioning
|
| Use safety devices such as safety pressure switch and mechanical relief valve in compliance with both generally and locally applicable regulations and safety standards. Ensure that they are operational and properly set. |
| Check that the settings of high-pressure switches and relief valves don’t exceed the maximum service pressure of any system component. |
- Verify that all electrical connections are properly fastened and in compliance with local regulations.
- When a crankcase heater is required, it must be energized at least 12 hours before initial startup and start-up after prolonged shut-down period.
- Pressure drop in the suction and liquid line pipes must be evaluated as per evaporator location and distance (refer coolselector2).
Start-up
- Never start the unit when no refrigerant is charged.
- All service valves must be in the open position. See picture 3.
- Check compliance between unit and power supply.
- Check that the crankcase heater is working.
- Check that the fan can rotate freely.
- Check that the protection sheet has been removed from the backside of condenser.
- Balance the HP/LP pressure.
- Energize the unit. It must start promptly. If the compressor does not start, check wiring conformity, voltage on terminals and sequence phase.
- Eventual reverse rotation of a 3-phase scroll compressor can be detected by following phenomena; unit is equipped with a phase-reversal relay and compressor doesn’t start, the compressor doesn’t build up pressure, it has abnormally high sound level and abnormally low power consumption. In such case, shut down the unit immediately and connect the phases to their proper terminals.
- If the rotation direction is correct the low pressure indication on the low pressure gauge shall
show a declining pressure and the high pressure indication on the high pressure gauge shall show an increasing pressure.
Check with running unit
- Check the fan rotation direction. Air must flow from the condenser towards the fan.
- Check current draw and voltage.
- Check suction superheat to reduce risk of slugging.
- When a sight glass is provided observe the oil level at start and during operation to confirm that the oil level remains visible.
- Respect the operating limits.
- Check all tubes for abnormal vibration. Movements in excess of 1.5 mm require corrective measures such as tube brackets.
- When needed, additional refrigerant in liquid phase may be added in the low-pressure side as far away as possible from the compressor. The compressor must be operating during this process.
- Do not overcharge the system.
- Follow the local regulations for restoring the refrigerant from unit.
- Never release refrigerant to atmosphere.
- Before leaving the installation site, carry out a general installation inspection regarding cleanliness, noise and leak detection.
- Record type and amount of refrigerant charge as well as operating conditions as a reference for future inspections.
Maintenance
|
| Always switch off the unit at main switch before remove fan panel. |
| Internal pressure and surface temperature are dangerous and may cause permanent injury. Maintenance operators and installers require appropriate skills and tools. Tubing temperature may exceed 100°C and can cause severe burns. | |
| Ensure that periodic service inspections to ensure system reliability and as required by local regulations are performed. |
To prevent system related problems, following Periodic maintenance is recommended:
- Verify that safety devices are operational and properly set.
- Ensure that the system is leak tight.
- Check the compressor current draw.
- Confirm that the system is operating in a way consistent with previous maintenance records and ambient conditions.
- Check that all electrical connections are still adequately fastened.
- Keep the unit clean and verify the absence of rust and oxidation on the unit components, tubes and electrical connections.
The condenser must be checked at least once a year for clogging and be cleaned if deemed necessary. Access to the internal side of the condenser takes place through the fan panel. Microchannel coils tend to accumulate dirt on the surface rather than inside, which makes them easier to clean than fin-&-tube coils. - Switch off the unit at main switch before remove any panel from the condensing unit.
- Remove surface dirt, leaves, fibres, etc. with a vacuum cleaner, equipped with a brush or other soft attachment. Alternatively, blow compressed air through the coil from the inside out, and brush with a soft bristle. Do not use a wire brush. Do not impact or scrape the coil with the vacuum tube or air nozzle.
If the refrigerant system has been opened, the system has to be flushed with dry air or nitrogen to remove moisture and a new filter drier has to be installed. If evacuation of refrigerant has to be done, it shall be done in such a way that no refrigerant can escape to the environment.
Service panel removal procedure for W09 Version
Step 1: Disconnect power supply. Make sure main switch is in off condition before servicing.

Step 2: Remove all top panel screws and then remove Top panel.

Step 3: Remove all side panel screws.

Step 4: Remove side panel on parallel to main switch.

Fig A: Fully opened condition, Port 2 and 3 is fully opened and port 4 is fully closed.

Fig B: Fully closed condition, Port 3 and 4 is partially open and port 2 is fully closed

Fig C: Partially Opened Condition (5.5 turns clock wise from fully opened condition. Port 2, 3, 4 is fully opened).

Declaration of incorporation
- Pressure Equipment Directive 2014/68/EU
EN 378-2:2016 – Refrigerating systems and Heat Pumps – Safety and environmental requirements Parts 2: Design, construction, testing, marking and documentation
Low Voltage Directive 2014/35/EU EN 60335- 1:2012 + A11:2014- Household and similar electrical appliances-Safety-Part 1: General requirements-for all above mentioned condensing units
Eco-design DIRECTIVE 2009/125/ EC, establishing a framework for the setting of Eco-design requirements for energy-related products. REGULATION (EU) 2015/1095, implementing Eco- design Directive 2009/125/EC with regard to Ecodesign requirements for professional refrigerated storage cabinets, blast cabinets, condensing units and process Chiller. - Condensing unit measurements are made according to standard “EN 13771-2:2007” – Compressor and condensing units for refrigeration performance testing and test methods- part 2: Condensing units.
Warranty
Always transmit the model number and serial number with any claim filed regarding this product.
The product warranty may be void in following cases:
- Absence of nameplate.
- External modifications; in particular, drilling, welding, broken feet and shock marks.
- Compressor opened or returned unsealed.
- Rust, water or leak detection dye inside the compressor.
- Use of a refrigerant or lubricant not approved by Danfoss.
- Any deviation from recommended instructions pertaining to installation, application or maintenance.
- Use in mobile applications.
- Use in explosive atmospheric environment.
- No model number or serial number transmitted with the warranty claim.
Disposal
Danfoss recommends that condensing units and oil should be recycled by a suitable company at its site
Fan speed controller setting for R134a/R513A refrigerant
| FSC type | Fan speed Controller Spare part number | Refrigerant letter | For Refrigerant | Factory setting | Action required* |
![]() | 061H3144 | G | R134a/R513A | 8 bar | 360°=1 turn = Approx 0.8 bar (Clockwise rotation = Increase pressure setting, Counter clockwise rotation = Decrease pressure setting) |
| 061H3248 | Q | R404A/R452A/R507 | 15 bar | ||
| H | R404A/R507 | 15 bar | |||
| X | R404A/R507/R134a/R513A/ R407A/ R407F/R448A/R449A/R452A | 15 bar | |||
| Y | R404A/R507/R449A | 15 bar | |||
| B | R404A/R507/R448A/R449A/R452A | 15 bar | |||
| X | If refrigerant used is R134a or R513A | 15 bar | Rotate the screw by 9 turns in counter clockwise direction to reach 8 bar |
* Installer can set the required setting based on application.
Dual Pressure switch factory settings
| Refrigerants | High pressure settings (bar (g)) | Low pressure settings (bar (g)) | ||
| ON | OFF | ON | OFF | |
| R404A/R507/R407A/R407F/R448A/R449A/R452A | 23 | 27 | 2 | 0.6 |
| R134a/R513A | 13 | 17 | 2 | 0.6 |
Annex – A
Technical data
Name plate

* For exact values please refer name plate in unit
A: Model
B: Code number
C: Serial Number and bar code
D: EAN number
E: Refrigerant
F: PED Category
G: Application, Ingress Protection
H: Maximum Allowable Pressure (HP side)
I: Maximum Allowable Pressure (LP side)
J: Test Pressure
K: Maximum allowable Design Temperature

Picture 1 : Minimum mounting distances
| L [mm] | M [mm] | N [mm] | O [mm] |
| 250 | 650 | 550 | 550 |
Designation system for the Optyma™ Slim Pack range

| 1 | Application M = MBP L = LBP |
| 2 | Package Condensing unit family: S = Slim Pack |
| 3 | Refrigerant H = R404A/R507 ; G = R134a, R513A ; |
| 4 | Condenser M = Microchannel heat condenser |
| 5 | Swept volume Displacement in cm3: Example 034 = 34 cm3 |
| 6 | Compressor platform MLZ, LLZ = Scroll Compressor MTZ & NTZ = Reciprocating Compressor |
| 7 | Version W05/W09: Optyma™ Slim Pack |
| 8 | Voltage code G = 230V/1-phase compressor & 230V/1 phase fan E = 400V/3-phase compressor & 230V/1-phase fan |
Version control
| Optyma™ Slim Pack | W05 | W09 |
| IP level | IP54 | |
| Compressor technology | Scroll/Reciprocating | |
| Control box (pre-wired E-panel) | yes | |
| Microchannel condenser | yes | |
| Fan speed controller | – | yes |
| Main switch (circuit breaker) | – | yes |
| Filter drier (flare connections) | yes | |
| Sight glass | yes | |
| Crankcase heater | yes | |
| HP/LP adjustable pressostat | Auto/Manual reset mode | |
| Discharge gas thermostat (provision) | yes* | |
| HP/LP Alarm (provision) | yes* | |
| Pressure Relief Valve (provision) | yes* | yes* |
*Not factory mounted

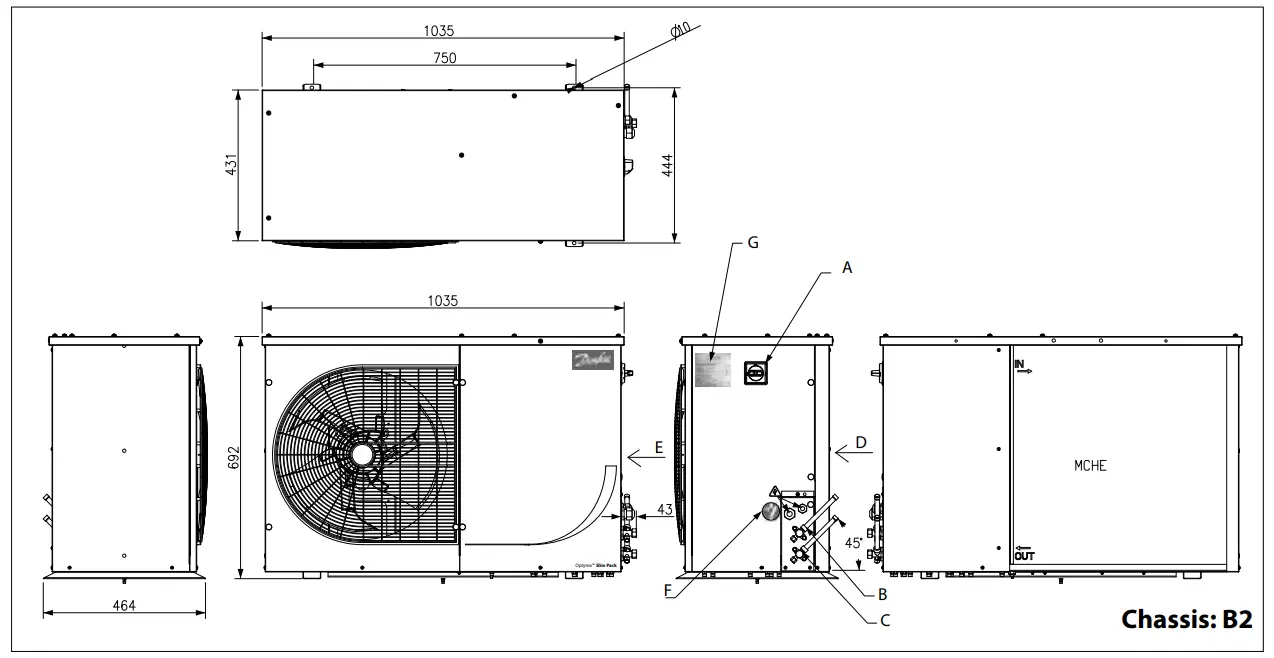
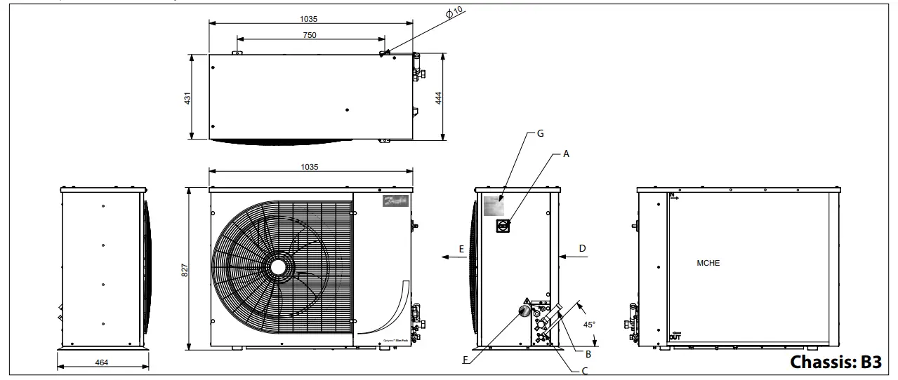
| Application | Code | Model | Compressor Model | Electrical Code | Refrigerant | Receiver (L) | PED category* | PS | Suction Valve | Liquid Valve | Housing | Unit Dimensions (mm) | |||
| W05 | W09 | bar | Inch | Inch | L | W | H | ||||||||
| LBP | 114X7106 | 114X7129 | OP-LSQM014DP | DPT14LA | G | Q | 1.3 | Artical 4 Para. 3 | 32 | 3/8″ | 3/8″ | B1 | 530 | 910 | 364 |
| LBP | 114X7107 | 114X7130 | OP-LSQM018DP | DPT16LA | G | Q | 1.3 | Artical 4 Para. 3 | 32 | 3/8″ | 3/8″ | B1 | 530 | 910 | 364 |
| LBP | 114X7087 | 114X7181 | OP-LSQM048NT | NTZ048-5 | G | Q | 3.4 | I | 32 | 5/8″ | 1/2″ | B2 | 690 | 1079 | 464 |
| LBP | 114X7088 | 114X7182 | OP-LSQM048NT | NTZ048-4 | E | Q | 3.4 | I | 32 | 5/8″ | 1/2″ | B2 | 690 | 1079 | 464 |
| LBP | 114X7090 | 114X7184 | OP-LSQM068NT | NTZ068-4 | E | Q | 3.4 | I | 32 | 5/8″ | 1/2″ | B2 | 690 | 1079 | 464 |
| LBP | 114X7089 | 114X7183 | OP-LSQM068NT | NTZ068-5 | G | Q | 3.4 | I | 32 | 5/8″ | 1/2″ | B2 | 690 | 1079 | 464 |
| LBP | 114X7091 | 114X7187 | OP-LSQM067LL | LLZ013T4 | E | Q | 6.2 | I | 32 | 3/4″ | 1/2″ | B3 | 825 | 1105 | 464 |
| LBP | 114X7092 | 114X7188 | OP-LSQM084LL | LLZ015T4 | E | Q | 6.2 | I | 32 | 3/4″ | 1/2″ | B3 | 825 | 1105 | 464 |
| LBP | 114X7075 | 114X7189 | OP-LSQM098LL | LLZ018T4 | E | Q | 6.2 | I | 32 | 3/4″ | 1/2″ | B3 | 825 | 1105 | 464 |
| MBP | 114X7099 | 114X7207 | OP-MSGM012SC | SC12G | G | G | 1.3 | I | 32 | 3/8″ | 3/8″ | B1 | 530 | 910 | 364 |
| MBP | 114X7100 | 114X7208 | OP-MSGM015SC | SC15G | G | G | 1.3 | I | 32 | 3/8″ | 3/8″ | B1 | 530 | 910 | 364 |
| MBP | 114X7101 | 114X7131 | OP-MSGM018SC | SC18G | G | G | 1.3 | I | 32 | 3/8″ | 3/8″ | B1 | 530 | 910 | 364 |
| MBP | 114X7108 | 114X7133 | OP-MSBM009DY | DLY90RAb | G | Y | 1.3 | Artical 4 Para. 3 | 32 | 3/8″ | 3/8″ | B1 | 530 | 910 | 364 |
| MBP | 114X7102 | 114X7132 | OP-MSGM021SC | SC21G | G | G | 1.3 | I | 32 | 3/8″ | 3/8″ | B1 | 530 | 910 | 364 |
| MBP | 114X7109 | 114X7134 | OP-MSBM012DP | DPT12RA | G | Y | 1.3 | Artical 4 Para. 3 | 32 | 3/8″ | 3/8″ | B1 | 530 | 910 | 364 |
| MBP | 114X7110 | 114X7135 | OP-MSBM014DP | DPT14RA | G | Y | 1.3 | Artical 4 Para. 3 | 32 | 3/8″ | 3/8″ | B1 | 530 | 910 | 364 |
| MBP | 114X7062 | 114X7196 | OP-MSXM034ML | MLZ015T4 | E | X | 3.4 | I | 32 | 3/4″ | 1/2″ | B2 | 690 | 1079 | 464 |
| MBP | 114X7061 | 114X7195 | OP-MSXM034ML | MLZ015T5 | G | X | 3.4 | I | 32 | 3/4″ | 1/2″ | B2 | 690 | 1079 | 464 |
| MBP | 114X7162 | 114X7212 | OP-MSXM044ML | MLZ019T5 | E | X | 3.4 | I | 32 | 3/4″ | 1/2″ | B2 | 690 | 1079 | 464 |
| MBP | 114X7161 | 114X7211 | OP-MSXM044ML | MLZ019T5 | G | X | 3.4 | I | 32 | 3/4″ | 1/2″ | B2 | 690 | 1079 | 464 |
| MBP | 114X7064 | 114X7198 | OP-MSXM046ML | MLZ021T4 | E | X | 3.4 | I | 32 | 3/4″ | 1/2″ | B2 | 690 | 1079 | 464 |
| MBP | 114X7063 | 114X7197 | OP-MSXM046ML | MLZ021T5 | G | X | 3.4 | I | 32 | 3/4″ | 1/2″ | B2 | 690 | 1079 | 464 |
| MBP | 114X7065 | 114X7199 | OP-MSXM057ML | MLZ026T5 | G | X | 3.4 | I | 32 | 3/4″ | 1/2″ | B2 | 690 | 1079 | 464 |
| MBP | 114X7066 | 114X7200 | OP-MSXM057ML | MLZ026T4 | E | X | 3.4 | I | 32 | 3/4″ | 1/2″ | B2 | 690 | 1079 | 464 |
| MBP | 114X7068 | 114X7202 | OP-MSXM068ML | MLZ030T4 | E | X | 6.2 | I | 32 | 7/8″ | 1/2″ | B3 | 825 | 1105 | 464 |
| MBP | 114X7067 | 114X7201 | OP-MSXM068ML | MLZ030T5 | G | X | 6.2 | I | 32 | 7/8″ | 1/2″ | B3 | 825 | 1105 | 464 |
| MBP | 114X7069 | 114X7203 | OP-MSXM080ML | MLZ038T5 | G | X | 6.2 | I | 32 | 7/8″ | 1/2″ | B3 | 825 | 1105 | 464 |
| MBP | 114X7070 | 114X7204 | OP-MSXM080ML | MLZ038T4 | E | X | 6.2 | I | 32 | 7/8″ | 1/2″ | B3 | 825 | 1105 | 464 |
| MBP | 114X7071 | 114X7205 | OP-MSXM099ML | MLZ045T4 | E | X | 6.2 | I | 32 | 7/8″ | 1/2″ | B3 | 825 | 1105 | 464 |
| MBP | 114X7072 | 114X7206 | OP-MSXM108ML | MLZ048T4 | E | X | 6.2 | I | 32 | 7/8″ | 1/2″ | B3 | 825 | 1105 | 464 |
*PED Category for Group 1 fluid
Annex – B,
KP switch settings

OP-MSGM012 – 015 – 018 – 021, OP-LSQM014 – 018, OP-MSBM009 – 012 – 014

OP-LSQM026 – 034 – 048 – 068 – 074, OP-MSBM018 – 024 – 026 – 034, OP-MSXM034 – 044 – 046 – 057, OP MSGM026 – 033

OP-LSQM067 – 084 – 098, OP-MSXM068 – 080 – 093 – 099 – 108

A Isolator Switch (W09 only)
B Suction Valve
C Liquid Valve
D Air in
E Air out
F Door safety Lable
G Name Plate
Electrical Cables
Note: all dimension are in mm
W05 Models:

W09 Models:

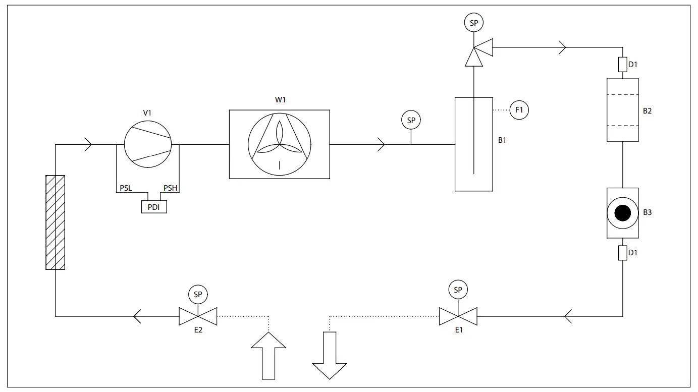
B1 Liquid receiver
B2 Filter drier (Flare)
B3 Sight glass (Flare)
D1 FSA connection (Flare)
E1 Liquid service valve
E2 Suction service valve
F1 Pressure Relief Valve (Accessory)
FSC Fan Speed Controller
SP 1/4 inch schrader port
PDI Dual pressure switch
V1 Recip compressor
W1 MHCE with fan
PSL Low Pressure side
PSH High Pressure side
Insulation
Code G (W05): OP-MSHM010 – 012 – 015, OP-LSHM015 – 018, OP-MSGM012 – 015 – 018

Code G (W05): OP-LSQM048 – 068

Code G (W05): OP-MSXM068 – 080

Code E (W05): OP-LSQM048 – 068

Code E (W05) : OP-MSXM068 – 080 – 099 – 108, OP-LSQM067 – 084 – 098

Code G (W05): OP-MSBM009 – 012 – 014, OP-LSQM014 – 018, OP-MSHM018, OP-MSGM21

Code G (W05): OP-MSXM034,044,046,057

Code E (W05): OP-MSXM034,044,046,057
Code G (W05): OP-MSXM093
Code G (W09): OP-LSQM014, 018 – OP-MSGM018, 021, OP-MSBM009, 012, 014
Code G (W09): OP-MSGM012, 015
Code E (W09): OP-LSQM048, 068 OP-MSXM034, 044, 046, 057
Code G (W09): OP-LSQM048, 068
Code E (W09): OP-MSXM068, 080, 099, 108 OP-LSQM067, 084, 098
Code G (W09): OP-MSXM068, 080
Code E (W09): OP-MSXM034,044,046,057
Code G (W09): OP-MSXM034,044,046,057
BK black
BU blue
BN brown
GY grey
RD red
WH white
A1 Voltage relay
A1* Voltage relay (option)
B1 Fan speed controller
B1* Fan speed controller (option)
B2 High and Low pressure switch
C1 Start capacitor compressor
C2 Run capacitor compressor
C3 Run capacitor fan
E1 Crankcase heater
F1 Main switch
F2 Overload relay
F3 Fuse control circuit
F4 Compressor thermal protector
K1 Contactor
K2 Start relay
M1 Compressor
M2 Fan motor
R1,R2,R2* Bleeder resistor
S1* Room thermostat (option)
X1 Terminals
* Option (remove bridge)























