OP-HRSM0750NC211Q Condensing
Unit Instructions
OP-HRSM0750NC211Q Condensing Unit
Optyma™ G & D HBP DSH105
OP-HRSM0750NC211Q / OP-HRSM0750NC211R
Designation system
| 1 | Application H = HBP/Universal |
| 2 | Design R = Air cooled condenser, Twin fan, Scroll compressor |
| 3 | Refrigerant S = R410A |
| 4 | Condenser M = Microchannel condenser size 100°F Max Ambient |
| 5 | Unit SIze (Nominal HP) HP rating in hundredths of HP, i.e.: 0033=1/3 HP, 1000 = 10HP |
| 6 | Version NCXX = Customer specific unit with unique identification Number |
| 7 | Voltage code R = Compressor 460V/3ph/60Hz, Fan(s) 460V/1ph/60Hz Q = Compressor 208-230V/3ph/60Hz, Fan(s) 230V/1ph/60Hz |
Warnings
The condensing unit must only be used for its designed purpose(s) and within its scope of application.
Under all circumstances, the EN378 (or other applicable local safety regulation) requirements must be fulfilled.
The condensing unit is delivered under nitro- gen gas pressure (1 bar) and hence it cannot be connected as it is; refer to the «installation» section for further details.
The condensing unit must be handled with cau- tion in the vertical position (maximum offset from the vertical: 15°)
Introduction
These instructions pertain to Optyma G&D HBP DSH105 condensing units (R410A) used for refrigeration systems. They provide necessary information regarding safety and proper usage of this product.
The condensing unit includes following:
- Scroll compressor
- Microchannel heat exchanger
- Fix low Pressure cartridge
- Fix high pressures cartridge
- Fix Fan control pressures cartridge
- Service valves Suction/ liquid
- Crankcase heater for compressor
- Receiver with stop valve
Handling and storage
- It is recommended not to open the packaging before the unit is at the final place for installation.
- Handle the unit with care. The packaging allows for the use of a forklift or pallet jack. Use appropriate and safe lifting equipment.
- Store and transport the unit in an upright position.
- Don’t expose the packaging to rain or corrosive atmosphere.
- Store the unit between -35°C and 50°C.
- After unpacking, check that the unit is complete and undamaged.
Installation precautions
Do not braze as long the condensing unit is under pressure.
Never place the unit in a flammable atmosphere.
IPlace the unit in such a way that it is not blocking or hindering walking areas, doors, windows or similar.
- Ensure adequate space around the unit for air circulation and to open doors. Refer to picture1 for minimal values of distance to walls.
- Avoid installing the unit in locations which are daily exposed to direct sunshine for longer periods.
- Avoid installing the unit in aggressive and dusty environments.
- Ensure a foundation with horizontal surface (less than 3° slope), strong and stable enough to carry the entire unit weight and to eliminate vibrations and interference.
- The unit ambient temperature may not exceed 50°C during off cycle.
- Ensure that the power supply corresponds to the unit characteristics (see nameplate).
- When installing units for HFC refrigerants, use equipment specifically reserved for HFC refrigerants which was never used for CFC or HCFC refrigerants.
- Use clean and dehydrated refrigerationgrade copper tubes and silver alloy brazing material.
- Use clean and dehydrated system components.
- The suction piping connected to the compressor must be flexible in 3 dimensions to dampen vibrations.
Furthermore, piping has to be done in such a way that oil return for the compressor is ensured and the risk of liquid slug over in compressor is eliminated.
Installation
- The unit must be securely installed on a stable and rigid support and fixed from the beginning.
- It is recommended to install the unit on rubber grommets or vibration dampers (not supplied).
- Slowly release the nitrogen holding charge through the schrader port.
- Connect the unit to the system as soon as possible to avoid oil contamination from ambient moisture.
- Avoid material entering into the system while cutting tubes. Never drill holes where burrs cannot be removed.
- Braze with great care using state-of-the-art technique and vent piping with nitrogen gas flow.
- Connect the required safety and control devices. When the schrader port is used for this, remove the internal valve.
- It is recommended to insulate the suction pipe up to the compressor inlet with 19mm thick insulation.
Leak detection
Never pressurize the circuit with oxygen or dry air. This could cause fire or explosion.
- Do not use dye for leak detection.
- Perform a leak detection test on the complete system.
- The maximum test pressure is 32 bar.
- When a leak is discovered, repair the leak and repeat the leak detection.
Vacuum dehydration
- Never use the compressor to evacuate the system.
- Connect a vacuum pump to both the LP & HP sides.
- Pull down the system under a vacuum of 500 μm Hg (0.67 mbar) absolute.
- Do not use a megohmmeter nor apply power to the compressor while it is under vacuum as this may cause internal damage.
Electrical connections
- Switch off and isolate the main power supply.
- Ensure that power supply cannot be switched on during installation.
- All electrical components must be selected as per local standards and unit requirements.
- Refer to wiring diagram for electrical connections details.
- Ensure that the power supply corresponds to the unit characteristics and that the power supply is stable (nominal voltage ±10% and nominal frequency ±2,5 Hz).
- Dimension the power supply cables according to unit data for voltage and current.
- Protect the power supply and ensure correct earthing.
- Make the power supply according to local standards and legal requirements.
- The unit is equipped with high- and lowpressure switches, which directly cut the power supply to the compressor in case of activation.
- For units with a 3-phase scroll compressor, correct phase sequence for compressor rotation direction shall be observed.
- Determine the phase sequence by using a phase meter in order to establish the phase orders of line phases L1, L2 and L3.
- Connect line phases L1, L2 and L3 to main switch terminals T1, T2 and T3 respectively.
Filling the system
- Wear protective stuff like goggles and protective gloves.
- Never start the compressor under vacuum. Keep the compressor switched off.
- Before charging the refrigerant, verify that the oil level is between ¼ and ¾ on the compressor oil sight glass. If additional oil is required please refer to the compressors label for type of oil.
- Use only the refrigerant for which the unit is designed for.
- Fill the refrigerant in liquid phase into the condenser or liquid receiver. Ensure a slow charging of the system to 4 – 5 bar.
- Do not put liquid refrigerant through suction line.
- It is not allowed to mix additives with the oil and/or refrigerant
- The remaining charge is done until the installation has reached a level of stable nominal condition during operation.
- Never leave the filling cylinder connected to the circuit.
Verification before commissioning
Use safety devices such as safety pressure switch and mechanical relief valve in compliance with both generally and locally applicable regulations and safety standards.Ensure that they are operational and properly set.
Check that the settings of high-pressure switches and relief valves don’t exceed the maximum service pressure of any system component.
- Verify that all electrical connections are properly fastened and in compliance with local regulations.
- When a crankcase heater is required, it must be energized at least 12 hours before initial start- up and start-up after prolonged shut-down period.
Start-up
- Never start the unit when no refrigerant is charged.
- All service valves must be in the open position.
- Check compliance between unit and power supply.
- Check that the crankcase heater is working.
- Check that the fan can rotate freely.
- Check that the protection sheet has been removed from the backside of condenser.
- Balance the HP/LP pressure.
- Energize the unit. It must start promptly.
If the compressor does not start, check wiring conformity, voltage on terminals and sequence phase. - Eventual reverse rotation of a 3-phase compressor can be detected by following phenomena; unit doesn’t start, the compressor doesn’t build up pressure, it has abnormally high sound level and abnormally low power consumption. In such case, shut down the unit immediately and connect the phases to their proper terminals.
- If the rotation direction is correct the low pressure indication on the low pressure gauge shall show a declining pressure and the high pressure indication on the high pressure gauge shall show an increasing pressure.
Check with running unit
- Check the fan rotation direction. Air must flow from the condenser towards the fan.
- Check current draw and voltage.
- Check suction superheat to reduce risk of slugging.
- When a sight glass is provided observe the oil level at start and during operation to confirm that the oil level remains visible.
- Respect the operating limits.
- Check all tubes for abnormal vibration.
Movements in excess of 1.5 mm require corrective measures such as tube brackets. - When needed, additional refrigerant in liquid phase may be added in the lowpressure side as far away as possible from the compressor. The compressor must be operating during this process.
- Do not overcharge the system.
- Never release refrigerant to atmosphere.
- Before leaving the installation site, carry out a general installation inspection regarding cleanliness, noise and leak detection.
- Record type and amount of refrigerant charge as well as operating conditions as a reference for future inspections.
Maintenance
Always switch off the unit at main switch before remove fan panel.
Internal pressure and surface temperature are dangerous and may cause permanent injury. Maintenance operators and installers require appropriate skills and tools. Tubing temperature may exceed 100°C and can cause severe burns.
Ensure that periodic service inspections to ensure system reliability and as required by local regulations are performed.
To prevent system related problems, following Periodic maintenance is recommended:
- Verify that safety devices are operational and properly set.
- Ensure that the system is leak tight.
- Check the compressor current draw.
- Confirm that the system is operating in a way consistent with previous maintenance records and ambient conditions.
- Check that all electrical connections are still adequately fastened.
- Keep the unit clean and verify the absence of rust and oxidation on the unit components, tubes and electrical connections. The condenser must be checked at least once a year for clogging and be cleaned if deemed necessary. Access to the internal side of the condenser takes place through the fan panel. Microchannel coils tend to accumulate dirt on the surface rather than inside, which makes them easier to clean than fin-&-tube coils.
- Switch off the unit at main switch before remove any panel from the condensing unit.
- Remove surface dirt, leaves, fibers, etc. with a vacuum cleaner, equipped with a brush or other soft attachment. Alternatively, blow compressed air through the coil from the inside out, and brush with a soft bristle. Do not use a wire brush. Do not impact or
scrape the coil with the vacuum tube or air nozzle.
If the refrigerant system has been opened, the system has to be flushed with dry air or nitrogen to remove moisture and a new filter drier has to be installed. If evacuation of refrigerant has to be done, it shall be done in such a way that no refrigerant can escape to
the environment.
Warranty
Always transmit the model number and serial number with any claim filed regarding this product.
The product warranty may be void in following cases:
- Absence of nameplate.
- External modifications; in particular, drilling, welding, broken feet and shock marks.
- Compressor opened or returned unsealed.
- Rust, water or leak detection dye inside the compressor.
- Use of a refrigerant or lubricant not approved by Danfoss.
- Any deviation from recommended instructions pertaining to installation, application or maintenance.
- Use in mobile applications.
- Use in explosive atmospheric environment.
- No model number or serial number transmitted with the warranty claim.
Disposal
Danfoss recommends that condensing units and oil should be recycled by a suitable company at its site.
Instructions
OP-HRSM0750NC211Q
OP-HRSM0750NC211R
Code Q: OP-HRSM0750NC211Q – 230V / 3Ph / 60Hz
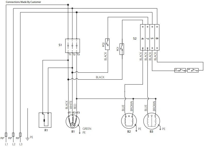
Legend
| B1 | Compressor |
| B2 | Fan Motor 1 |
| B3 | Fan Motor 2 |
| FC1 | Fan Cycling 1 |
| FC2 | Fan Cycling 2 |
| L1, L2, L3 | Power input |
| R1 | CrankCase Heater |
| S1, S2 | Terminal Block |
| LP | Low Pressure Switch |
| HP | High Pressure Switch |
| * | Provided by Customer |
Code R: OP-HRSM0750NC211R – 460V / 3Ph / 60Hz
| B1 | Compressor |
| B2 | Fan Motor 1 |
| B3 | Fan Motor 2 |
| FC1 | Fan Cycling 1 |
| FC2 | Fan Cycling 2 |
| L1, L2, L3 | Power input |
| R1 | CrankCase Heater |
| S1, S2 | Terminal Block |
| LP | Low Pressure Switch |
| HP | High Pressure Switch |
| * | Provided by Customer |
Danfoss A/S
Climate Solutions • danfoss.com • +45 7488 2222
Any information, including, but not limited to information on selection of product, its application or use, product design, weight, dimensions, capacity or any other technical data in product manuals, catalogues descriptions, advertisements, etc. and whether made available in writing, orally, electronically, online or via download, shall be considered informative, and is only binding if and to the extent, explicit reference is made in a quotation or order confirmation. Danfoss cannot accept any responsibility for possible errors in catalogues, brochures, videos and other material. Danfoss reserves the right to alter its products without notice. This also applies to products ordered but not delivered provided that such alterations can be made without changes to form, fit or function of the product. All trademarks in this material are property of Danfoss A/S or Danfoss group companies. Danfoss and the Danfoss logo are trademarks of Danfoss A/S. All rights reserved.

61AN343545366322en-000102 – 193U6040
© Danfoss1Climate Solutions 2023.06
















