HOSHIZAKI SRK-20J-3 Condensing Unit Serenity Series
Auxiliary Codes
SRK-20J
H-0 January 2018
J-0 September 2019
K-0 January 2020
L-0 March 2021
M-0 March 2022
SRK-20J3
H-0 January 2018
J-0 August 2019
K-0 January 2020
L-0 January 2021
M-0 March 2022
Auxiliary Code Breakdown
The auxiliary code is the first two characters in the serial number. The first character indicates the year. Years progress or regress in alphabetical order. The series runs from “A” through “V” and the letters “I” and “O” are skipped. The second character indicates significant part changes within a year. Base is “0” and this number advances for each change.
Note About Ordering Parts
Most assemblies cannot be ordered as complete units; parts in the assemblies generally must be ordered separately.
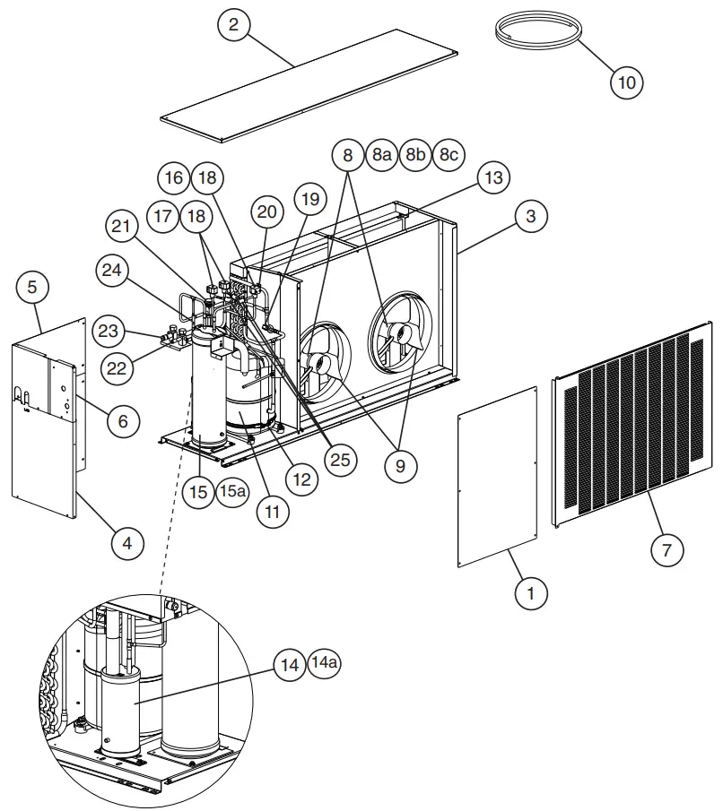
A. Main Assembly & Refrigeration Circuit
SRK-20J, SRK-20J3
H-0 to M-0
| Title: A.Main Assembly & Refrigeration Circuit Model: SRK-20J, SRK-20J3 | ||||||||||||
| Index No. | Description | Material or Model Number | Part Number | Required Number | ||||||||
| H-0 (A) to H-0 (J) | H-0 (K) to L-0 |
M-0 | ||||||||||
| Main Assembly | ||||||||||||
| 1 | Front Panel | 3A5379-01 | 1 | 1 | 1 | |||||||
| 2 | Top Panel | 2A5110-01 | 1 | 1 | 1 | |||||||
| 3 | Right Side Panel | 3A5378-01 | 1 | 1 | 1 | |||||||
| 4 | Lower Left Side Panel | 2A5240-01 | 1 | 1 | 1 | |||||||
| 5 | Rear Left Side Panel | 2A5241-01 | 1 | 1 | 1 | |||||||
| 6 | Upper Left Side Panel | 3A5529-01 | 1 | 1 | 1 | |||||||
| 7 | Louver Panel | 2A5115-01 | 1 | 1 | 1 | |||||||
| 8 | Fan Motor | 4A3201-01 | 2 | 2 | 2 | |||||||
| 8a | Flat Washer | 7W22I0832 | 8 | 8 | 8 | |||||||
| 8b | Split Lock Washer | 7L22I0832 | 8 | 8 | 8 | |||||||
| 8c | Hex Nut | 7N02I0832 | 8 | 8 | 8 | |||||||
| 9 | Fan Blade | 4A3614-01 | 2 | 2 | 2 | |||||||
| 10 | Wire Harness | 4A5657-02 | 1 | 1 | 1 | |||||||
| Refrigeration Circuit | ||||||||||||
| 11 | Compressor | SRK-20J | 4A4888-01 | 1 | 1 | 1 | ||||||
| SRK-20J3 | 4A4889-01 | 1 | 1 | 1 | ||||||||
| 12 | Crankcase Heater | 4A5397-02 | 1 | 1 | 1 | |||||||
| 13 | Condenser | 1A1843-01 | 1 | 1 | 1 | |||||||
| 14 | Accumulator | 3A5377-01 | 1 | 1 | 1 | |||||||
| 14a | Hex Bolt | 7B0230512 | 2 | 2 | 2 | |||||||
| 15 | Receiver | 440366-01 | 1 | – | ||||||||
| 4A6215-01 | 1 | 1 | ||||||||||
| 15a | Hex Bolt | 7B0230512 | 2 | 2 | 2 | |||||||
| 16 | Liquid Line Valve Body | 4A3276-01 | 1 | 1 | 1 | |||||||
| 17 | Hot Gas Valve Body | 4A3978-01 | 2 | 2 | 2 | |||||||
| 18 | Valve Coil | 4A3277-01 | 3 | 3 | 3 | |||||||
| 19 | High-Pressure Switch | 463180-01 | 1 | 1 | 1 | |||||||
| 20 | Discharge Line Thermostat | 440664-01 | 1 | 1 | 1 | |||||||
| 21 | Headmaster (Condensing Pressure Regulator) | 4A0229-01 | 1 | 1 | – | |||||||
| 4A0229-04 | 1 | |||||||||||
| 22 | Liquid Line Shutoff Valve | 4A4822-01 | 1 | 1 | 1 | |||||||
| 23 | Suction Line Shutoff Valve | 4A4821-01 | 1 | 1 | 1 | |||||||
| 24 | Check Valve | 4A1373-01 | 1 | 1 | 1 | |||||||
| 25 | Strainer | 441569-02 | 3 | 3 | 3 | |||||||
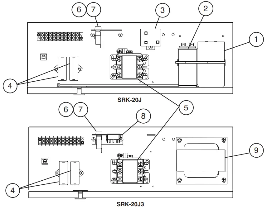
B. Control Box Assembly
SRK-20J, SRK-20J3
H-0 to M-0
| Title: B. Control Box Assembly Model: SRK-20J, SRK-20J3 | ||||||||||||
| Index No. | Description | Material or Model Number | Part Number | Required Number | ||||||||
| H-0 (A) to J-0 (D) | J-0 (E) to M-0 | |||||||||||
| 1 | Start Capacitor | SRK-20J 189-227MFD, 330VAC | 3A0076-12 | 1 | 1 | |||||||
| 2 | Run Capacitor | SRK-20J 40MFD, 440VAC | 3A2005-07 | 1 | 1 | |||||||
| 3 | Start Relay | SRK-20J | 4A1107-17 | 1 | 1 | |||||||
| 4 | Fan Motor Capacitor | 10MFD, 250VAC | 443192-01 | 2 | – | |||||||
| 4A6435-01 | 2 | |||||||||||
| 5 | Magnetic Contactor | 4A0794-01 | 1 | 1 | ||||||||
| 6 | Fuse Holder | 4A5443-01 | 1 | 1 | ||||||||
| 7 | Fuse | AGC-10A, 250VAC | 4A0893-07 | 1 | 1 | |||||||
| 8 | Voltage Tap Switch | SRK-20J3 | 4A1477-01 | 1 | 1 | |||||||
| 9 | Main Transformer | 4A5695-01 | 1 | 1 | ||||||||
C. Accessories & Labels
SRK-20J, SRK-20J3
H-0 to M-0
| Title: C. Accessories & Labels Model: SRK-20J, SRK-20J3 | ||||||||||||
| Index No. | Description | Material or Model Number | Part Number | Required Number | ||||||||
| H-0 to M-0 | ||||||||||||
| 1 | Leg | 3A9092G01 | 2 | |||||||||
| 1a | Hex Head Bolt w/Washer | 8×20, SS | 7B0130820 | 8 | ||||||||
| 1b | Hex Nut | M8, SS | 7N11-0800 | 8 | ||||||||
Customer Service
















