MS190550CTxxx Mains Pressure Indoor Stainless Steel Coiled Cylinders
Owner’s Manual

Models
Single coil thermosiphon
Twin coil thermosiphon
Single coil non-thermosiphon
xxx = element variants
MS190550CTxxx, MS250560CTxx, MS300560CTxxx
MS250560CTxx, MS300560CTxx
MS190550Cxx, MS250560Cxx, MS300560Cxx
Important
Cylinders shall be installed in accordance with:
- Manufacturer’s installation instructions
- Current AS/NZS 3000, AS/NZS 3500, and G12/AS1
Installation, servicing, and repair shall be carried out only by authorized personnel.
Not suitable as a spa or swimming pool heater.
- Owner, please retain this guide for future reference
- The installer, please leave this guide with the owner
Warning
Improper installation, adjustment, alteration, service, and maintenance can cause property damage, personal injury, or loss of life.
This appliance is not to be used by persons (including children) with reduced physical, sensory or mental capabilities, or lack of experience and knowledge unless they have been given supervision or instruction.
For more information about buying, using, and servicing of Rinnai appliances call 0800 RINNAI (0800 746 624).
Rinnai New Zealand Limited
105 Pavilion Drive, Mangere, Auckland
PO Box 53177, Auckland Airport, Auckland 2150
| Phone: | (09) 257-3800 |
| Fax: | (09) 257-3899 |
| Email: | [email protected] |
| Web: | rinnai.co.nz youtube.com/rinnainz facebook.com/rinnainz |
About your cylinder
Important
All cylinders have the potential to leak water. To minimize damage to other areas of your home, ensure that your cylinder has been installed with a drip tray—the person doing the installation is responsible for this.

Safety messages
- Element cover
Do not remove the element cover as this will expose 230 V wiring and must only be removed by an authorized person. - Thermostat setting
Must only be adjusted by an electrician or other suitably qualified tradesperson. - Damaged components
If any component is damaged, it must be replaced by an authorized person using Rinnai replacement parts. - Child supervision
Children should be supervised to ensure they do not play with any part of the hot water system. - Hot pipework
Care should be taken not to touch the pipework from the cylinder as this could be very hot.
Safety devices
Your cylinder is fitted with a:
- Temperature & Pressure and Relief (TPR) valve, designed to automatically release water in the event that temperature or pressure exceeds safe levels.
- Auto-reset thermostat to maintain water temperature.
- Temperature override cutout for the heating element.
Do not operate the system unless all the safety devices are fitted and in working order. It is also important that you do not tamper with or remove any of these devices.
General information Cylinder thermostat setting
To meet the New Zealand Building Code requirement 1 to disinfect water for legionella bacteria 2, the cylinder thermostat has been set to 60 °C.
Turning the cylinder on/off
If you plan to be away for a few nights we suggest you leave the system switched on. If it is necessary to switch it off, when switching back on, remember that the cylinder will take time to heat back up again.
Draining /filling the system
This normally occurs during installation or servicing and must be carried out by an authorised person.
Installation by a licensed tradesperson
Only a licensed tradesperson can install, adjust, maintain, and service this water heater. Any work carried out by a non-licensed tradesperson is illegal and will void any warranty.
Maintenance and servicing

Hot water systems, like cars, require regular maintenance and servicing. To ensure the longevity of your cylinder we recommend the following.
| Period | What needs to be done |
| Every six months | TPR (temperature & pressure relief) operates the easing gear |
| Year five | Inspection and service of the entire hot water system, including element* |
| Every 24 months after year five | Inspection and service of the entire hot water system, including element* |
| * In hard water areas the element(s) must be periodically descaled. To do this the cylinder must be drained and the element(s) removed | |
TPR valve
This valve is located near the top of the cylinder and is essential for safe operation.
The TPR valve works by automatically venting hot water if the temperature or the pressure of the water in the cylinder gets too high.
Every six months operate the easing gear to remove lime deposits and to check that it is not blocked. As this will discharge hot water, ensure no one is near the drain line.
Failure to operate the relief valve easing gear at least once every six months may result in the water heater exploding. Continuous leakage of water from the valve may indicate a problem.
It is important that you raise and lower the easing gear gently. During the operation, if the valve does not discharge water when the easing gear is lifted or does not seal again when closed, arrange for an authorized person to come and inspect the system immediately.
During servicing of your cylinder, the TPR valve needs to be checked and/or replaced. This needs to be done by an authorised person at intervals not exceeding five years, or more frequently in areas where the water is classified as hard.
A TPR valve must not be replaced with one that has a higher pressure rating than that specified for the cylinder.
Maintenance and servicing
Rinnai has maintenance, service, and spare parts network with personnel who are fully trained and equipped to give the best advice on your Rinnai product. Regular maintenance and servicing is not covered by the Rinnai warranty.
For help locating a service person in your area call 0800 RINNAI (0800 746 624).

- Insulated TPR on the top of a cylinder lever arm (easing gear) will be in the down position. TPR will be connected to a drain line (not shown in this photo).
- Operate the easing gear by gently lifting it until water flows from the drain line, lower gently.
Installation, servicing, and repair shall be carried out only by authorised personnel.
Specification Summary
Suitability
- Indoor installations
- Mains and low-pressure systems
- Residential and light commercial water heating systems
Thermosiphon single coil: Suitable for connection to a wetback fire, eco inlet suitable for connection to an open loop solar system.
Twin coil: Thermosiphon coil suitable for connection to a wetback fire, standard coil suitable for connection to a closed loop solar system.
Standard coil: Suitable for connection to a closed-loop solar system.
Not suitable as a pool or spa heater, or for underfloor heating.
The system should be located and arranged so as to achieve the closest proximity to water draw-off points.
Construction
| Inner cylinder | 2101 duplex stainless steel |
| Outer casing | Galvanized steel |
Connections
| Hot | ¾ ” (20 mm) |
| Cold | ¾ ” (20 mm) |
| TPR | ¾ ” (20 mm) thermosiphon ½ ” (15 mm) non-thermosiphon |
Coil
| • Wetback thermosiphon coil 1 ” 25 mm diam. • Auxiliary coil (solar coil) ¾ ” 20 mm diam. | |
| Length | 10 m (0.785 m2) |
| kW rating | Max. kW rating 13.4 kW |
Operating pressures
Maximum working pressure = 850 kPa
Element
Incoloy 825 alloy curved sheath element.
Thermostat
Robert Shaw 30 A contact auto-reset thermostat (red dial).
The thermostat setting is between 50-70 °C.
The maximum thermostat setting (in order to maintain the warranty) is 70 °C.
| Weights: | empty | full |
| Thermosiphon single coil | ||
| • 190 L: | 41.5 kg | 231.5 kg |
| • 250 L: | 49 kg | 299 kg |
| • 300 L: | 56 kg | 356 kg |
Twin coil
| • 250 L: | 55 kg | 305 kg |
| • 300 L: | 62 kg | 362 kg |
Standard single coil
| • 190 L: | 42 kg | 232 kg |
| • 250 L: | 48 kg | 298 kg |
| • 300 L: | 56 kg | 356 kg |
Pressure limiting (reducing) valve
This water heater MUST be installed with a 500 kPa or less pressure limiting valve and an appropriate cold water expansion valve.
TPR valve
A TPR valve and insulation kit is supplied with the water heater and MUST be fitted. The TPR valve thread should be sealed with Teflon tape, do not use paste and hemp. Use the spanner flats on the valve body to tighten, DO NOT use a wrench on the valve body.
The TPR valve must be fitted with a drain pipe to direct any water discharged to a visible point outside the property. The drain pipe must have a continuous fall and be at least the same size as the TPR valve outlet. Where the drain pipe exceeds three meters in length it is recommended an air break be provided within 300 mm of the TPR valve outlet. Where an air break is used it is recommended that the pipe size after the air break be increased to one size larger than the TPR valve. It must also be protected from freezing conditions.
Protection against water: IPX1
Dimensions
190 L thermosiphon coil for wetback

250/300 L thermosiphon coil for wetback

250/300 L twin coil for wetback and closed loop solar

190/250/300 L standard coil for closed-loop solar
| Solar flow | Mid-element | Upper element | TPR | Height | |
| 190 L | 365 mm | 745 mm | 955 mm | 1080 mm | 1380 mm |
| 250 L | 375 mm | 780 mm | 1075 mm | 1380 mm | 1730 mm |
| 300 L | 375 mm | 935 mm | 1410 mm | 1700 mm | 2045 mm |
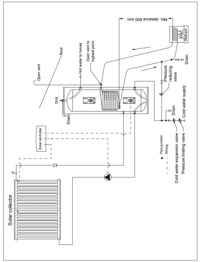
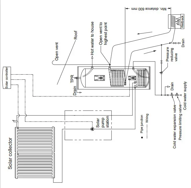
Plumbing setup
Cylinders should be installed in accordance with G12/AS1. For servicing and maintenance, please allow sufficient room for access to element covers and valves.
General guidelines
There are multiple setup options for our coiled cylinders depending on the supplementary heating source the cylinder is connected to. For the purpose of this guide only the most common connection layouts have been included.
Base requirements
Cylinders should be installed on a flat level base of sufficient strength to support the weight of the water heater when full.
The water heater must also be suitably restrained against seismic activity, ‘G12/AS1 Figure 14’ details an acceptable method of restraint.
Drip tray/catch pan (MUST be fitted)
The Rinnai warranty does not cover any consequential loss from leaks to the cylinder, it’s important a suitably drained drip tray/catch pan is fitted as per AS/NZS 3500.4:2015 5.4 and G12/AS1 6.11.3.
Pipework
It is the installer’s responsibility to adequately size the distribution pipework in a property to ensure sufficient performance from all outlet fittings. Water pipe sizing should be performed in accordance with AS/NZS 3500.4 and/or G12/AS1. Pipe sizing and valve selection must be performed to allow for the water supply pressure.
A drain-off tap or line must be fitted to the inlet of the water heater.
All hot water pipework should be insulated with polythene foam or equivalent insulation to optimize performance and energy efficiency and to reduce the risk of coming into direct contact with hot pipes.
To prevent damage to the water heater when attaching pipe clips or saddles to the jacket, it is recommended that self-drilling screws with a maximum length of 12 mm are used. If drilling is required take extreme care not to penetrate the inner cylinder.
A common setup for a thermosiphon coil connected to a wetback, and eco inlet connection for an open loop solar system
A common setup for a thermosiphon coil connected to a wetback, and a standard coil for connection to a closed-loop solar system

A common setup for a standard coil connected to a closed-loop solar system

Storage and delivery temperatures
Storage temperature
To meet the New Zealand Building Code requirement to disinfect water for legionella bacteria, the cylinder thermostat has been set to 60 °C.
Thermostat settings must only be adjusted by an electrician or other suitably qualified tradesperson. The access cover to the element and thermostat must only be removed by an electrician or other suitably qualified tradesperson.
Sanitary fixtures delivery temperature
Water temperatures over 55 °C can cause severe scalds. Local regulations must be considered regarding the temperature limitations of hot water supplied to areas used primarily for personal hygiene. The temperature is limited to 45 °C for early childhood centers, schools, nursing homes or similar facilities and 55 °C for all other buildings. To comply with these requirements, a temperature-limiting device, such as a tempering or thermostatic mixing valve will be required on all installations.
Wetback heat exchanger power input table
It is important the kW rating of the wetback heat exchanger is suitable for the capacity of the cylinder otherwise the heat recovery can be too fast and energy will be wasted through the open vent. The below table identifies the maximum kW rating for each cylinder size. For example, a 3 kWh wetback heat exchanger is not recommended for a 190 L cylinder.
1.5-3.7 kWh are the most common wetback heat exchanger power outputs in NZ
Water quality
Rinnai cylinders are manufactured to suit most NZ council water supplies. However, some water supplies can have a detrimental effect on the water heater, its operation, and life expectancy.
Pitting corrosion
Rinnai stainless steel cylinders are made from 2101 grade duplex stainless steel and are highly resistant to pitting corrosion, but not completely immune from it. Pitting corrosion may occur in the form of a deposit attack if the water supply has a high percentage of dissolved solids present.
Hard water
Hard water (containing calcium carbonate) can cause scaling on hot surfaces. We recommend a water temperature of no more than 65 °C to minimize scale build-up. Scale-reducing or water-softening devices should be considered in hard water areas. The unit is not guaranteed against damage due to scaling.
Water quality outside the limits (as set down below) will void this warranty.
Water Quality and Impurity Limits
| TDS (Total Dissolved Solids) | Total Hardness CaCO3 | Dissolved (free) CO2 | pH | Langelier Index |
| Up to 600 mg/L or ppm | Up to 200 mg/L or ppm | Up to 25 mg/L or ppm | 6.5-8.5 | Between -1.0-0.8 |
Most metropolitan water supplies fall within these limits. If you are unsure about water quality, please test your water for compliance with Rinnai standards. If sludge or foreign matter is present in the water supply, a suitable filter should be incorporated in the water supply.
Some examples of water quality issues where water may need to be treated:
- Hard water (areas including Wanganui)
- Aggressive water (areas including Christchurch)
Stainless steel cylinders are not suitable for tank or bore water.
Electrical supply and connections
The electrical connection must be carried out by a qualified person in accordance with NZ Electrical Regulations.
The water heater must have the heating element connected to an independent, fused, AC 230 V 50 Hz power supply with an isolating switch installed at the switchboard. Disconnect all power prior to installation and commissioning.
- The water heater must be filled with water prior to connection to the power supply
- Household wiring to the heater must be capable of withstanding the appliance load
- Fixed wiring must be protected from contact with the internal hot surface of the water heater
Electrical access is via a hole in the element cover for mounting with an approved electrical conduit gland. For entry to the element cover remove the two fixing screws.
Connect all LIVE, NEUTRAL, and EARTH wires in accordance with the wiring diagram. Inspect and ensure all wiring links are secure prior to fixing the access cover and turning the power on.
To ensure the over-temperature and energy cutout is set press the ‘reset’ button on the thermostat.
The appliance is intended to be connected to cables of fixed wiring which has a cross-sectional area of 1.5 mm2 – 2.5 mm2.
| Wire No. | Description | Colour | |
| 1 | Active wire | Brown | |
| 2 /4 | Element feed wire non-polarised | Black | |
| 3 | Neutral wire | Blue | |
Valves and fittings
Valves with pressure ratings other than those listed in this manual must not be used.
Fittings supplied with the cylinder
Brass plugs, to plug unused connections, a key spanner, and the owner and installer guide are packaged in a plastic bag inside the element cover.
The TPR valve insulation kit and instructions are supplied in a clear plastic bag fixed to the element cover as shown. The valve insulation kit is provided to reduce heat loss from the TPR and must be fitted.
Commissioning
Commissioning and draining activities must be carried out by an authorised person.
Limited Warranty
Rinnai brings you peace of mind with a:
10-year warranty![]()
This warranty is applicable to all Rinnai Stainless Steel Indoor cylinders.
All terms of the warranty, subject to the conditions below, are effective from the date of the first installation. Proof of purchase and installation date will be required at the time of any warranty claim. Where the date of installation is not known or cannot be proven the warranty will commence one month after the date of manufacture—refer to the data label on the cylinder. This warranty is only valid within the country of purchase.
| Residential application | Commercial application | ||
| Cylinder only | 10 years | 3 years | |
| Labour | 5 years | 1 year | |
| All other parts supplied by Rinnai (thermostats, elements, seals etc.) | Parts | 1 year | 1 year |
| Labour | 1 year | 1 year |
Single residential application warranty
A residential application is defined as an installation where the water heater, with the thermostat set below 70 °C, delivers hot water to a single-family residential dwelling, not used for commercial purposes.
Examples where a residential dwelling is used for commercial purposes; a hair salon, catering kitchen, communal care facility, etc. These installations would be considered commercial applications. An exception would be an accommodation business such as a motel, where the water heater serves the equivalent of a single-family dwelling, this would be a residential application.
Commercial application warranty
For constant use applications such as, but not limited to these, underfloor heating and circulating ring mains. The cylinder must be sized and installed according to written guidelines from Rinnai.
General warranty terms
Rinnai reserves the right to make modifications and change specifications and parts without notice.
For the purposes of the Consumer Guarantees Act 1993, Rinnai only guarantees the availability of repair facilities and spare parts for the express warranty periods recorded in the Rinnai warranty summary table.
If the cylinder is being acquired for personal, domestic, or household use, this warranty does not limit any consumer rights or guarantees that may apply under the Consumer Guarantees Act 1993.
If the product is being acquired for the purposes of a business, the provisions of the Consumer Guarantees Act 1993 do not apply and no other warranties (either express or implied by law) apart from those stated in this warranty apply.
Warranty terms and conditions
- All terms of this warranty are effective from the date of the first installation. The attending service person reserves the right to verify this date.
- All Rinnai cylinders must be installed, commissioned, serviced, repaired, and removed in accordance with the manufacturer’s installation instructions, local regulations, and municipal building codes by persons authorised to do so.
- All Rinnai cylinders must be operated and maintained in accordance with the manufacturer’s instructions.
- The warranty applies only to the components supplied by Rinnai. It does not apply to components supplied by others, such as, but not limited to these, isolating valves, electrical switches, pipework, electrical cables, and fuses.
- Where the cylinder has not been sited in accordance with the installation instructions or installed such that normal service access is difficult, a service charge will apply. If at the discretion of the attending service person the installation is deemed illegal or access is dangerous, service will be refused. Any work required to gain reasonable access to the cylinder will be chargeable by the attending service person (for example, removal of cupboards, doors, walls, or the use of special equipment to move components but not limited to these).
- The cylinder warranty is for the period indicated in the summary table. Where the cylinder and/or part is replaced under warranty the balance of the original warranty will remain effective.
- Rinnai reserve the right to transfer functional components from defective water heaters if they are suitable.
- Rinnai reserve the right to have the installed product returned to the factory for inspection.
- Where the cylinder is installed outside the metropolitan area or further than 40 km from a Rinnai authorized service center, travel costs shall be the owner’s responsibility.
- Rinnai reserves the right to replace the cylinder for another type if upon inspection it is deemed another cylinder of different construction is more suitable.
Warranty exclusions
The following exclusions may cause the warranty to become void and will result in a service charge and costs of parts (if required).
- Accidental damage and acts of God.
- Failure due to abuse or misuse, improper maintenance, or improper storage.
- Failure due to incorrect or unauthorized installations.
- Failure or damage caused by alterations, service, or repair work carried out by persons other than those authorised by Rinnai.
- Where the cylinder has failed directly or indirectly as a result of poor water quality outside the limits specified and/or used with bore or tank water.
TDS (Total Dissolved Solids) Total Hardness CaCO3 Dissolved (free) CO2 pH Langelier Index Up to 600 mg/L or ppm Up to 200 mg/L or ppm Up to 25 mg/L or ppm 6.5-8.5 Between -1.0-0.8 - Where it is found that there is no fault with the cylinder and the issue is related to the installation or is due to power failure.
- Subject to any statutory provisions to the contrary, Rinnai does not accept:
a. liability for consequential damage or any incidental expenses resulting from any breach of the warranty.
b. claims for damage to the building or any other consequential loss either directly or indirectly due to leaks or any other faults.
Warranty examples in the real world
We understand warranty information can be confusing. To help clarify what this means in the real world we have developed some residential application scenarios to clarify what would fall within warranty and what wouldn’t.
| Scenario | Age of part/cylinder | Within warranty | |
| Faulty thermostat | 10 months | Yes | All costs are covered by Rinnai. |
| Faulty element | 3 years | No | All costs are covered by the owner. |
| Cylinder leaks as a result of a faulty inner cylinder and causes damage to carpets and flooring | 11 months | Yes/No | The cost of cylinder replacement is covered by Rinnai. Consequential loss, damage to carpets and flooring, is not1. |
Consequential losses
All cylinders are required to be installed with a drip tray, this is a mandatory requirement of the installation. If damage is caused by a leaking cylinder that has not been installed with a drip tray the owner can seek compensation through the installer or consider claiming on insurance.
Purchase details
Record your purchase details below
Retailer:————————————
Retailer address: ————————————
Date of purchase:————————————
Product details:————————————
Please keep these details in a safe place for future reference.
Register your Rinnai cylinder online at www.rinnai.co.nz/register/ for service reminders, product updates, and special offers—you can unsubscribe at any time.
Company name:———-
Installer name:———-
Address: ———-
Phone:———- Mobile:———-
Signed:———- Date:———-
Rinnai.co.nz
Tel: 0800 746 624
http://www.youtube.com/rinnainz
http://facebook.com.rinnainz



















