
POWERDUCTION

110LG/160LG
220LG
2-9 / 22-33 / 94-104
MOUNTING





Removable handle

IMPOUNDMENT OF THE RESERVOIR
![]() | ![]() |

Reaction of the indicator lights

GENERAL INSTRUCTIONS
This manual contains safety and operating instructions.
Please read it carefully before using the device for the first time and keep it for future reference.
Read and understand the following safety instructions before use.
Any modification or updates that are not specified in the instruction manual should not be undertaken.
The manufacturer is not liable for any injury or damage due to non-compliance with the instructions featured in this manual.
If there is any issue or uncertainty, please consult a qualified individual to operate the equipment correctly.
This machine should only be used for heating ferrous materials within the limits indicated on the machine and in the instruction manual. The operator must observe the safety precautions. In case of improper or unsafe use, the manufacturer cannot be held liable.
ENVIRONMENT
Operating temperature:
Use between -10 and +40°C (+14 and +104°F).
Store between -25 and +55°C (-13 and 131°F).
Air humidity:
Lower or equal to 50% at 40°C (104°F).
Lower or equal to 90% at 20°C (68°F).
Altitude:
Up to 1000 meters above sea level (3280 feet).
INDIVIDUAL PROTECTION & OTHERS
Induction heating can be dangerous and cause serious injury or death.
Induction heating exposes people to a source of heat, electromagnetic fields and light radiation that can be dangerous.
To protect oneself as well as others, ensure the following safety precautions are taken:
| • To protect yourself from optical radiation and metal splashes, use a helmet or protective goggles with shade 5. | |
| • In order to protect you from burns and radiations, wear clothing without turn-up or cuffs. These clothes must be insulating, dry, fireproof, in good condition, and covering the whole body. • Do not wear clothing with metal fasteners, metal buttons, or metal covers of any kind. | |
| • Wear protective gloves which guarantee electrical and thermal insulation. | |
| • Not for use by pacemaker users. • People wearing pacemakers are advised to not come close to the machine. • Risk of disruption of pacemaker operations when close to the machine. | |
| • Entry prohibited for holders of metal implants • People wearing pacemakers are advised to not come close to the machine. | |
| • Make sure that jewelry (especially wedding rings) or metal parts (keys, watch) do not come near the induction system and inductor during operation. • Remove all jewelry and other metal objects from your body before using this equipment |
RISK OF BURNS
Induction heating increases the temperature of the metal very quickly!
- Do not touch hot parts or the inductor with bare hands.
- Wait for the parts and pieces to cool down before handling them.
- In case of a burn, rinse thoroughly with water and consult a doctor as soon as possible.
FIRE AND EXPLOSION RISKS
| • Do not position the machine on, or near flammable surfaces • Do not position the machine near flammable materials. • Do not heat containers, vessels or pipes that contain or have contained flammable liquids or gases. • Do not overheat parts and adhesives. | |
| • In case of fire, use a fire extinguisher or fire blanket. • Do not use the device in an explosive atmosphere. • Do not heat pressurized containers. • Keep airbags, gas canisters or other pressurized gas containers away from the induction heating machine.» |
VAPOUR AND GAS RISK
- Keep your head away from the fumes, do not inhale.
- If working inside, ventilate the area or use a fume extractor to evacuate the gases and fumes.
- Induction heating of certain materials such as adhesives and flux can generate fumes and gases. Breathing these fumes and gases can be dangerous for your health. For example, heating urethane generates a gas: hydrogen cyanide, potentially mortal for humans.
- If the ventilation is insufficient, use an approved respiratory unit.
- Read the safety data sheets (MSDS) and the manufacturer’s instructions for adhesives, flux, metals, consumables, coatings, cleaning agents, corrosives, and paint strippers.
- Work in a confined area only if it’s well ventilated, or use an approved respiratory/filtration unit. Make sure that a qualified person is around to watch over you. The fumes and gases released while heating can replace oxygen or air, causing accidents or death. Check the quality of the air you’re breathing
- Do not use the heater on parts being degreased or sprayed. The heat might react with fumes and generate highly toxic gases.
- Do not overheat metals, such as galvanized steel, covered with lead or cadmium, unless the coating is removed from the surface before it’s heated, the area is well ventilated, and if needed, use an approved filtration/respiratory unit. Foundry pieces and all metals containing such elements may generate toxic fumes if overheated.
Check the MSDS for temperature-related details.
ELECTROMAGNETIC FIELD EMISSIONS
| • During operation, the inductor generates strong electromagnetic fields that are not visible. • The equipment has been designed to minimize the risks from electromagnetic fields, however, residual risks remain. • Maintain a minimum safety distance of 30 cm between the inductor and the operator’s head or torso. • The inductor must be aimed exclusively at the metal parts to be heated. • Never wrap the cables around the body. |
OPTICAL RADIATIONS
| • Risk of optical emission when heated metal elements approach and approach and reach fusion. • Optical radiation can be harmful to the eyes and skin. |
ELECTRICAL RISK
| An electric shock could cause serious injuries or potentially even deadly accidents. | |
| 110LG / 160LG / 220LG 400 V • The appliance is class I and should only be used on a 3-phase 400V (50/60 Hz) four-wire electrical installation with a neutral conductor connected to the earth. | |
| 110LG / 160LG UL Standard • The appliance is class I and should only be used on a 3-phase 208-240V (50/60 Hz) four-wire electrical installation with a neutral conductor connected to the earth. |
EMC CLASSIFICATION
| • These Class A devices are not intended to be used on a residential site where the electric current is supplied by the public network, with a low voltage power supply. There may be potential difficulties in ensuring electromagnetic compatibility at these sites, due to conducted interferences as well as radiation. | |
| 220LG only • This equipment complies with IEC 61000-3-12, provided that the power of the short-circuit Ssc is equal to or greater than 7.6 MVA at the interface between the machine and the main power network. • It is the responsibility of the installer or user of the equipment to ensure if necessary by consulting the operator of the mains electricity, that the equipment is only connected to a power supply where the power of shortcircuit ssc is equal to or greater than 2.8MVA. | |
| 110LG / 160LG • This equipment does not comply with IEC 61000-3-12 and is intended to be connected to domestic low-voltage systems interfacing with the public supply only at the medium- or high-voltage level. If connected to a public low-voltage power grid, the installer or user of the machine has to ensure, by checking with the network operator, that the device can be connected. • This equipment complies with the IEC 61000-3-11 standard. |
MAINTENANCE
![]()
- Maintenance should only be carried out by a qualified person. Yearly maintenance is recommended.
- Warning! Always disconnect from the mains before performing maintenance on the device. High Voltage and currents inside the machine.
- Remove the casing on a regular basis, to remove any excess dust. Take this opportunity to have the electrical connections checked by a qualified person, using an insulated tool.
- Do not use solvents or any aggressive cleaning products.
- Clean the device’s surfaces with a dry cloth.
- If the power cable or connection cables are damaged, they must be replaced by the manufacturer, its after-sales service or an equally qualified person to prevent danger.
- If the internal fuse is melted, it must be replaced by the manufacturer, its after-sales service or by an equally qualified person to prevent any accidents.»
- Do not obstruct the machine’s air intake, which facilitates air circulation. Check the installation chapter before using the device.
- Maintain at least 50 cm of free space around the equipment.
TRANSPORT
- Do not use the power cable or nozzle to move the unit. It must be moved in a vertical position.
- The handle cannot be used to lift the product.
REGULATIONS
![]() | • The device complies with the European directives, • The declaration of conformity is available on our website (see cover page). |
| • EAC conformity mark (Eurasian Economic Commission) | |
| • Material conforms to UK requirements. • The UK Declaration of Conformity is available on our website (see cover page). | |
| • Device compliant with Moroccan standards. • The Cم (CMIM) declaration of conformity is available on our website. |
WASTE MANAGEMENT
| • This product should be disposed of in an appropriate recycling facility. Do not throw away in a household bin. • This product should be recycled appropriately | |
| • Recyclable product that falls within waste sorting recommendations |
PRODUCT IDENTIFICATION
At the back of the product, there is an identification plate that contains the following information:
- Name and address of the manufacturer
- Date of manufacture
- Model
- Product Type
- Operating Voltage
This data must be specified for each maintenance intervention, or if spare parts are requested.
PRODUCT SPECIFICATIONS
| Rated input voltage | 11OLG | 16OLG | 220LG | |||
| 208-240 V | 400 V | 208-240 V | 400 V | |||
| Rated frequency | 50 Hz – 60 Hz | |||||
| Number of conductors | 3 Phases + Ground | |||||
| Rated input current | 32 A | 16 A | 45 A | 29 A | 32 A | |
| Rated input power | 11 000 W | 16 000 W | 22 000 W | |||
| Processing frequency | 20-60 kHz microprocessor controlled. | |||||
| Rated output power | 5 500 W | 8 000 W | I 11 000 W | |||
| Length of the power cable | 5 m | 4 m | ||||
| Length of lance | 4 m | 6 m I | 6m/10m | |||
| Tank capacity | 7 liters | 30 liters | ||||
| Coolant | Special welding liquid coolant (ref 052246) | |||||
| Protection class | IP 21 | ||||
| Dimensions (cm) | 88 x 60 x 60 cm | 118 x 80 x 60 | |||
| Weight (kg) | 86 | 80 | 146 | 136 | 141 – 6.3×32 |
| Internal fuse | T5A – 250VAC -6.3×32 | T2.5A – 500VAC- 6.3×32 | T5A – 250VAC -6.3×32 | T2.5A – 500VAC | |
DESCRIPTION OF THE MACHINE (FIG I)
| 1 | Heat authorization illuminated button |
| 2 | Main switch |
| 3 | Heating power indicator (110LG : 1 kW – 11 kW, 160LG : 1 kW – 16 kW 220LG : 2 kW – 22 kW). |
| 4 | Heating power settings or temperature unit button |
| 5 | Cooling liquid temperature |
| 6 | An inductor or machine fault indicator |
| 7 | Cooling circuit warning alarm indicator |
| 8 | Machine or cooling circuit thermal protection indicator |
| 9 | Inductor change indicator |
| 10 | Inductor change mode activation button |
| 11 | Lance button: start the heat |
| 12 | LED work light (illuminates the heating point) |
| 13 | Lance attachment. For a 36 mm spanner |
| 14 | Adapter attachment: 27 mm spanner |
| 15 | Adaptor |
| 16 | Inductor |
| 17 | Pneumatic pedal connection |
| 18 | USB reprogramming socket |
| 19 | Outdoor temperature control connector (160LG) |
| 20 | Pneumatic pedal |
FIRST USE
The POWERDUCTION 110LG (except 208-240V) is supplied with a 5 m power cable fitted with a 16A, 5-pin, earthed plug. The POWERDUCTION 160LG / 220LG (except 208-240V) is supplied with an 4 m power cable fitted with a 32A, 5-pole earthed plug.
- Once the product is assembled, place the torch on its support. Unscrew the inductor and the tank’s cap.
- Fill up the tank to the maximum using special welding liquid coolant (30 l / 7 l).
- Take the lance and place it at the tank inlet or above the filling canister.
- Connect the machine to the mains.
Switch on the machine (1). - The machine starts and will systematically display Error 6 or 7 («E-6» or «E-7»).
- Press the accessory change button (10) twice. The purge cycle takes 5 seconds (a loading icon should be displayed
during it) and a double «beep» sound indicates completion. - As soon as the liquid is coming out of the torch, stop the torch by pressing the torch button, the accessory change button or the heat authorization button. Or wait for «E-6» to be displayed. If Error 7 is displayed, start again from step 6 (five times max, see default E-7 explanation).
- Screw the inductor by hand.
- Press the accessory change button (10) twice. The purge cycle takes 5 seconds (a loading icon should be displayed during it) and a double «beep» sound indicates completion.
- The temperature of the cooling liquid and the power instruction are displayed.
- Top up the tank with cooling liquid if required.
- Replace the tank cap. The product is ready to operate.
Solving fault E-7
If the issue remains, check that the pump is working correctly or that the pipe is not blocked.
After five unsuccessful purge cycles, it is possible to:
– Stretch the torch above the machine to clear any pocket of water and for the pump to kick in.
– Put the machine at a 30° angle towards the torch.
– It is possible to blow the torch. Use an air blower and a cloth to keep it waterproof and avoid projections.
– Re-attempt one or two cycles after each action.
If the issue remains, check that the pump is working correctly or that the pipe is not blocked.
INSTRUCTIONS
- Set the main switch (1) to ON.
The machine initializes in 2 seconds. - Press the heat authorization button (2) as described on page 7. The indicator on button (2) and the lance support LED (12) both switched on, indicating that the machine is ready to operate.
- Position the inductor (13) flat on the workpiece (place the open part of the ferrite towards the workpiece).
- Press button (11) on the lance or the pneumatic pedal to start the heating; if necessary move the inductor to heat a larger area. Two indicators indicate that the heating is active:
– The brightness of the LED illuminating the inductor (12) decreases*.
– The minimum power indicator light on the heating power indicator (3) flashes quickly (in HI mode both min & max lights flash).
Do not heat the same area for too long (a few seconds are sufficient depending on the thickness) to prevent the metal piece from melting.
It is possible to change the rated power during the heating.
The heating set point can be set to Hi. The power is identical to the 100% mode but the Powerduction behaves differently:
– At 100%: he wears the part red and maintains the right power for a few seconds before slowly reaching its maximum power.
– In Hi mode: it rises to its maximum power regardless of the condition of the room to be heated.
Remain very vigilant, the heating is strong and fast and may damage the part without a control of this mode.
The display provides a continuous update of the cooling liquid temperature (max 60°C/140°F).
– During the powering up phase, the pump and the cooling fan activate for a few seconds, to check that they are working properly.
– After the heating stops, let the cooling circuit operate to cool down the inductor, before switching off the machine.
– To modify the cooling liquid temperature unit, press and hold both settings buttons (4) until the desired unit is displayed (“-F-”=Farenheit /“-C-” = Celsius). Release the buttons, the change is saved and in effect.
The machine has been designed to minimize the risks due to electromagnetic fields. Some residual risks persist and it is recommended to observe a security distance between the inductor and the operator’s head/torso.
Heat on standby
For security reasons, the product deactivates the heat authorization after 5 minutes of inactivity. The heat authorization button indicator and the lance support LED both switch off.
To reactivate the machine, press the heat authorization button (2) or press and hold the lance button (11) for 1 second.
This feature is disabled after 20 minutes of inactivity.
It allows the user to stay in a working position without the need to reach for the machine.
INDUCTOR PRESERVATION
The heated metal radiates heat on to the inductor at the square of the temperature to which it is heated. The inductor is therefore highly exposed. When the metal is dark red, the temperature is below 850°C. If it turns bright red/orange, the temperature exceeds 1000°C. If it turns white, the temperature exceeds 1200°C (the chart below is available in
color on the website manual).

To preserve the inductor and extend its life, it is necessary to keep the temperature around 850°C as much as possible and avoid prolonged use.
The ferrite included in the inductor has a higher coefficient of expansion than its mechanical support. Excessive heating of the inductor causes distortion to the ferrite. It is up to the user to avoid this excessive heating.
Therefore, the inductor, or ferrite when they are removable, are consumables to which the warranty does not apply.
WARNING LIGHTS
– Indicator 6 signals a machine/inductor fault.
– Indicator 7 signals a cooling circuit liquid flow fault.
– Indicator 8 signals thermal protection of the power block or the excessive temperature of the cooling liquid which is 60°C/140°F.
Wait for the indicator to switch off and the machine is ready to operate.
Display 5 displays the fault code :
| Fault code | Cause | |
| E – 1 | Heat authorization button (2) is stuck. | In short-circuit or mechanically blocked. |
| E – 2 | The Lance button (11) is stuck. | In short-circuit or mechanically blocked. |
| E – 3 | Keypad buttons are stuck (9) and (11). | In short-circuit or mechanically blocked. |
| E – 4* | Inductor intensity is too high or not compatible. | Faulty lance or inductor in short circuit. |
| E – 5* | Inductor intensity is too low. | The inductor is not screwed properly or faulty lance. |
| E – 6 | Flow is too high >6 l/min. | Pierced hose or missing inductor. |
| E – 7 | Flow too low <4 l/min. | Hose is pinched or obstructed, the pump does not operate. |
| E – 8* | Internal fault. | Disconnected flat command cable. |
| E – 9 | Voltage network fault. | The network voltage is too low. |
| E – 10 | Power-up fault | Pneumatic pedal active when powered up. |
| E – 11 | Regulation temperature measurement fault | The temperature sensor is off or short-circuit. |
| E – 12 | The temperature does not change during heating | Incorrectly positioned temperature sensor. |
| E – 13 | Power relay fault. | Connection cable unplugged. |
| E – 14 | Power-up fault | The pneumatic foot pedal is active at power-up when the Powerduction Heat Controler is connected to the product. |
| – – – | Overvoltage fault. | Voltage above 460 V sector. |
![]() | No phase | Disconnected phase in socket/product or fuse / switch off |
*In the case of faults E-4, E-5 and E-8, restart the product after correcting the fault.
NB: In the event of a warning alarm, the machine does not work.
The machine is fitted with several protection systems against electrical overcharge and cooling faults. Thermal protection mostly activates when heating stainless steel, aluminum, and copper parts. To reactivate the machine, simply wait for the cooling phase to end. For other protections, switch off the machine using the main switch and switch it back on. For fault alarms, E-6 and E-7, check that there is no leak or an obstructed/broken hose, that the pump is not blocked or deactivated, and that there is enough cooling liquid in the tank. If the problem appears to have been rectified, press the «inductor change» button twice (10) . The cooling circuit is performing a purge cycle. It is ready to operate.
TIME DELAY MODE*
The “Timing” function allows you to control the heating time of the Powerduction.
The time is adjustable from 1 to 30 s.
To enter this mode:
- Press the heating authorization button (2). Its indicator light comes on.
- Then press both power adjustment buttons (4) simultaneously. The display shows “SEC” then “T 00” or “SEC” then “ON” if a time has already been set.
- The power setting buttons (4) become time setting buttons. Change the setpoint from time to time as desired.
If the time value has not been changed beyond 3 seconds and still shows “T 00”, the Powerduction returns to normal mode.
Use in “Timer” mode:
Once the time setpoint has been selected, the product is ready for operation. The lighting LED (12) is lit.
- Press the lance button (11). The intensity of the LED (12) decreases to indicate that the heating is active.
- The heating stops at the end of the time limit. As long as the lance button (11) is pressed, the LED (12) and the heating enable button (2) flash to warn that the power is off. Adjust the time setpoint if necessary.
- Press the lance button (11) for a new heating cycle.
Exit the “Timer” mode
The mode remains active at all times, even when the Powerduction has switched off and then on again.
- To exit the mode, set the time setpoint on ∞ or press both power control buttons (4) simultaneously. The Powerduction returns to normal operating mode. The display shows “SEC” then “OFF”.
A special feature of the power setting in this mode
As explained, in normal use mode the setting buttons allow you to change the power while in this mode they change the time setpoint. To change the power without leaving the mode:
- Press the heating authorization button (2). Its green light goes out.
- The setting buttons (4) allow you to change the power. Adjust the power.
- Press button (2) again. Its indicator light comes on again. The setting buttons (4) become the time setting again.
«ACCESSORY CHANGE» MODE

This mode is accessible only if the heating isn’t activated (the green button is switched off).
- Press the button (10), the pump stops and the LED (9) switches on.
- Place the lance on its supports and put the cable on the ground (to prevent loss of cooling liquid).
- Unscrew the inductor by hand.
- Depending on the choice of the new inductor: unscrew the adapter with the supplied wrench and then screw the appropriate adapter back on (max. 7 N.m) or keep the adapter already in place.
- Screw the new inductor back on.
- Press the button again (10).

The pump activates. For 5 seconds, the LEDs display a waiting pattern.
If the flow is correct, the machine emits a double «BEEP» and the product is ready to operate.
Otherwise, a fault is displayed (refer to the fault code table).
Inductors et Adaptators
The Powerduction 110LG/160LG are delivered as standard with the 32L adapter and the L90 inductor.
The Powerduction 220LG is delivered as standard with the 32L adapter and the L20/B4 inductor.
The other accessories are optional, they allow to extend the heating possibilities to multiple applications.

https://planet.gys.fr/pdf/datasheet/fr/064508.pdf


«PURGE» MODE
This mode is only available if the heat is not activated (green switch is off).
- Push the button (10), the pump stops and the LED (9) lights up.
- Position the torch on its support and place the cable on the floor (to avoid liquid spillage).
- Unscrew the accessory by hand.
- Push and hold the heat authorization button (2) for 3 seconds until it lights up.
- Place the torch button above a bucket with a capacity of 10 l minimum.
- Push the torch button (11). The pump activates until the debit falls under 2 l/minute or for 2 minutes. The machine displays the debit in decilitre per minute. To interrupt the pump during the cycle, push any button.
- To empty the cooling circuit, use a blower to blow air (30PSI) at the end of the torch until you can hear the air flowing or projections of liquid coming out of the tank.
- To remove the remaining liquid from the bottom of the tank
110 LG: use a vacuum pump or tilt the product to the front.
160LG/220LG: unscrew the cap under the Powerduction with a wrench (6 pans of 8).
Once the tank is completely empty, screw the cap back on.
- To top up the cooling liquid, refer to the installation instructions (p9/10).
It is recommended to change the cooling liquid every year, otherwise, you may damage the POWERDUCTION’s lance.
COOLING CIRCUIT AND «FORCED COOLING» MODE
The Powerduction is equipped with fans. The first, common to 110LG, 160LG, and 220LG, starts when the coolant temperature reaches 35°C (95°F). The second, only available on the 160LG and 220LG, starts when the temperature reaches 40°C (104°F). As soon as the liquid temperature drops below the setpoint values (35°C or 40°C), the fans switch off.
During long periods of use, the POWERDUCTION has a forced cooling mode. To activate it :
- Set the main switch (1) to ON.
The machine initializes in 2 seconds. - Press the activation button (2). The indicator on button (2) and the lance support LED (12) both switch on, indicating that the machine is ready to operate.
- Hold (>3 seconds) the button (10). The « Forced cooling» mode is activated.
The cooling fan then starts automatically. The cooling fan will be audible and the «Fan ON» message will appear on the display.
To stop the «Forced cooling», press the activation button to stop the heating or hold the button (10) again. The message «Fan OFF» is displayed.
IMPLEMENTATION OF OUTDOOR TEMPERATURE CONTROL
- Use a pyrometer or thermocouple sensor with an analog output.
In this case, the value of the shunt resistance must be adjusted to U T° according to the set point and the desire accuracy.
Correspondence table
| Voltage U T° | Temperature in Celsius | Temperature in Fahrenheit |
| 1 V | 0°C | 32°F |
| 2 V | 100°C | 210°F |
| 3 V | 200°C | 390°F |
| 4 V | 300°C | 570°F |
| 4.5 V | 350°C | 660°F |
Or
2. Use the device provided for this purpose on the POWERDUCTION (061644 – POWERDUCTION HEAT CONTROLER & 064119 – PYROMETER FOR POWERDUCTION HEAT CONTROLER) :
– Connect your temperature sensor to the outdoor temperature measurement interface (Option).
In this case, refer to the instructions for the temperature control box.
– Connect the temperature sensor directly to the POWERDUCTION interface or directly to the front panel connector.
Pin assignment of the front panel connector

| Fonction | Wire number | Type | Electrical parameters | Values | Logics |
| Generator ready OK/Secur | 1/3 | Digital output | Type Permissible direct current | Dry contact 5 A 30 V | Closed Generator ready to heat |
| Open Generator fault | |||||
| Earth | 8 | Earth | Earth | Earth | Earth |
| Start | 9/10 | Digital input | Residual voltage (open circuit) Input impedance | 15 V 3.5 IΩ | Requires the use of a dry contact: a closed contact activates the heating. |
| Regulation voltage U T° | 11 – /14+ | Analog input | Maximum input voltage Input impedance Accuracy | 5 V 5.4 Id2 +/-5% | Image input of the meas- ured temperature. See correspondence table |
| Interface power supply | 12/13 | Continuous power supply | Output voltage Output impedance | 15 V 100 Ω |
Manual mode
To enter the “outdoor temperature control” mode:
- Keep the heating enable button (2) pressed for 5 seconds.
- The button flashes every second and “rEG” is displayed.
→ The OK/Secure contact closes (Tab 1-3).
The button on the lance (11) and the pneumatic control (15) on the product are disabled in this mode!
To set and then activate the heating:
- Adjust the regulation set point: press the adjustment buttons (4).
The regulation set point varies from 80°C to 350°C (default value at 250°C) in 10°C steps.
The setpoint is displayed for 1 second. - Set the heating power set point (%): hold down the “inductor change” button (10) and press the control buttons (4). The heating power setpoint varies from 10% to 100% (the default value is 50%). The power is updated on the bar graph.
- Activate heating: Close the user contact (Start 9-10). As long as it remains closed, the heating is active.
The minimum power indicator light (3) flashes at 10 Hz to indicate that the power is active.
It is possible to reset the heater when it is active. In this case, it is not necessary to perform step 3 since the user contact is already closed. The heating in progress adapts to his new instructions.
When using the outdoor temperature interface, disconnect the pneumatic pedal from the product and connect it to the interface.
PLC mode
It is possible to order the product via a PLC (see pinning).
Use the front panel connector or through the external interface.
To enter the “outdoor temperature control” mode:
- Switch on the product.
- Wait until the end of the start-up phase for 5 s.
- Close the Start contact.
- Wait for the OK/Secure output to close.
- Release the Start contact after detecting the OK/Secure.
- Check that the OK/Secure output remains closed.
The product enters the “external regulation mode” and generates a melody.
The heating enables button (2) and the lance button LED (11) flashes once per second as long as the mode is activated.
To set the temperature set point and heating power, perform the same operation as in manual mode.
To activate the heating
- Close the Start contact. The product will heat up until it reaches and regulates the set temperature.
If the product detects a fault, then the OK/Secure output opens and the heating stops.
To acknowledge the fault, open the Start contact and press the heating to enable button (2).
The product returns to the “regulation” mode.

Safety and fault setting of the device
- If the temperature input does not change after 5 s, the product goes into fault “E12”.
- If a thermocouple cuts out, then the regulation stops because the voltage U T° exceeds the maximum voltage of 4.9 V.
- If the temperature drops significantly in a short period of time (when thermocouple probes are disconnected, for example), the heating stops and the product goes into fault “E11” (Manual mode >100°C, PLC mode > 30°C).
- To have the most accurate regulation possible, the measuring point(s) must be as close as possible to the inductor. This is the reason for the 2 thermocouples on the external interface.
– The display shows the highest temperature measured by the sensors.
MAINTENANCE
General recommendations
- It is recommended to change the cooling liquid every two years, otherwise, you may damage the Powerduction’s lance.
Before adding the liquid, dust the product and check for leaks. - Regularly check the tightening of the power screws and the appearance of the electrical power connections.
Recommended tightening torque for power screws
| Dimensions screws | M5 | M6 | M8 | M10 | clamp | Gas 1/4 3/8 Gas | M28 | M32 | Inductor 16/22 |
| Material | steel | steel | brass | brass | copper | copper | copper | ||
| Torque | 4 Nm | 6 Nm | 7 Nm | 7 Nm | 2,5 Nm | 4 Nm | 7 Nm max | 7 Nm max | by hand, 4 Nm max |
- It is essential that the maintenance of the product is performed by qualified, authorized staff, that is fully aware of the recommendations outlined in this manual.
- Never clean, lubricate or perform maintenance on the product when it’s being used.
- Before any maintenance work, set the On / Off switch to « 0 » to switch off the machine, .then disconnect it from the mains power supply to prevent any electrical shock or other risks resulting from improper handling.
- Do not wear rings, watches, jewelry, hanging clothes (e.g. ties), torn clothes, scarves, unbuttoned or unzipped jackets, or anything that could get caught during the operation of the machine
- Rather wear clothing specifically designed for the prevention of accidents, such as non-slip shoes, anti-noise helmets, protective goggles, safety shoes, etc …
- Never use petrol or flammable solvents to clean the product. Prefer the use of water and, if necessary, nontoxic commercial solvents.
- After maintenance, always put and secure the metal covers back on, before switching the machine on.
- The ferrite on the inducer can be replaced if damaged. 7 Nm

• Preventive maintenance
Meticulous inspections should be carried out at regular intervals to quickly detect and eliminate faults, so they will not cause damage to the device.
Prior to each use of the POWERDUCTION, check the unit’s security systems and any anomalies that may hinder the proper operation of the device. Perform daily checks to identify signs of wear.
The operational safety of the product can only be guaranteed if the repairs are carried out using original spare parts and if the maintenance instructions are followed. After each use and once the product is switched off, it should be cleaned immediately to remove any dust or dirt that may impair cooling efficiency, affect the proper functioning of the product and reduce its lifespan.
Before each use, check the good operation of the main systems, security systems, and all the electrical cables connection.
Perform periodic visual inspections to verify that there are no cooling liquid leaks, and check that the vents are not obstructed.
ELECTRICAL CONNECTIONS
The product is designed to operate on a single-phase power supply from 208 V to 240 V or 340 V to 460 V.

WARRANTY
The warranty covers faulty workmanship for 2 years from the date of purchase (parts and labor).
The warranty does not cover:
- Transit damage.
- Normal wear of parts (eg. : cables, clamps, etc..).
- Damages due to misuse (power supply error, dropping off equipment, disassembling).
- Environment-related failures (pollution, rust, dust).
- Inductors and removable ferrites are consumables.
In case of failure, return the unit to your distributor together with:
– The proof of purchase (receipt etc …)
– A description of the fault reported
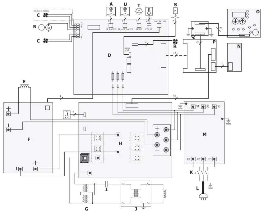
ELECTRICAL DIAGRAM

| 208-240 V | 11OLG 400 V | 208-240 V | 1601G 400 V | 220LG 400 V | ||
| A | A0027 | 94191 | A0091 | 93820 | A0091 (6 m) | A0190 (10 m) |
| B | 71960 | 71745 | 71960 | 71745 | ||
| C | 51004 | 51003 | 51004 | 51003 | ||
| D | E0023C | |||||
| E | 96173 | 96148 | 96173 | 96148 | 96173 | |
| F | E0028C | E0026C | E0028C | E0026C | E0028C | |
| G | 96172 | 96137 | 96172 | 96137 | 96177 | |
| H | E0041C | 97461C | E0041C | 97461C | E0041C | |
| I | 52251 | 52252 | ||||
| 3 | 94191 | 94191 | A0091 | 93820 | A0091 | |
| K | 52356 | 51062 | 52356 | 51061 | ||
| L | 21680 | 21485 | 21682 | 21470 | ||
| M | 97277 | |||||
| N | 97441 | |||||
| 0 | 51967 | |||||
| P | 97788 | |||||
| Q | 97782 | |||||
| R | 51021 | |||||
| S | 71179 | |||||
| T | 81103 | |||||
| U | 51403 | |||||
COOLING CIRCUIT DIAGRAM

| 208-240 V | 11OLG 400 V | 208-240 V | 16OLG 400 V | 2201G 400 V | ||
| A | 51004 | 51003 | 51004 (x2) | 51003 (x2) | ||
| B | 71777 (16OLG / 220LG : x2) | |||||
| C | 52100 | |||||
| D | 94191 | A0091 | 93820 | A0091 (6 m) | A0190 (10 m) | |
| E | E0041C | 97461C | E0041C | 97461C | E0041C | |
| F | 71960 | 71745 | 71960 | 71745 | ||
| G | 81103 | |||||
DISTANCES EMS
110LG / 160LG / 220LG


PICTOGRAMS
| User’s manual; instructions for use | |
| Warning Notice – Read the user manual | |
| People wearing a pacemaker must not get any closer | |
| People wearing metal implants must not enter the area | |
| No metal items or watches | |
| Aerosols and other pressurized containers prohibited | |
| Danger; Magnetic field | |
| Danger; Magnetic field | |
| Danger; Optical radiation | |
| Danger; Hot surface. | |
| Danger; Electricity | |
| Danger; Explosive materials | |
| Danger; Pressurised bottle | |
| Danger; Airbags | |
| Danger; Flammable materials | |
| Danger; Oxidising substances | |
![]() | Protective glasses are required. |
![]() | Protective gloves are required. |
| Protective clothing is required. | |
| Earthing (for protection) | |
| Fuse | |
| Not for use in residential areas (Class A appliances). | |
| Restrictions on connection to public low voltage supply networks apply. | |
| Maintenance | |
| Temperature | |
| Disruption | |
| Cooling | |
| Type of power supply for the electrical device. | |
| Alternative current symbol | |
![]() | The device complies with European directives. The declaration of conformity is available on our website (see cover page). |
| Material conforms to UK requirements. The UK Declaration of Conformity is available on our website (see cover page). | |
| Device is compliant with Moroccan standards. The Cم (CMIM) declaration of conformity is available on our website. | |
| EAEC Conformity marking (Eurasian Economic Community). | |
| Truman | |
| This hardware is subject to the waste collection according to the European directives 2012/19/EU. Do not throw out in a domestic bin! |
SPARE PARTS
POWERDUCTION 110LG

| N° | Désignation | 208-240 V | 400 V |
| 1 | Pump | 71960 | 71745 |
| 2 | Flow sensor | 81103 | |
| 3 | Ventilator 225x225x80 | 51004 | 51003 |
| 4 | Handle foot for gallows | 56023 | |
| 5 | High gallows support | 56024 | |
| 6 | High gallows support | fab050ST | |
| 7 | Mat gallows | 91025ST | |
| 8 | Cable support for a gallows | 56019 | |
| 9 | Plastic handle | 56014 | |
| 10 | Cable Reel – Pliers | 56131 | |
| 11 | Cable gland | 72016 + 72114-1 | 71148 + 711481 |
| 12 | pneumatic switch | 71179 | |
| 13 | On/Off switch / Ein/Aus-Schalter | 52356 + 52360 | 51062 |
| 14 | Green illuminated button | 51403 | |
| 15 | Keyboard | 51967 IND X | |
| 16 | Keyboard interface adaptation circuit | 97782C | |
| 17 | Power supply | E0023C | E0023C si fab ≥ 11/2021 S81127* si fab < 11/2021 |
| 18 | EMC circuit | 97277C | |
| 19 | Ventilator 120x120x38 | 51021 | |
| 20 | Primary circuit | E0152C | 97461C |
| 21 | Power input card | E0028C | E0026C si fab ≥ 11/2021 S81127* si fab < 11/2021 |
| 22 | Powerduction EMC circuit | 97472C | |
| 23 | Resonance capacitor | 52251 | |
| 24 | Control card | 97788C | |
| 25 | Wheel axle | 91100ST | |
| 26 | Wheel | 71376 | |
| 27 | Power cord | 21680 | 21485 |
| 28 | Induktorkabel | 94191 | |
| 29 | Transformer | 96172 | 96137 |
| 30 | Self | 96173 | 96148 |
| 31 | Swivel wheel with brake | 71360 | |
| 32 | Ribbon cable | 63781 | |
POWERDUCTION 160LG / 220LG

| N° | Désignation | 160LG/208-240 V | 220LG/400 V |
| 1 | Pump | 71960 | 71745 |
| 2 | Swivel wheel with brake | 71362 | |
| 3 | Wheel | 71376 | |
| 4 | Wheel axle | 90082ST | |
| 5 | Water radiator | 71777 | |
| 6 | Ventilator 225x225x80 | 51004 | 51003 |
| 7 | Cable gland | 71135 | 71164 + 71164-1 |
| 8 | Primary circuit | E0152C | 97461C /E0152C |
| 9 | Resonance capacitor | 52251 | 52252 |
| 10 | / Transformer | 96172 96137 | 96177 |
| 11 | Powerduction EMC circuit | 97472C | |
| 12 | Ventilator 120x120x38 | 51021 | |
| 13 | Power supply | E0023C | E0023C si fab ≥ 11/2021 S81128* si fab < 11/2021 |
| 14 | EMC circuit | 97277C | |
| 15 | Power input card | E0028C | E0026C si fab ≥ 11/2021 S81128* si fab < 11/2021 |
| 16 | On/Off switch | 52356 + 52360 | 51061 |
| 17 | pneumatic switch | 71179 | |
| 18 | Green illuminated button | 51403 | |
| 19 | Tastatur | 51967 IND X | |
| 20 | Plastic handle | 56014 | |
| 21 | Flow sensor | 81103 | |
| 22 | Mat gallows | 91148GF | |
| 23 | Rail potence | 91129GT | |
| 24 | Support faisceau potence | 99942GT | |
*S81128: Includes power supply circuit and power input board
Removable handle

| N° | Désignation | Ref |
| 1 | Hose clamp | 56228 |
| 2 | Axial handle | 56276 |
| 3 | Handle kit | SA0101 |
| 4 | Knob Kit | SA0100 |
| 5 | nut M10 | 41159 |
| 6 | Support Clamp Generator mounting | 56162 |

GYS SAS
1, rue de la Croix des Landes
CS 54159
53941 SAINT-BERTHEVIN Cedex

























