POWERDUCTION 10R Induction Heating System
Instruction Manual

SAFETY INSTRUCTIONS
This manual includes guidelines on the operation of your device and the precautions to follow for your own safety. Ensure it is read carefully before first use and keep it handy for future reference. These instructions should be read and understood before anyone operates the product.
Any modifications or maintenance that are not specified in the manual should not be undertaken. The manufacturer is not liable for any injury or damage due to non-compliance with the instruction manual.
In case of problems or uncertainties, please consult a qualified person that is able to handle the device correctly. This device should only be used for charging and/or start-up and/or power supply within the limits indicated on the device and in the manual.
The safety instructions must be followed. In case of improper or unsafe use, the manufacturer cannot be held responsible.
The device is suitable for indoor use only. Do not expose to rain or excessive moisture (charger).
This device may be used by children from age 8 and by persons with reduced physical, sensory or mental capabilities or lack of experience and knowledge, provided that they are under supervision or have been told how to use the device safely and are aware of the potential risks. Children must not use the device as a plaything. Cleaning and servicing tasks may not be carried out by children unless they are supervised.
Do not use it for charging non-rechargeable batteries.
Do not use any charger other than the one supplied with the machine to charge the batteries.
Do not operate the device with a damaged power supply cord or a damaged mains plug.
Never charge a frozen or damaged battery.
Do not cover the device.
Do not place the device near a fire or subject it to heat or to long-term temperatures exceeding 50°C.
Do not obstruct the cooling vents. Refer to the installation section before operating the machine.
The automatic mode of operation and usage restrictions are explained below in these operating instructions.
Risk of explosion or acid projection in case of short-circuiting of the clamps or if the 12V booster is connected to a 24V vehicle or vice versa.
Risk of explosion and fire!
A battery being charged can emit explosive gas.
During the charge, the battery must be placed in a well-ventilated area.
Avoid flames and sparks. Do not smoke.- Protect the electrical contacts of the battery against short-circuiting.
Connection/disconnection:
Disconnect the power supply before connecting/disconnecting the device to/from the battery.- The terminal of the battery that is not connected to the car frame must be connected first.
The other connection must be made on the car frame, far from the battery and the fuel line. The battery charger must be connected to the power supply network. - After the charging process, disconnect the battery charger from the power supply network and remove the connector from the car frame and then the connector from the battery, in this order.
Acid projection hazard!
Wear safety goggles and protective gloves
If your eyes or skin come into contact with battery acid, rinse the affected part of the body with plenty of water and seek immediate medical assistance.
Connection:
![]()
- Class II device (charger booster)
- Class III device (booster)
- Connection to the mains must be made according to the national installation regulations.
Maintenance:
If the charging/power supply cable is damaged, the product must be disposed of.- Service should be performed by a qualified person
Warning! Always disconnect from the mains before performing maintenance on the device (charger & booster).- If the internal fuse is blown, it must be replaced by the manufacturer, its after-sales service or an equally qualified person.
- Under no circumstances should solvents or other aggressive cleaning agents be used.
- Clean the device’s surfaces with a soft, dry cloth.
Regulations:
- The device complies with European Directive.
The certificate of compliance is available on our website.
EAC conformity mark (Eurasian Economic Commission)
Equipment in compliance with British requirements. The British Declaration of Conformity is available on our website (see home page).
Equipment in conformity with Moroccan standards. The declaration C م (CMIM) of conformity is available on our website (see cover page).
Disposal:
- This product should be disposed of at an appropriate recycling facility. Do not dispose of domestic waste.
- The battery fitted in this device is recyclable. Please proceed according to the applicable recycling regulations.
- The battery must be removed from the device before the latter is discarded.
- The device must absolutely be disconnected from the power supply network before removing the battery.
Disposal:
This product should be disposed of at an appropriate recycling facility. Do not dispose of in the domestic waste.
The battery fitted in this device is recyclable. Please proceed according to the applicable recycling regulations.- The battery must be removed from the device before the latter is discarded.
- The device must absolutely be disconnected from the power supply network before removing the battery.
DESCRIPTION
The Powerduction 10R has been designed to heat ferrous metallic elements by induction heating. Its main purpose is the unjamming of parts such as bolts or exhaust pipes.
Carry cas econtents:
Le Powerduction 10R is supplied in a carry case that contains t(see fig.1) :
- the generator and its inductor cable , 1 ,
- 3 coiled wired, diameter 18 mm / 24 mm / 30 mm 2 ,
- a flexible braided wire 3,
- a straight rigid wire 4.

The elements contained in this carry case are fragile. They’re to be handled with care.
MAINS POWER SUPPLY
This equipment is supplied with a 16 A CEE7/7 type plug and should only be used on an electrical installation single-phase 230 V (50 – 60 Hz) three-wire with a neutral connected to earth.
STARTING
Assembly
Choose the required tool (one of the 3 coiled wires, the braided wire or the straight wire) and fit it on the inductor. To do so, insert the two rods of the selected tool and insert them into the holes intended for this purpose, then screw the tightening wheels (fig.2). To unscrew a tightening wheel, it is possible to use a spanner/wrench size 12. Warning: never use a spanner/wrench to screw the tightening wheel as it may get damaged.
Heating activation
| Start the product by pressing the ON/OFF button. | The green LED lights up. |
| Press the inductor button to activate the heating. Keep pressing the button to keep the heating active. | The green LED flashes green as long as the heating is active. |
Protections
The product is equipped with protections :
| Thermal protection | The orange LED is lit when the product is in thermal protection. The product trigger is inactive during this time. Wait for the orange LED to go out before restarting the heating process. |
| Overcurrent protection | In case of overcurrent, the orange LED flashes. The product trigger becomes inactive. Restart the product to clear the fault and restart heating. |
| Trigger defect | On power-up, if the Power duction detects a fault on the trigger, the orange LED lights up. Disconnect the faulty trigger and replace it. Then restart the heater. |
RECOMMENDATIONS
The coiled inductor is designed for unjamming. it heats metal pieces or parts via induction to unblock and remove them easily. Circle the piece using the appropriate accessory (coiled, braided, straight), then heat the inductor, that will be used to heat the metal piece. Once the piece starts to be coloured in red, stop the heating and remove it using the right tool (clamp, spatter/wrench…) then remove it.
ACCESSORIES
The accessories provided are consumables. These must be replaced when they are damaged.
Damaged consumables (burnt sleeves, etc.) can cause serious damage to the product.
Spirals must be made up of at least 3 turns in order not to damage the product.
3 coiled wire (Ø 18, 24, 30 mm)
Standard tool, already shaped for a fast and effective operation. The coil shape enable optimizes the concentration of the magnetic fields in its centre, which guarantees a powerful and effective induction heating. The glass fiber circle can electrically insulate the coils as well as the element to heat. The coil is used in the following way : position it at the centre then press the inductor’s button to start the heating. 
Heating efficiency :
To achieve maximum heating power efficiency, the coil must be adapted to the workpiece.
Flexible braided wire
The braid is designed for pieces that cannot be heated with the coil (parts with a bigger diameter) :
Ex. an exhaust pipe or a wheel hub
The braid can be enrolled around the metal piece.
To obtain a better result, circle 3 times around the metal piece and make sure that the coils are bonded together. Press the inductor’s button to start the charge.
Straight rigid wire
The straight rigid wire is designed to suit any of the user’s needs. It can be :
- adjusted to the shape of a specific part/piece.
- adjusted to a piece that is too big for the coils.
- copy the shape of an existing coil if the latter is damaged.
It works in the same way as coils and braided wire. Its shape must be adjusted to fit the metal piece’s shape and if possible, circle around the piece several time for maximum efficiency.
RECOMMENDATIONS
- When heating the coils for the first time, some smoke will be released.
- Avoid heating for more than 30s, the coils will heat excessively and suffer premature damages.
- It is not necessary to come in contact with the bolt to heat it.
- The coil’s protective fabric is fragile, it is glass fabric : make sure to store the coils in such a way that they do not get damaged.
The coils heat very fast. After use, is is recommended to let them cool down before storing them. Manipulate with gloves to prevent burns or itches caused by the glass fabric.
Do not place a finger or any limb inside or close to the coil when the machine is switched on. Magnetic fields should be considered.
WARRANTY
The warranty covers faulty workmanship for 2 years from the date of purchase (parts and labour).
The warranty does not cover:
- Transit damage.
- Normal wear of parts (eg. : cables, clamps, etc..).
- Damages due to misuse (power supply error, dropping of equipment, disassembling).
- Environment related failures (pollution, rust, dust).
- Removable inductors and ferrites that are consumables.
In case of failure, return the unit to your distributor together with:
– The proof of purchase (receipt etc …)
– A description of the fault reported
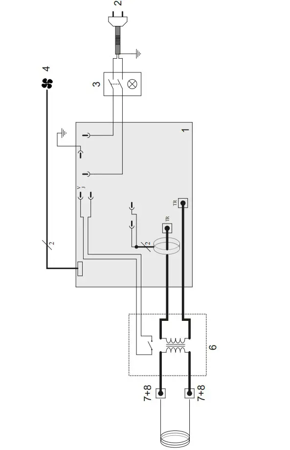
ELECTRICAL DIAGRAM

TECHNICAL TABLE
| 10R | |
| Power | 1250 W |
| Operating voltage | 230 V +/- 15% |
| Power supply frequency | 50 Hz – 60 Hz |
| Heater Frequency | 45-100 kHz microprocessor controlled |
| Number of conductors | 2 + Terre |
| Power supply cable length | 2 m |
| Inductor cable length | 1,5 m |
| IP Code | IP 21 |
| Weight | 4,8 kg |
| Weight | 1,3 kg |
| Dimensions | 20,7 x 14,7 x 10 cm |
SPARE PARTS

| Electronic board | 97786C |
| Power supply cable | 21468 (UK : C51138) |
| ON-OFF switch | 52460 |
| Fan | 51048 |
| Bulkhead passage | 43120 |
| cable inductor | 95095 |
| Knurled nut | 56230 |
| Collet chuck | 90898 |
Includes all the grey part on the diagram
PICTOGRAMS
| User manual symbol | |
| Warning Notice – Read the user manual | |
| To be used indoors – Must not be exposed to the rain. | |
| Explosion risks – explosive gases | |
| Danger, pressurised bottle | |
| Wear goggles | |
| Wear gloves. | |
| Wear protective clothing. | |
| Risk of flames. | |
| Hot surface. | |
| Warning, electrical danger | |
| People wearing a pacemaker must not get any closer | |
| Magnetic fields emissions | |
| Electromagnetic field emissions | |
| No metal items or watches | |
| People wearing metal implants must not enter the area | |
| Earthing (for protection) | |
| Not intended to be used on a residential site where the electric current is supplied by the public network, with a low voltage power supply (not class B). | |
| CE marking | |
![]() | EAC marking |
| Equipment in compliance with British requirements. | |
| Equipment in conformity with Moroccan standards. | |
| Do not dispose through regular domestic waste | |
| Temperature indication | |
| Triman | |
| Alternative current symbol |
GYS SAS
1, rue de la Croix des Landes
CS 54159
53941 SAINT-BERTHEVIN Cedex
FRANCE
















