VIESSMANN VITOCELL 300-V Stainless Steel Storage Tank

Introduction
Safety, Installation, and Warranty Requirements
Please ensure that these instructions are read and understood before commencing installation. Failure to comply with the instructions listed below and details printed in this manual can cause product/property damage, severe personal injury, and/or loss of life. Ensure all requirements below are understood and fulfilled (including detailed information found in manual subsections).
- Licensed professional heating contractor The installation, adjustment, service, and maintenance of this equipment must be performed by a licensed professional heating contractor.
- Please see the section entitled “Important Regulatory and Installation Requirements”.
- Product documentation Read all applicable documentation before commencing installation. Store documentation near products in a readily accessible location for reference in the future by service personnel.
- For a listing of applicable literature, please see the section entitled “Important Regulatory and Installation Requirements”.
- Advice to owner Once the installation work is complete, the heating contractor must familiarize the system operator/ ultimate owner with all equipment, as well as safety precautions/requirements, shutdown procedure, and the need for professional service annually before the heating season begins.
- Warranty
- Information contained in this and related product documentation must be read and followed. Failure to do so renders the warranty null and void.
In solar applications
CAUTION
The heat transfer medium must be either potable water or contain only substances which are recognized as safe by the U.S. Food and Drug Administration.
The Pressure of the heat transfer medium must be maintained at less than the normal minimum operating pressure of the potable water system
Safety
Important Regulatory and Installation Requirements
Codes
The installation of indirect-fired hot water storage tanks in boilers and solar system application might be governed by individual local rules and regulations for this type of product, which must be observed. Always use latest editions of codes. In the Commonwealth of Massachusetts, all plumbing work must be done by a licensed plumber or gas-fitter and for gas installations, all gas piping must be done by a licensed gas-fitter.
Mechanical room
Ensure the mechanical room complies with the requirements of the system design guideline and/or Technical Data Manual (available from your Viessmann sales representative).
The tank must be installed in a mechanical room which is never subject to freezing temperatures. Ensure water in tank is drained if not in use and danger of freezing exists in the mechanical room.
WARNING
If the heating system itself is to be filled with Glycol or any other antifreeze, the system fill must be of non-toxic or food grade antifreeze. In any circumstance, a non-toxic fluid must be used. Ensure a copy of the Material Safety Data Sheet (MSDS) is supplied to the operator/ultimate owner of the system. The use of Viessmann supplied
“Tyfocor-HTL” solar fill is recommended for the solar heating circuit.
Working on the equipment
The installation, adjustment, service, and maintenance of this equipment must be done by a licensed professional heating contractor who is qualified and experienced in the installation, service, and maintenance of hot water heating systems. There are no user serviceable parts on this equipment.
Ensure main power supply to equipment, the heating system, and all external controls has been deactivated. Close main oil or gas supply valve. Take precautions to avoid accidental activation of power during service work.
Technical literature
Literature applicable to all aspects of the Vitocell:
- Technical Data Manual
- Installation Instructions
- Start-up/Service Instructions
- Operating Instructions and User’s Information Manual
- Please carefully read this manual prior to attempting installation. Any warranty is null and void if these instructions are not followed. This product must be installed observing not only the information and instruction provided in the pertinent product literature (see list on following page), but also all local, provincial/state plumbing and building codes, as they apply to this product and all periphery equipment. For information regarding other Viessmann System Technology componentry, please reference documentation of the respective product (available from your Viessmann sales representative). We offer frequent installation and service seminars to familiarize our partners with out products. Please inquire.
- The completeness and functionality of field supplied electrical controls and components must be verified by the heating contractor. These include low-water cut-offs, flow switches (if used), staging controls, pumps, motorized valves, air vents, thermostats, temperature controls, etc.
- Leave all literature at the installation site and advise the system operator/ultimate owner where the literature can be found. Contact Viessmann for additional copies.
About These Instructions
Take note of all symbols and notations intended to draw attention to potential hazards or important product information. These include “WARNING”, “CAUTION”, and “IMPORTANT”. See below.
WARNING
Indicates an imminently hazardous situation which, if not avoided, could result in substantial product/property damage, serious injury or loss of life.
CAUTION
Indicates an imminently hazardous situation which, if not avoided, may result in minor injury or product/property damage.
IMPORTANT
- Warnings draw your attention to the presence of potential hazards or important product information.
- Cautions draw your attention to the presence of potential hazards or important product information.
- Helpful hints for installation, operation or maintenance which pertain to the product.
- This symbol indicates that additional, pertinent information is to be found.
- This symbol indicates that other instructions must be referenced.
Product Information
53 USG to 119 USG (200 L to 450 L) capacity
Indirect-fired domestic hot water storage tank with one heat exchanger coil for use with hot water heating boilers, residential/commercial heating plants, and low-temperature heating systems. These tank versions are not suitable for steam heating applications.
Set-up and Connections
Tank Connections
| Supplied adaptor sizes | Vitocell 300-V | ||
| Part Size | 53/79 USG (200/300 L) | 119 USG (450 L) | |
| A Brass cap | 1 in. | 1 | — |
| 1a in. | — | 1 | |
| B Brass tee | 1 in. | 1 | — |
| 1a in. | — | 1 | |
| C Reducer hex bushing | 1 in. x c in. | 1 | — |
| 1a in. x c in. | — | 1 | |
| D Solar brass elbow* | 1 in. | 1 | — |
| 1a in. | — | 1 | |
| E Temperature c in. and pressure relief valve | 1 | 1 | |
Legend
- DHW Domestic hot water supply
- RT Recirculation tapping
- TS/AQ DHW temperature sensor or aquastat of boiler control (upper indirect coil)
- BWS Boiler water supply *1
- BWR Boiler water return *1
- DCW Domestic cold water supply
- 1 The upper indirect coil is provided for connection to a boiler or a heat pump.
Tank Set-up
- For narrow passageways, remove upper and lower portion of crating and carry DHW tank to its installation location by means of crating boards mounted on the tank.
- Position tank carefully and remove wood crating.
- Leave adequate clearance to the wall or other objects enabling easy access to the aquastat (where applicable).
- Install tank(s) on flooring or foundation capable of supporting the weight of the tank(s) filled with water.
CAUTION
Install the DHW tank in a frost-protected and draft-free room. Otherwise it must be drained when not in use, in order to reduce the risk of damages caused by freezing.
IMPORTANT
Provide sufficient clearances towards the wall to allow the aquastat to be operated (if installed).
Recommended service clearances
| Rear | in. (mm) | 18 (460) | |
| Sides | May be reduced if rear pipe connections can be reached with less clearance | in. (mm) | 12 (300) |
| Top | in. (mm) | 12 (300) | |
| Front | in. (mm) | 24 (600) |
Minimum clearances to combustibles
| All sides | in. (mm) | 0 (0) |
| Floor | combustible |
53 and 79 USG (200 and 300 L) Tank Installation
Thermal insulation and thermometer installation All required components are included in the insulation jacket carton.
Note: the 53 and 79 USG (200 and 300 L) tanks come with the insulation jacket installed.
- Level the DHW tank with its leveling bolts.
IMPORTANT: Do not extend the leveling bolts beyond an overall length of 1½ in. (35 mm). - Remove the top cover and the thermal insulation blanket.
- Insert the thermometer sensor into the tank cap hole as far as it will go.
- Secure the sensor with a spring clip. Install the top cover and the thermal insulation blanket.
IMPORTANT
Never wrap the insulating tape around the sensor.
53 to 119 USG (200 to 450 L) Tank Installation
Temperature sensor installation (when using a Vitotronic 200 / 300 or Vitodens 200)
IMPORTANT
Never wrap the insulating tape around the sensor.
- Carefully pull sensor mounting hardware out from tank sensor well.
- Mount sensor on the outside of the sensor spring-clip (not in the center groove) so that it is flush with the front of the sensor spring-clip.
- Push sensor cabling into groove of mounting hardware.
- Carefully tighten plastic screw to secure sensor cabling in place.
IMPORTANT
Due to the length of the stainless steel well 15 in. (380 mm), care must be taken to ensure that the sensing bulb of the limit is inserted and pushed to the end of the stainless steel well. - Install sensor well and reduce coupling (included in Connection Fitting Package). Use approved pipe sealant.
- Mount insulation on the sensor well.
- Insert the DHW tank temperature sensor (supplied with Vitotronic 200 or 300) fully and completely into the sensor well.
WARNING: To ensure maximum operational reliability, use the sensor well supplied for the control device sensor or probe. Use a different stainless steel (1.4571 or 1.4435) sensor well, if the sensor or probe does not fit into the supplied sensor well. - Carefully tighten the screw on the sensor well to secure the sensor in place.
Note: When using a Vitotronic 100 boiler control, refer to page 14 for aquastat installation.
- Temperature sensor installation for solar operation using 53 and 79 USG (200 and 300 L) tanks
- The temperature sensor for solar operation is included in the solar control unit package.
- The brass elbow with sensor well is available as an option and must be used when the solar connection is required.

- Temperature sensor installation for solar operation using 119 USG (450 L) tank
- The temperature sensor for solar operation is included in the solar control unit package.
- The brass elbow with sensor well is available as an option and must be used when the solar connection is required.

- For solar operation, install the sensor well into the brass elbow and connect the assembly to the solar return line.
- Insert the temperature sensor until it bottoms out inside the sensor well.
IMPORTANT
Never wrap the insulating tape around the sensor. Do not install solar tank sensors anywhere other than the brass elbow with the sensor well.
- For solar operation, install the sensor well/brass elbow and connect the assembly to the solar return line.
- Insert the temperature sensor until it bottoms out inside the sensor well.
IMPORTANT never wrap the insulating tape around the sensor. Do not install solar tank sensors anywhere other than the brass elbow with the sensor well. - Tighten screws to secure the sensor (do not over-tighten).
Leveling and bottom thermal insulation
All necessary parts for enclosure assembly are packaged in a separate carton.
CAUTION
The thermal insulation must not come in contact with open flames. Exercise extreme caution when welding and soldering.
- Fit the thermal insulation blanket below the tank prior to the installation of the tank itself.
- Position and level the DHW tank with its leveling bolts.
IMPORTANT
Do not extend the leveling bolts beyond an overall length of 1½ in. (35 mm).
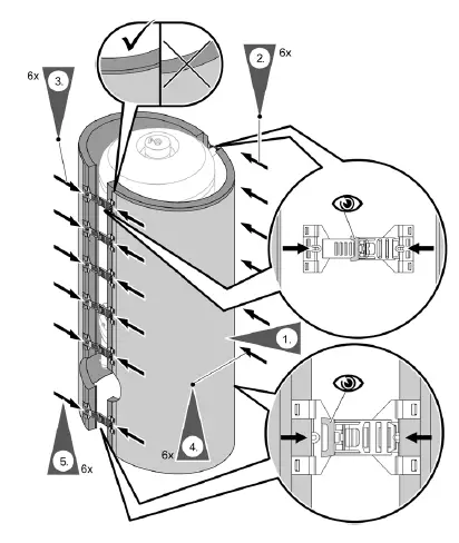
Fitting the thermal insulation jacket
Note: – insulation remnants must not enter the tank through the tank connections. people are recommended to complete this work.
- Fit both halves of the insulation jacket close to the tank. Orient the jacket so the profile cutouts match the tank fittings.
- At the rear of the tank, install all 6 clip closures evenly to both halves of the insulation jacket.
- At the front of the tank, install all 6 clip closures evenly to both halves of the insulation jacket.
- At the rear of the tank, tighten all 6 clip closures until both halves of the insulation jacket meet.
- At the front of the tank, tighten all 6 clip closures until both halves of the insulation jacket meet.

Fitting the thermometer and thermometer sensor (if supplied) and covers
- Smooth out the insulation jacket by tapping the jacket evenly against the tank.
- Route thermometer capillary tube through the front cover hole and insulation jacket, then snap the thermometer in place.
- Insert the thermometer probe under the clip.
- Install the front clean out cover and the front lower seam cover.
- Install the upper front seam cover.
- Install the back seam cover.
- Insert the thermometer sensor into the tank cap hole as far as it will go.
- Secure the sensor with a spring clip.
- Install the top insulation and press down the edges as shown.
- Install the top lid and press the logo A into the lid.
Note: Seal the hole in the seam cover below the thermometer with a cover.
Aquastat Installation (when using a Vitotronic 100)
Where a Vitotronic 100 and a Viessmann Power/Pump Control Module (accessory) is utilized to control DHW production, follow these aquastat mounting instructions:
- Insert the extended capillary of the aquastat (supplied with Viessmann Power/Pump Control Module, not illustrated) fully and completely into the sensor well. Mount aquastat inconspicuously on tank paneling. Follow the instructions below with regard to sensor and spring clip installation. if the aquastat is to be mounted remotely from the tank well,
- Align the sensor bulb with the spring clip.
- Slide the assembly into the well.
- The retention spring clip must press the bulb properly to ensure surface contact with the well. if the aquastat is to be mounted directly on the tank well,
- Mount aquastat with holding clip supplied directly onto well. Bend capillary tube into groove opening to allow for mounting of aquastat.
WARNING
To ensure optimum, safe operation, the supplied stainless steel well must be installed. The well diameter is large enough to accommodate a wide variety of sensing bulbs.
Always use spring clip to ensure proper contact of capillary bulb against the stainless steel well for proper sensing/heat transfer!
Grounding connection
Connect the grounding in accordance with the requirements stipulated by your local electricity supply company and current local regulations.
WARNING
The operating aquastat and any secondary high limit aquastat of the tank must be set such that the DHW temperature inside the tank never exceeds 203°F (95°C).
WARNING
Domestic hot water temperatures over 125°F (52°C) can cause severe burns instantly or death from scalds. Children, disabled and elderly are at highest risk of being scalded.
Feel water before bathing or showering. Temperature limiting valves are available and must be used where domestic hot water storage tank temperatures exceed 140°F (60°C).
Boiler Water Connections
(heat exchanger connection)
Recommended piping for solar application with an additional tank
- A Solar collector
- B High limit safety cut-out
- C Filling valve
- D Solar-Division
- E Vitocell-V 300
- F Individual DHW tank heating system
- G Anti-scald tempering valve
WARNING
Due to the potentially high DHW temperatures generated by the solar heating system, the domestic hot water temperature must be limited to a maximum of 140ºF (60ºC) by installing an anti-scald tempering valve. The tempering valve does not completely eliminate the risk of scalding at the tap. The installation of a mixing tap is recommended.
- For boiler water supply temperatures over 203°
F (95°C): Remove plastic supply and return grommets (grommets are left-threaded). - Pipe the supply line with an incline and install an air vent valve at the highest point.
- For boiler water supply temperatures over 230°F
(110°C): Install a type-tested high-limit safety cut-out, if no other has previously been installed in this system. For this purpose, install a dual thermostat (high-limit thermostat and high-limit safety cut-out). - Close off test nipples that are not used for the installation of a probe or sensor.
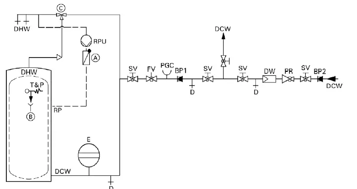
Domestic Water Connections
Note: – Connect all pipe work with detachable fittings.
- Seal connections that are not required with red brass caps.
- Equip the DHW circulation pipe with a circulation pump, check valve, and time switch. Gravity operation is only feasible to a limited degree.
- Always install a DHW group of tanks with connected DHW circulation.
- Pipe together the boiler and tank as illustrated. Connections must be accessible for service (use factory-supplied adaptors).
- Insulate domestic hot water supply piping.
IMPORTANT
This is a simplified conceptual drawing only! Piping and necessary componentry must be field verified. Proper installation and functionality in the field are the responsibility of the heating contractor.
Legend
- A Spring-loaded flow check valve
- B Discharge pipe
- C Anti-scald tempering valve (field supplied)
- SV Shut-off valve
- FV Flow check valve
- PR Pressure reducing valve
- D Drain
- DCW Cold water supply lines
- PGC Pressure gage connection
- E Precharged expansion tank (required where backflow preventer is installed; check local plumbing codes and requirements)
- BP1 Backflow preventer
- BP2 Backflow preventer
- T&P Temperature and pressure relief valve
- DW Water filter
- DHW Domestic hot water supply
- RP Recirculation pipe
- RPU Recirculation pump
Domestic Water Connections
Always ensure the use of type-approved devices. Safety devices include the following components:
- Isolation valves
- Drain valve
- Pressure reducing valve
- where required by local jurisdiction
- Drinking water filter
- where required by local jurisdiction
- Backflow preventer
- Where backflow preventers are required, a domestic water expansion tank installation is required in the cold water inlet piping before the cold water enters the tank.
- The backflow device must be installed according to the manufacturer’s installation instructions. Observe local codes and regulations.
- Tempering valve A tempering valve must be field installed where storage tank (domestic hot water temperature) exceeds local restricted temperatures or 140°F (60°C). Check code requirements.
IMPORTANT
In situations where a booster pump is used to maintain DHW pressure, Viessmann strongly recommends the installation of an oversized large expansion tank to ensure longer, less frequent pump cycles with less severe pressure gradients. If possible, use flexible piping before and after booster pump to isolate system piping from vibration and shocks.
- Temperature and pressure relief valve A temperature and pressure relief valve (T&P valve) is supplied with the tank. The heating contractor must install the valve on each tank in a method meeting code requirements.
If local codes require a different relief valve, consult Viessmann Manufacturing for a substitute valve. The tank is approved for 150 psig. Maximum operating pressure is 150 psig. The T&P valve supplied with the tank is tested under ANSI Z21.22 Code for Relief Valves and Automatic Gas Shut-off Devices for Hot Water Supply Systems.
| T&P Valve | 100 psig (where CRN is required) | 150 psig |
| ASME pressure steam rating | see ratings marked on T&P valve | |
| CSA temperature steam rating | 205 MBH | 205 MBH |
| Relief temperature | 210°F (99°C) | 210°F (99°C) |
| Inlet thread | c” male | c” male |
| Outlet thread | c” female | c” female |
Proper installation of the T&P valve shall include all of the following:
- The T&P valve shall be installed in the pipe connection point marked TPV in the tank instruction manual.
- The discharge line from the T&P valve shall be 7 ¾ in.(19 mm) and run to a safe place of discharge approximately 1 ft. (305 mm) above the floor, close to a floor drain.
- The discharge line must be as short as possible and pitch downward from the T&P valve and terminate plain.
WARNING
The discharge line for the T&P valve must be oriented to prevent the scalding of attendants.
- Do not route the discharge line outdoors.
- Do not install any type of valve or obstruction of any kind between the tank and the T&P valve or between the T&P valve and the discharge line outlet.
WARNING
The valve test lever must be operated at least once per year by the owner to ensure that waterways are clear. A licensed professional heating contractor shall reinspect the T&P valve at least once every three years. Failure to inspect can result in unsafe temperature or pressure build-up, which can result in death, serious injury or substantial product/property damage.
Recirculation Connections
- Pipe domestic hot water supply piping with a tank as illustrated. Connections must be accessible for service (use factory-supplied adaptors).
- Install a recirculation pump, flow check valve, and recirculation timer (for shut-down during off-hours where feasible) on the recirculation piping side.
- Gravity circulation of the recirculation system is restricted due to the upward-curved domestic hot water discharge piping inside the tank.
- Connection of a recirculation system in a multiple tank installation for systems utilizing boilers or remote heating plants without low-temperature boiler return water
- Connect tanks to existing recirculation piping. Cap off unused recirculation connections of individual tanks.
Saving Energy
A timer on the recirculation pump reduces the heat loss significantly in commercial applications during times when no or reduced demand for domestic hot water occurs.
Legend
- A Draw points
- B Recirculation piping
- C Circulation pump
- D Spring-loaded flow check valve
- E Domestic cold water supply
- F Domestic hot water supply
- G Secondary high limit aquastat location
- H Air vent
- Connection of a recirculation system in a multiple tank installation for remote heating plants with low-temperature
- boiler return water limit and/or for multiple recirculation lines

Legend
- A Draw points
- B Recirculation piping
- C Circulation pump
- D Spring-loaded flow check valve
- E Domestic cold water supply
- F Domestic hot water supply
- G Secondary high limit aquastat location
- H Air vent
Multiple Tank Set-up [only for 79 and 119 USG (300 and 450 L) capacities]
Two tanks, each with 79 USG (300 L) content, or up to four tanks, each with 119 USG (450 L) content, may be installed side-by-side. The tanks are controlled via one DHW tank aquastat. Individual control of tanks within the group of tanks is therefore not possible. If control of individual tanks within a group of tanks is necessary, two alternatives exist. Either a 4-tank group can be separated into smaller groups, i.e. two batteries each consisting of two tanks (one DHW tank aquastat controls each group), or all tanks should be installed individually, i.e. individual tank set-up (one DHW tank aquastat controls each tank).
Legend
- A Domestic hot water supply and T&P valve connection B Boiler water supply
- C Operating aquastat
- D Boiler water return
- E Domestic cold water
- F Drain
- G Air vent
- Install aquastat in the boiler water supply of the last tank receiving the boiler water in a group of tanks (see illustration).
- Install domestic cold and hot water header lines (see illustration).
- Install boiler water supply and return header lines (see illustration).
- Make final cold and hot water connections.
IMPORTANT
Both the boiler supply/return header and the domestic hot/cold water header must be installed in a reverse return method. This ensures uniform heating of all tanks in the group. Header sizes for batteries up to four 79 to 119 USG (300 to 450 L) tanks are listed below. 5. Insulate header piping lines.
CAUTION
In commercial installations, we recommend the installation of an additional high limit aquastat in the main discharge pipe of domestic hot water from a group of tanks into the system, and to wire this additional high limit aquastat in series with the operating aquastat.

- Recommended piping of multiple tanks
Legend
- A Group of DHW tanks
- B Sensor/Operating aquastat well
- D Boiler water return
- E Boiler water supply
- F Domestic cold water supply
- G Domestic hot water
- H Drain
- K Air vent
- L Secondary high limit aquastat location
All piping reverse return or using balancing valves.
- Pipe together the boiler and tanks as illustrated. Connections must be accessible for service (use factory-supplied adaptors).
- For boiler water supply temperatures over 203°F (95°C): Remove plastic supply and return grommets (grommets are left-threaded).
- Pipe the supply line with an incline and install an automatic air vent at the highest point.
- Install the boiler sensor in the sensor well (see page 9).
- Insulate piping.
IMPORTANT
The circulation pump is activated by the operating aquastat or by the control system installed. The operating aquastat should be mounted on the tank which receives the boiler water supply last. Viessmann recommends the installation of an additional high-limit aquastat in the main discharge pipe of the DHW system. This aquastat should be wired in series with the operating aquastat and should be set at approximately 9°F (5°C) higher than the operating aquastat.
Pressure Drop Information
Pressure drop on the domestic hot water side (secondary circuit)
Pressure drop on the heating water side (primary circuit)
Inspection Opening
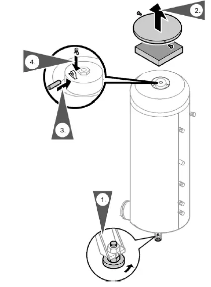
- Inspection opening and cover for 53 and 79 USG (200 and 300 L) tanks.
- Installation of inspection opening cover for 119 USG (450 L) tank.
Post Installation
Service binder
- File all Parts Lists, and Operating and Service Instructions in the Service Binder.
- Install a protective hanging case near the boiler and store the Service Binder in this location.
- For a listing of applicable Viessmann literature, please see Important Regulatory and Installation Requirements on page 4.
Start-up information
DHW Tank Start-up/Service Instructions
Installation Set
- Parts
- 0301 Tee
- 0302 Hex bushing
- 0303 Temperature and pressure relief valve, ¾” 150 psi 0304 Cap
- Viessmann Manufacturing Company Inc.
- 750 McMurray Road
- Waterloo, Ontario N2V 2G5 Canada
- Techlnfo Line 1-888-484-8643
- 1-800-387-7373 Fax (519) 885-0887
- www.viessmann.ca
- [email protected]
- Viessmann Manufacturing Company (U.s.) Inc.
- 45 Access Road
- Warwick, Rhode Island 02886 USA
- Techinfo Line 1-888-484-8643
- 1-800-288-0667 Fax (401) 732-0590
- www.viessmann-us.com
- [email protected]

























