Rinnai MEC450 450 L indoor Outdoor Commercial Storage Cylinder

Important
Cylinders shall be installed in accordance with:
- Manufacturer’s installation instructions
- Current AS/NZS 3500, AS/NZS 4020, NZS 4219:2009, G12/AS1
- Local regulations
Installation, servicing and repair shall be carried out only by authorised personnel. Seismic restraint and floor loading engineering are building specific and must be obtained from suitably qualified persons by the installer. Not suitable as a spa or swimming pool heater.
- Owner: Please retain this guide for future reference
- Installer: Please leave this guide with the owner
Warning
Improper installation, adjustment, alteration, service and maintenance can cause property damage, personal injury or loss of life. For more information about buying, using, and servicing of Rinnai appliances call: 0800 RINNAI (0800 746 624).
- Phone: (09) 257-3800
- Email: [email protected]
- Web: rinnai.co.nz youtube.com/rinnainz facebook.com/rinnainz
Owner information
Damaged components
If any component is damaged, it must be replaced by an authorised person using Rinnai replacement parts.
Draining and filling the system
This normally occurs during installation or servicing and must be carried out by an authorised person.
Installation by a licensed tradesperson
Only a licensed tradesperson can install, adjust, maintain, and service this water heater. Any work carried out by a non-licensed tradesperson is illegal and will void any warranty.
Maintenance and servicing
Hot water systems, like cars, require regular maintenance and servicing. For reliable operation annual servicing is recommended. Rinnai has a maintenance service and spare parts network with personnel who are fully trained and equipped to give the best advice on your Rinnai product. Regular maintenance and servicing is not covered by the Rinnai warranty.
TROUBLESHOOTING
Cold water relief valve discharging continuously
It is normal for the cold water relief valve to discharge a small quantity of water through the drain line. If water is discharging continuously there may be a fault with one of the valves, contact your installer to discuss.
Location
Cylinders should be installed in accordance with G12/AS1 or AS/NZS 3500.4. The Rinnai 450 L cylinder is suitable for indoor and outdoor installations. The cylinder must be vertically floor mounted and installed on a flat level base of sufficient strength to support the weight of the cylinder when full. The cylinder may be placed directly in contact with the floor surface.
Drip tray / catchpan
The Rinnai warranty does not cover any consequential loss from leaks to the cylinder. It’s important, where the cylinder has the potential to leak and cause property damage, that a suitably drained drip tray / catchpan is fitted as per AS/NZS 3500.4:2015 5.4 and G12/AS1 6.11.3. It is a good idea, where possible, to install the cylinder on suitably treated (e.g. H3.2 min.) timber supports to promote air circulation.
Cylinder access
The cylinder should not be located where they will be difficult to remove. Where a cylinder is not easily accessible for maintenance and replacement, the Rinnai warranty will not cover any additional costs caused by access difficulty. Cylinder access also includes leaving enough height above to inspect or replace the anodes.
Seismic restraint
Seismic restraint engineering are building specific and must be obtained from suitably qualified persons by the installer.
Drain valve
Provision must be made to drain the cylinder if required for servicing.
Drain lines
These must be installed in accordance with AS3500 and/or G12/AS1.
Maintenance and servicing
Hot water systems, like cars, require regular maintenance and servicing. To ensure longevity of your cylinder we recommend the following.
Period What needs to be done
- Every six months TPR (temperature & pressure relief) operate the easing gear
- Periodically Check and replace the anodes (2)
TPR valve
Depending on the model the valve is located near the top, or on top of the cylinder. It is essential for safe operation. The TPR valve works by automatically venting hot water if the temperature or pressure of the water in the cylinder gets too high. Every six months operate the easing gear to remove lime deposits and to check that it is not blocked. As this will discharge hot water, ensure no one is near the drain line Continuous leakage of water from the valve may indicate a problem. It is important that you raise and lower the easing gear gently. During the operation, if the valve does not discharge water when the easing gear is lifted, or does not seal again when closed, arrange for an authorised person to come and inspect the system immediately A TPR valve must not be replaced with one that has a higher pressure rating than that specified for the cylinder.
Anodes in enamel tanks
Storage tanks manufactured from metal can be susceptible to corrosion. The combined effects of water pressure, temperature and water chemistry can create an aggressive environment for corrosion of some materials. For this reason, anodes are placed in enamel tanks so as to corrode first. Anodes should be changed every five years or more frequently in hard or aggressive water areas.
Maintenance and servicing
Rinnai has maintenance, service, and spare parts network with personnel who are fully trained and equipped to give the best advice on your Rinnai product. Regular maintenance and servicing is not covered by the Rinnai warranty.
Storage and delivery temperatures
Storage temperature
The storage cylinder is designed to hold water supplied from a controlled external heat source such as a gas boiler or heat pump. The temperature of water flowing from the controlled heat source to the cylinder should not exceed 75 °C. Hotter water temperatures will void the warranty.
Sanitary fixtures delivery temperature
Must comply with G12 6.14 Safe water temperatures. Water temperatures over 55 °C can cause severe scalds. Local regulations must be considered regarding temperature limitations of hot water supplied to areas used for primarily for personal hygiene. The temperature is limited to 45 °C for early childhood centres, schools, nursing homes or similar facilities and 55 °C for all other buildings. To comply with these requirements, a temperature limiting device, such as a tempering or thermostatic mixing valve will be required on all installations.
450 L commercial cylinder
specification summary
Suitability
This large indoor outdoor buffer cylinder can be used in commercial hot water storage applications such as apartments, hotels, wineries, dairy farms or heat recovery applications. The storage cylinder is designed to hold water supplied from a controlled external heat source such as a gas boiler or heat pump. Hard or aggressive water will need to be treated in order to use these cylinders, if in doubt please test before use.
Warranty
- Parts and labour one year
- Inner cylinder five years

450 L commercial cylinder
dimensions

- A Cold inlet DN50 2 ” BSP
- B Sensor pocket 6.5 mm DN20 ¾ ” BSP
- C Hot water return DN50 2 ” BSP
- D Hot water outlet DN50 2 ” BSP
- E TPR (x2) DN25 1 ” BSP
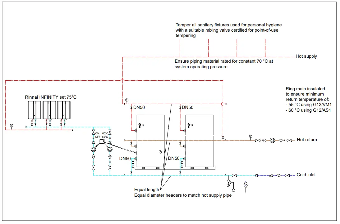
Typical installation schematic
Additional comments about the installation
A temperature sensor is only required in one cylinder. For multiple cylinder applications, there are three separate circuits each of which must be connected hydraulically balanced (‘reverse return):
- Cold inlet / hot outlet
- Heat source flow and return
- Building hot water flow and return.
System differential
When used with Rinnai INFINITY water heaters a differential MUST BE maintained between the pump-off setting and the Rinnai INFINITY setpoint. Standard settings are:
- Rinnai INFINITY: 75 °C
- Pump ON: 60 °C
- Pump OFF: 65 °C
Failure to observe a differential will result in short-cycling of the Rinnai INFINITY(S) and significantly reduce economic life.
Water quality
Rinnai cylinders are manufactured to suit most NZ council water supplies. However some water supplies can have a detrimental effect on the water heater, its operation, and life expectancy.
Hard water
Hard water (containing calcium carbonate) can cause scaling on hot surfaces. We recommend a water temperature of no more than 65 °C to minimise scale build-up. Scale reducing or water softening devices should be considered in hard water areas. The unit is not guaranteed against damage due to scaling. Water quality outside the limits (as set down below) will void this warranty. Water quality tests must be carried out at the customer’s own cost but Rinnai will reimburse any reasonable test costs where water quality is within the limits tabled.
Most metropolitan water supplies fall within these limits. If you are unsure about water quality, please contact Rinnai and we will provide you with the details of an authorised agency able to test your water for compliance to Rinnai standards. If sludge or foreign matter is present in the water supply, a suitable filter should be incorporated in the water supply.
Some examples of water quality issues where water may need to be treated:
- Hard water (areas including Wanganui)
- Aggressive water (areas including Christchurch)
- Both hard and aggressive water (some bore water)
5 Year Limited Warranty
All terms of the warranty, subject to the conditions below, are effective from the date of installation. Proof of installation date will be required.
Commercial application warranty
The cylinder must be sized and installed according to written guidelines from Rinnai. Except for certain travel and transport costs, refer to the ‘Warranty terms and conditions’ (9).
General warranty terms
Rinnai reserves the right to make modifications and change specifications and its parts without notice. For the purposes of the Consumer Guarantees Act 1993, Rinnai only guarantees the availability of repair facilities and spare parts for the express warranty periods recorded in the Rinnai warranty summary table. If the cylinder is being acquired for personal, domestic or household use, this warranty does not limit any consumer rights or guarantees that may apply under the Consumer Guarantees Act 1993. If the product is being acquired for the purposes of a business, the provisions of the Consumer Guarantees Act 1993 do not apply and no other warranties (either express or implied by law) apart from those stated in this warranty apply.
Warranty terms and conditions
- All terms of this warranty are effective from the date of installation. The attending service person reserves the right to verify this date.
- All Rinnai cylinders must be installed, commissioned, serviced, repaired and removed in accordance with the manufacturer’s installation instructions, local regulations, and municipal building codes by persons authorised to do so.
- All Rinnai cylinders must be operated and maintained in accordance with manufacturer’s instructions.
- The warranty applies only to the components supplied by Rinnai. It does not apply to components supplied by others, such as, but not limited to these, isolating valves, electrical switches, pipe work, electrical cables, and fuses. Rinnai reserve the right to transfer functional components from defective water heaters if they are suitable.
- Where the cylinder has not been sited in accordance with the installation instructions or installed such that normal service access is difficult, a service charge will apply. If at the discretion of the attending service person the installation is deemed illegal or access is dangerous, service will be refused. Any work required to gain reasonable access to the cylinder will be chargeable by the attending service person (for example, removal of cupboards, doors, walls, or the use of special equipment to move components, but not limited to these).
- The cylinder warranty is for the period indicated in the summary table. Where the inner cylinder and/or part is replaced under warranty, the replacement cylinder and/or part will carry a new warranty.
- Rinnai reserve the right to transfer functional components from defective water heaters if they are suitable.
- Rinnai reserve the right to have the installed product returned to the factory for inspection.
- Where the cylinder is installed outside the metropolitan area or further than 40 km from a Rinnai authorised service centre, travel costs shall be the owner’s responsibility.
- Rinnai reserves the right to replace the cylinder for another type if upon inspection it is deemed another cylinder of a different construction is more suitable.
Warranty exclusions
The following exclusions may cause the warranty to become void and will result in a service charge and costs of parts (if required).
- Water supplied to the cylinder by an uncontrolled heat source or by a controlled heat source in excess of 75 °C.
- Accidental damage and acts of God.
- Failure due to abuse or misuse, improper maintenance or improper storage.
- Failure due to incorrect or unauthorised installations.
- Failure or damage caused by alterations, service or repair work carried out by persons other than those authorised by Rinnai.
- Where the cylinder has failed directly or indirectly as a result of poor water quality outside the limits specified.

- Where it is found that there is no fault with the cylinder and the issue is related to the installation or is due to power failure.
- Subject to any statutory provisions to the contrary, Rinnai does not accept:
- liability for consequential damage or any incidental expenses resulting from any breach of the warranty,
- claims for damage to building or any other consequential loss either directly or indirectly due to leaks or any other faults
Tel: 0800 746 624
http://www.youtube.com/rinnainz
http://facebook.com.rinnainz

















