D15-20VA Storage Electric Water Heater
Instruction Manual

D15 20VA Storage Electric Water Heater
Medea Storage Electric Water Heater
Model: D15-20VA
Congratulations! You are now a proud owner of Medea water heater. We assure you that this product conforms to the highest standards of quality. Before installing and prating your water heater, please read this manual carefully and keep it for future reference.
![]() | ![]() |
| http://www.midea.com/cn/? _source=cn.vi.qrcode | http://www.midea.com/global/products/home_solution/water_heater/ instantaneous_water_heater/ |
General Remark
- The installation and maintenance has to be carried out by qualified professionals or Medea authorized technicians.
- The manufacturer shall not be held responsible for any damage or malfunction caused by wrong installation or failing to comply with following instructions included in this pamphlet.
- For more detailed installation and maintenance guidelines, please refer to below chapters.
CAUTIONS
Before installing this water heater, check and confirm that the earthing on the supply socket is reliably grounded. Otherwise, the electrical water heater can not be installed and used. Do not use extension boards. Incorrect installation and use of this electrical water heater may result in serious injuries and loss of property.
Special Cautions
- The water heater is not intended for use by persons (including children) with reduced physical, sensory or mental capabilities, or lack of experience and knowledge, unless they have been given supervision or instructions concerning use of the appliance by a person responsible for their safety. Children should be supervised to ensure that they do not play with the heater.
- The wall in which the electrical water heater is installed must be able to bear the load more than two times of the heater filled fully with water without distortion and cracks. Otherwise, other strengthening measures must be adopted.
- The supply socket must be earthed reliably. The installation height of the supply socket must not be lower than 1.8m.
- The rated current of the socket must not be lower than 16A. The socket and plug must be kept dry to prevent electrical leakage. If the flexible power supply cord is damaged, the special supply cord provided by the manufacturer must be selected, and replaced by the professional maintenance personnel.
- The maximum inlet water pressure is 0.5MPa; the minimum inlet water pressure is 0.1MPa, if this is necessary for the correct operation of the appliance. When using the heater for the first time (or the first use after maintenance), the heater can not be switched on until it has been filled fully with water. When filling the water, at least one of the outlet valves at the outlet of the heater must be opened to exhaust the air.
- This valve can be closed after the heater has been filled fully with water. The pressure relief valve attached with the heater must be installed at the cold water inlet of this heater, and make sure it is not exposed in the foggy. The water may be outflowed from pressure relief valve, so the outflow pipe must open wide in the air. In order to drain away the water inside the inner container, it can be drained away from the pressure release valve. Twist the thread screw of the pressure release valve off, and lift the drain handle upwards(See Fig.1) .
- The drainage pipe connected to the pressure release hole must be kept sloping downwards and in a frost-free environment. The water may drip from the discharge pipe of the pressure-relief device and that this pipe must be left open to the atmosphere.
- During heating, there may be drops of water dripping from the pressure release hole of the pressure relief valve, this is a normal phenomenon. The pressure release hole shall not be blocked under no circumstances, otherwise, the heater may get damaged, even resulting in accidents.
- If there is a large amount of water leak, please contact customer care center for repair. The pressure relief valve need to be checked and cleaned regularly, so as to make sure it will not be blocked. Since the water temperature inside the heater can reach up to 75 ℃, the hot water must not be exposed to human bodies when it is initially used. Adjust the water temperature to a suitable temperature to avoid scalding.
- If any parts and components of this electrical water heater are damaged please contact customer care center for repair.

PRODUCT INTRODUCTION
2.1 Nomenclature

- is the product code of the storage electric water heater;
- is the capacity (L);
- represents the rated power (*100W);
- represents the pattern code (eg : A,B,C…);
- represents the extension of pattern (eg : 1,2,3…);
NOTE
This manual is applicable to the storage electric water heaters (D *-***) manufactured by this company.
2.2 Technical Performance Parameters
| Model | Volume | Rated Power (W) | Rated Voltage (ACV) | Rated Pressure (MP) | Max Of Water Temperature (°C) | Protection Class | Waterproof Grade |
| D15-20VA | 15 | 2000 | 220-240 | 0.75 | 75 | I | IPX4 |
2.3 Brief introduction of product structure

| 15L | |
| A | 380 |
| B | 380 |
| C | 312 |
| D | 66 |
(Note: All dimensions are in mm)
2.4 Internal Wire Diagram

UNIT INSTALLATION
3.1 Installation Instruction
- This electrical water heater shall be installed on a solid wall. If the strength of the wall cannot bear the load equal to two times of the total weight of the heater filled fully with water, it is then necessary to install a special support. Incase of hollow bricks wall, ensure to fill it with cement concrete completely.
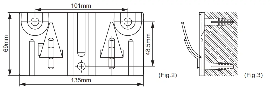
- After selecting a proper location, install the mounting bracket to a solid wall. Methods of installation: Follow the installation as show in Fig.3. Use the anchors and fasteners provided along with the product for securing the bracket(Fig.2) firmly in the wall.
- Align the slots on the back of the water heater with the projections on the bracket and mount the water heater on the bracket. Thereafter slide the water heater gently towards the bottom side on lock the water heater.

- Install the supply socket in the wall. The supply socket be 220V~240V. It is recommended to placed the socket on the right above the heater. The height of the socket to the ground shall not be less than 1.8m (see Fig.4). If there is fault on power cable, it should be replaced by the manufacturers, agencies or qualified person who is able to do this so as to ensure the safety.

- If the bathroom is too small, the heater can be installed at another place. However, in order to reduce the pipeline heat losses, the installation position of the heater shall be closed to the location shall be as near as possible to the heater.
3.2 Pipelines Connection
- The dimension of each pipe part is G1/2” ; The massive pressure of inlet should use Pa as the unit; The minimum pressure of inlet should use Pa as the unit.
- Connection of pressure relief valve with the heater on the inlet of the water heater.
- In order to avoid leakage when connecting the pipelines, the rubber seal gaskets provided with the heater must be added at the end of the threads to ensure leak proof joints (see Fig.5).

- If the users want to realize a multi-way supply system, refer to the method shown in fig.6 for connection of the pipelines.

NOTE
Please be sure to use the accessories provided by our company to install this electric water heater. This electric water heater can not be hung on the support until it has been confirmed to be firm and reliable. Otherwise, the electric water heater may drop off from the wall, resulting in damage of the heater, even serious accidents of injury. When determining the locations of the bolt holes, it shall be ensured that there is a clearance not less than 0.2m on the right side of the electric heater, to convenient the maintenance of the heater, if necessary.
METHODS OF USING
- First, open any one of the outlet valves at the outlet of the water heater, then, open the inlet valve. The water heater gets filled with water. When water flows out of the outlet pipe it implies that the heater has been filled fully with water, and the outlet valve can be closed.
NOTE: During normal operation, the inlet valve shall be always kept open. - If the indicator lights up, the thermostat will automatically control the temperature. When the water temperature inside the heater has reached the set temperature, it will switch off automatically, when the water temperature falls below the set point the heater will be turned on automatically to restore the heating.
- Insert the supply plug into the socket.

- Rotate the knob according to the marking on the knob to increase or decrease the setting temperature.
- The green “Power” LED and red “Heating” LED remain ON while there is power to the system. The red LED will turns off when the water temperature reaches the user setting, at the end of the heating phase.
MAINTENANCE
WARNING
Do cut off power supply before maintenance, to avoid danger like electric shock.
- Check the power plug and outlet as often as possible. Secure electrical contact and also proper grounding must be provided. The plug and outlet must not heat excessively.
- If the heater is not used for a long time, especially in regions with low air temperature(below 0 ℃), it is nessary to drain water from the heater to prevent damage of the water heater, due to water freezing in the internal tank.(Refer Cautions in this manual for the method to drain away the water from the inner container).
- To ensure long reliable water heater operation, it is recommended to regularly clean the internal tank and remove deposits on the electric heating element of the water heater, as well as check condition (fully decomposed or not) of the magnesium anode and, if necessary, replace it with a new one in case of full decomposition.Tank cleaning frequency depends on hardness of water located in this territory. Cleaning must be performed by special maintenance services. You can ask the seller for address of the nearest service center.
- The water heater is equipped with a thermal switch, which cuts off power supply of the heating element upon water overheating or its absence in the water heater. If the water heater is connected to the mains, but water is not heated and the indicator doesn’t light up, then the thermal switch was switched off or not switched on.
To reset the water heater to the operating condition, it is necessary to:

- De-energize the water heater, remove the plate of the side/lower cover.
- Press the button, located at the center of the thermal switch, see Fig.8;
- If the button is not pressed and there is no clicking, then you should wait until the thermal switch cools down to the initial temperature.
WARNING
Non-professionals are not allowed to disassemble the thermal switch to reset. Please contact professionals to maintain. Otherwise our company will not take responsibility if NY quality accident happens because of this.
TROUBLESHOOTING
| Failures | Reasons | Treatment |
| The heating indicator light is off. | Failures of the temperature controller. | Contact with the professional personnel for repair. |
| No water coming out of the hot water outlet. | 1. The running water supply is cut off. 2. The hydraulic pressure is too low. 3. The inlet valve of running water is not open. | 1. Wait for restoration of running water supply. 2. Use the heater again when the hydraulic pressure is increased. 3. Open the inlet valve of running water. |
| The water temperature is too high. | Failures of the temperature control system. | Contact with the professional personnel for repair. |
| Water leak. | Seal problem of the joint of each pipe. | Seal up the joints. |
NOTE: Parts illustrated in this use and care manual are indicative only, parts provided with the product may differ with illustrations. This product is intended for household se only. Specifications are subject to change without notice. The product is subject to change without notice. Please keep this manual properly.



























