HAUSLANe WM-630SS-30 Kitchen Range Hood
Safety Information
GENERAL SAFETY INFORMATION
- Use this unit only in the manner intended. If you have any questions, contact the distributor or importer.
- Please carefully read this guide before installing or using this product. Save this guide for the local electrical inspector’s use.
- This range hood has a thermally protected system for the motor, which will shut down automatically if the motor is overheated. If the overheat protection trips, disconnect the power and wait for 15 minutes for the motor to cool down.
INSTALLATION SAFETY INFORMATION
- The installation instructions in this manual are intended for qualified installers, service technicians, and others with a technical or electrical background. Never attempt to install this appliance yourself.
- Your installation must comply with all applicable local codes and standards.
- Grounding instructions:
This appliance must be grounded. In the event of an electrical short circuit, grounding reduces the risk of electric shock by providing an escape wire for the electric current. This appliance is equipped with a cord having a grounding wire with a grounding plug. The plug must be plugged into an outlet that is properly installed and grounded. Consult a qualified electrician if the grounding instruction is not completely understood, or if doubt exists as to whether the appliance is properly grounded. Do not use an extension cord. If the power supply cord is too short, have a qualified electrician install an outlet near the appliance. - Sufficient air is needed for proper combustion and exhausting of gases through the duct cover to prevent back drafting. Follow the guidelines and safety standards, such as those published by the National Fire Protection Association (NFPA), the American Society for Heating, Refrigeration, and Air Conditioning Engineers (ASHRAE), and the local code authorities.
- Old ductwork should be cleaned or replaced if necessary. Check and properly tape all joints on duct work to ensure proper connections.
CLEANING SAFETY INFORMATION
- The fan and filters must be cleaned periodically and kept free from the accumulation of cooking residue. Old and worn filters must be replaced immediately.
- Never disassemble parts to clean. Parts should be disassembled by qualified persons only.
DANGER: Tum off the power circuit breaker or the power switch on the junction box before installing or servicing this unit Touching circuitry Inside the range hood while It Is energized will result in death or serious injury.
DANGER: All electrical wiring must be properly installed, insulated, and grounded. Improper insulation and grounding will result in deadly electrical shock.
DANGER: If installing this unit over a gas range, tum off the gas at the source before installing or serving this unit.
WARNING: Always leave safety grills and filters in place. Without these components, operating fans could catch on to hair, fingers, or loose clothing.
Warranty
This range hood is warranted to the original purchaser to be free of defects in material and workmanship for one (1) year from the date of purchase. Our obligation shall be limited to the repair or replacement of a unit (at our discretion) that may prove, by our sole examination, to be defective under normal use and service during the warranty period. We may issue credit in the amount of the invoice value of the defective product (or a percentage of it according to use) in lieu of repair or replacement. Any failure of this product that is not traceable to a defect in material or workmanship is not covered by this warranty. These non-warrantable items include, but are not limited to:
- Change in color or finish due to chemical usage
- Improper installation not in accordance with the instructions
- Dents, bumps, and scratches incurred during shipping, handling, or installation
- Damage caused by failure to follow care and cleaning guidelines, including damage caused by the use of abrasive cleaners
- Alterations made to the unit by the purchaser or installer
- Damage caused by accidental impact, fire, flood, freezing, and normal wear
- Bends and warping caused by forced connections, over-tightened fittings, and inadequate support during installation
A thorough inspection must be made before installation and any damage must be promptly reported. We will not be liable for failures or damage that could have been discovered or avoided by proper inspection and testing prior to installation. Incidental repairs that would involve a minimum of time and effort on behalf of the purchaser will not be considered warranty work and no compensation will be deemed forthcoming. This warranty is non-transferable and shall be voided if the unit is removed from its initial installation or if it is not installed following the instructions.
Under no circumstance shall we be held liable for personal injury or property damage resulting from improper installation or use of this product. We will not be held liable for inconvenience caused by loss of use of this product, costs incurred for labor or materials, removal and installation of replacement units, or any other incidental or consequential damages. Costs relating to obtaining access for repair or replacement are the responsibility of the user. This warranty does not extend to commercial and institutional installation or use.
WARRANlYCLAIM PROCEDURE
If a claimable defect occurs, please contact our customer service team at 1-800-929-0168 (8 a.m. – 5 p.m., PST, Monday – Friday ). Before you make your claim call, please ensure that you have:
- Description of the range hood
- Proof of sale
- Details regarding the defect
- Name(s) and address(es) of the owner and installer
Claims must be filled out in writing and returned within six (6) months of the appearance of a defect. Failure to comply with this stipulation will make this warranty null and void. We reserve the right to a thirty-day (30) delay following the receipt of a claim in which to inspect the product. We assume no responsibility for labor costs, removing or replacing a previously installed product, transportation, or the return of a product.
Pre-installation
TOOLS REQUIRED HARDWARE EXAMPLE

PACKAGE CONTENTS

| Part | Description | Quantity |
| A | Range hood (including filters and lamps) | 1 |
| B | Chimney bracket | 1 |
| C | Bottom chimney | 1 |
| D | Top chimney | 1 |
| E | Diameter 6 inch flexible duct( Not included) | 1 |
| F | Outlet adapter | 1 |
| G | Charcoal filters ( Not included) | 2 |
SPECIFICATIONS
| Dimensions | Volts | Hertz | FanCFM | Speeds | Light Wattage | Stainless Steel Grade | ||||||||
| 29.8 in.(757 mm) W | 120 | 60 | 860 MAX | High | 3 | 430 | ||||||||
| 18.9 in.(480 mm) D | Medium | |||||||||||||
| 21 in.-41.1in.(558-1043mm)H | Low | |||||||||||||

Installation
DRILllNG THE PILOT HOLES
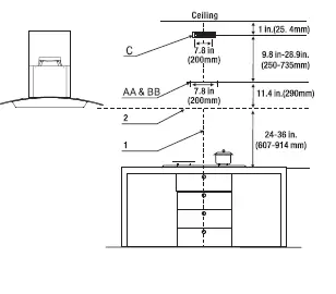
- Mark a vertical centerline (1) on the supporting wall up to the ceiling, or as high as practical, at the center of the area where the hood will be installed.
- Mark a horizontal line (2) above the range at the preferred distance between 24 to 36 inches (607-762 mm). Consult the user manual of your range if so required.
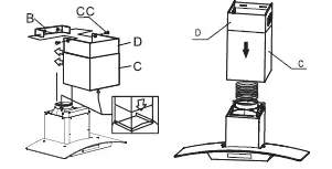
- Position chimney mounting bracket(C) on the wall as shown about 1 inch(25.4 mm) from the ceiling.

MOUNTING THE HODD
- Due to the size and weight of this range hood, the supports must be firmly attached to the wall. For drywall or plaster walls, range hood must be attached to a wooden wall stud.
- If this is not possible,a support structure must be built behind the plaster or drywall (preferred).
- Using a 3/8 in (9mm) drill bit, enlarge the pilot holes and insert the plastic wall anchors (BB) into the wall along the line that is 11.4 inch (290mm) above the horizontal line (2). Insert screws and
- leave a 0.25 inch (6.4mm) gap between the wall and the back of the screw head to slide the range hood into place. Ensure the screws and anchors (AA and BB) are parallel with the horizontal line (2).

- Hook the hood body(A) onto the screws( AA and BB) mounted onto
- the wall and securely tighten the screws( AA and BB) to secure the hood body(A) on the wall.

- Install two additional hood body mounting screws (AA) into the auxiliary mounting holes to secure the hood body (A) in place.

CONNECT VENT SYSTEM
OUTLET ADAPTER ASSEMBLY
- Fix the outlet adapter on the top of the hood by 4 screws (CC)
- Ensure the two flappers of the damper assembly operating properly.

- Attach an adequate length of 6-inch flexible duct (Not included) on the top of the outlet adapter. The max length of the flexible duct is 59 inches.
- Secure the duct. Check and properly tape all joints on the ductwork to ensure proper connections.
TELESCOPIC CHIMNEY ASSEMBLY
- Carefully slide the bottom chimney (C) down outside the top chimney (D), and then carefully place the bottom chimney (C) into the recessed area of the hood body top.
- Optionally fix the bottom chimney (C) with the three chimney bottom screws (DD) supplied from inside of hood body.

- Raise the top chimney (D) up inside the bottom chimney (C). Secure the top chimney (D) to the chimney mounting bracket (B) that is securely attached on the wall with the two chimney bracket screws (CC) supplied from two sides.

- Decide where the duct (Not included)will run between the hood and the outside.
- A straight, short duct run will allow the hood to perform most efficiently.
- Long duct runs, elbows, and transitions will reduce the performance of the hood. Use as few of them as possible. Larger ducting may be required for best performance with longer duct runs.
- Attach an adequate length of 6 inch flexible duct to the air outlet adapter.
- The air must not be discharged into a flue that is used for exhausting fumes from appliances burning gas or other fuels. Regulations concerning the discharge of air have to be fulfilled.
- Install a roof/wall cap. Connect round metal ductwork to cap and work back towards the hood location. Use duct tape to seal the joints between ductwork sections. (The roof/wall cap should be sourced locally).

FOR NON-VENTED INSTALLATION ONLY
- Install the charcoal filters (Not included).

- Please note that the air will flow out from the two grids on the two sides of the chimney top.

ELECTRICAL CONNECTION
WARNING: If the supply cord is damaged, it must be replaced by the service agent or similarly qualified persons in order to avoid a hazard.
A\ WARNING: The ground connection of this hood is compulsory. Do not remove ground prong of the plug.
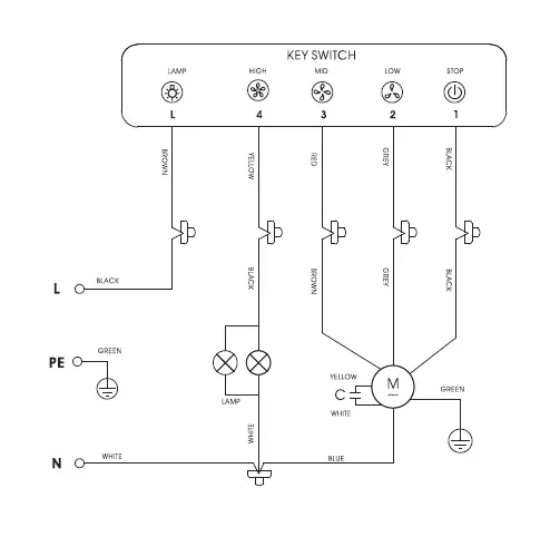
Operation
- The hood is operated using the push button on the front panel.
- The light switch turns the lamps on and off.
- The blower switch turns the blower on to three speed settings.

- – 0FF
- – LOW SPEED
- – MEDIUM SPEED
- – HIGH SPEED
- – LIGHT
Maintenance
BAFFLE FILTERS
- The baffle filters should be cleaned frequently (every two months of operation, or more frequently for heavy use). Use a warm detergent solution.
- Baffle filters are dishwasher safe.

- Remove the baffle filters by lifting up the latch. This will disengage the filters from the hood. Tilt the filter lift out and remove.
- Wash the filters, taking care not to bend them. Allow them to be dry before replacing them.
- When replacing the filters, make sure that the latch is visible from the outside.

NON-DUCTED RECIRCULATION CHARCOAL FILTERS (NOT INCLUDED)
These charcoal filters (Not included) is not washable, cannot be regenerated, and should be replaced approximately every 3 months of operation, or more frequently in the case of heavy usage.
1. Remove the baffle filters.
2. The charcoal filters (Not included)must be applied to the suction unit inside the hood, centering them inside of it and turning them 90°until they snap into place.
3. Put the baffle filters back in place.
LIGHTING
A\ WARNING: Always switch off the electrical supply before carrying out any operation on the appliance.
- This range hood requires two LED lamps (120V, GU 10, 3W).
- To change LED lamps:
- Switch off power and wait for 5 minutes until the bulbs cool down.
- Remove the bulb by pulling sideways.

“Please note that changes or modifications of this product is not expressly approved by the party responsible for compliance could void the user’s authority to operate the equipment.”
NOTE: This equipment has been tested and found to comply with the limits for a Class B digital device, pursuant to Part 15 of the FCC Rules. These limits are designed to provide reasonable protection against harmful interference in a residential installation. This equipment generates, uses and can radiate radio frequency energy and, if not installed and used in accordance with the instructions, may cause harmful interference to radio communications. However, there is no guarantee that interference will not occur in a particular installation. If this equipment does cause harmful interference to radio or television reception, which can be determined by turning the equipment off and on, the user is encouraged to try to correct the interference by one or more of the following measures:
— Reorient or relocate the receiving antenna.
— Increase the separation between the equipment and receiver.
— Connect the equipment into an outlet on a circuit different from that to which the receiver is connected.
– Consult the dealer or an experienced radionic technician for help.
Care and Cleaning
DO
- Clean the range hood periodically with hot, soapy water and a clean cotton cloth.
- Always clean in the direction of original polish lines.
- Always rinse well with clean water two or three times after cleaning. Wipe completely dry with a soft, non-abrasive cloth.
- After cleaning, you may polish with a non-abrasive stainless steel polish or cleaner. Always rub lightly and with the grain.
- Ensure that the venting system is free of debris if you have one.
DO NOT
- Do not use corrosive or abrasive detergents, or any products containing chloride, fluoride, iodide, or bromide on this product, as they will deteriorate the surface rapidly.
- rf Do not allow cleaning compounds, salt solutions, disinfectants, or bleaches to remain in contact with the product for extended periods of time.
- rf Do not allow deposits to remain for long periods of time on the range hood. Rinse with water immediately and wipe dry with a clean cloth.
- Do not leave the range hood dirty for long periods of time or allow dirt to accumulate.
- Do not let plaster dust or any other construction residue enter the hood. During construction or renovation, cover the hood.
- Combustible products used for cleanings, such as acetone, alcohol, ether, or benzyl, are highly explosive and should never be used close to a range or stove .
Troubleshooting
DANGER: Tum off the power circuit breaker or the power switch on the junction box before installing or servicing this unit. Touching circuitry inside the range hood while it is energized will result in death or serious injury.
| Problem J Solution | |
|
The range hood will not operate. | □ Check that the power supply cable and all electrical wiring are properly connected. □ Check that the power is turned on at the junction box or circuit breaker. □ Check that the wiring between the switch board and the control board are connected properly. |
|
The range hood vibrates when the fan is operating. | □ Check that the range hood has been secured properly to the wall or cabinet. Tighten it into position, if necessary. □ Check that the motor is secured in place. If not, then tighten the motor in place. □ Check that the fan is not damaged. If so, replace the fan. |
|
The fans seem weak. | □ Check that the duct size used is at least 6 in.(152mm). The range hood will not function efficiently with insufficient duct size. □ Check that the duct is not clogged with debris and the tight mesh on the wall cap, if applicable, isn’t restricting air flow. □ Check that the damper unit is opening properly, if applicable. |
|
The lights work, but the fan is not spinning, is stuck, or is rattling. | □ The lights work, but the fan is not spinning, is stuck, or is rattling. □ Check that the fan isn’t jammed or scraping the bottom. □ If nothing else works, the motor may be defective or seized. If so, replace the motor. |
|
The range hood is not venting properly. | □ Check that the distance between the cook top and the bottom of the range hood is min. at 24 in. □ Check that duct work follows all requirements. Use metal duct work with a uniform diameter of 6 in.(152mm). Reduce the length of duct work and the number of elbows if necessary. Ensure that all joints are properly connected, sealed, and taped. □ Check that the duct does not open against the wind. □ Ensure that the power is on high speed for heavy cooking. □ Wind from opened windows or doors may affect the performance of the range hood. Close windows and doors to eliminate outside air flow. |
| Light does not work. | □ Check the light bulb to see if it is loose. If so, tighten. □ Remove the problem bulb and insert one you know is working. If the properly functioning light does not come on, the problem may be the light assembly. Have the light assembly serviced or replaced? |
Wiring Diagram































