Freshbox 110
Freshbox 110 K1
Freshbox 110 ERV
Freshbox 110 K1 ERV
Air hAndling unit
USER’S MANUAL
Freshbox 110 Air Handling Unit
This user’s manual is a main operating document intended for technical, maintenance, and operating staff.
The manual contains information about purpose, technical details, operating principle, design, and installation of the Freshbox 110 (K1) (ERV) unit and all its modifications.
Technical and maintenance staff must have theoretical and practical training in the field of ventilation systems and should be able to work in accordance with workplace safety rules as well as construction norms and standards applicable in the territory of the country.
SAFETY REQUIREMENTS
All operations described in this manual must be performed by qualified personnel only, properly trained and qualified to install, make electrical connections and maintain ventilation units.
Do not attempt to install the product, connect it to the mains, or perform maintenance yourself.
This is unsafe and impossible without special knowledge.
Disconnect the power supply prior to any operations with the unit.
All user’s manual requirements as well as the provisions of all the applicable local and national construction, electrical, and technical norms and standards must be observed when installing and operating the unit.
Disconnect the unit from the power supply prior to any connection, servicing, maintenance, and repair operations.
Only qualified electricians with a work permit for electrical units up to 1000 V are allowed for installation. The present user’s manual should be carefully read before beginning works.
Check the unit for any visible damage of the impeller, the casing, and the grille before starting installation. The casing internals must be free of any foreign objects that can damage the impeller blades.
While mounting the unit, avoid compression of the casing! Deformation of the casing may result in motor jam and excessive noise.
Misuse of the unit and any unauthorised modifications are not allowed.
Do not expose the unit to adverse atmospheric agents (rain, sun, etc.).
Transported air must not contain any dust or other solid impurities, sticky substances, or fibrous materials.
Do not use the unit in a hazardous or explosive environment containing spirits, gasoline, insecticides, etc.
Do not close or block the intake or extract vents in order to ensure the efficient air flow.
Do not sit on the unit and do not put objects on it.
The information in this user’s manual was correct at the time of the document’s preparation.
The Company reserves the right to modify the technical characteristics, design, or configuration of its products at any time in order to incorporate the latest technological developments.
Never touch the unit with wet or damp hands.
Never touch the unit when barefoot.
BEFORE INSTALLING ADDITIONAL EXTERNAL DEVICES, READ THE RELEVANT USER MANUALS.
This unit is not intended for use by persons (including children) with reduced physical, sensory or mental capabilities, or lack of experience and knowledge, unless they have been given supervision or instruction concerning use of the unit by a person responsible for their safety.
Children should be supervised to ensure that they do not play with the unit.
This appliance can be used by children aged from 8 years and above and persons with reduced physical, sensory or mental capabilities or lack of experience and knowledge if they have been given supervision or instruction concerning use of the appliance in a safe way and understand the hazards involved.
Cleaning and user maintenance shall not be made by children without supervision.
Children shall not play with the appliance.
Connection to the mains must be made through a disconnecting device, which is integrated into the fixed wiring system in accordance with the wiring rules for design of electrical units, and has a contact separation in all poles that allows for full disconnection under overvoltage category III conditions.
If the supply cord is damaged, it must be replaced by the manufacturer, its service agent, or similarly qualified persons in order to avoid a safety hazard.
Ensure that the unit is switched off from the supply mains before removing the guard.
Precautions must be taken to avoid the back-flow of gases into the room from the open flue of gas or other fuel-burning appliances.
THE PRODUCT MUST BE DISPOSED SEPARATELY AT THE END OF ITS SERVICE LIFE.
DO NOT DISPOSE THE UNIT AS UNSORTED DOMESTIC WASTE.
PURPOSE
The unit is designed to ensure continuous mechanical air exchange in residential premises, offices, hotels, cafés, conference halls, and other public spaces as well as to recover the heat energy contained in the air extracted from the premises to warm up the filtered stream of supply air.
The unit is not intended for organizing ventilation in swimming pools, saunas, greenhouses, summer gardens and other spaces with high humidity.
Due to the ability to save heating energy by means of energy recovery, the unit is an important element of energy-efficient premises.
The unit is a component part and is not designed for stand-alone operation.
It is rated for continuous operation.
Transported air must not contain any flammable or explosive mixtures, evaporation of chemicals, sticky substances, fibrous materials, coarse dust, soot and oil particles or environments favourable for the formation of hazardous substances (toxic substances, dust, pathogenic germs).
DELIVERY SET
| NAME | NUMBER | |
| Freshbox 110 (ERV) | Freshbox110K1(ERV) | |
| Mounting | 1 | 1 |
| User’s manual | 1 | 1 |
| Template | 1 | 1 |
| Magnetic sheet | 1 | 2 |
| Spigot | 1 | – |
| Packing box | 1 | 1 |
DESIGNATION KEY

TECHNICAL DATA
The unit is designed for indoor application with the ambient temperature ranging from +1 °C up to +40 °C and relative humidity up to 60 % without condensation. In cold, damp rooms, there is a possibility of freezing or condensation inside and outside the casing.
In order to prevent condensation on the internal walls of the unit, it is necessary that the surface temperature of the casing is 2-3 °C above the dew point temperature of the transported air.
The unit should be operated continuously, and in cases where ventilation is not necessary, reduce the air flow of the fans to a minimum (20%). This will ensure a favorable indoor climate and reduce the amount of condensation inside the unit, which can damage electronic components. Never use the unit for dehumidification, for example, of new buildings.
The unit is rated as a Class I electrical appliance.
Hazardous parts access and water ingress protection rating:
IP20 for the unit connected to the air ducts.
IP44 for the unit motors.
The unit design is constantly being improved, thus some models may be slightly different from those described in this manual.
| PARAMETER | Freshbox 110 | Freshbox 110 K1 | Freshbox 110 ERV | Freshbox 110 K1 ERV | ||||||||
| Speed | 1 | 2 | 3 | I | 2 | 3 | 1 | 2 | 3 | 1 | 2 | 3 |
| Maximum air flow [m’/h] | 30 | 60 | 100 | 30 | 60 | 100 | 30 | 60 | 100 | 30 | 60 | 100 |
| Supply voltage, 50 (60) Hz [V] | 1— 230 | |||||||||||
| Unit power [W] | 10 | I 15 | I 31 | I 10 | I 15 | I 31 | I 10 | I 15 | I 31 | I 10 | I 15 | I 31 |
| Maximum unit current [A] | 0,26 | |||||||||||
| RPM [miry”] | 3200 | |||||||||||
| Sound power level [dBA] | 31 | 41 | 51 | 31 | 41 | 51 | 31 | 41 | 51 | 31 | 41 | 51 |
| Sound pressure level at 1 m distance [dBA] | 20 | 30 | 40 | 20 | 30 | 40 | 20 | 30 | 40 | 20 | 30 | 40 |
| Sound pressure level at 3 m distance [dBA] | 10 | 21 | 31 | 10 | 21 | 31 | 10 | 21 | 31 | 10 | 21 | 31 |
| Transported air temperature [°C] | -15…+40 | |||||||||||
| Casing material | Painted steel | Painted steel, galvanized steel | Painted steel | Painted steel, galva- nized steel | ||||||||
| Insulation [mm] | 10 | |||||||||||
| Supply filter ISO 16890 / EN 779:2012 | Coarse 90% / G4 | |||||||||||
| Extract filter ISO 16890 / EN 779:2012 | Coarse 90% / G4, ePM1 65% / F7 (option) | |||||||||||
| Heat recovery efficiency [96] | 93 | I 87 | I 84 | I 93 | I 87 | I 84 | 85 | 80 | 72 | 85 | 80 | 72 |
| Humidity recovery efficiency [96] | – | 45 | 39 | 29 | 45 | 39 | 29 | |||||
| Heat exchanger type | Counter-flow | |||||||||||
| Heat exchanger material | Polys yrene | Enthalpy | ||||||||||
| Connected air duct diameter [I-1m] | 2×100 mm + 1 x100 mm (option) | 2×100 mm + 4×75 mm (option) | 2×100 mm + lx100 mm (option) | 2×100 mm + 4×75 mm (option) | ||||||||
| Weight [kg] | 20 | 23 | 20 | 23 | ||||||||
| SEC class | A | |||||||||||

| Model | Dimensions [mm] | |||||||||||
| Ø D | A | B | C | E | F | G | H | I | J | K | L | |
| Freshbox 110 (ERV) | 100 | 834 | 496 | 195 | 165 | 251 | 75 | 644 | 81 | 800 | ||
| Freshbox 110 K1 (ERV) | 840 | 500 | 224 | 67 | 284 | – | – | 800 | ||||
Mounting plate for Freshbox 110 K1 (ERV)

| Dimensions [mm] | ||||||||
| VI | V2 | V3 | V4 | V5 | V6 | V7 | V8 | V9 |
| 570 | 510 | 79 | 156 | 67 | 104 | 460 | 73 | 82 |
DESIGN AND OPERATING PRINCIPLE

| 1: extract filter 2: heat exchanger 3: control unit 4: fan unit | 5: drain pan 6: supply filter 7: damper with an electric actuator () 8: condensate drain pipe (Freshbox 110 (K1)) |
Extract air from the room flows to the unit, where it is filtered by the extract filter, then air flows through the heat exchanger and is exhausted outside by the extract fan.
Intake air from outside flows into the unit, where it is cleaned by the supply filter. Then filtered air flows through the heat exchanger and is moved to the room with the supply fan.
Thermal energy of warm extract air is transferred to clean intake fresh air from outside and warms it up. The air flows are fully separated.
Heat recovery minimizes heat losses, which reduces the cost of space heating in the cold season.
Frost protection of the heat exchanger (danger of freezing appears when the exhaust air temperature downstream of the heat exchanger is lower than +5 °C) is provided by automatically switching off the supply fan.
The frost protection mode of the heat exchanger is deactivated at an air temperature above +7 ˚С.
Frost protection is only possible in heat recovery mode.
The Freshbox 110 (ERV) units provide for the installation of an exhaust spigot (Ø 100 mm) for servicing another room.
The spigot is included in the delivery set.
The exhaust grille must be covered with the magnetic plug supplied.
The Freshbox 110 K1 (ERV) units provide for the connection of FlexiVent 75 air ducts.
When using a mounting plate, the exhaust and supply grilles must be closed with the magnetic plugs included in the delivery set.

1 – supply air
2 – intake air
3 – extract air
4 – exhaust air
MOUNTING AND SET-UP
READ THE USER’S MANUAL BEFORE INSTALLING THE UNIT.
WHILE INSTALLING THE UNIT ENSURE CONVENIENT ACCESS FOR SUBSEQUENT MAINTENANCE AND REPAIR.
Freshbox 110 (ERV)
- Fix the mounting template at the required level on the wall.
Mark the holes for the air ducts, the hole for power cable entry and holes for mounting the unit.
For installation operations route necessary cables and wires to the place where the power cable enters the unit.
- Remove the mounting template and drill two through holes Ø 120 mm in the wall for the air ducts.
When mounting the unit with an extract spigot prepare a hole in the wall for a connecting bend and for laying of a rectangular air duct.
A connecting bend, rectangular and round air ducts are available separately.
Drill Ø 8 mm holes to mount the unit.
Install the expansion anchors, remove the perforated fillers for the air ducts from the mounting template and install the mounting template back.
Prepare air ducts of required length. Note that the telescopic air duct end must protrude for the distance that enables installation of the outer ventilation hood. For details, refer to the installation instruction for the ventilation hood.
The outer ventilation hood is available separately.
- Insert the air ducts in the corresponding holes of the mounting template. Install the air duct A with the minimum slope of 3 mm for condensate removal.
To install the unit with an additional spigot, insert the connecting bend into the prepared hole in the wall, aligning the mounting template hole with a round end of the connecting bend. Connect a rectangular duct to the connecting bend. Fill the gaps between the air ducts and the wall with a mounting foam.
Wait till the mounting foam hardens then take off the mounting template and remove the foam excess.
Cut off the protruding air duct parts to be flush with the wall surface.
- To install an extract spigot, remove the plug on the rear part of the unit.
Undo the screws, remove the plug and fix a spigot on its place.
To access the mounting holes, remove the decorative panel, unscrew the screws and remove the protective panel, remove the heat exchanger.
If an optional exhaust spigot is installed, install a magnetic plug on the exhaust grille.
For Freshbox 110 units it is recommended to use a condensate drain pipe heater (not included in the delivery set).
The heater must be installed before fixing the unit to the wall (see the heater installation manual).
5. Lift the unit, insert the spigots into the air ducts installed in the wall.
Fix the unit using the supplied screws.
The unit is secured with five screws.
Install the heat exchanger, protective and decorative panels.
Mount an outer ventilation hood (not included in the delivery set).
Freshbox 110 K1 (ERV)
The Freshbox 110 K1 (ERV) units are designed for built-in wall mounting.
- Prepare the framework for the plasterboard wall before installation.
- Attach the mounting plate to the vertical studs of the frame.
For fastening, use self-tapping screws for metal.
To securely fix the plate, it is recommended to fix it to the wall.
- If necessary, lay semi-rigid BlauFast Ø75 mm air ducts inside the frame.
Fasten the template to the wall at the required level.
Mark the holes for the air ducts.
Drill two Ø120 mm through holes in the wall for air ducts. - Remove the Blaufast plugs.
Replace them with BlauFast RKF 75 flanges.
Place the BlauFast RL 75 seals on the air ducts and fix with the BlauFast RS 75 lock.
- Lay the necessary wires and cables to the place where the power cable of the unit is inserted.
- Mount plasterboard on the frame, leaving an opening for installing the unit.

- Insert the air ducts into the holes.
Install the air duct A with the minimum slope of 3 mm for condensate removal. Fill the gaps between the air ducts and the wall with a mounting foam. Wait till the mounting foam hardens then take off the mounting template and remove the foam excess. Cut off the protruding air duct parts to be flush with the wall surface.
For Freshbox 110 K1 units it is recommended to use a condensate drain pipe heater (not included in the delivery set).
The heater must be installed before fixing the unit to the mounting plate (see the heater installation manual).
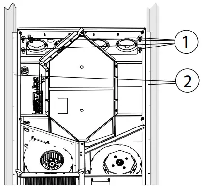
- To access the mounting holes, remove the decorative and protective panel.
To remove the decorative panel, move up 1 move towards you 2.
To remove the protective panel, it is necessary to remove the filter covers, unscrew the screws and disconnect the control panel from the controller.
- Lift the unit, insert the spigots into the air ducts installed in the wall. Fix the unit with screws to the mounting plate 1.
Fix the unit flanges to the vertical studs of the wall frame through the plasterboard 2 using self-tapping screws. - Make the electrical connections, see section “Connecting to power mains”.
If flexible air ducts are used, then the exhaust and supply grilles of the decorative panel must be covered with magnetic plates.
- Install the protective and the decorative panels.
WARNING!
When installing the decorative panel, make sure it hooks into the brackets to prevent it from falling off.
Mount an outer ventilation hood (not included in the delivery set).
CONNECTION TO POWER MAINS
POWER OFF THE POWER SUPPLY PRIOR TO ANY OPERATIONS WITH THE UNIT.
THE UNIT MUST BE CONNECTED TO POWER SUPPLY BY A QUALIFIED ELECTRICIAN.
THE RATED ELECTRICAL PARAMETERS OF THE UNIT ARE GIVEN ON THE MANUFACTURER’S LABEL.
The connection must be made using durable, insulated and heat-resistant conductors (cables, wires).
The actual wire cross section selection must be based on the maximum load current, maximum conductor temperature depending on the wire type, insulation, length and installation method.
The external power input must be equipped with an automatic circuit breaker built into the stationary wiring to open the circuit in the event of overload or short-circuit.
The position of the external circuit breaker must ensure free access for quick unit power-off.
The trip current of the automatic circuit breaker must exceed the maximum current consumption of the unit (refer to the “Technical data” section or to the unit label).
It is recommended to select the nominal current of the circuit breaker from the standard series, following the maximum current of the connected unit.
The circuit breaker is not included in the delivery set and can be ordered separately.
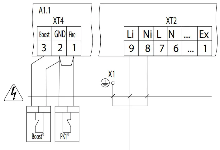
The device contacts are connected in the control unit.
To access the control unit, remove the decorative panel, unscrew the screws and remove the protective panel.
| Designation | Name | Cable | Note |
| PK1 * | Contact from fire alarm panel | 2×0.5 mm² | Remove the jumper |
| Boost* | Contacts On/Off of the Boost mode | 2×0.5 mm² |
— Electric shock hazard!
*The unit is not included in the delivery set.
The contact block J3 is located on the controller board.
In Boost mode the unit goes to speed 3.
The CO2-3 sensor is connected to the unit’s control unit using a connector on the sensor board.
Insert the studs into the holes on the sensor board until they click into place.
Secure the sensor board inside the unit in the bracket holes.

CONTROL
Using the DIP switch, you can set the operation of the unit in summer ventilation mode
DIP SWITCH POSITIONS
1-3: the unit works only in the heat recovery mode
1-2: in the summer ventilation mode, the exhaust fan is turned off
3-4: in the summer ventilation mode, the supply fan is turned off
Ventilation units are controlled via a sensor control panel on the unit casing.
1 – Switching the unit on/off.
If the unit is on, the indicator 4 lights up.
2 – button for switching speeds.
The indicators 5-7 indicate the current operating speed.
3 – button for switching operating modes.
If the indicator 8 is on, the unit is operating in the heat recovery mode. If the indicator 9 is on, the unit is operating in the summer ventilation mode.
10 – filter replacement indicator.
11 – alarm indicator.
TECHNICAL MAINTENANCE
Maintenance operations of the unit are required 3-4 times per year. Maintenance includes periodic dust removal from surfaces, cleaning or replacement of filters (when necessary) and dry cleaning of fans.
Maintenance includes general cleaning of the unit and the following operations:
- Filter maintenance (3-4 times per year).
Dirty filters reduce supply air volume.
For cleaning, remove the decorative panel and the dirty filters from the unit and clean them with a vacuum cleaner.
Install the filters back to the unit.
The filters require cleaning not less than 3-4 times per year.
After the expiration of the time (90 days) of filter operation, the filter replacement indicator lights up, which indicates the need to replace the filters.
For new filters, contact the Seller.
- Heat exchanger maintenance (once a year).
Some dust may accumulate on the heat exchanger block even in case of regular maintenance of the filters.
To maintain the high heat recovery efficiency, regular cleaning is required.
Periodical dry cleaning is recommended. Use a vacuum cleaner with a narrow nozzle.
Remove the protective panels.
Remove the clogged heat exchanger out of the unit, clean it with a vacuum cleaner and install the heat exchanger back to the unit.
- Fan maintenance (once a year).
Even in case of regular maintenance of the filters, some dust may accumulate inside the fans and reduce the fan performance and supply air flow.
Clean the fan with a cloth or a soft brush. Do not use water, aggressive solvents, or sharp objects as they may damage the impeller. - Technical maintenance of air duct system (every 5 years).
Even regular fulfilling of all the prescribed above maintenance operations may not completely prevent dirt accumulation in the air ducts which reduces the unit capacity.
Duct maintenance means regular cleaning or replacement.
TROUBLESHOOTING
| PROBLEM | POSSIBLE REASONS | TROUBLESHOOTING |
| The fan(s) do(es) not get started. | No power supply. | Make sure that the unit is properly connected to the power mains and make any corrections, if necessary. |
| Cold supply air. | Extract filter clogging. | Clean or replace the extract filter. |
| Heat exchanger icing. | Check the heat exchanger for icing. Stop the unit operation if necessary and wait until the ice melts. | |
| Low air flow. | Filters, fans or the heat exchanger are soiled. | Clean or replace the filters, clean the fans and the heat exchanger. |
| The ventilation system is soiled or damaged. | Check the opening of diffusers and louvre shutters. Check the exhaust hood and the supply grille and clean those, if necessary. Make sure the air ducts are clean and intact. | |
| Noise, vibration. | The fan impeller is soiled. | Clean the impellers. |
| The screw connection is loose. | Tighten the fastening screws. |
STORAGE AND TRANSPORTATION REGULATIONS
- Store the unit in the manufacturer’s original packaging box in a dry closed ventilated premise with temperature range +5…+40 ˚С and relative humidity up to 70 %.
- Storage environment must not contain aggressive vapors and chemical mixtures provoking corrosion, insulation, and sealing deformation.
- Use suitable hoist machinery for handling and storage operations to prevent possible damage to the unit.
- Follow the handling requirements applicable for the particular type of cargo.
- The unit can be carried in the original packaging by any mode of transport provided proper protection against precipitation and mechanical damage. The unit must be transported only in the working position.
- Avoid sharp blows, scratches, or rough handling during loading and unloading.
- Prior to the initial power-up after transportation at low temperatures, allow the unit to warm up at operating temperature for at least 3-4 hours.
MANUFACTURER’S WARRANTY
The product is in compliance with EU norms and standards on low voltage guidelines and electromagnetic compatibility. We hereby declare that the product complies with the provisions of Electromagnetic Compatibility (EMC) Directive 2014/30/EU of the European Parliament and of the Council, Low Voltage Directive (LVD) 2014/35/EU of the European Parliament and of the Council and CE-marking Council Directive 93/68/EEC. This certificate is issued following test carried out on samples of the product referred to above.
The manufacturer hereby warrants normal operation of the unit for 24 months after the retail sale date provided the user’s observance of the transportation, storage, installation, and operation regulations. Should any malfunctions occur in the course of the unit operation through the Manufacturer’s fault during the guaranteed period of operation, the user is entitled to get all the faults eliminated by the manufacturer by means of warranty repair at the factory free of charge. The warranty repair includes work specific to elimination of faults in the unit operation to ensure its intended use by the user within the guaranteed period of operation. The faults are eliminated by means
of replacement or repair of the unit components or a specific part of such unit component.
The warranty repair does not include:
- routine technical maintenance
- unit installation/dismantling
- unit setup
To benefit from warranty repair, the user must provide the unit, the user’s manual with the purchase date stamp, and the payment paperwork certifying the purchase. The unit model must comply with the one stated in the user’s manual. Contact the Seller for warranty service.
The manufacturer’s warranty does not apply to the following cases:
- User’s failure to submit the unit with the entire delivery package as stated in the user’s manual including submission with missing component parts previously dismounted by the user.
- Mismatch of the unit model and the brand name with the information stated on the unit packaging and in the user’s manual.
- User’s failure to ensure timely technical maintenance of the unit.
- External damage to the unit casing (excluding external modifications as required for installation) and internal components caused by the user.
- Redesign or engineering changes to the unit.
- Replacement and use of any assemblies, parts and components not approved by the manufacturer.
- Unit misuse.
- Violation of the unit installation regulations by the user.
- Violation of the unit control regulations by the user.
- Unit connection to power mains with a voltage different from the one stated in the user’s manual.
- Unit breakdown due to voltage surges in power mains.
- Discretionary repair of the unit by the user.
- Unit repair by any persons without the manufacturer’s authorization.
- Expiration of the unit warranty period.
- Violation of the unit transportation regulations by the user.
- Violation of the unit storage regulations by the user.
- Wrongful actions against the unit committed by third parties.
- Unit breakdown due to circumstances of insuperable force (fire, flood, earthquake, war, hostilities of any kind, blockades).
- Missing seals if provided by the user’s manual.
- Failure to submit the user’s manual with the unit purchase date stamp.
- Missing payment paperwork certifying the unit purchase.
FOLLOWING THE REGULATIONS STIPULATED HEREIN WILL ENSURE A LONG AND TROUBLE-FREE OPERATION OF THE UNIT.
USER’S WARRANTY CLAIMS SHALL BE SUBJECT TO REVIEW ONLY UPON PRESENTATION OF THE UNIT, THE PAYMENT DOCUMENT AND THE USER’S MANUAL WITH THE PURCHASE DATE STAMP.
CERTIFICATE OF ACCEPTANCE
| Unit Type | Air handling unit |
| Model | |
| Serial Number | |
| Manufacture Date | |
| Quality Inspector’s Stamp |
SELLER INFORMATION
| Seller | |
| Address | |
| Phone Number | |
| Purchase Date | |
| This is to certify acceptance of the complete unit delivery with the user’s manual. The warranty terms are acknowledged and accepted. | |
| Customer’s Signature | |

INSTALLATION CERTIFICATE
| The ___________ unit is installed pursuant to the requirements stated in the present user’s manual. | |
| Company name | |
| Address | |
| Phone Number | |
| Installation Technician’s Full Name | |
| Installation Date: | Signature: |
| The unit has been installed in accordance with the provisions of all the applicable local and national construction, electrical and technical codes and standards. The unit operates normally as intended by the manufacturer. | |
| Signature: | |

WARRANTY CARD
| Unit Type | Air handling unit |
| Model | |
| Serial Number | |
| Manufacture Date | |
| Purchase Date | |
| Warranty Period | |
| Seller |




To access the mounting holes, remove the decorative panel, unscrew the screws and remove the protective panel, remove the heat exchanger.
If an optional exhaust spigot is installed, install a magnetic plug on the exhaust grille.
5. Lift the unit, insert the spigots into the air ducts installed in the wall.





If flexible air ducts are used, then the exhaust and supply grilles of the decorative panel must be covered with magnetic plates.





















