NATIONAL PRIDE EQUIPMENT
REVERSE OSMOSIS SYSTEM
USER’S MANUAL
INTRODUCTION
This User’s Manual outlines installation, operation, maintenance and troubleshooting details vital to the sustained performance of your system.
The test results which are included with this User’s Manual indicate your system’s permeate and concentrate test results.
If your system is altered at the site of operation or if the feed water conditions change, contact NPE to determine the proper recovery for your application.
NOTE: IN ORDER TO MAINTAIN THE MANUFACTURER WARRANTY, AN OPERATING LOG MUST BE MAINTAINED AND COPIES WILL NEED TO BE SENT TO NATIONAL PRIDE EQUIPMENT FOR REVIEW.
NOTE: PRIOR TO OPERATING OR SERVICING THE RO SYSTEM UNIT, THIS USER’S MANUAL MUST BE READ AND FULLY UNDERSTOOD.
NOTE: IT IS UNSAFE TO OPERATE OR SERVICE THIS DEVICE WITHOUT FIRST READING AND UNDERSTANDING THE ENTIRE USER’S MANUAL. KEEP THIS MANUAL AND OTHER ASSOCIATED DOCUMENTATION FOR FUTURE REFERENCE.
SAFETY
This Safety section of this User’s Manual outlines the various safety headings used throughout this manual’s text and are enhanced and defined below:
NOTE: INDICATES STATEMENTS THAT PROVIDE FURTHER INFORMATION AND CLARIFICATION.
CAUTION: INDICATES STATEMENTS THAT ARE USED TO IDENTIFY CONDITIONS OR PRACTICES THAT COULD RESULT IN EQUIPMENT OR ANY TYPE OF PROPERTY DAMAGE.
WARNING: INDICATES STATEMENTS THAT ARE USED TO IDENTIFY CONDITIONS OR PRACTICES THAT COULD RESULT IN INJURY OR LOSS OF LIFE. FAILURE TO FOLLOW WARNINGS COULD RESULT IN SERIOUS INJURY OR EVEN DEATH.
WARNING: DO NOT REMOVE ANY CAUTION, WARNING, OR OTHER DESCRIPTIVE LABELS FROM THE EQUIPMENT.
WARNING: DO NOT REMOVE ANY PAGES FROM THE SUPPLIED READING MANUALS OR OTHER INFORMATIONAL DOCUMENTS.
WARNING: EYE PROTECTION SHOULD BE WORN AT ALL TIMES WHEN OPERATING THE RO
SYSTEM AS UNIT HAS HIGH PRESSURE WATER LINES AND MEMBRANE HOUSINGS WHICH MAY
LEAK IF FITTINGS LOOSEN OVER TIME.
WARNING: UNIT INSTALLATION MUST ADHERE TO ALL LOCAL ELECTRICAL AND PLUMBING CODES.
WARNING: ALL MAINTENANCE AND REPAIR ACTIONS ARE TO BE PERFORMED BY MAINTENANCE PERSONNEL WHO HAVE BEEN TRAINED AND FULLY READ THE DOCUMENTATION FOR ALL SYSTEM INFORMATION.
CAUTION: TO AVOID ANY ELECTRICAL SHOCK HAZARD, DO NOT OPERATE THIS DEVICE WHEN COVERS OR CONTROLLER ENCLOSURE IS OPENED.
CAUTION: ALL ELECTRICAL POWER MUST BE TURNED OFF AND THE LOCK OUT PROCEDURE MUST BE UTILIZED TO ENSURE ALL POWER IS SHUT OFF PRIOR TO SERVICING OR PERFORMING SYSTEM MAINTENANCE TO ANY POTION OF THE EQUIPMENT.
CAUTION: DO NOT OPERATE THIS DEVICE IN AN EXPLOSIVE ENVIRONMENT OR IN THE PRESENCE OF FLAMMABLE MATERIALS.
WARNING: MOVEMENT OR VIBRATIONS DURING SHIPMENTS MAY CAUSE CONNECTIONS TO LOOSEN. PLEASE CHECK ALL CONNECTIONS PRIOR TO TURNING ON THE POWER.
WARNING: DO NOT OPERATE THIS UNIT IN ENVIRONMENTS WHERE TEMPERATURES MAY BE BELOW 40 DEGREES F OR ABOVE 90 DEGREES F.
WARNING: IMPROPER WATER FLOW, WATER PRE-TREATMENT, MISUSE OR IMPROPER OPERATION OF THIS DEVICE WILL VOID THE MANUFACTURER’S WARRANTY.
CAUTION: FAILURE TO FOLLOW ALL INSTRUCTIONS MAY RESULT IN DAMAGE TO EQUIPMENT OR PERSONAL INJURY.
OPERATING LIMITS
| Minimum Feed Temperature | 85 |
| Maximum Feed Temperature | 40 |
| Minimum Ambient Temperature | 120 |
| Maximum Ambient Temperature | 40 |
| Minimum Feed Pressure | 85 |
| Maximum Feed Pressure | 45 |
| Maximum Operating Pressure | 120 |
| Maximum SDI Rating SDI | <3 |
| Maximum Turbidity NTU | 1 |
| Maximum Free Chlorine PPM | 0 |
| Maximum TDS PPM | 1000 |
| Maximum Hardness | 0 |
| Minimum pH (Continuous) | 11 |
| Maximum pH (Continuous) | 5 |
| Minimum pH (Cleaning 30 Min) | 12 |
| Maximum pH (Cleaning 30 Min) | 2 |
SYSTEM LOG INFORMATION
FACTORY DATA
Date Manufactured ________________
RO Model Number ________________
RO Serial Number _________________
Pump Model Number ______________
Pump Serial Number _______________
Factory Performance
Feed Water ______________________ PPM
Product Permeate _________________ PPM
Product Rate _____________________ GPM
Drain Rate ________________________ PPM
Inlet Pressure _____________________ PSI
Pump Pressure ____________________ PSI
System Pressure ___________________ PSI
Installation Data
Feed Water TDS ___________________ ppm TDS @ _________
Hardness _________________________
Iron ______________________________
Misc. _____________________________
Product TDS ______________________ ppm
% TDS Rejection ___________________
Product Rate ______________________ gpm
Drain Rate ________________________ gpm
Operating Pressure Pre-Membrane _____________ psi
Tested By ___________________________
Approved By ________________________
Date ______________________________
Date ______________________________
SYSTEM OVERVIEW
National Pride Equipment has developed and manufactured a proprietary RO System to provide a spot free rinse for car wash applications.
This RO System has been engineered to allow for a long longevity of issue free operation and low life cycle cost for the operator. The system utilizes commercial low temperature (high efficiency) RO membranes which operate at low pressure. In addition, all the components (chlorine filter, sediment filter, pumps, etc.) have been selected to improve the system reliability, minimize energy use and reduce required maintenance.
Please review the entire Manual prior to installation, start-up, servicing or operating the RO System.
This manual will include step by step instructions, general overview, replacement parts for the system and overall guidelines.
RO SYSTEM LAYOUT

RO SYSTEM PLUMBING LAYOUT KEY
Step 1
Tubes go from the Brine Tank to the Dual Water Softener (Blue)
Step 2
Fresh Water Supply into Dual Water Softeners (Green)
Tubes from the Brine Tank to the Dual Water Softeners (Blue)
Soft Water Discharge from Dual Water Softener to Carbon Filter (Red)
Step 3
Soft Water Discharge from Dual Water Softener to Carbon Filter (Red)
Carbon Filter Flex Line from Carbon Filter to RO Unit (Green)
Step 4
Carbon Filter Flex Line from Carbon Filter to RO Unit (Green)
Flex Line from RO Unit to the Spot Free Storage Tank (Blue)
Concentrate Saver Flex line to Sewage (Orange)
Spot Free Re-Pressure Line
From Spot Free Pump Outlet to Rain Bar Solenoid Valves (Pink)
Step 5
From Spot Free Re-Pressure Pump to Rain Bat Solenoid Valves. (Yellow)
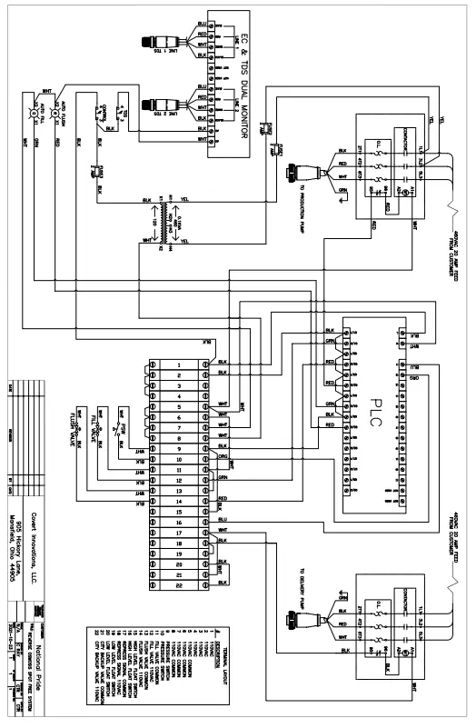
RO ELECTRICAL LAYOUT

SYSTEM LAYOUT

| Product Name | Product ID |
| 1. LED Light | IL-110-Red |
| 2. LED Light | IL-110-Green |
| 3. Toggle ON/OFF | XBSAD21 |
| 4. TDS Reader | HMDPSC-60D |
| 5. Non Adjustable Flometer | F-44750LE-8 |
| 6. Adjustable Flometer | F-44750LA-8 |
| 7. 400 PSI Gauge | GL400RF |
| 8. Membrane Housing | TW208419 |
| 9. Membrane Inside | TW30XLE-4040 |
| 10. 4” Conduit Clamp | NERCH900B |
SYSTEM LAYOUT

| Product Name | Product ID |
| 1. 2 AMP FUSE | AGAZ |
| 2. Smart Relay | SR2E201FU |
| 3. 120 VAC 18amp Contractor | LC1D18G7 |
| 4. Overload | LRD14 |
| 5. Terminal Blocks | 3044076 |
| 6. 2AMP Fuse | AGAZ |
| 7. Transformer | 9070T100D20 |
SYSTEM LAYOUT

| Product Name | Product ID |
| 1. Filter Housing | TW1502237BL |
| 2. Sediment Filter | TWBB1005 |
| 3. Booster Pump | SRHP520H3-01 |
| 4. Fill Valve | ASC8238T410-120 |
| 5. Pressure Gauge | GNL100B |
| 6. Pressure Gauge | GNL100B |
RO SYSTEM FEATURES

SPOT FREE
Production Unit
At National Pride, we are committed to bringing you premium grade equipment that is reliable, durable, and easy to operate.
Our saving space design helps units fit into tight or small pump rooms and range from 2,000 to 12,000 gallons per day. Each unit is thoroughly tested before shipment, ensuring that you receive a product of the highest quality.
STANDARD FEATURES
– Stainless steel floor mount frame
– Built-in TDS meter
– 12” x 48” carbon tank
– Stainless steel multi-stage pimp
– Float switch
– Heavy duty PVC membrane housings
– XLE 4040 membranes
– 5 Micron pre-filter and housing
– 1.5 cubic feet carbon d e-chlorinator
– Float kit
– Pre-Filter
| MODEL NO | GPD | HOUSING | MEMBRANE | AUTOFLUSH | HP |
| NPRO2000S | 2,000 | Heavy Duty PVC | (2) XLE – 4040 | Yes | Sta-Rite 2.0 HP |
| NPRO4000S | 4,000 | Heavy Duty PVC | (2) XLE – 4040 | Yes | Sta-Rite 2.0 HP |
| NPRO6000S | 6,000 | Heavy Duty PVC | (3) XLE – 4040 | Yes | Sta-Rite 2.0 HP |
| NPRO8000S | 8,000 | Heavy Duty PVC | (4) XLE – 4040 | Yes | Sta-Rite 2.0 HP |
| NPRO10000S | 10,000 | Heavy Duty PVC | (5) XLE – 4040 | Yes | Sta-Rite 3.0 HP |
| NPRO12000S | 12,000 | Heavy Duty PVC | (6) XLE – 4040 | Yes | Sta-Rite 3.0 HP |
RO SYSTEM REPLACEMENT PARTS
| Product ID # | Product Description |
| 800886 | Phoenix End Bracket |
| 3044076 | Phoenix UT2.5 Term Block |
| 3047167 | Phoenix ATP-UT Partition Plate |
| 1050020-110 | Zack Marker Strip 1-10 |
| 1050020-1120 | Zack Marker Strip 11-20 |
| 16G-16MPX | 1” MPT Swivel Crimp On Fitting |
| 21534A | Float Switch Weight |
| 69WR3 | Reverse Action Pressure Switch |
| 83400N2 | Delran Receptacle Straight Male |
| 9070T100D20 | SQD Transformer 110V Secondary |
| ABP-1412 | Aluminum Back Panel 14 x 12 |
| AGA2 | 2 AMP Glass Fuse |
| ALT5308901 | 1/2” Cord Grip |
| ALT8113305 | Oring for 5308901 Cord Grip |
| ASC8238T405-120 | ASCO 1/2” NC Valve 120v Din |
| ASC8238T410-120 | ASCO 1” NC Valve 120v |
| ASC88122403 | ASCO S Series Din Connector |
| CAFL4U-220 | Terminal Block w LED 220v |
| CIS205015 | 1/2” x 1-1/2” SCH 80 PVC Nipple |
| CIS205030 | 1/2” x 3” SCH 80 PVC Nipple |
| CIS805005 | 1/2” SCH 80 PVC Tee |
| CIS808005 | 1/2” SCH 80 PVC Elbow |
| CIS850005 | 1/2” SCH 80 PVC Plug |
| CZ14D68F012N | 90 Degree Female Cord Set |
| EPCAL4U | End Plate |
| F-44750LA-8 | Flow Meter 1/2” Adjustable |
| F-44750LE-8 | Flow Meter 1/2” Non-Adjustable |
| GG2DW2000 | Mechanical Switch – ABS Housing |
| GL400RF | Pressure Gauge Liquid Filled |
| GNL100B | Pressure Gauge Non-Liquid |
| H141206HLL | 14 x 12 x 6 Poly Enclosure, Hinged |
| HG0124 | Hose 1” 1 Wire Black |
| HMDPSC-60D | Basic Dual TDS Controller |
| IL-110-GREEN | LED Indicator Light Green |
| IL-110-RED | LED Indicator Light Red |
| LC1D18G7 | Telemecanique Contractor |
| LRD14 | 7-10A Overload Relay |
| MCM69915K55 | 3/4” Cord Grip |
| MCM7513K241 | 1/2” Cord Grip Conduit Locknut |
| MCM9565K27 | Square Finish Plug |
| MM20055 | Nickel Plated Push lock Fitting |
| MM20063 | Male Straight Connector |
| MM20082 | Male Elbow 90Dg |
| MM20092 | Male Elbow 90Dg |
| MM28002 | Barstock Fittings 90Dg Pipe Elbow FxF 1/4” |
| MM28004 | Barstock Fittings 90 Pipe Elbow FxF 1/2” |
| MM28027 | Barstock Fittings Union Tee F x F x F 1/2” |
| MM28044 | Barstock Fittings Female Pipe Cross 1/2” |
| MM28106 | Barstock Fittings Pipe Bushing 1/2” x MPT 1/4” FPT |
| MM28112 | Barstock Fittings Pipe Bushing 1” MPT x 1/4” FPT |
| MM28114 | Barstock Fittings Pipe Bushing 1” MPT x 1/2” FPT |
| MM28154 | Barstock Fittings Long Pipe Nipple 1/2” Diameter x 2/5” Long |
| MM28212 | Barstock Fittings Hex Nipple MxM 1/4” |
| MM28214 | Barstock Fittings Hex Nipple |
| MM28216 | Barstock Fitting Hex Nipple MxM |
| MM32022 | Barstock Fittings 3/4” hose to 1/2” MPT |
| MM32023 | Barstock Fittings 3/4” House to 3/4” MPT |
| MM32035 | Barstock Fittings 1” Hose to 1” MPT |
| MM32316 | Barstock Fittings 3/4” to 1” Hose |
| NERCH900B | 4” Conduit Clamp |
| PRO-STM7/8 | Single Tube Mount |
| SP12-HS | Hose Clamp 9-16” – 1-1/4” |
| SR2E201FU | 100-240VAC Smart Relay |
| SRHPS20H3-01 | Sta-Rite Booster Pump |
| SUT-FEET | Plastic Feet for Equipment |
| T-1.0B | Barstock Fittings Brass Tee 1” |
| TW150061 | Axeon Gray Housing Bracket |
| TW1502237BL | 10” Big Blue Filter Housing |
| TW1G5002 | RO Ultra 4.5” Filter Housing Wrench |
| TW208419 | Axeon Membrane |
| TW30XLE-4040 | RO Membrane |
| TWBB1005 | RO Membranes Sediment Filters |
| XB5AD21 | 2 Pos NC Selector Switch |
TROUBLESHOOTING
| Symptom | Solution |
| Low RO Water Production | Check Water Pre-Treatment Equipment Improperly pretreated water can cause the membrane to have low water production. Check Pressure Pre-Membrane if Pressure Pre-Membrane is not maintained between 120-200 psi, loss will occur |
| Unable to Keep Pressure Pre-Membrane Between 120-200 psi | Check Reject Control Valve With the RO running, shut off the reject control valve. Pressure should climb above the minimal pressure. If pressure does not increase, pinch off RO drain hose. If pressure still does not increase, the pressure pump needs to be replaced. If the pressure does increase, the reject control valve needs to be replaced. |
| Spot Free Water is Spotting | Check Product Water TDS Test the product water as i t is beingproduced. Sample the water as it moves to the storage tank. If the TDS is high, it could mean the membrane has been compromised. Check Product Water TDS The storage tank is an atmospheric storage container which can make it prone to the contamination. Routine cleaning of the tank will eliminate this problem. |
| RO Display Shows TANK FULL When the Tank is Not Full | High Level Float Switch is not Working Using a jumper wire, jump the tank float terminals 15 & 16. If the RO does change to RO running, check wires from control box to float switch. If wire is OK, replace high level float switch. |
| Production Pump Won’t Start | No Power to RO System Check RO Controller’s Smart Relay is working. If it is not working, check the source power. Blown Fuse in the Control Box Check if either of the fuses look blown. If blown, replace the fuse. RO Fault Condition Exists The Production Pump will not start for the displays of TANK FULL, LOW FEED PRESSURE or BAD FLOAT. High Level Float Switch is not Working Add a jumper wire to the tank float switch terminals 15 & 16. If the RO pump does not stop replace the smart relay. If the RO Pump stops, replace the high level float switch to fix the issue. |
| RO Display Shows High TDS | Check Product Water TDS Test the product water as it is being made. Sample the water as it goes to the storage tank. If the TDS is high it could mean that the membrane has fouled. Check Storage Tank TDS The storage tank is an atmospheric storage container which can make it prone to the contamination. Routine cleaning of the tank will get rid of this problem. |
MAINTENANCE
RO System Maintenance Log
The operation and maintenance of an RO machine requires regular data recording and routine preventative maintenance. It is vitally important that the daily log sheet be filled out during each operational shift of use. A startup sheet / log should be filled out containing the informational facts about the operation of your machine. These records are kept strictly for reference. If you have questions concerning the operation of your machine or the method of the data recording, contact the manufacturer.
NOTE: A log is included with this manual.
RO System General Maintenance Guide
As a part of the routine maintenance program, it is suggested that performance data of your RO System is recorded on a regular basis. By recording the performance data, diagnosing and performance problems at a later date will be much easier.
Replace Pre-Filter Cartridges
The standard rule is that once a month the 5 Micron pre-filter should be replaced.
The frequency can very depending on the production demands of the RO System. This filter protects the membrane elements from particles, which me be located in the feed water.
NOTE: A Pressure drop of 8 psi or more during operation indicates that the pre-filter cartridge needs replacing. Use filters rated at 5 micron or less.
Membrane Element Replacement
Membrane life expectancy will very from site to site depending on the water quality. TDS reading of 30 or less is considered to be spot free. Anything above this reading, the membranes should be replaced.
RO SYSTEM WARRANTY
National Pride Equipment RO System
National Pride Equipment warrants to the original consumer / purchaser against defects in material and/or workmanship from the date of original Manufacture as follows:
Limited Warranty, covering materials and workmanship for 1 year from the date of installation, subject to user’s to compliance with manufacturers operating and maintenance instructions. Filter and Membranes are excluded by Warranty, and National Pride Equipment responsibility is limited to any Warranty provided by the filter or membranes manufacturer.
National Pride Equipment shall not be held liable for any special, incidental or consequential damages, and will at its option, repair or replace any defective components.
Any parts used for replacement are warranted for the remainder of the original warranty period.
THIS WARRANTY DOES NOT COVER DEFECTS CAUSED BY ACCIDENT, FIRE, FLOOD, ACTS OF GOD, MISUSE, MISAPPLICATION OR NEGLECT.
Shipping expenses to National Pride Equipment at 905 Hickory Lane, Mansfield, Ohio 44905 are the responsibility of the consumer. National Pride Equipment will ship the repaired or new component at the consumer’s expense and will not be responsible for any labor charges or other costs resulting from the removal or installation of the repaired or replaced part.
NPE RO System User’s Manual
NPRO12000S

















