WATTS PWROKCZRO Kwik Change Zero Waste Reverse Osmosis

Introduction
Thank you for your purchase of a state of the art Watts Kwik-Change™ Zero Waste Reverse Osmosis (RO) water treatment system. Water quality concerns are becoming more of a focus for the public. You may have heard about contaminants in the drinking water, such as Arsenic, Perchlorate, Chromium. There may also be some local water issues such as high levels of Lead and Copper. This Watts water treatment system has been designed and tested to provide you with high-quality drinking water for years to come. The following is a brief overview of the system.
Your Reverse Osmosis System:
Osmosis is the process of water passing through a semi-permeable membrane in order to balance the concentration of contaminants on each side of the membrane. A semi-permeable membrane is a barrier that will pass some particles like clean drinking water, but not other particles like arsenic and lead.
Reverse osmosis uses a semi-permeable membrane; however, by applying pressure across the membrane, it concentrates contami-nants (like a strainer) on one side of the membrane, producing crystal clear water on the other. This is why RO systems produce both clean drinking water and rinse water that is flushed from the system. This reverse osmosis system also utilizes carbon block filtration technol-ogy, and can therefore provide a higher quality drinking water than carbon filtration systems alone.
Your system is a three stage RO which is based upon separate treatment segments within the one complete water filtration system. These stages are as follows:
- Stage 1 – Carbon filter, recommended change 6 months. The first stage contains a 5-micron carbon block filter. This helps ensure that chlorine and other materials that cause bad taste and odor are greatly reduced.
- Stage 2 – Membrane, recommended change 2-5 years. Stage 2 is the heart of the reverse osmosis system, the RO membrane. This semi-permeable membrane will ef-fectively take out TDS, Sodium and heavy metals such as arsenic, copper, and lead*. Because the process of making this high quality drinking water takes time, your RO water treatment system is equipped with a storage tank.
- Stage 3 – Carbon post filter, recommend change 12 months. The final stage is a high-quality carbon filter. Drinking water enters this filter after the water storage tank, and it is used as a final polishing filter.
Note: Filter life may vary based upon local water conditions or use patterns.
Replacement Filter Packs
| MODEL NO. | ORDERING CODE | FREQUENCY | DESCRIPTION |
| PWKCCB13 | 7100109 | 6 months | Carbon Block |
| PWFPKKCZW | 7100119 | Includes all filters and membranes | |
| PWKCGAC13 | 7100462 | Annual | GAC filter |
| PWMEMKC60 | 7100125 | 2-5 years | 60 GPD membrane |
NOTICE Water conditions may require more frequent cartridge replacement
System Maintenance
Just because you cannot taste it, does not mean that it is not there. Contaminants such as Lead, Chromium and Arsenic are undetect-able to the taste. Additionally, over time if you do not replace the filter elements, other bad tastes and odors will be apparent in your drinking water.
This is why it is important to change out your filters at the recommended intervals as indicated in this system manual. When replacing the filter elements, pay special attention to any cleaning instructions. Should you have any further questions please refer to our website at www.watts.com or call our customer service department at 1-800-244-1299.
Operational Parameters
| Operating Temperatures | Maximum 100°F (37.8°C) | Minimum 40°F (4.4°C) |
| Operating Pressure | Maximum 85psi (6.0 kg/cm2) | Minimum 40psi (2.80 kg/cm2) |
| pH Parameters | Maximum 11 | Minimum 2 |
| Iron | Maximum 0.2 ppm | |
| TDS (Total Dissolved Solids) | < 1800 ppm | |
| Turbidity | < 5NTU |
Hardness: Recommended hardness not to exceed 10 grains per gallon, or 170ppm. System will operate with hardness over 10 grains but the membrane life may be shortened. Addition of a water softener may lengthen the membrane life.
Water Pressure: The operating water pressure in your home should be tested over a 24 hour period to attain the maximum pressure.
If the incoming water pressure is above 85psi a pressure regulator is recommended and if over 100psi then a pressure regulator is required.
Copper Tubing: Reverse Osmosis water should not be run through copper tubing as the purity of the water will leach copper causing an objectional taste in water and pin holes may form in the tubing. Watts supplies specialty filters that can be used if copper tubing follows the Reverse Osmosis unit. Be sure to follow any state or local regulations during installation.
NOTICE RO unit must be installed a minimum of 25 Pipe feet from water heater.
NOTICE System was tested in a laboratory setting utilizing a hot water heater of 40 gallons set at 120°F. Performance may vary if your heater is smaller than 40 gallons or set above 120°F, contact the manufacturer for additional details.
System should not be used on homes equipped with a back-flow prevention on the hot water heater. This device is 100% efficient, as no water is lost to drain in the production of the RO water.
Contents of Reverse Osmosis (RO) System
- 1 Tank
- 1 RO Module
- 1 Parts Bag – With a 10″ Final Filter
- 1 Faucet Bag
- 1 Manual
If any of the items are missing please contact prior to installing.
Tools Recommended for Installation

- 1¼” Hole Saw Bit for Faucet opening
- Round Knockout Punch for Stainless Sinks 1¼”
- Adjustable Wrench
- Sharp Knife
- 1⁄2″ & 5⁄8″ Open End Wrenches
- Phillips Screw Driver
- Needle Nose Pliers – Adjustable Pliers
- Electric Drill
- 1⁄8″ Drill Bit
- 1⁄4″ Drill Bit
- 3⁄8″ Drill Bit
Follow all local codes/regulations for your installation
STEP 1
- Drill a Hole for the Faucet in a Porcelain Sink
Most sinks are predrilled with 1½” or 1¼” diameter hole that you can use for your RO faucet. (If you are already using it for a sprayer or soap dispenser, see Step 2).
NOTICE Porcelain sinks are extremely hard and can crack or chip easily.
Use extreme caution when drilling. Watts accepts no responsibility for damage resulting from the installation of faucet.- Step A – Determine desired location for the RO faucet on your sink and place a piece of masking tape on over where the hole is to be drilled. Mark the center of the hole on the tape.

- Step B – Using a variable speed drill set on the slowest speed, drill a 1⁄8″ pilot hole through both porcelain and metal casing of sink at the marked center of the desired location. Use lubricating oil or liquid soap to keep the drill bit cool (If drill bit gets hot, it may cause the porcelain to crack or chip).

- Step C – Using a 1¼” hole saw, proceed to drill the large hole. Keep drill speed on the slowest speed and use lubricating oil or liquid soap to keep the hole saw cool during cutting.

- Step D – Make sure the surroundings of the sink are cooled before mounting the faucet to the sink after drilling and remove all sharp edges.
- Step A – Determine desired location for the RO faucet on your sink and place a piece of masking tape on over where the hole is to be drilled. Mark the center of the hole on the tape.
Punch a Hole for the Faucet in a Stainless Steel Sink

If mounting faucet to a Stainless Steel Sink, you will need a 1¼” Hole Punch. The faucet opening should be centered between the back splash and the edge of the sink, ideally on the same side as the vertical drain pipe.
- Step A – Drill a ¼” pilot hole. Use a 1⁄2″ Hole Punch and an adjustable wrench to punch the hole in the sink. Change to the 1¼” Hole Punch to enlarge the hole

The faucet can now be installed.
How To Use the Quick-Connect Fittings For Tubing Connections
To make a connection, the tube is simply pushed into the fitting. Place a piece of tape 1⁄2″ from end of tube to indicate how far the tube should be inserted. The unique patented locking system holds the tube firmly in place without deforming it or restricting flow.
It is essential that the outside diameter be free of score marks and that burrs and sharp edges be removed before inserting into fitting.
Push the tube into the fitting, to the tube stop. The collet (gripper) has stainless steel teeth which hold the tube firmly in position while the O-ring provides a permanent leak proof seal.
Fitting grips before it seals. Ensure tube is pushed into the tube stop.
Pull on the tube to check that it is secure. It is a good practice to test the system prior to leaving site and /or before use.
STEP 2
Watts Chrome Top Mount Faucet Installation
| MINIMUM | MAXIMUM | |
| Mounting Hole Size | 1″ | 11⁄4″ |
| Torque on Toggle Bolt | 5 lb.in. (max) | |
Gather and identify the faucet pieces.
- Step A – Remove faucet base, faucet spout and 3/8″ tube from the parts bag.
- Step B – Connect the 3/8” BLUE tube to the 3/8” BLUE Fitting on base of the faucet.
- Step C – From above the sink, feed the faucet tubing & toggle bolt down through the 1¼” mounting hole in the sink. Ensure that the soft rubber gasket has the protective white paper removed from both sides and is uniformly positioned in between the base of the faucet and the top of the sink.
- Step D – Align the faucet base so that the handle is on the right side and the base is sitting fl ush on the sink top. Using a phillips head screwdriver, turn the screw located down the hole where the spout will be installed, clockwise until the toggle bolt secures the faucet base snug onto the sink top.
- Step E – Once the faucet base is securely fastened to the sink top, insert the faucet spout into the faucet base until it is fully seated. Turn the handle up (away from you) to the “OFF” position.

Drain Saddle Installation. See page 5 from IOM-WQ-PWRO4
STEP 3
Adapt-A-Valve™ Installation
Verify contents prior to installation:
( 2 ) – Plastic Adapt-a-Valve™ & Black Collet ( 2 ) – Brass Adapter no washer
( 2 ) – Brass Adapter with black washer
( 2 ) – White rubber washer
NOTICE Water supply line to the system must be from the cold water supply line only. Hot water will severely damage your system.
NOTICE Do not use Teflon tape with the Adapt-A-Valve™.

- Step A – Turn off the cold and hot water supply to the faucet by turning the angle stop valve completely off.
- Step B – Open cold and hot water sink faucet to relieve pressure
- Step C – Choosing the configuration that firts your plumbing, attach the Adapt-A-Valve™ as illustrated in the photos above.
STEP 4
Reverse Osmosis Module Mounting
- Step A – This Kwik-Change Zero Waste RO system uses an integrated mounting bracket to support the RO system. Determine best location for the RO module to be placed, no additional mounting required in the kitchen cabinet.
NOTICE Do not cut any RO system tubes at this time
STEP 5
Green Tube Connection

- Step A – Locate green tube attached to the RO Module. Insert the open end of the green 1⁄4″ tube into the open 1⁄4″ quick-connect fitting on the Adapt-A-Valve™ making sure the tube is pushed in all the way to the tube stop.
- Step B – Connect the green tube from the RO module to the Adapt-A-Valve™ that is connected to the cold water angle stop valve. Leave enough tube so it is not kinked and cut the tube to the desired length.
STEP 6
Black Tube Connection

- Step A – Locate black tube attached to the RO Module. Insert the open end of the black 1⁄4″ tube into the open 1⁄4″ quick-connect fi tting on the Adapt-A-Valve™ making sure the tube is pushed in all the way to the tube stop.
- Step B – Connect the black tube from the RO module to the Adapt-A-Valve™ that is connected to the hot water angle stop valve. Leave enough tube so it is not kinked and cut the tube to the desired length.
STEP 7
Check Air Pressure in the Tank
Check air pressure when tank is empty of water!
Check air pressure in the storage tank when you notice a de-crease in available water from the RO system. Air can be added with a bicycle pump using the schrader valve that is located on the lower side of the tank behind the blue plastic cap.

- Step A – Turn off the incoming water supply to the RO by turning the knob on the Adapt-A-Valve™ clockwise until it stops. (Follow the green tube away from the RO system to fi nd the Adapt-A-Valve™.)
- Step B – Open the RO Faucet and allow water to drain from the tank until it is completely empty.
When water from the RO faucet slows to a trickle, with the faucet still in the open position, you may add air to the tank to purge any left over water. This will ensure that the tank is completely empty. - Step C – Once all water in the tank is purged, check air pressure using an air pressure gauge, it should read between 5 – 7psi. (Digital air pressure gauge is recommended)
- Step D – Follow startup procedure on Page 7.
STEP 8
Tank Ball Valve Installation

- Step A – Wrap (7 to 12 turns) of Teflon® tape clockwise around the male pipe threads (MPT) on the Stainless Steel fitting on top of the tank.
Do not let the tape cover the opening. - Step B – Thread the plastic elbow ball valve (supplied in the parts bag) onto the stainless steel connection on the top of tank. Tighten using an adjustable wrench. Do not over tighten as plastic could crack.
Teflon® is a registered trademark of E.I. Dupont de Nemours & Company.
STEP 9
Blue Tube Connection (to RO tank)
- Step A– Position the RO storage tank in a desired location. You may stand it upright or lay it on its side (using the black plastic stand included).
- Step B– Locate the 1/4″ blue tube in the parts bag. Connect one end of the tube to the tee fitting attached to the inline polish-ing filter, clipped on to the RO membrane housing. Insert the tube into the open tee fitting and use a 5⁄8″ wrench to tighten the white plastic nut securely.
- Step C– Measure the tube from the inline polishing filter the tank and cut it to length leaving a straight, square edge. To con-nect the blue tube to the ball valve fitting, slip the blue tube through the white compression nut, hand tighten the white nut and add 1/4 turn with a 5/8″ wrench.
Set the blue ball valve knob in-line with the blue tube, this is the “open” position.
A connection to a refrigerator / ice maker may be tee’d into this blue tube and should be spliced in between the fi nal fi lter and the RO faucet.
STEP 10
Blue Tube Connection (from faucet)
- Step A– Locate the 3/8″ blue tube attached to the RO faucet. Connect the open end of the tube to the straight fitting attached to the inline polishing filter clipped on to the RO membrane housing. Insert the tube into the open fitting and use a 5⁄8″ wrench to tighten the white plastic nut securely.
Start Up Instructions
To prevent the possibility of electrical shock, clean up any water on cabinet floor and dry all water from outside of RO unit.
- Step A– Turn on the incoming cold and hot water at the angle stop valves by turning the knob on the Adapt-A-Valve™ coun-terclockwise. Check the system for leaks and tighten push to be further in any fittings as necessary. (Check frequently over the next 24 hours to ensure no leaks are present). If you have connected your RO system to a refrigerator / ice maker, make sure the ice maker is off (do not allow water to flow to the ice maker) until flushing is complete and the tank has been allowed to fill completely. Connection from the RO to the ice maker system should have an in-line valve installed before the ice maker so it can easily be closed to prevent water flowing to the ice maker during start up and periodic maintenance. Your RO tank must be allowed to fill up fully in order for the ice maker system to work properly.
- Step B – Plug the 24 volt transformer power cord connector into the RO wire harness connector (labeled Transformer).
- Step C – Plug the transformer into the electrical outlet under the sink.
- Step D – Open the RO faucet and leave it open until water begins to trickle out (it will come out slowly).
- Step E – After water trickles out of the faucet, close the RO faucet allowing the storage tank to fill with water. It may take 4 to 6 hours to fill the tank completely depending on the pro-duction capability of the membrane, local water temperature and water pressure.
Ensure Ball Valve on the RO storage tank is open. During the fill period, you may hear water trickling due to the Reverse Osmosis Process. - Step F – After the Tank has filled, open the RO Faucet to flush the tank completely to remove carbon particles from final filter. You will know that the tank is empty when the flow rate from the RO faucet is down to a trickle. Repeat this step two more times. The fourth tank can be used for drinking.
NOTICE Flushing of the tank 3 times is only necessary during the initial startup and after replacing the membrane.
NOTICE Your reverse osmosis system contains replaceable treatment components that are critical for effective containment reduction. Periodic inspection and following proper system maintenance is critical for continued performance.
6-Month System Maintenance
Order filter by calling Watts at 1-800-224-1299
Item Needed: EDP# 7100109
Includes:
- Carbon Block Filter
This reverse osmosis system contains a replaceable compo-nent (the RO membrane) which is critical to the efficiency of the system. Replacement of this reverse osmosis membrane should be with one of identical specifications as defined by Watts to assure the same efficiency and contaminant reduction perfor-mance.
Note: Your RO module is equipped with valved heads which will automatically turn off the water supply to each filter when the filter is released, thus you do not need to turn off the incoming water supply at the Adapt-A-Valve™. The faucet must be off when filter is replaced.
- Step A – Place the towel under the RO module to catch any excess water that drips out from the filters during the changeover.
- Step B – To make the removal of the filter housings easier, the heads & housings may be lifted up to 90 degrees as shown in the pictures to the right. Starting with cartridge closest to the pump. Change only the carbon block filter, lift the cartridge up to 90 degrees. Rotate the cartridge a 1⁄4 turn counter-clockwise, remove and dispose of used cartridge.

- Step C – Make sure to remove the cap off of the new replace-ment filter. Insert the new filter cartridge into the head and rotate it clockwise 1⁄4 turn until it stops. Return cartridge to the vertical position.
- Step D – When finished flush your tank completely once to remove any natural carbon fines from the RO system. Check over the next 24 hours to ensure no leaks are present.

Photographs for reference purposes only for Kwik-Change™ drinking water systems. Your system may contain 2, 3, or 4 filter cartridges.
Annual Maintenance
Order filter by calling Watts at 1-800-224-1299
Item Needed: # 7100119 Includes:
- (1) Carbon Block Filters
- (1) Post GAC
- (1) Membrane
Note: Your RO module is equipped with valved heads which will automatically turn off the water supply to each filter when the filter is released, thus you do not need to turn off the incoming water supply at the Adapt-A-Valve™. The faucet must be off when filters are replaced.
- Step A – Place the towel under the RO module to catch any excess water that drips out from the filters during the changeover.
- Step B – Start with Carbon Block Filter (closest to pump). Lift the cartridge to make the removal of the filter housings easier, the heads & housings may be lifted up to 90 degrees as shown in the pictures to the right. Starting with the sediment filter, lift the cartridge up to 90 degrees. Rotate the cartridge a 1⁄4 turn counterclockwise, remove and dispose of used cartridge.

- Step C – Make sure to remove the cap off of the new replacement filter. Insert the new filter cartridge into the head and rotate it clockwise 1⁄4 turn until it stops. Return cartridge to the vertical position.
- Step D – Repeat this procedure for the 2nd and 3rd filter cartridges. When finished flush your tank completely once to remove any natural carbon fines from the RO system. Check over the next 24 hours to ensure no leaks are present.

Photographs for reference purposes only for Kwik-Change™ drinking water systems. Your system may contain 2, 3, or 4 filter cartridges.
Membrane Replacement
This reverse osmosis system contains a replaceable component (the RO membrane) which is critical to the efficiency of the system.
Replacement of this reverse osmosis membrane should be with one of identical specifications as defined by Watts to assure the same efficiency and contaminant reduction performance.
Membranes have a life expectancy between 2 and 5 years, de-pending on the incoming water conditions and the amount the
RO system is used. This reverse osmosis membrane is critical for effective reduction of total dissolved solids (TDS). The product water should be tested periodically to verify that the system is performing satisfactorily.
Normally, a membrane would be replaced during a semiannual or annual filter change. However, if at any time you notice a reduction in water production or an unpleasant taste in the reverse osmosis water, it could be time to replace the membrane. Watts recommends replacing the membrane when TDS reduction falls below 75%.
NOTICE A water sample may be sent to Watts for a free diagnosis of your membrane performance. To send a water sample, use two (2) clean containers and fill ½ cup of tap water in one container and ½ cup of reverse osmosis water in 2nd container. Clearly label each sample. Send the samples to the address listed on the cover of this manual attention “Water Samples”. Watts will test the water and mail or call you with the results.
NOTICE See annual maintenance on Page 7.
- Step A – To change your membrane follow the instructions for the Annual Maintenance (previous section). The procedure to remove and change the membrane cartridge is the same as all the other filter cartridges on the RO module.
- Step B – Check over the next 24 hours to ensure no leaks are present.
Replacement Filter Packs
| MODEL | FREQUENCY | DESCRIPTION |
| PWKCCB13 | 6 months | Carbon Block |
| PWFPKKCZW | Annual | Membrane and filters |
| PWKCGAC13 | Annual | GAC filter |
| PWMEMKC60 | 2-5 years | 60 GPD membrane |
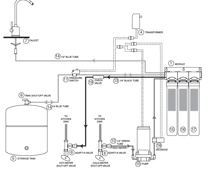
Parts List
The reverse osmosis system contains a replaceable treatment component, critical for the effective reduction of total dissolved solids and that the product water shall be tested periodically to verify that the system is performing properly

| ITEM # | EDP # | DESCRIPTION |
| 1 | 7300052 | MODULE |
| 2 | 7300034 | ELBOW – 1/4″ QC X 1/4″ STEM (NOT SHOWN) |
| 3 | 7300025 | FLOW RESTRICTOR (NOT SHOWN) |
| 4 | 7300000 | TRANSFORMER |
| 5 | 7100174 | STORAGE TANK – 3 GAL WHITE |
| 6 | 7300068 | ADAPT-A-VALVE™ |
| 7 | 7100203 | TOP MOUNT FAUCET – CHROME |
| 8 | 7300073 | TANK SHUT-OFF VALVE |
| 9 | 7300028 | ADAPTER – 3/8″ STEM X 1/4″ QC (NOT SHOWN) |
| 10 | 7300001 | BOOSTER PUMP – 1/4″ QC |
| 11 | 7300015 | PRESSURE SWITCH |
| 12 | 7300066 | 1/4″ GREEN TUBING |
| 13 | 7300064 | 1/4″ BLACK TUBING |
| 14 | 7300065 | 1/4″ BLUE TUBING |
| 15 | 7100109 | CARBON FILTER |
| 16 | 7100125 | REVERSE OSMOSIS MEMBRANE |
| 17 | 7100462 | POST CARBON FILTER |
| 18 | 7300076 | SOLENOID VALVE |
| 19 | 7300075 | DOUBLE-CHECK VALVE |
Troubleshooting
| PROBLEM | CAUSE | SOLUTION |
| 1. Low/Slow Production | Low Water Pressure | Assure a minimum of 40psi incoming water pressure. Watts sells a booster pump if home water pressure is low. Make sure water supply is turned on and Adapt-A-Valve™ is all the way open. |
| Crimps in tubing | Check tubing and straighten or replace as necessary. | |
| Clogged pre-filters | Replace pre-filters. | |
| Fouled membrane | Replace membrane and flow restrictor. | |
| 2. Milky colored Water | Air in system | Air in the system is a normal occurrence with initial start up of the RO system. This milky look will disappear during normal use within 1-2 weeks. If condition reoccurs after filter change, drain tank 1 to 2 times. |
| 3. Water constantly running, unit will not shut off | Low water pressure | See #1 Above |
| Crimp in supply tube | Check tubing and straighten or repair as necessary. | |
| 4. Noise / Water from faucet vent hole or noise from in drain line drain. | Crimp or restriction | Check tubing and straighten or repair as necessary. Straighten all drain lines. Clear blockage. Cut off any Excess tubing |
| Drain tube clogged | Caused from dishwasher or garbage disposal. Disconnect the 3/8″ black line at the drain, clean the 3/8″ black line out with a wire, then reconnect. Blowing air through the line will not always remove the clog. | |
| 5. Small amount of water in storage tank | System starting up | Normally it takes 4-6 hours to fill tank. Note: low incoming water pressure and/or temperature can drastically reduce production rate. |
| Low water pressure | See #1 above. | |
| To much air in tank | Tank air pressure should be 5-7psi when empty of water. If below 5psi, add air or bleed if above 7psi. Check only when tank is empty of water. See previous page. | |
| 6. Water leaks from the filter membrane housing | Not properly tightened | Re-insert the filter / membrane housing. |
| 7. Low water flow from faucet | Check air pressure in tank | Use a Digital Air Gauge for best results. The empty tank pres- sure should be 5-7 psi. To reset the air pressure in the tank, turn off water supply and drain tank by opening faucet. When water stops flowing out of the faucet. Remove schrader valve cover pump air into tank until water stops flowing from the faucet. Release the air out of the schrader valve until you reach 5-7 psi. Replace schrader valve cover. Turn on Water. |
Arsenic Facts
Arsenic (As) is a naturally occurring contaminant found in many ground waters. Arsenic in water has no color, taste or odor. It must be measured by an arsenic test kit or lab test.
Public water utilities must have their water tested for arsenic. You can obtain the results from your water utility contained with in your consumer confidence report. If you have your own well, you will need to have the water evaluated. The local health department or the state environmental health agency can provide a list of test kits or certified labs.
There are two forms of arsenic: pentavalent arsenic (also called As
(V), As (+5)) and trivalent arsenic (also called As (III), As (+3)). In well water, arsenic may be pentavalent, trivalent, or a combination of both. Although both forms of arsenic are potentially hazardous to your health, trivalent arsenic is considered more harmful than pentavalent arsenic.
RO systems are very effective at removing pentavalent arsenic. A free chlorine residual will rapidly convert trivalent arsenic to pentavalent arsenic. Other water treatment chemicals such as ozone and potassium permanganate will also change trivalent arsenic to pentavalent arsenic. A combined chlorine residual (also called chloramine) where it does convert trivalent arsenic to pentavalent arsenic, may not con-vert all the trivalent arsenic in to pentavalent arsenic. If you get your water from a public water utility, contact the utility to find out if free chlorine or combined chlorine is used in the water system.
This Watts reverse osmosis system is designed to remove up to 98% of pentavalent arsenic. It will not convert trivalent arsenic to pentavalent arsenic. Under laboratory standard testing conditions, this system reduced 0.30 mg/L (ppm) pentavalent arsenic to under 0.010 mg/L (ppm) (the USEPA standard for drinking water). Actual performance of the system may vary depending on specific water quality conditions at the consumer’s installation. In addition to the independent laboratory standard testing conditions Watts has conducted additional field testing on our reverse osmosis units to determine trivalent arsenic reduction capabilities. Based upon Watts field testing, it has been determined that the RO units are capable of reducing up to 67% of trivalent arsenic from the drinking water.
The RO membrane component of this Watts reverse osmosis system must be maintained according to its recommended maintenance cycle. Specific component identification and ordering information can be found in the installation/operation manual maintenance section, by phone at 1-800-224-1299 or online www.watts.com
LIMITED WARRANTY: Certain Watts Pure Water products come with a limited warranty from Watts Regulator Co. Other products may have no warranty or are covered by the original manufacturer’s warranty only. For specific product warranty information, please visit www.watts.com or the published literature that comes with your product. Any remedies stated in such warranties are exclusive and are the only remedies for breach of warranty. EXCEPT FOR THE APPLICABLE PRODUCT WARRANTY, IF ANY, WATTS MAKES NO OTHER WARRANTIES, EXPRESS OR IMPLIED. TO THE FULLEST EXTENT PERMITTED BY APPLICABLE LAW, WATTS HEREBY SPECIFICALLY DISCLAIMS ALL OTHER WARRANTIES, EXPRESS OR IMPLIED, INCLUDING BUT NOT LIMITED TO THE IMPLIED WARRANTIES OF MERCHANTABILITY AND FITNESS FOR A PARTICULAR PURPOSE, AND IN NO EVENT SHALL WATTS BE LIABLE, IN CONTRACT, TORT, STRICT LIABILITY OR UNDER ANY OTHER LEGAL THEORY, FOR INCIDENTAL, INDIRECT, SPECIAL OR CONSEQUENTIAL DAMAGES, INCLUDING, WITHOUT LIMITATION, LOST PROFITS OR PROPERTY DAMAGE, REGARDLESS OF WHETHER IT WAS INFORMED ABOUT THE POSSIBILITY OF SUCH DAMAGES.
USA: T: (800) 224-1299
F: (978) 794-1848
Watts.com/PureWater
Canada: T: (888) 208-8927
F: (905) 481-2316
Watts.ca/PureWater Latin
America: T: (52) 55-4122-0138
Watts.com/PureWater






















