APEC WATER 850013145270 ROTL-AIO Tankless Reverse Osmosis System

Product Information
The product is an all-in-one, one stage/tankless reverse osmosis drinking water system. It includes a composite reverse osmosis filter cartridge and an RO faucet set with tubing. The filtration process removes dust, particles, rust, chlorine, odors, cloudiness, colors, VOCs, chemicals, heavy metals, fluoride, bacteria, viruses and more from city or well water to produce purified drinking water. The system has a 0.0001 micron rated membrane filter cartridge and comes with an installation manual.
Product Usage Instructions
- Read the operating manual carefully before using the product and keep it properly for future reference.
- Check the parts list to ensure all components are present before starting installation.
- Review the safety precautions listed in the manual before installation.
- Prepare for installation by ensuring the feed water source is safe and of adequate quality. Install the feed water adapter and RO faucet according to the instructions provided.
- Install the RO system and filter cartridge as directed in the manual. Install tubing and drain saddle according to instructions.
- Illustrations of a completed installation are provided in the manual for reference.
- Flush the system before use for the first time.
- Refer to the indications and operations section of the manual for information on light display and filter cartridge reset.
- Routine maintenance, service and support, troubleshooting, and error light status and solutions are provided in the maintenance and troubleshooting section of the manual.
Read the Operating Manual carefully before use the product. Keep the Operating Manual properly for future reference.
THINGS YOU MUST KNOW
Your product must be installed accordance with the installation guidelines described in the Product Installation and Operating Manual (hereinafter referred to as the owner’s manual). You should use the reverse osmosis system in accordance with the instructions in the owner’s manual. Otherwise, the company does not assume any economic and legal liabilities for any property damage or even any personal injury arising from product damage or water leakage caused by failure to install and use the reverse osmosis system according to the requirements of the owner’s manual.
- Before use, please confirm that the applicable voltage of the reverse osmosis system is consistent with the actual voltage used by users.
- The reverse osmosis system should be installed on a solid floor and the system should not be mounted or hung after it has been assembled.
- This reverse osmosis system is designed for home use. Please contact the manufacturer for use in other applications.
- If the power cord, plug or reverse osmosis system is damaged, do not continue to use the unit. You should immediately contact APEC customer support team for proper maintenance.
- To properly maintain your APEC drinking water system, please use only genuine APEC Water replacement filters and parts. Any system performance issues, problems, property damage or loss caused by the use of unauthorized filters, parts, or accessories are not covered by warranty.
- Do not use this system under the following situations:
- When you find the reverse osmosis system is damaged
- When you find the power cord or plug is damaged
- When you find the water in the reverse osmosis system keeps overflowing
- Regularly check and inspect whether the power supply and electrical wires are loose or damaged, avoid damages caused by faulty wires.
- Do not disassemble or modify the reverse osmosis system without manufacturer approval, which may result in water leaks or property damage.
- Any malfunction caused by improper use or system modifications will not be covered by the warranty.
- Do not pull the power cord with force when removing the plug.
SAFETY PRECAUTIONS
WARNING
- The feed water of the reverse osmosis system should be from your city tap water or microbiologically safe and adequately disinfected water.
- The required water pressure is 30-100 psi. If the inlet water pressure exceeds 100 psi, a pressure reducer (purchased separately) must be installed.
- The required tap water temperature is 41°F-100°F. If the water temperature exceeds 100°F, the seals may be damaged causing water leaks. When water temperature falls below 41°F, please turn off the water supply line and drain the water from the reverse osmosis system. If the water supply line or the reverse osmosis system freezes, failure and damage to the housing, internal tubing rupture, or water leaks may occur.
- Do not reverse the installation order of the filter cartridges of the reverse osmosis system, or the nor-mal function of the system will be affected.
- Inlet and outlet water tubing connections must be correct, so it does not affect the normal operation of the reverse osmosis system.
- Do not plug or unplug the power plug with wet hands or wet surroundings to avoid the risk of electric shocks
- Do not disassemble, modify or place heavy objects on the reverse osmosis system to avoid damage to the system.
CAUTION
- Do not install the reverse osmosis system in a place exposed to direct sunlight or hazardous chemicals, or a place where it may fall, be bumped or damaged, etc.
- Do not install the reverse osmosis system in the vicinity of any heat source.
- Clean the reverse osmosis system with water. Do not use steel wool, abrasive detergents or corrosive liquids (such a s gasoline or acetone) for system cleaning.
- When cleaning, do not introduce other liquids into the filter cartridges as the system of the filter cartridges may be damaged.
- Keep the drain tube unobstructed to avoid damage to the filter cartridges or internal components of the reverse osmosis system.
- When the sewer is clogged, do not use the reverse osmosis system. Please turn off the power to avoid the drain water from the system wetting the floor.

PRODUCT SPECIFICATIONS
INSTALLATION REQUIREMENTS
- Installation location: Residential households (indoors)
- Tap water source: Only using city or well water. Do not use supply water that is microbiologically unsafe or of unknown quality without adequate disinfection before or after the system.
WATER TREATMENT PROCESS

FILTRATION PERFORMANCE
| FILTER CARTRIDGE | FILTRATION PERFORMANCE |
| All-In-One composite reverse osmosis filter cartridge | The membrane filter cartridge is 0.0001 micron rated which is de- signed to removes dust, particles, rust, chlorine, taste odors, cloudi- ness, colors, VOCs, other chemicals, heavy metals, fluoride, bacteria, viruses and more. |
SPECIFICATIONS
| System dimensions | 5¾” W x 11¾” D x 17½” H |
| Power supply specifications | 100-240 V 50/60 Hz |
| Feed water pressure | 30-100 psi |
| Tap water temperature | 41°F-100°F |
| Purified water output flow1 | 0.42 gpm |
| Total purified water volume2 | Up to 1056 gallons (depending on actual tap water quality) |
| Tap water source | City/well water only |
| Tap water quality | <1000 ppm |
- The purified water output flow is based on 77°F water temperature.
- Depending on actual tap water quality and usage, the total purified water volume will vary.
SYSTEM DESIGN

INSTALLATION INSTRUCTIONS
PREPARATION BEFORE INSTALLATION
- Electricity is needed for the system.
- Determine where system is to be installed.
- Check the parts list to make sure that all accessories are complete.
- Prepare the tools needed during installation.

INSTALLATION OF THE FEED WATER ADAPTER
- Locate the cold water supply valve under the kitchen sink (the round or oblong handle on the right side). Turn off the incoming cold water completely by turning the shut off handle clockwise.
CAUTION
- The RO system must be connected to the COLD water supply only!
- If the cold water shut off valve can not turn off the water, the main water supply to the house must be shut off for the installation. Another option for feed water adapter connection is to use a “self-piercing saddle valve” from APEC or from a local hardware store.
Feed water adapter (1/2” to 3/8”):

If your pipe has a 1/2” connection
By attaching the 1/2” x 9/16” converter (b) to the male end of the water supply adapter (a), you now have a 1/2” male and female water supply adapter.
If your pipe has a 3/8” connection
By attaching the 1/2” x 9/16” converter (b) to the female end of the water supply adapter (a), you now have a 3/8” male and female water supply adapter.

Install the white tubing on feed water adapter and tighten it with the adjustable wrench (do not remove the gasket on the cold water line during installation).

Recommend connection for flex line riser:
Loosen nut and separate cold water riser tube from shut off valve. Gently bend riser tube so that the feed water adapter fits onto the shut off valve. Connect the riser tube, feed water adapter, and shut off valve together and tighten.

For solid copper riser:
Follow the same procedure as for flex line. If the copper riser cannot bend, this it’s best to replace it with a flex line riser. Fit the feed water adapter to the shut off valve the same way as described above.
Option connection point:
The feed water adapter can also be installed between the riser tube and faucet shank. Loosen nut and separate cold water riser tube from faucet shank. Gently bend riser tube so that the Feed Water Adapter fits onto the faucet shank. If your riser tube has no built-in washer, then fit the coneshaped washer provided onto the riser tube. Connect the riser tube, feed water adapter, and faucet shank together and tighten.

INSTALLATION OF THE RO FAUCET
Select an appropriate installation position in a sink or on a countertop and install it on a flat surface with proper hole size min 1/2” D to 1-1/4” D.
- Mount the faucet as shown in the diagram.
- Attach union connector to the faucet metal stem. No teflon tape is needed here.
- Connect the blue tubing to the faucet.
- The faucet has a solid metal handle that controls the flow of purified water exiting the faucet. Turn the handle to horizontal position to release the water and vertically to shut off.

INSTALLATION OF THE RO SYSTEM
Determine the location and product placement according to the installation environment.

CAUTION
A leak detector is built into the bottom of the unit. Please keep the unit in the upright position. DO NOT lay the product on one of its side as it can affect the leak detector alarm function.
FILTER CARTRIDGE INSTALLATION
- Tear off the warning label on the cartridge installation port of the unit and make sure there is no foreign matter at the cartridge installation port.
- Insert the filter cartridge into the filter cartridge installation port at the bottom.
- Screw it into the unit clockwise as shown below.

CAUTION
To install the filter cartridge, align the arrow
on the top of the filter cartridge to the unlock
position.
Insert the filter cartridge and rotate it 90 °clockwise. When the arrow
on the handle of the filter cartridge is aligned with the lock
position on the top of the unit, then the filter cartridge is secured properly.
TUBING INSTALLATION 
Tube cutting
The plastic tubing outer tip should be a clear and smooth cut as shown below:

CAUTION
- The cuts on the plastic tubing must be a clear and smooth cut without any burrs affecting the quick connect connection port.
- Make sure that the tubing has a clear and smooth cut at the tubing tip and the tubing connection is securely pushed in when connected into the collet rings to prevent water leak.
Installation of the quick connect locking clips
Insert one end of the plastic tubing into the quick connect port on the main unit. After installing the tubing securely into the quick connect port, pull the tubing upwards and install the locking clip under the collet ring.

Installation of the inlet tap water tubing
- If needed, use a tubing cutter to cut an appropriate length of the white 3/8” tubing;
- Thread one end of the white 3/8” tubing through the metal nut and then connect feed water adapter. Tighten the metal nut with the adjustable wrench;
- Insert the other end of the white 3/8” tubing into the water inlet
After the tubing is pushed in securely, insert 3/8” locking clip behind the collet ring.

Installation of the pure water tubing
- Insert the other end of the blue tubing on the RO faucet into the water outlet of the reverse osmosis system
; - After the tubing is pushed in securely, insert the 1/4” locking clip behind the collet ring.

Installation of the drain water tubing
- Insert one end of the red tubing into the drain water output of the reverse osmosis system the tubing is pushed in securely, insert the 1/4” locking clip behind the collet ring;
- Connect the other end of the tuning to the drain pipe.

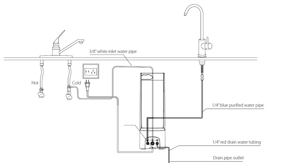
ILLUSTRATION OF THE COMPLETED INSTALLATION

CAUTION
- After the drain connection is completed, open the tap water inlet ball valve and check for leaks.
- The drain water output tubing must be connected to the drain pipe. Do not use a water storage device to collect the drain water to prevent water spilling during the reverse osmosis system autonomous flushing.
DRAIN SADDLE INSTALLATION
There is constant water pressure “packed” inside the RO system which blocks the drain water from backing-up into the system. So the drain water is “forced-drained”, not “gravity-drained”.
- The drain saddle assembly should be installed above the trap and on the vertical or horizontal tail- piece. To reduce the drainage noise, mount the drain line as low as possible above the trap, or on the horizontal tailpiece.

- Next, align and install the drain saddle clip with the tubing connection port onto the black sponge. This will cushion any gap between the saddle and the pipe. Make sure the hole on the sponge is thoroughly punched out, and is aligned to the hole on the saddle to complete the installation.

- Make sure to align the drain saddle hole to the drilled hole perfectly. Mis-aligning these two holes will block the drain water and cause membrane damage. Attach the drain saddle to the drain pipe and tighten the two screws evenly.
- Once the drain saddle is secured, push 1/4” black drain tubing into the Quick Connect fitting on the saddle. DO NOT use an “Insert” on the drain tubing.

CAUTION
- DO NOT REMOVE the black drain tubing from the RO system! If you need to extend the drain tubing please use a union connector to connect additional length of tubing.
- To avoid possible drainage noise, mount drain line as low as possible on the vertical tailpiece, or on horizontal tailpiece.
FLUSH BEFORE USE FOR THE FIRST TIME
Turn on the power and let the filters flush for 5 minutes. Then turn on the drinking faucet to let water flow for 30 minutes until water is clean. The indicator light blinks red when flushing, and changes to steady blue once it is complete.
CAUTION
- On system startup, please make sure all of the tube connections are secured and connected correctly. Use a paper towel to wipe all the connection points to make sure there are no water.
- After the filters flush has completed, please turn off the drinking faucet and make sure there are no leaks. This completes the start up process of the unit for usage.
INDICATIONS AND OPERATIONS
LIGHT DISPLAYS
| STATUS | LIGHT STATUS | INSTRUCTIONS |
| Tap water inlet | Blue light is lit constantly. | Filter cartridge is working normal. |
| Yellow light is lit constantly. | Filter cartridge needs to be replaced soon. | |
| Red light is lit constantly. Machine is beeping. | Filter cartridge needs to be changed immediately. | |
| Standby | Light is off. | No water is used at the time, so the system stops producing water and enters into standby mode. |
| Flush | Red light is flashing. | Each time when the system is turned on, it will flush the filter cartridge for 20 seconds. |
| If the RO pump works for 2 hours, the system will flush the filter cartridge for 20 seconds. | ||
| If the system is not used for 24 hours, it will flush the filter cartridge for 20 seconds. | ||
| Error | Light indicator is flashing. Machine is beeping. | Please refer to the maintenance and troubleshooting section. |
RESET THE FILTER CARTRIDGE
Reset the filter cartridge following the steps:
- Long press the Reset key for 5 seconds, the buzzer will beep, the filter cartridge will be reset and the display light will flash.
- Press the Reset key again for another 5 seconds to reset the filter cartridge life. When the reset is successful, the blue light is on and the buzzer beeps once.
- Turn on the drinking faucet to let water flow for 30 minutes until water is clean.

CAUTION
- The filter cartridge can be reset after 60 seconds of power-on.
- Once the reset is complete, the system automatically enters into the flushing mode, and the display light flashes red.
- System will automatically exit the setting mode after no operation for more than 10 seconds.
MAINTENANCE AND TROUBLESHOOTING
ROUTINE MAINTENANCE
If the reverse osmosis system is not used for more than one week, seal the filter cartridge in a clean, air seal bag and store it in a lower compartment of the refrigerator. When the system is used next time, install the filter cartridge and turn on the tap water for about 10 minutes before using again. Otherwise, the filter cartridge should be replaced before the system is used again.
Filter cartridge replacement steps:
- Open the drinking faucet and turn off the supply water to the system. When pure water stops from the drinking faucet, unplug the power adapter.

- Unscrew the existing filter cartridge counterclockwise and relieve the pressure.

- Screw on the new filter clockwise into the system.

- Reconnect the power adapter and turn on the supply water to the system. After replacing the new filter, please flush the filter properly before using the drinking water.
- Reset the filter cartridge life.
CAUTION
- Replace the filter cartridge only with genuine APEC Water filter.
- The actual filter cartridge life will depend on the local tap water quality and your daily usage.
- The recommended filter cartridge replacement time is an average based on normal water quality and usage conditions. If the local water quality is more unique with high levels of impurities, actual filter life will differ from the recommended replacement time. If the filter is clogged, please replace the filter cartridge according to the actual usage life.
MAINTENANCE
The filter cartridge should be replaced every 12- 18 months.
- Recommended filter capacity and replacement time may vary according to actual water quality and usage.
- The estimated filter cartridge life is based on most normal tap water quality and residential drinking usage.
SERVICE AND SUPPORT
If the reverse osmosis system is not working normally, please review our troubleshooting and solutions guide below. If the issue cannot be resolved, please contact our customer service for support.
TROUBLESHOOTING AND SOLUTIONS
| ISSUES | CAUSES | SOLUTIONS |
| Water leak | Tubing is not inserted securely, or the tubing outer tip needs to be made a clear cut so it is smooth. | Re-install tubing |
| Feed water adapter is leaking. | Re-install feed water adapter | |
| No display | No electricity | Check if there is electricity at the outlet using another electrical item |
| the system automatically shuts down | Booster pump stops working. | Refer to the error light status and solutions below |
| The booster pump starts and stops frequently. | Refer to the error light status and solutions below | |
| The water leak protector has detected leaking water. | Refer to the error light status and solutions below | |
| Booster pump running loud | Low inlet pressure or low inlet water flow | Make sure the cold water is turned on all the way to the system, take the feed adapter out to check inside the screen to make sure there is no blockage, check the input tap water pressure meets the requirements of the product working pressure. |
| The machine is being flushed (first time powering on, during operation, filter replacement, etc). | This is normal. The running sound will return to normal at the end of flushing. | |
| Low purified water flow | No tap water is entering the system. | Confirm cold supply water is turned on all the way to the system. |
| Low water flow from the drink- ing faucet | Filter cartridge may need to be replaced. Contact APEC Water for assistance. |
ERROR LIGHT STATUS AND SOLUTIONS
If the following light display status appears while performing troubleshooting and solutions, please follow the causes and solutions below to help take care of the issue. If the issue persists after following our causes and solutions steps, please contact customer service for support.
| LIGHT INDICATOR | BUZZER | CAUSES | SOLUTIONS |
| Blinks red | Short 3 drops, stop for 4 seconds, last for 3 minutes. | Water leakage is detected for 3 consecutive seconds. | Dry up any leaks near the system and it should work normally in 10 minutes. Please contact APEC if alarm continues to sound. |
| Blinks yellow | Beep for 1 second, stop for 4 seconds, last for 3 minutes. After 3 minutes, the system will stop the pump and shut down due to protection. | Pump is continuouly running for more than 30 minutes. | Forgot to close the drinking faucet or there is a water leakage in the tube lines. Once this is fixed, please power on the system again. |
| Blinks blue | Beep for 1 second and stop for 2 seconds. After beeping for 5 times, the machine will stop working. | Pump frequently starts and stops for more than 20 minutes. | The drinking faucet is not closed tight and there is water dripping. After troubleshooting, power on the system again. |
LIMITED PRODUCT WARRANTY
Scope
APEC takes pride in selling a superb line of products, including this reverse osmosis system (“Product”). As such, APEC expressly warrants to the original purchaser that, for a period of one (1) year from the date of purchase, the Product will be reasonably free of defects in materials and workmanship. Within that one (1) year period from the original purchase, APEC will, at its option, repair or replace the Product without charge, or refund the cost of the Product, if the Product fails or does not perform as warranted solely due to a manufacturing defect within the warranty period, subject to the limitations and exclusions set forth in this Limited Product Warranty. This Limited Product Warranty only applies when the Product is used, stored, handled, fabricated and/or installed in the manner recommended by APEC in the Installation Instruction & Owner’s Manual (“Manual”).
Repair or Replacement
Repair or replacement during this one (1) year warranty shall include reasonable labor charges necessary to repair or replace the defective Product, but shall not include freight charges or any other local labor charges from third parties other than APEC, unless APEC expressly approves such charges in writing. During the entire one (1) year warranty, APEC’s obligation to repair or replace shall further be limited to repair or replacement with the styles, models, prod-ucts, colors, etc. of the Product that are available at the time of the repair or replacement, and shall be limited to the repair or replacement of only the specific Product that fails due to a manufacturing defect. Any repaired or replaced product shall also remain subject to the original one (1) year warranty from the date of the original purchase, and any repair or replacement shall not extend the original warranty period in any manner or start a new warranty period.
Conditions of Validity of this Limited Product Warranty
Even though the Product has extremely high endurance for operating conditions such as pH, maximum TDS, tem-perature, and optimum water pressure,
THIS LIMITED PRODUCT WARRANTY SHALL ONLY BE VALID IF:
- The replaceable filters and membrane are changed and maintained on a regular basis as directed in the Manual. Moreover, depending on local water input water quality, regular maintenance may need to be increased.
- The Product is operated within the confines of the following standard operating conditions:
Water Pressure pH Range Max. TDS Water Temperature Standard System 30-100 psi 6.5-8.5 1000 ppm 41°-100°F
Any information or suggestion by APEC with respect to the Product concerning applications, specifications or compliance with codes and standards is provided solely for your convenient reference and is made without any representation as to accuracy or suitability. You must verify and test the suitability of any information with respect to the Product for your specific application.
Non-Covered Defects
THIS LIMITED PRODUCT WARRANTY DOES NOT COVER DEFECTS CAUSED BY:
- Improper storage, installation, maintenance, handling, use and/or alterations of the Product, including, but not limited to, non-compliance with the installation, maintenance and standard operation conditions stated in the Manual and this Limited Product Warranty.
- Unreasonable use, unintended use, or misuse of the Product for something other than its intended purpose as a reverse osmosis system.
- Use of replacement parts, filters, membranes or other accessories that are not sold or manufactured by APEC for use with this particular Product.
- Damage not resulting from manufacturing defects that occur while the Product is in the original purchaser’s possession.
- Installation of the Product with known or visible manufacturing defects at the time of installation.
- Damage caused by freezing, flood, fire or Act of God.
CONDITIONS THAT RENDER THIS LIMITED PRODUCT WARRANTY VOID
THIS LIMITED PRODUCT WARRANTY DOES NOT COVER DEFECTS CAUSED BY:
- The Product is not operated in compliance with normal municipal water conditions for which the particular model of this Product is intended.
- The person seeking to invoke the warranty is not the original purchaser. That is, this Limited Product Warranty only extends to original purchasers.
- The product is purchased used. That is, this Limited Product Warranty only covers new products.
- The Product is purchased from someone other than APEC or one of APEC’s authorized dealers. This is because, unless the Product was sold by APEC or one of its authorized dealers, APEC cannot verify or guarantee the integrity or authenticity of the Product.
General Conditions
The warranties set forth herein are the only warranties made by APEC in connection with the product. APEC cannot and does not make any implied or express warranties with respect to the product, and disclaims all other warranties, including, but not limited to, any warranty of merchantability or fitness for a particular purpose. Products sold by APEC are sold only to the specifications specifically set forth by APEC in writing. Other than the limited product warranty set forth herein, APEC makes no other warranties, express or implied. APEC’s sole obligation under this warranty shall be repair or replacement of a non-conforming product or parts of the product, or at the option of APEC, return of the product and a refund of the purchase price. Buyer assumes all risk whatsoever as to the result of the use of the product purchased, whether used singularly or in combination with any other products or substances.
No claim by the buyer/owner of any kind, including claims for indemnification, shall be greater in amount than the purchase price of the products in respect to which damages are claimed. In no event shall APEC be liable to buyer/owner in tort, contract or otherwise, for any special, indirect, incidental, consequential, reliance, statutory, special, punitive or exemplary damages, including, but not limited to, lost profits, loss of use, loss of time, inconvenience, damage to good will or reputation, or loss of data, even if advised of the possibility of such damages or such damages could have been reasonably foreseen, in connection with, arising out of, or as a result of, the sale, delivery, servicing, use or loss of use of the products sold hereunder, or for any liability of buyer to any third party with respect thereto.
Obtaining Warranty Coverage or General Inquiries
If coverage is available, you may obtain coverage under this Limited Product Warranty by providing APEC with proof of original purchase, and that you are the original purchaser. For service under this Limited Product Warranty, you must notify APEC by phone at 1-800-880-4808, by email at [email protected], or in writing at 301 Brea Canyon Road, City of Industry, CA 91789. In making the claim, please provide your name, address, phone number, a description of the product involved, and an explanation of the defect.
California Proposition 65 Warning
WARNING:
This product contains chemicals known to the State of California to cause cancer or birth defects or other reproductive harm. For more information go to www.P65Warnings.ca.gov.
www.FreeDrinkingWater.com
301 Brea Canyon Road
City of Industry, CA 91789
1-800-880-4808

;















