
![]()
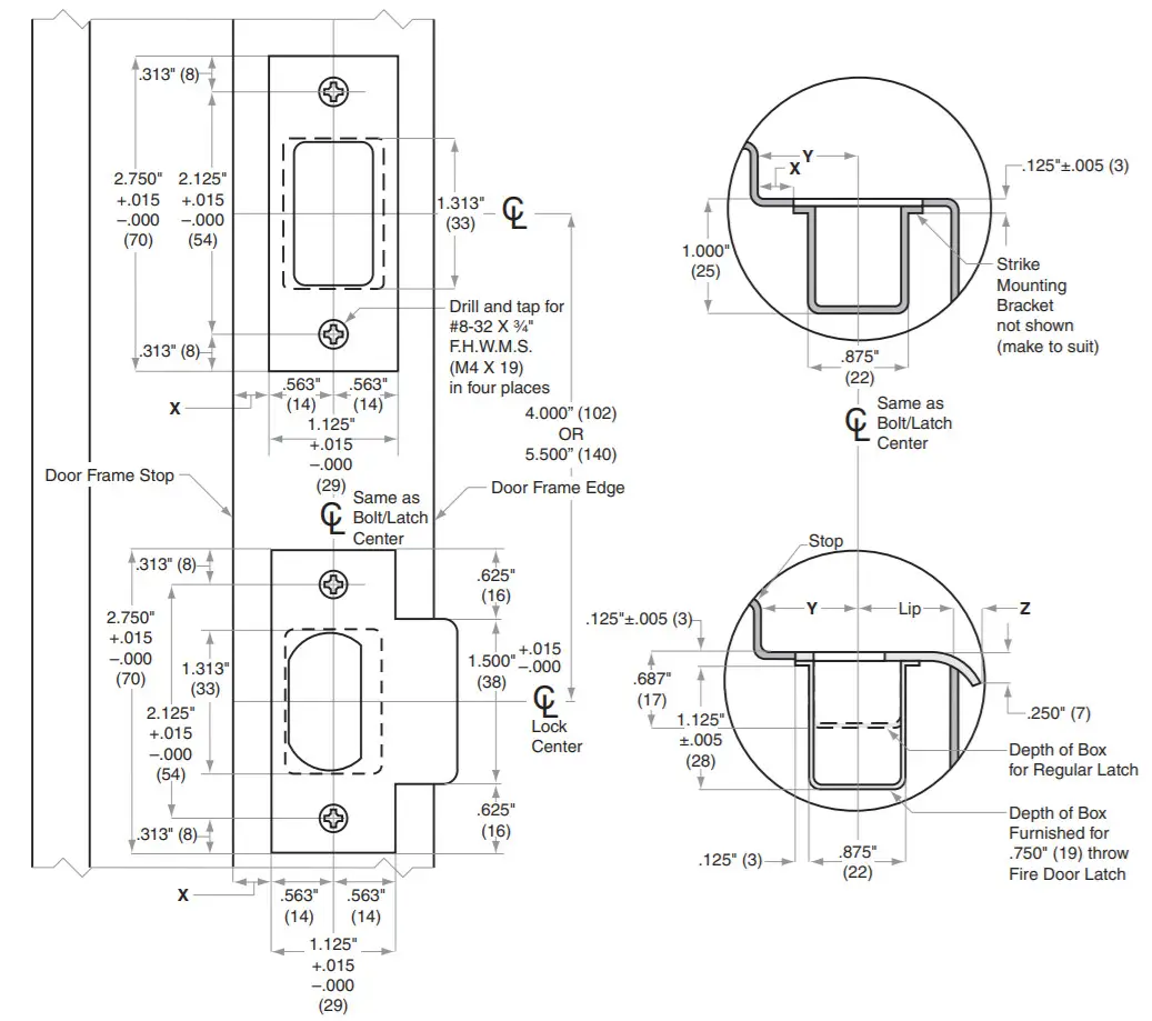
Strikes
Model 10-109 = 10-094×10-001
Jamb Type: Metal
Style: Combo Square corner, box 1¹⁄8” x 2³⁄4”, T Strike, Square corner, box, 1¹⁄8” x 2³⁄4”
Standard for: S200
Optional for: CS210
NOTES:
- Dimensions X , Y, and Z are variables dependent on door thickness.
- Strike locations on frames must be adjusted for the thickness of door silencers when used.
- Curved strike extension beyond jamb at Z must not be less than ³⁄₁₆” (5) to ensure the proper functioning of the latch bolt.
- 1¹⁄₈” (29) lip length for 1³⁄₈” (35) to 1³⁄₄” (44) doors. Other lengths are available.

Dimensions shown in parentheses () are in millimeters.
Door preparation template
J940© 2021 Allegion
J940 Rev. 02/21
www.allegion.com/us



















