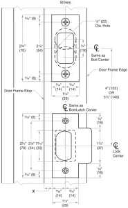
ALLEGION Schlage Strike 10-109 Wood Door

Strikes
Model 10-109 = 10-094×10-001
Jamb Type: Wood
Style: Combo Square corner, box 1¹/8″ x 2³/4″, T Strike, Square corner, box, 1¹/8″ x 2³/4″
Standard for: S200
Optional for: CS210
NOTES:
- Dimensions X , Y and Z are variables dependent on door thickness.
- Strike locations on frames must be adjusted for thickness of door silencers when used.
- Curved strike extension beyond jamb at Z must not be less than ³/” (5) to ensure proper functioning of latch bolt.
- 1¹/” (29) lip length for 1³/” (35) to 1³/” (44) doors. Other lengths available.
Dimensions


Dimensions shown in parentheses () are in millimeters.
© 2021 Allegion J939 Rev. 02/21 www.allegion.com/us














