MITSUBISHI ELECTRIC MAC-100FT-E Plasma Quad Connect Instruction Manual
About Plasma Quad Connect
Some room air conditioners cannot be attached to the Plasma Quad Connect. Please make sure the room air conditioner can be used before attempting to attach it.
Safety precautions
- Read all Safety Instructions before using this device.
- This manual contains important safety information. Be sure to comply with the instructions.
- After installing the Plasma Quad Connect, provide this Installation Manual to the user. Instruct users to store it with their room air conditioner Instruction Manual and Warranty in a safe location.
[Precautions for installation]
Warning
Improper handling may have serious consequences, including serious injury or death.
- End user should not install the Plasma Quad Connect, it is designed for Professional installation only. Improper installation may result in fire, electric shock, or damage/water leaks if the Plasma Quad Connect unit falls. Consult the dealer from whom you purchased the unit or professional installer.
- The Plasma Quad Connect should be securely in-stalled in accordance with the enclosed Installation Instructions. Improper installation may result in fire, electric shock, or damage if the Plasma Quad Connect unit falls.
- The unit should be mounted in a location that can support its weight. If installed in an area that cannot support the unit, the Plasma Quad Connect unit could fall and cause damage.
- Mount so that an external force and stresses are not transmitted to the terminal connection by the wiring. Improper connection and mounting may result in breaking, heat generation, smoke generation, or fire.
- Securely attach the cover to the Plasma Quad Connect unit. If the cover of the Plasma Quad Connect unit is not securely attached, dust or water penetration could occur, resulting in a fire or electric shock.
- The Plasma Quad Connect unit should be connect-ed to power supply of the correct rating. Connecting greater than the rated voltage may result in damage or fire.
- Mitsubishi components or other designated compo-nents must be used for installation. Improper component may result in fire, electric shock, or damage/water leaks if the Plasma Quad Connect unit falls.
- Electric work must be performed by a qualified electrical engineer and/or authorized personnel ac-cording to the local regulations and the instructions detailed in the installation manual. Inadequate circuit capacity or improper installation may result in electric shock or fire.
- This appliance is not intended for use by persons (including children) with reduced physical, sensory or mental capabilities, or lack of experience and knowledge, unless they have been given supervision or instruction concerning use of the appliance by a person responsible for their safety.
- This appliance shall be installed in accordance with national wiring regulations.
- If the supply cord is damaged, it must be replaced by the manufacturer, its service agent or similarly qualified persons in order to avoid a hazard.
Caution
Improper handling may have consequences, including serious injury or damage to building.
- To prevent damage from static electricity, touch a nearby metal body to discharge static electricity before touching the Plasma Quad Connect unit. Static electricity from the human body may damage the Plasma Quad Connect unit.
- Do not install the Plasma Quad Connect unit a place with much steam, such as bathroom. Avoid places where water is splashed or where condensation forms on walls. Installing in such places can cause electric shock or breakdown.
- Do not install the Plasma Quad Connect unit in places with direct sunlight or where the ambient temperature is 40 °C (104 °F) or more or is 0 °C (32 °F) or less. Direct sunlight and hot or low temperature environments may cause the Plasma Quad Connect unit to deform or breakdown.
- Do not use in special environments. Use in places with much oil (including machine oil), steam, or sulfuric gas may lead to severe decrease in functionality and damage to parts.
- Turn off power supply of connected equipment when performing construction or wiring work. Failure to turn off the power supply of the connected equipment may lead to malfunction or breakdown of the Plasma Quad Connect unit or connected equipment.
- Install an earth leakage breaker depending on the installation place. If an earth leakage breaker is not installed, it could cause electric shock.
[Precautions for setting up, or use of the Plasma Quad Connect]
Meanings of symbols used in this manual
Be sure not to do.
Never splash water on the unit
Never touch with wet hand.
Be sure to follow the instruction.
Warning
Improper handling may have serious consequences, including serious injury or death.
- Do not disassemble, modify, or repair by yourself (user). It can cause electric shock, fire, or injury.
- This appliance is not Intended for use by persons (including children) with reduced physical, sensory or mental capabilities, or lack of experience and knowledge, unless they have been given supervision or instruction concerning use of the appliance by a person responsible for their safety.
- Children should be supervised to ensure that they do not play with the appliances.
- This appliance can be used by children aged from 8 years and above and persons with reduced physical, sensory or mental capabilities or lack of experience and knowledge if they have been given supervision or instruction concerning use of the appliance in a safe way and understand the hazards involved.
- Children shall not play with the appliance. Cleaning and user maintenance shall not be made by children without supervision.
- Do not install the Plasma Quad Connect nearby the automatic control devices such as automatic doors or fire alarms. It can cause accidents due to malfunctions.
- Do not touch the Plasma Quad Connect with wet hands. It can cause damage to the device, electric shock, or fire.
- Do not splash water on the Plasma Quad Connect or use it in a bathroom. It can cause damage to the device, electric shock, or fire.
- Do not install the Plasma Quad Connect by yourself (user). Improper installation may result in fire, electric shock, or injury due to fall of the Plasma Quad Connect. Consult the dealer from whom you purchased the Plasma Quad Connect or professional installer.
- When the Plasma Quad Connect Is dropped, or the holder or cable Is damaged, disconnect the power supply or turn the breaker OFF. It may cause fire or electric shock. In this case, consult your dealer.
- In case of an abnormal condition (such as a burning smell), stop the Indoor unit and disconnect the power supply or turn the breaker OFF. A continued operation in the abnormal state may cause a malfunction, fire. or electric shock. In this case. consult your dealer.
Caution
Improper handling may have consequences, including serious injury or damage to building.
Do not mount the Plasma Quad Connect where children can reach. it can cause injury- Do not step on unstable stepstool to set up or clean the Plasma Quad Connect. it can cause injury if you fall down
Disposal
To dispose of this product, consult your dealer.
Note:
This symbol mark is for EU countries only.
This symbol mark is according to the directive 2012/19/EU Article 14 Information for users and Annex IX. and/or to the directive 2006/66/EC Article 20 Information for end-users and Annex II.
Your MITSUBISHI ELECTRIC product is designed and manufactured with high quality materials and components which can be recycled and/or reused. This symbol means that electrical and electronic equipment, batteries and accumulators, at their end-of-life, should be disposed of separately from your household waste. If a chemical symbol is printed beneath the symbol (Fig. 1), this chemical symbol means that the battery or accumulator contains a heavy metal at a certain concentration. This will be indicated as follows:
Hg: mercury (0.0005%), Cd: cadmium (0.002%), Pb: lead (0.004%)
In the European Union there are separate collection systems for used electrical and electronic products, batteries and accumulators. Please, dispose of this equipment, batteries and accumulators correctly at your local community waste collection/recycling centre.
Please, help us to conserve the environment we live in!
Product Introduction
Product Introduction
Important
- Dirty filters cause condensation in the air conditioner which will contribute to the growth of fungi such as mold. It is therefore recommended to clean air filters every 2 weeks. (The Plasma Quad Connect does not function for safety for a couple minutes after the operation starts or the cover is opened/closed.)
- Do not disassemble the Plasma Quad Connect.
- Do not touch any parts other than the frame of the Plasma Quad Connect.
Plasma Quad Connect operation
- In the AIR PURIFYING operation, Plasma Quad Connect reduces airborne mold, viruses and allergens.
- Refer to the operation manual of the indoor unit for the remote controller. 0)OFF/ON
- Press
to start AIR PURIFYING operation in conjunction with the indoor unit.
- Press
again to connect AIR PURIFYING operation in conjunction with the indoor unit.
Note
- Never touch the Plasma Quad Connect during operation. Although the Plasma Quad Connect is safety-conscious de-sign, touching this device could be the cause of trouble as this device discharge high voltage electricity.
- A “hissing” sound may be heard during the Plasma Quad Connect operation. This sound is produced when plasma is being discharged. This is not a malfunction.
- It may take up to 3 minutes before the Plasma Quad Connect starts up after pressing
.
Cleaning
Instructions
- Switch off the power supply or turn off the breaker before
- Use only diluted neutral detergents. cleaning.
- Do not use water hotter than 50°C.
- Be careful not to touch the metal parts with your hands.
- Do not expose parts to direct sunlight, heat, or fire to dry.
- Do not use benzine, thinner, polishing powder, or insecticide.
Air filter
- Clean every 2 weeks
- Remove dirt by a vacuum cleaner, or rinse with water.
- After washing with water, dry it well in shade.

Air purifying device (plasma element)
Every 3 months:
- Remove dirt by a vacuum cleaner.
When dirt cannot be removed by vacuum cleaning:
- Soak the air purifying device together with its frame in lukewarm water and rinse it.
- After washing, dry it well in shade.

How to remove the air filter
Remove the COVER_F.
Pull the air filter in the direction of the arrow.
When removing the air filter
When attaching the air filter
The marks
on the COVER_F and the air filter should point at each other when inserting the air filter.
When attaching the air filter
The marks
on the COVER_F and the air filter should point at each other when inserting the air filter.
How to remove the air purifying device
Hold the handle and pull it diagonally upward towards you

| MODEL NAME | Treated Article (Parts name) | Active Substances (CAS No.) | Property | Instruction for Use (Safe handling information) |
| MAC-100FT-E | FILTER | 2-octyI-2H-isothiazoI-3-one (OIT) (26530-20-1) | Antivirus |
|
Parts
| 1 | Plasma Quad Connect(with connecting cable | ![]() | 1 |
| 2 | Installation plate | 1 | |
| 3 | Fixing screw for 1 and 2 4*25 mm | ![]() | 5 |
| 4 | Spacer Note: The spacer is used as packaging material. | ![]() | 1 |
| 5 | Mounting cord clamp* | ![]() | 1 |
| 6 | Cable tie | ![]() | 1 |
| 7 | Screw for mounting 4 • 16 Os (Use when joining room air c | ![]() | 1 |
*Refer to the installation manual of the indoor unit.
Connecting the Plasma Quad Connect
(For details on each system, see the relevant instruction manual.)
A space of 100 mm or more is necessary between the indoor unit and the ceiling to install the product.
Turn off the breaker of the air conditioner before installation.
Refer to the installation manual of the indoor unit for work performed on the indoor unit.
Be sure to follow the instructions in this manual when installing the product. Installation error may cause fire, electrical shock, malfunction or reduction in capacity.
Install the Plasma Quad Connect above the indoor unit at a height of 2 m or higher from the floor.
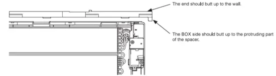
Preparation for the spacer to attach the Plasma Quad Connect
- Divide the spacer into 2 pieces at the connected part. (Fig. 2)


- Fix the spacer A and B with tape and use them when the depth of the indoor unit is less than 200 mm.
Use only the spacer A when it is 200 mm or more. (Fig. 3)
Note: Spacer is used to ensure space to open/close the FRONT PANEL.
Installing the Plasma Quad Connect
- Remove the panel.
- Put the spacer on the top surface of the BOX and fix it with tape temporarily. (Fig. 4)

- Set the center hook of the installation plate @ on the center dented part of the spacer. (Fig. 5)

- Fix the installation plate with screws @ at 3 points. (Fig. 6)
The 2 points indicated with the white arrows4 are used to fix the installation plate and the Plasma Quad Connect together in the step 11).
When board anchors are used, drive them at these 2 points as well.
- Remove the COVER_F, and then the Air Purifying Device. (Fig. 7)

- Remove the screw to remove the COVER_R. (Fig. 8)

There is a hook inside the cover. Pull the corners of the cover outward and at the same time pull it towards you. - Remove the screw to remove the ELECT_COVER. (Fig. 9)

- Connect the cable for CN105 to the indoor unit. (Fig. 10 and Fig. 11)

Note: When another interface has already been connected, wire the devices in the following sequence: the existing interface, Plasma Quad Connect, and the indoor unit. Switch the DIP_SW after wiring. (Fig. 10) Switch the SW11-1 to ON.
The thin part of the connecting cable should be stored and placed where customers cannot touch it.

Fig. 11
Note: Use a 2-core power supply cord (1.0 mm2 ) that is up to a 7 mm and complies with 60245 IEC 57.- Loosen terminal screw, and connect power supply cord correctly on the terminal block.
Be careful not to make mis-wiring. Fix the wire to the terminal block securely so that no part of its core is visible, and no external force is conveyed to the connecting section of the terminal block. - Firmly tighten the terminal screws to prevent them from loosening. After tightening, pull the wires lightly to confirm that they do not move.
- Fix power supply cord with the cord clamp.

- Connect the power supply to the power switch which has a gap of 3 mm or more when open to interrupt the source power phase. (When the power switch is shut off, it must interrupt all phases.)
- Loosen terminal screw, and connect power supply cord correctly on the terminal block.
- Assemble the ELECT_COVER and the COVER_R.
- Attach the 2 hooks at the back side of the Plasma Quad Connect 1 to the installation plate 2. (Fig. 12)
- Fix the Plasma Quad Connect 1 to the wall with 2 screws 3. (Fig. 12)

- Attach the Air Purifying Device, then the COVER_F.
- Run the cable connected to CN105 and the power supply cord to rear side of the indoor unit. (Fig. 13)

Run the connecting cable and power supply cord in the space on the back of the unit as shown in the above figure. Tuck cabling away and secure it.
Note: Make sure that the connecting cable and power supply cord will not get caught on or between the installation plate and the wall, and it will not touch the edge of the installation plate.
Failure to do so may cause damage to the connecting cable resulting in communication problems. - Make sure that the Plasma Quad Connect can be pulled towards the front side of the indoor unit.
Specifications
- Input Voltage: Single Phase AC220 – 240V
- Frequency: 50/60 Hz
- Power consumption: 4 W
- Size H*W*D: 56 * 499.5 *168 mm
- Weight: 1600 g
http://www.mitsubishielectric.com/ldg/ibim/












































