Linear Technology Corporation LTC3448 Demonstration Circuit 840

DESCRIPTION
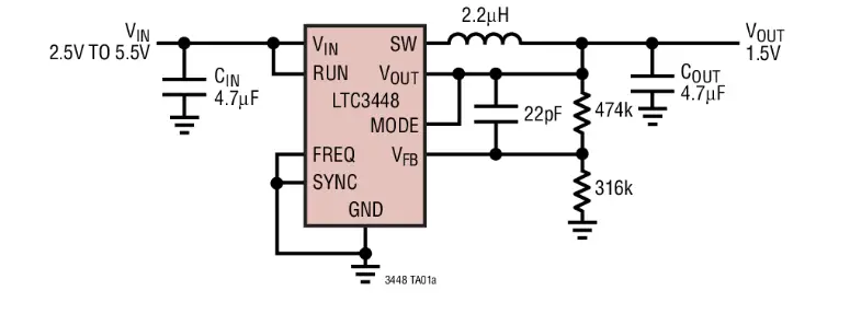
Demonstration circuit DC840 is a step-down converter, using the LTC3448 monolithic synchronous buck regulator.The DC840 has an input voltage range of 2.5V to 5.5V, and is capable of delivering up to 600mA of output current. The output voltage of DC840 can be set as low as 0.6V, the reference voltage of the LTC3448. The DC840 is especially made for noise sensitive applications, due to a unique design that allows the LTC3448 to automatically switch in auto mode – from a switching regulator into a linear regulator at low output currents (In switch-mode, the LTC3448 operates in pulseskipping mode at medium-low output currents). Thisoperation of the LTC3448 maintains low output ripple voltage under all load conditions. There is a mode pin to select auto mode, ON (linear regulator only), or OFF (switching regulator only).
The DC840 is a high efficiency circuit – over 90%, and during shutdown, the DC840 consumes less than 1uA typically. It consumes only 32uA of quiescent current in linear regulation operation. Because of the frequencyselect capability of the LTC3448, the DC840 can operate at fixed frequencies of 1.5 MHz or 2.25 MHz, allowing the exclusive use of low profile surface mount components. The DC840 can also be clocked by an external oscillator, due to a phase-lock loop circuit in the LTC3448. These features, plus the LTC3448 coming in low profile 8-Lead DFN or MSOP packages, make the DC840 an ideal circuit for use in battery-powered, handheld applications. Design files for this circuit board are available. Call the LTC factory. LTC is a trademark of Linear Technology Corporation
Performance Summary (TA = 25°C)
| PARAMETER | CONDITION | VALUE |
| Minimum Input Voltage | 2.5V | |
| Maximum Input Voltage | 5.5V | |
| Output Voltage VOUT | VIN = 2.5V to 5.5V, IOUT1 = 0A to 600 mA | 1.2V ±4% |
| Typical Output Ripple VOUT | VIN = 5V, IOUT1 = 600 mA | 20mVP–P |
| Output Regulation | Line | ±1% |
| Load | ±1% | |
| Nominal Switching Frequency | 1.5 or 2.25 MHz |
QUICK START PROCEDURE
DC840 is easy to set up to evaluate the performance of the LTC3448. Refer to Figure 1. for proper measurement equipment setup and follow the procedure outlined below. Before proceeding to test, insert jumper JP1 shunt into the off (lower) position, connecting the RUN pin to ground (GND), which shuts down the circuit.
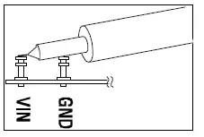
NOTE: When measuring the input or output voltage ripple, care must be taken to avoid a long ground lead on the oscilloscope probe. Measure the input or output voltage ripple by touching the probe tip directly across the VIN or VOUT and GND terminals. See Figure 2 for proper scope probe technique
- Connect the input power supply and the load to the board. Do not hot-plug Vin or increase Vin over the rated maximum supply voltage of 5.5V, or the part may be damaged.
- Insert shunts into the 1.5MHz position of jumper JP2 and into the jumper JP7, the 1.8V output voltage option. Also, insert the jumper JP3 shunt into the free-running position and the jumper JP4 shunt into the AUTO position.
- Apply 3.3V at VIN. Measure VOUT; it should read 0V. If desired, one can measure the shutdown supply current at this point. The supply current will be approximately 1uA in shutdown.
- Turn on the circuit by inserting the shunt in jumper JP1 into the ON (upper) position. The output voltage should be regulating. Measure VOUT – it should measure 1.8V +/- 2%.
- Vary the input voltage from 2.5V to 5.5V and the load current from 0 to 600mA. Vout should read between 1.8V +/- 4%
- Measure the output ripple voltage at any output current level; it usually will measure less than 20mVAC.
- Observe the voltage waveform at the switch node (pin 5 of the IC). Verify the switching frequency is between 1.2MHz and 1.8MHz (T = 0.833us and 0.556us), and that the switch node waveform is rectangular in shape.
- Still observing the switch node, from no load, increase the output current until switching operation is observed. This should occur at approx. 11mA. Also observe the switch node as the load is decreased to 0A. The LTC3448 should turn into a linear regulator at about 2.5mA (hysteresis).
- Insert jumper JP1 into the OFF (lower) position, and insert shunts into the other voltage options, 1.2V or 1.5V, and the other frequency operation, 2.25MHz. Re-insert the jumper JP1 shunt into the ON (upper) position. The DC840 should perform the same as in the 1.8Vout evaluation.
The options of the mode feature AUTO, ON, and OFF can also be evaluated now: On for linear operation only, and OFF for switching operation only. When finished, turn off the circuit (connecting the RUN pin to ground) by inserting the shunt in jumper JP1 into the OFF (lower) position.
Warning – if the power for the demo board is carried in long leads, the input voltage at the part could wiring. To eliminate this, insert a small tantalum capacitor (for instance, an AVX part # TAJW476M010R) on the pads between the input power and return terminals on the bottom of the demo board. The (greater) ESR of the tantalum will dampen the (possible) ringing voltage due to the use of long input leads. On a normal, typical PCB, with short traces, the capacitor is not needed.
Proper Measurement Equipment Setup

Measuring Input or Output Ripple

WIRING DIAGRAM
This circuit is proprietary to Linear Technology and supplied for use with Linear Technology parts. Customer Notice: Linear Technology has made a best effort to design a circuit that meets customer-supplied specifications: however, it remains the customers responsibility to verify proper and reliable operation in the actual application, Component substitution and printed circuit board avout may sianiticantiv affect circuit performance or reliability. Contact Linear Applications Engineering for assistance.

- CAPACITOR CIN1 IS AN OPTIONAL PART. IT WAS INSERTED ON THE DC840A TO DAMPEN THE (POSSIBLE) RINGING VOLTAGE DUE TO THE USE OF LONG INPUT LEADS. ON A NORMAL, TYPICAL PCB, WITH SHORT TRACES, THE CAPACITOR IS NOT NEEDED.
- SPACE PROVIDED FOR AN OPTIONAL RESISTOR TO PROGRAM A CUSTOM OUTPUT VOLTAGE. RFB5 IS INSERTED TO PREVENT THE OUTPUT VOLTAGE FROM RISING TO VIN IN CASE THE JUMPER SHUNT IS ACCIDENTALLY LEFT OFF.



















