LINEAR TECHNOLOGY LTC2924 Quad Power Supply

DESCRIPTION
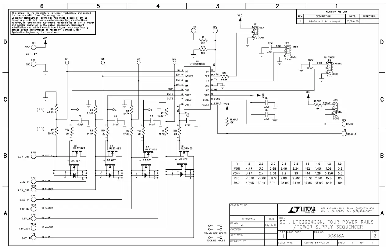
Demonstration circuit 818 is a Quad Power Supply Sequencer featuring the LTC2924. Demonstration circuit 818 can configure the LTC2924 to] sequence up to 4 power supplies via any combination of pass FETS or power supply enable control inputs. The 0.61V reference of the LTC2924 permits the DC818 to be easily modified by simple resistor changes to work with any voltage level from 5V down to 0.8V. The schematic] provides a table of resistor values for common supply voltages: 5V, 3.3V, 3.0V, 2.8V, 2.5V, 1.8V, 1.6V, 1.2V, and 1.0V. Refer to the datasheet for equations to calculate other voltages and hysteresis levels. Convenient test points are provided to facilitate the evaluation of the power] up and power down sequencing. Additional jumper options are provided to permit cascading multiple DC818s for additional channels.
The circuit board is assembled with four IRL3714ZS N-channel DD packaged MOSFETs capable of controlling up to 10A loads for connecting each of the four rails with the associated load. The board is designed to also acceptSO-8 packaged MOSFETs for the lower current operation. In addition to the output voltage dividers, the circuit board also has two capacitors for sequence and Power Good signal timing adjustments, one resistor for setting the hysteresis current injected into each output voltage divider and two configuration jumpers for cascading boards for additional channels.
PERFORMANCE SUMMARY
Specification s are at: TA = 25°C
| SYMBOL | PARAMETER | CONDITIONS | MIN TYP MAX | UNITS |
| VCC | Input Supply Range | 3.0 6.0 | V | |
| ICC | Input Supply Current | VIN = 3.6V, ILOAD = 100mA | 1.5 3.0 | mA |
| VON(TH) | ON, Low to High Threshold | 0.6000 0.6060 0.6121 | V | |
| VOFF(TH) | ON, High to Low Threshold | 0.6013 0.6074 0.6135 | V | |
| VINSON(TH) | IN1-IN4 Low to High Threshold | 0.6020 0.6081 0.6142 | V | |
| VINOFF(TH) | IN1-IN4 High to Low Threshold | 0,6026 0.6087 0.6148 | V | |
| VOUT(EN) | OUT1-OUT4 Gate Drive Voltage | VCC+4.5 VCC+6 | V | |
| IOUT(EN) | OUT1-OUT4 On Current | 8.6 10 11.2 | µA | |
OPERATING PRINCIPLES
The active high ON pin initiates the power on sequence when the applied voltage exceeds 0.61V. Upon sequence initiation, the Sequencer TIMER capacitor CTMR is charged by a 5uA current, generating a sequencing time pulse of CTMR(uF)/5. At the end of each sequence timeout, the LTC2924 enables a successive power supply. Each supply
is enabled by driving a 10uA current out of the appropriate OUTn pin. This current is derived from a charge pump capable of enhancing the gate of a NMOS pass FET or driving a power supply enable pin. A capacitor can be connected to the out pins to control the slew rate of each MOSFET-controlled supply. As the power supply turns on, the resistive divider connected to the IN1 pin starts to drive up the voltage at the IN1 pin. When the voltage at this pin exceeds 0.61V, the comparator signals the logic that the supply is on. The timer circuit is enabled again and the cycle repeats until the last power supply has turned on. The power off sequence is initiated by pulling the ON pin voltage below 0.61V after power on sequence has been completed. The power off sequence turns off the power supply in the reverse order of the power on sequence. OUT4 is turned off first. The timer function is used between each supply being sequenced down.
QUICK START PROCEDURE
Demonstration circuit 818 is easy to set up to evaluate the performance of the LTC2924. Install all four jumpers in position 1. Connect an ON signal source to the ON pin circuit (TP7 or TP8, the latter provides a voltage divider that can be configured as an under-voltage lockout.) The voltage on TP7 should be less than 0.55V. Connect four external power supply outputs (3.3V, 2.5V, 1.8V, and 1.2V) to appropriate INPUT pins (TP3, TP4, TP5, and TP6). Refer to the table on the schematic or the datasheet to change the dividers to support other voltages. Attach optional loads to TP11, TP12, TP13, and TP14 (up] to 10 amps depending on acceptable voltage drop). Initiate the turn-on sequence by raising the ON signal source so that TP7 is above 0.62V and observe the load voltage transitions on the four-channel scope (see figure 1).
Drop the ON pin voltage below 0.55V (or to ground) to observe the turn-off sequence (see Figure 2).
NOTE: Output voltage decay will vary with load and capacitance.



















