

USER MANUAL
MONITORING THE CO2 CONCENTRATION
Digital reserves the right to modify the technical characteristics described without prior notice.
Non-contractual document Digitel SA
All rights reserved
GENERAL DESCRIPTION.
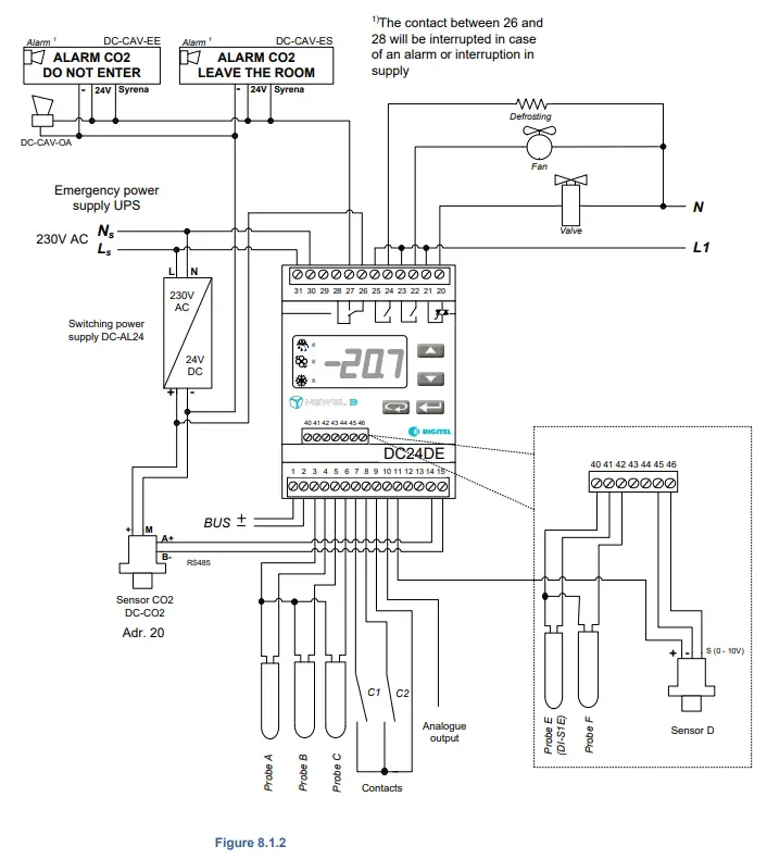
BASIC CONNECTIONS
When using CO2 as a refrigerant, measuring and monitoring of the concentration of this gas in refrigerated spaces are required. CO2 sensors for these measures can be directly connected to DC24D or DC24DE controllers, which manage the cooling units or compressor plants.
Compared to other systems that perform these functions with separate devices, our solution provides the following benefits:
- CO2 sensors are connected to room or compressor controllers. No modules or additional gateways. No additional bus cables to install. Everything is handled by the modules that are installed for the management of the refrigeration plant.
- CO2 concentrations can be read remotely by remote management of the refrigeration installation (TelesWin software). This avoids unnecessary travel.
- CO2 concentration curves are recorded and can be viewed in TelesWin.
- CO2 alarms are transmitted by remote management of the refrigeration plant. 5. Cost of installation is significantly reduced.
The sensor must be set at approx. 50 cm from the ground with the sensor down. For ease of maintenance, it is advisable to leave a space below the sensor.
The diagram below shows the connections for the regulation of a cold room or freezer room equipped with a CO2 sensor. CO2 monitoring is ensured in case of a power failure by an uninterruptible power supply. Output 26, and 27 can supply the DC-CAV-FX warning signs and DC-CAV-OA alarms.
To enable CO2 monitoring, program the three parameters shown in the box in the “Settings” menu as below. (See chapter 11 Remote monitoring and remote management). 
Monitoring of the machinery can be achieved by compressor controller with the connections shown in Figure 8.1.4.
To enable CO2 monitoring, program the three parameters shown in the box in the “Settings” menu as below. (See paragraph TelesWin – Remote monitoring and remote management).
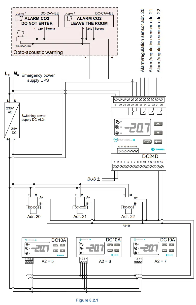
8.2. SEVERAL CO2 MEASUREMENT POINTS
In operating mode 3, modules DC24D/DE allow the connection of multiple CO2 sensors (maximum of three).
Figure 8.2.1 shows an example of this configuration.
Terminals 26, 27 are the common alarm output for the three measurements. If necessary, outputs 24-25, 22-23, and 20-21 can be configured as separate alarm outputs for each of the sensors. They can also be programmed as commands ensuring the regulation of CO2 levels (e.g. control of CO2 absorbers in rooms with a controlled atmosphere). Configuration of these operations is described under “Input-output mode” in our technical documentation.
For simplicity, we talk about CO2 monitoring and control only. However, according to the same principle, it is possible to monitor and control the concentration of other gases (e.g. O2 in rooms with a controlled atmosphere, different refrigerants in machine rooms, air quality in stores etc.). We can deliver different types of sensors adapted to these measurements. Please contact your Digitel dealer.
Remote displays
DC10A displays (see “Remote display DC10A” in our manual) can be added to display the values measured by the sensors. In operating mode 0 and 1, parameter “A2” must be set to 7 to display the CO2 concentration. In mode 3, for parameter A2=5, measurement of the CO2 sensor with address 20 is displayed; for A2=6, measurement of the sensor with address 21 is displayed; for A2= 7 measurement of the sensor with address 22 is displayed.
Addressing sensors
Modules DC24D/DE communicate with sensors DC-CO2 via the local RS485 bus. Several sensors can be connected to the same bus. Each one must have a unique address on the given bus.
The sensors come with the factory address of 20. In applications where only one sensor is connected to the bus (e.g. monitoring of CO2 in a cold room), this address should not be changed.
When 2 or 3 sensors are connected to the same bus, they are required to have addresses 20, 21 and 22.
To change the addresses from 20 to 21 or 22, follow these steps:
a. Connect the sensors according to diagram xxx. Keep the covers and the sensors housings off.
b. Call the module with the TelesWin software
c. In the window of the corresponding unit, click on the “Special operations” button and select the “Addressing sensors” tab
d. Enter 0 in the “Current address” field, 21 in the “New address” field, and click “Submit”.
e. The NET Led of all sensors flash rapidly. Within 20 seconds, briefly press the “Test” button on the sensor to be assigned address 21. The current address of this sensor will be changed to 21.
f. Repeat steps d and e for a sensor that must have address 22 (this time, enter 22 in the “New Address” field).
8.3. TECHNICAL DATA
DC-CO2 sensor
| Measurement range | 0-5% | |
| Power | 24VDC | |
| Max. current | 60mA | |
| Interface | RS485 galvanically isolated | Modbus RTU, factory address = 20 |
Warning sign DC-CAV-XX
| Power | 24VDC | |
| Max. current | 100mA | |
| Text (specify when ordering) | Max 20 characters per line | Max 2 lines |
| Built-in alarm | Power 70dB at 1m |
Opto-acoustic warning DC-CAV-OA
| Power | 24VDC | |
| Max. current | 50mA | |
| Power | Programmable | 90 or 120dB at 1m |
DC-AL24 power
| Power | 100 – 240VAC | 50-60Hz |
| Output voltage | 24VDC (adjustable) | |
| Max. output current | 630mA | |
| Min. efficiency | 80.00% |
DC10A remote display
| Power | 12-24Vac / DC |
| Max. current | 20mA |
⚠ The sensors must be calibrated and the operation of the measuring system must be checked periodically according to local requirements, generally, once a year. This maintenance should be performed by Digitel or an authorized dealer.
⚠ The diagrams and the parameters above are presented as examples. They must be adapted to local standards and requirements.



















