QUICK START GUIDE FOR DEMONSTRATION CIRCUIT 956
24-BIT DIFFERENTIAL ADC WITH I2C
LTC2485
DESCRIPTION
Demonstration circuit 956 features the LTC2485, a 24-Bit high performance DS analog-to-digital converter (ADC). The LTC2485 features 2ppm linearity, 0.5mV offset, and 600nV RMS noise. The input is fully differential, with input common mode rejection of 140dB. The LTC2485 is available in a 10-pin DFN package and has an easy to use I2C interface.
DC956 is a member of Linear Technology‘s QuickEval™ family of demonstration boards. It is designed to allow easy evaluation of the LTC2485 and may be connected directly to the target application’s analog signals while using the DC590 USB Serial Controller board and supplied software to measure performance. The exposed ground planes allow proper grounding to prototype circuitry. After evaluating with Linear Technology’s software, the digital signals can be connected to the end application’s processor / controller for development of the serial interface.
Design files for this circuit board are available. Call the LTC factory.
LTC is a trademark of Linear Technology Corporation
Figure 1. Proper Measurement Equipment Setup

QUICK START PROCEDURE
Connect DC956 to a DC590 USB Serial Controller using the supplied 14 conductor ribbon cable. Connect DC590 to host PC with a standard USB A/B cable. Run the evaluation software supplied with DC590 or downloaded from http://www.linear.com/software. The correct program will be loaded automatically. Click the COLLECT button to start reading the input voltage. Details on software features are documented in the control panel’s help menu. Tools are available for logging data, changing reference voltage, changing the number of points in the strip chart and histogram, and changing the number of points averaged for the DVM display.

HARDWARE SET-UP
CONNECTION TO DC590 SERIAL CONTROLLER
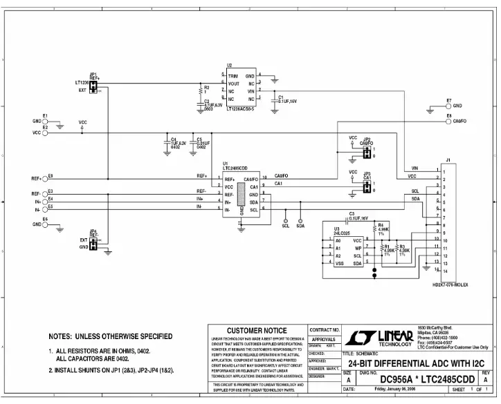
J1 is the power and digital interface connector.
Connect to DC590 serial controller with supplied 14 conductor ribbon cable.
JUMPERS
JP1 – Select the source for REF+, either an LT1236A-5 or externally supplied.
JP4 – Select the source for REF-, either Ground (“GND”) or externally supplied.
JP2,3 – I2C Address Selection. These pins are connected to CA0/Fo and CA1, respectively.
Refer to the LTC2485 datasheet for address mapping.
ANALOG CONNECTIONS
Analog signal connections are made via the row of turret posts along the edge of the board. Also, when connecting the board to an existing circuit the exposed ground planes along the edges of the board may be used to form a solid connection between grounds.
GND – Three ground turrets are connected directly to the internal ground planes.
VCC – This is the supply for the ADC. Do not draw any power from this point.
REF+ – Connected to the LTC2485 REF+ pin. If the onboard reference is being used, the reference voltage may be monitored from this point. An external reference may be connected to these terminals if JP1 is removed.
REF- – Connected to the LTC2485 REF- pin. Normally at ground when JP4 is set to“ GND” IN+, IN- – These are the differential inputs to the LTC2485.
CA0/Fo – IMPORTANT – Remove JP2 before applying signals to this turret. An external conversion clock may be applied to the CA0/Fo turret to modify the frequency rejection characteristics or data output rate of the LTC2485. This should be a square wave with a low level equal to ground and a high level equal to Vcc. While up to a 2MHz clock can be used, performance may be compromised. Refer to the LTC2485 data sheet.
EXPERIMENTS
INPUT NOISE
The 600nV noise level of the LTC2485 inputs results in 23 effective bits of resolution. Solder a short wire from the IN- turret post to the IN+ turret post. This allows measurement of the offset and noise level of the LTC2485. The RMS noise display should approach 0.12ppm, assuming a 5V reference is used. Note that many common “precision” voltage sources have a higher noise level than 600nV, so it is difficult to verify the 600nV resolution across the entire input span. An alkaline D cell makes a convenient source, but it should be well insulated from thermal and mechanical shock.
COMMON MODE REJECTION
Tie the two inputs (still connected together) to ground through a short wire and note the indicated voltage. Tie the inputs to REF+; the difference should be less than 0.5mV due to the 140dB minimum CMRR of the LTC2485.
BIPOLAR SYMMETRY
To demonstrate the symmetry of the ADCs transfer function, connect a stable, low noise, floating voltage source (with a voltage less than Vref/2) from IN+ to IN- and note the indicated voltage. Reverse the polarity; the indicated voltage will typically be within a few microvolts of the first reading multiplied by –1.
INPUT NORMAL MODE REJECTION
The LTC2485’s SINC4 digital filter is trimmed to reject 50 or 60Hz line noise when operated with the internal conversion clock. To measure input normal mode rejection, connect IN- to a 2.5 volt source such as an LT1790-2.5 reference or 1k – 1k divider from the onboard 5V reference to ground. Apply a 10Hz, 2V peak-to-peak sine wave to IN+ through a 1uF capacitor. No DC bias is required because the 2-3MW input impedance of the LTC2485 tends to self-bias the input to mid-reference (see datasheet applications information for details.)
Start taking data. The input noise will be quite large, and the graph of output vs. time should show large variations.
Next, slowly increase the frequency to 60Hz (or 50Hz or 55Hz, depending on the selected rejection frequency.) The noise should be almost undetectable in the graph. Note that the indicated noise in ppm may still be above that of the datasheet specification because the inputs are not connected to a DC source.




















