LINEAR TECHNOLOGY LTC2607 Demonstration Circuit16-BIT Dual Rail-To-Rail DAC with I2C Interface User Guide

DESCRIPTION
Demonstration circuit 934 features the LTC2607 dual 16-bit DAC. This device establishes a new boarddensity benchmark for 16-bit DACs and advances performance standards for output drive, load regulation, and crosstalk in single supply, voltage-output DACs. DC934 has many features for evaluating the performance of the LTC2607. Onboard 5 volt, 4.096 volt, and 2.5 volt precision references are provided, and the LTC2607 may be powered by the 5 volt reference for evaluating rail-to-rail operation. Another feature of this board is the onboard LTC2422 0-bit ADC for monitoring DAC output voltage. The 16ppm total error of this device is adequate for taking meaningful measurements of various LTC2607 parameters.
Design files for this circuit board are available. Call the LTC factory. LTC is a trademark of Linear Technology Corporation.
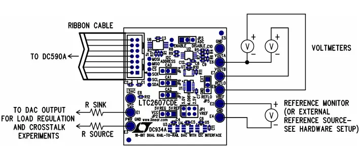
Figure 1. Proper Measurement Equipment Setup
| PARAMETER | CONDITION | VALUE |
| Resolution | 16 BITS | |
| Monotonicity | Vcc = 5V, Vref = 4.096V | 16 BITS |
| Differential Nonlinearity | Vcc = 5V, Vref = 4.096V | +/-1 LSB |
| Integral Nonlinearity | Vcc = 5V, Vref = 4.096V | +/-19 LSB Typical |
| Load Regulation | Vcc = Vref = 5V, Midscale Iout = +/- 15 mA | 2 LSB/mA Max |
| DC Crosstalk | Due to load current change on any other channel | 3 µV/mA |

QUICK START PROCEDURE
Connect DC934 to a DC590 USB serial controller using the supplied 14-conductor ribbon cable. Connect DC590 to a host PC with a standard USB A/B cable. Run the evaluation software supplied with
DC590 or download it from www.linear.com. The correct control panel will be loaded automatically.
Click the COLLECT button to begin outputting codes to the DAC and reading back the resulting output voltage.
Complete software documentation is available from the Help menu item, as features may be added periodically.

HARDWARE SET-UP
JUMPERS
JP1 – Vref Select. Select 5 volt, 4.096 volt, or 2.5 volt reference. To apply an external reference through the Vref Turret, remove this jumper.
JP2 – Vcc select. Vcc is taken either from the on- board 5 volt reference or the 5 volt regulated supply from the controller board. Selecting the 5 volt refer- ence for VCC and Vref allows characterization of rail to rail operation of the LTC2607.
JP3 – ADC Disable. Set to ON for operation with DC590 serial controller. When using in customer’s end application, the ADC can be completely dis- abled by setting jumper to DISABLE.
For very sensitive noise measurements when using LTC supplied software, set the output voltage and stop reading voltage via the collect button on the control panel.
JP5 – REFLO connection – either grounded or ex- ternally supplied. Refer to the LTC2607 datasheet for REFLO details.
JP4,6,7 – I2C address selection. These are con- nected to the CA0, CA1, CA2 pins. The demo soft- ware uses the global I2C address, so these pins have no effect when used with the QuickEval soft- ware. They can be used in prototyping to set the
I2C address of the LTC2607 – refer to the datasheet for the mapping of CA0,1,2 levels to I2C addresses.
ANALOG CONNECTIONS
VOUTA, VOUTB – LTC2607 Outputs
Vref – The Vref turret is connected directly to the reference terminals of the LTC2607 and LTC2422 ADC. When one of the onboard references is being used, the reference voltage may be monitored at this point. An external reference may also be ap- plied to this turret after removing JP1.
GROUNDING AND POWER CONNECTIONS
Power (Vcc) – Normally DC934 is powered by the DC590 controller. Vcc can be supplied to this turret, however the power supply on DC590 must be dis- abled! Refer to DC590 Quick Start Guide for more details on this mode of operation. Grounding – Separate power and signal grounds are provided. Any large currents drawn from the DAC outputs should be returned to power ground. Also, if an external power supply is connected, power ground should be used. Signal ground is connected to the exposed ground planes at the top and bottom edges of the board, and to the two tur- rets labeled “Gnd.” Use signal ground as the refer- ence point for measurements and connections to external circuits.
EXPERIMENTS
The following experiments are intended to demon- strate some of the outstanding features of the LTC2607. All can be performed using the onboard LTC2422 to monitor the DAC output voltage. The in- dicated output voltage will typically agree with an HP3458A voltmeter to 5 digits. If a DAC will be sink- ing or sourcing a significant current, then the output voltage should be measured as close to the DAC as possible.
Most of the data sheet specifications use a 4.096 volt reference, so this is the preferred reference to use for these experiments. Using the 5 volt regulator as the source for Vcc has the limitation that Vcc may be slightly lower than Vref, which may affect the full scale error. Selecting the 5 volt reference as the source for Vcc overcomes this, however the total cur- rent that the LTC2601 can source will be limited to approximately 5mA.
NOTE: Using an external power supply is highly rec- ommended for these experiments, especially those that draw significant current. Refer to the DC590 quick start guide for details.
RESOLUTION
The onboard LTC2422 ADC has an input resolution of 6mV. This will easily resolve a 1 LSB (76mV for Vref=5V, 62.5mV for Vref=4.096V) change in the LTC2607 output. Set the DAC output to a voltage close to Midscale. Select the FINE slider on the con- trol panel with the mouse and use the right and left arrow keys to step the output by single LSBs. The change should be clearly visible in the output graph. (It may be necessary to wait for the graph to clear if a large step has just occurred.)
INTEGRAL NONLINEARITY
A rough measurement of INL can be taken using the onboard ADC. Measure one of the LTC2607 outputs at code 256 and 65,535 and calculate the slope and intercept using a spreadsheet. Next, take several readings at intermediate points. The readings should not deviate from the calculated line by more than 64 LSBs, and they will typically be within 12 LSBs.
LOAD REGULATION / DC OUTPUT IMPEDANCE
Select “5V REG” for Vcc source. Set one of the out- puts to Midscale (code 32768). Source or sink 15 mA from one of the DAC outputs by pulling it to power ground or Vcc with an appropriate value resistor. The voltage change should be less than 2.25mV, corre- sponding to an output impedance of 0.15L. Output impedance is typically less than 0.030L. (measure DAC voltage at the output pin if using a voltmeter.)
ZERO SCALE ERROR
Set one of the DACs to code 0. The measured output should be less than 9mV and will typically be less than 1mV.
OFFSET ERROR
Set one of the DACs to code 256. The output voltage should be within 9mV of the correct value, or Vref x 256/65535.
GAIN ERROR
Set one of the DACs to code 65,535. The output volt- age should be within 0.7% of Vref, and will typically be within 0.2%.
DC CROSSTALK
Set one of the DACs to Midscale. Connect a 250 ohm resistor from the output to Vcc or Power Ground (to sink or source 10mA, respectively, when the 5V refer- ence is being used.) The other output should not change by more than 3.5mV per milliamp of load cur- rent.



















