LTC4007 Demonstration Circuit 498 3 and 4 Cell Li-Ion Battery Charger Board
User Guide
DESCRIPTION
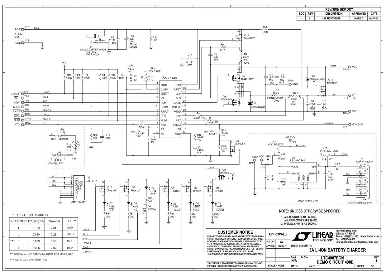
Demonstration circuit 498 is a single-battery standalone battery charge controller with built-in charge termination featuring the LTC®4007. The input voltage is 13 to 20V. The charger output voltage is programmed by jumpers to support 3- and 4-Cell Li-ion batteries with a cell voltage of 4.1V or 4.2V/Cell. The maximum charge current is 4A. The demo board is initially configured for 12.6V Li-ion batteries. The board will automatically charge a battery to termination as soon as the input power is applied with a battery connected prior to power up. Status LEDs are provided for CHG, ACP, FAULT, FLAG, ICL, and LOBAT. An onboard NTC thermistor is provided. Although this
charger is not a smart battery charger, a popular smart battery connector is provided that can be used for data logging with the optional DC1223A-B demo board and software. To be clear, you do NOT need a smart battery to use this board. The optional DC1223A-B SMBUS to USB Port Adapter and associated software to monitor a smart
battery are for demonstration purposes only. Contact your LT representative for ordering a DC1223A-B.
Design files for this circuit board are available. Call the LTC factory.
LTC is a registered trademark of Linear Technology Corporation.
Table 1. Performance Summary
| PARAMETER | CONDITION | VALUE |
| Maximum Input Voltage | Limited by input Capacitor Volt Ratings. | 20V +/- 10 % |
| Recommended Minimum Input Voltage | Vin > Vbat Termination voltage. | 13V when using a 12.6V Li-ion battery. |
| Input Current Limit | 3.5A | |
| Maximum Charge Current | Vin > Vbatmax > 6V | 4A +/- 5% |
QUICK START PROCEDURE
Demonstration circuit 498 is easy to set up to evaluate the performance of the LTC4007. Refer to Figure or proper measurement equipment setup and follow the procedure below:
- Connect the input power source to DCIN terminals J1 or DCIN and GND using a power supply capable of handling 4A of current within an 11 to 20V range. The input supply MUST be greater than the full voltage value of the battery to allow a full charge to take place.
- Connect the load to VOUT and GND terminals.
- Configure the jumpers for your specific battery.
NOTE: When measuring the input or output voltage ripple, care must be taken to avoid a long ground lead on the oscilloscope probe. Measure the input or output voltage ripple by touching the probe tip directly across the VIN or VOUT and GND terminals. See Figure 2 for the proper scope probe technique. - Plug in the battery. The industry standard 5 Pin AMP Smart Battery connector is provided as well as generic soldering Test Points for hardwire connections.
- Turn on the input power supply.
- Optionally use the provided DC1223A-B demonstration software to control and configure the DC498A.
- NOTE: If the board is allowed to get warm, the onboard NTC thermistor may trip and momentarily suspend the charge process. This can be confirmed by the fault LED turning on. When the board cools down, charging will resume.

Figure 1: Proper Measurement Equipment Setup

Figure 2: Scope Probe Placement for Measuring Input or Output Ripple





















