LTC4059 750mA Battery Charger
QUICK START GUIDE FOR DEMONSTRATION CIRCUIT 685
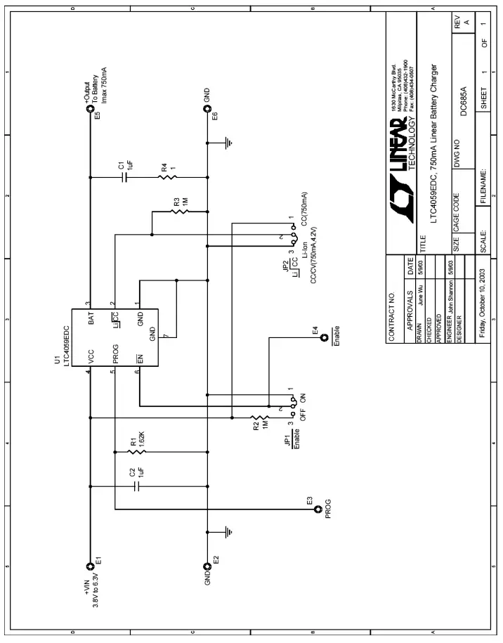
750mA LINEAR BATTERY CHARGER
LTC4059
DESCRIPTION
Demonstration circuit 685 is a single cell Li-ion linear charger in a DFN 2×2. Charge rates as high as 900mA can be achieved due to the LTC4059’s internal die temperature control loop that prevents excessive PCB heating under worst-case conditions. The user is provided with two jumpers. The enable jumper turns the charger on or off, and the Li/CC jumper selects between a Li-ion charge mode or a current source. The Li-ion charge mode is a constant current, constant voltage externally disabled charger. Selecting constant current mode disables the voltage control loop and is suitable for charging Ni chemistry batteries.
Design files for this circuit board are available. Call the LTC factory.
PowerPath is a trademark of Linear Technology Corporation
Table 1. Performance Summary
| PARAMETER CONDITIONS | CONDITION | VALUE |
| Input Voltage | 3.8-6.3V | |
| About | 450mA selected Vbat=3.6V | 750mA +- 7% |
| Float voltage in Li mode | Vin =5V | 4.20V+0.5% |
OPERATING PRINCIPLES
Demonstration circuit 685 is a simple battery charger. The demo features the LTC4059 charger IC and can be configured via a jumper a CC/CV charger or as a current source. This charger implements a constant die temperature, constant current, and constant voltage charge scheme. Charge termination is left to the user via the En(bar) pin. In the event that a full charge current would result in excessive dissipation a die temperature control loop backs off the charge current to maintain a reasonable PC board temperature. The peak charge current is set at 750mA. The voltage at the PROG pin indicates the charge rate. Full current is indicated by 1.21V on the Prog pin and 10% current will be about 120mV. The charge current information present at the prog pin can be used by an external controller to determine when to terminate charging
QUICK START PROCEDURE
Demonstration circuit 685 is easy to set up to evaluate the performance of the LTC4059. Refer to Figure 1 for proper measurement equipment setup and follow the procedure below:
- Use the jumper provided to select the desired charge mode either constant current (for Ni) or constant current/constant voltage (for Li).
- With power off, connect the input power supply to Vin and GND.
- Connect the demo board to the battery simulator as shown in Fig. 1.
- Set the battery simulator voltage to zero, and slowly raise the input voltage. When the supply voltage exceeds 3.8V the charger should activate.
NOTE: Make sure that the input voltage does not exceed 6.3V. - Note that the battery current is lower than 750mA this is due to the 4059 operating in the constant die temperature mode.
- Increase the battery voltage and note that the charge current increases, in such a way that the chip dissipation is constant. The thermal loop is still in control.
- Continue to increase the battery voltage. The charge current should peak at 750mA as the charger enters the constant current mode.
- Continue to increase the battery voltage, if the charger is in the CC/CV mode the charge current should fall rapidly to zero as the battery voltage crosses 4.2V. The charger is now in constant voltage mode.
- Place the charge rate selector in the OFF position. Note that the battery current draw is extremely low (approx 1uA) also note that the supply current draw is low(approx30uA).


Downloaded from Arrow.com.


















