LINEAR TECHNOLOGY LT3484EDCB-1 Photoflash Charger
DESCRIPTION
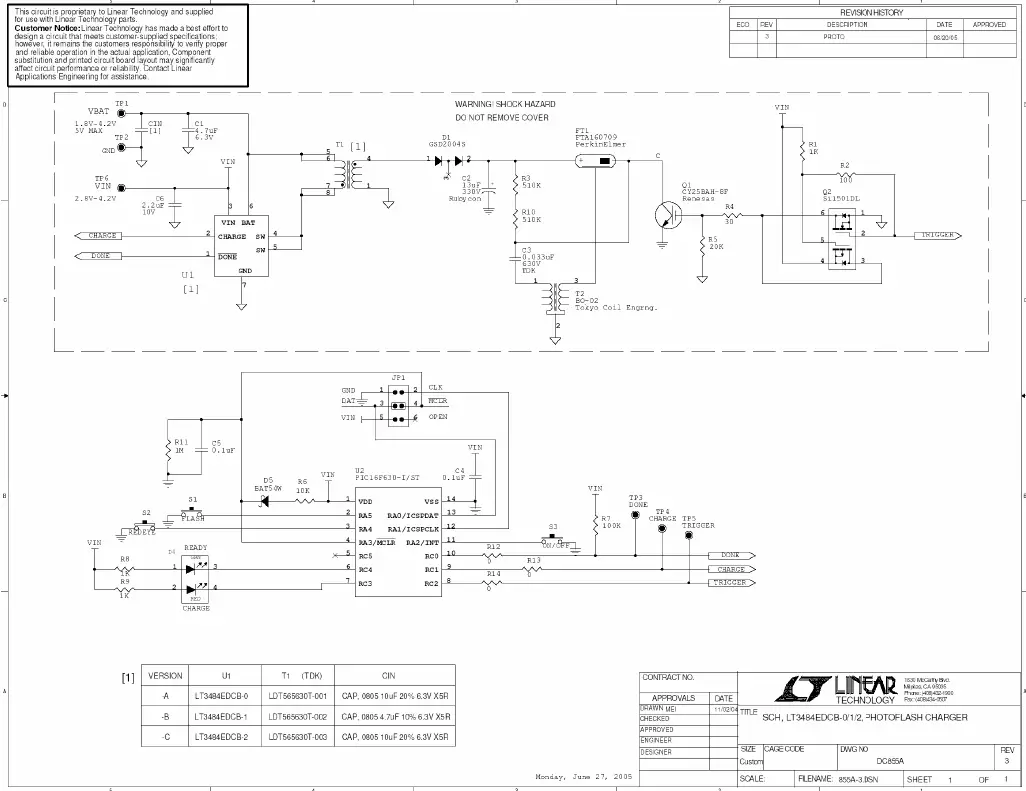
Demonstration circuit 855 is a Photoflash Charger featuring the LT3484EDCB-0, LT3484EDCB-1, and LT3484EDCB-2. It demonstrates a complete photoflash application, including the photoflash capacitor, flash tube, and trigger circuit. An onboard microcontroller generates the necessary signals to produce an on-demand flash, red-eye sequence, and flash capacitor refresh.
The demonstration board comes in three variants. DC855A-A uses the LT3484EDCB-0, while DC855A-B and DC855A-C use the LT3484EDCB-1 and LT3484EDCB-2, respectively.
The LT3484 family of photoflash capacitor ICs are designed for use in digital cameras and mobile phone applications where space is a premium. The LT3484’s pat-ented control technique allows it to use extremely small transformers and the improved NPN power switch re-
quires no external Schottky diode clamp, reducing the solution size. The output voltage detection requires no external circuitry as the transformer turns ratio deter-mines the final charger voltage.
The device features a VBAT pin, which allows the use of 2 alkaline cells to charge the capacitor. The CHARGE pin gives full control of the part to the user. Driving CHARGE low shuts the part down.
WARNING! Lethal voltages are present on the DC855 circuit board. Do not operate the assembly unless you are trained to handle high voltage circuits.
Design files for this circuit board are available. Call the LTC factory.
Table 1. Performance Summary (TA = 25°C)
| PARAMETER | CONDITION | VALUE |
| Minimum VBAT Voltage | VIN = 2.8V – 4.2V | 1.8VDC |
| Maximum VBAT Voltage | VIN = 2.8V – 4.2V | 4.2VDC |
| Minimum VIN Voltage | VBAT = 1.8V – 4.2V | 2.8VDC |
| Maximum VIN Voltage | VBAT = 1.8V – 4.2V | 4.2VDC |
| Output Voltage | VIN = 2.8V – 4.2V, VBAT = 1.8V – 4.2V | 320VDC, typical |
| Average input current | DC855A-A, LT3484-0 | 500mA, typical |
| DC855A-C, LT3484-2 | 350mA, typical | |
| DC855A-B, LT3484-1 | 225mA, typical |
OPERATING PRINCIPLES
The theory of operation of the LT3484 and xenon flash tube illumination has been discussed at length in the LT3484 data sheet and the Linear Technology Application Note AN95, respectively. The reader is referred to these documents, available online at http://www.linear.com.
QUICK START PROCEDURE
WARNING! Lethal voltages are present on the DC855 circuit board. Do not operate the assembly unless you are trained to handle high voltage circuits.
Demonstration circuit 855 is easy to set up to evaluate the performance of the LT3484EDCB-0, LT3484EDCB-1, and LT3484EDCB-2. Refer to Figure 1 for proper meas-urement equipment setup and follow the procedure below:
- Set the jumper at JP1 across the DAT and MCLR pins.
- With the power supply disconnected from DC855, set the VBAT voltage between 1.8V to 4.2V. Set the VIN voltage between 2.8V and 4.2V. Turn off the power supply.
- Connect the power supply to DC855, referring to the connection diagram given in Figure 1.
- Turn on the power supply, verifying that the VIN and VBAT voltages are correctly set.
- Press the ON/OFF button once. The READY/CHARGE LED should glow red while charging the output capacitor and then glow green.
- To flash the xenon tube, verify that the READY/CHARGE LED is green. Avoid looking directly at the xenon flash tube and press the FLASH button once. After the tube flashes, the READY/CHARGE LED should turn red as the LT3484 replenishes the charge in the flash capacitor.
- To generate a red-eye sequence, verify that the READY/CHARGE LED is green. Avoid looking directly at the xenon flash tube and press the REDEYE button once. After the flash sequence is over, the READY/CHARGE LED should turn red as the LT3484 replenishes the charge in the flash capacitor.
- When finished testing, press the ON/OFF switch once. This flashes the xenon tube, discharging the flash capacitor and shuts down the LT3484. The output capacitor is not completely discharged when this operation is complete. 50V or more may be left on the capacitor, so the user is cautioned to avoid physical contact with the flash tube circuitry at all times. The flash tube circuitry consists of D1, C2, R3, R10, C3, T2, FT1, and Q1.
- Monitor the DONE, CHARGE, and TRIGGER bits by using the provided test points. Do not make measurements from under the protective cover.
- The onboard microcontroller may be disabled by removing the VIN and VBAT voltages and moving the JP1 jumper to short the GND and CLK pins. The user can charge the output capacitor and activate the flash tube by applying the appropriate signals to the CHARGE and TRIGGER test points. The timing can be validated by monitoring these and the DONE signal. Please refer to the LT3484 data sheet for detailed signal requirements.
ADDITIONAL NOTES
It is assumed that DC855A will be tested with power provided by an external source, such as a lab bench supply. Under such an operating condition, the wire length between the DC855A board and the power supply terminals can be several feet and the line loss may be excessive. For this reason, CIN has been added to the board at the input terminals to attenuate the ground shifting associated with pulling the main switch current through the wires connecting to the power supply. This capacitor would generally not be required in a battery-powered portable application, where the battery would be physically located close to the LT3484 and the impedance of the connection is low.
The flash tube for this reference design is an FTA160709, manufactured by Perkin-Elmer. They can be contacted at:
PerkinElmer Optoelectronics
Lithography and Lighting
1300 Optical Drive
Azusa, CA. 91702






















